企业危险点、危险源辨识清单模板.docx

上传人:p** 文档编号:404513 上传时间:2023-08-08 格式:DOCX 页数:12 大小:39.82KB
下载 相关 举报
企业危险点、危险源辨识清单模板.docx_第1页
第1页 / 共12页
企业危险点、危险源辨识清单模板.docx_第2页
第2页 / 共12页
企业危险点、危险源辨识清单模板.docx_第3页
第3页 / 共12页
企业危险点、危险源辨识清单模板.docx_第4页
第4页 / 共12页
企业危险点、危险源辨识清单模板.docx_第5页
第5页 / 共12页
企业危险点、危险源辨识清单模板.docx_第6页
第6页 / 共12页
企业危险点、危险源辨识清单模板.docx_第7页
第7页 / 共12页
企业危险点、危险源辨识清单模板.docx_第8页
第8页 / 共12页
企业危险点、危险源辨识清单模板.docx_第9页
第9页 / 共12页
企业危险点、危险源辨识清单模板.docx_第10页
第10页 / 共12页
亲,该文档总共12页,到这儿已超出免费预览范围,如果喜欢就下载吧!
资源描述

《企业危险点、危险源辨识清单模板.docx》由会员分享,可在线阅读,更多相关《企业危险点、危险源辨识清单模板.docx(12页珍藏版)》请在第壹文秘上搜索。

1、主要危险点、危险源辨识清单及预防措施序号作业活动危险点危险源危害结果控制措施备注1施工组织设计对施工中可能出现的危险源和环境因素,如气、水、油、渣、尘、及噪声、振动等,辨识不充分人身伤害、设备事故L充分调查现场施工环境;2 .进行危险源和环境因素辨识:3 .按规定制订措施;4 .加强人员培训;5 .监理工程师详细审查,及时向施工单位提出整改措施。2旅工安全技术措施无施工安全措施;安全施工措施不完善人身伤害、设备事故1.必须按安全规定、规程制订安全技术措施,重大、重要、特殊项目必须制订安全技术措施(雨季施工、夜间施工、交通运输、混凝土浇筑等),并按权限报批;2.安全技术措施计划应包括安全技术措施

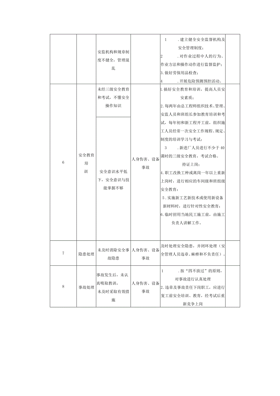
2、和设施、宣传、安全技术开发研制、试验等方面,能改善劳动条件,防止工伤、职业病、职业中毒等。3工作安排工作安排不妥人身伤害合理安排工作任务和作业人员(混凝土浇筑时,作业人员劳动时间过长,应实行三班或两班制)。4安全交底未经安全交底施工人身伤害、设备事故1 .认真做好交底,有针对性讲解危险点及预防措施,交底人与被交底人双方签字;2 .认真执行“公司、项目部、班组”三级交底制度:3 .对无安全措施或未经安全技术交底的施工项目,施工人员有权拒绝施工。5组织措施安全责任不落实人身伤害、设备事故建立健全各级安全责任制并签订黄任书(公司、项目部、班组)安监机构和规章制度不健全,管理混乱1 .建立健全安全监督

3、机构及安全管理制度;2 .对作业过程中人的行为、作业方法和操作动作进行监督监护;3 .做好劳保用品检查;4 .开展危险预测预控活动。6安全教育培训未经三级安全教育和考试,不懂安全操作知识人身伤害、设备事故L搞好安全教育和培训,提高人员安安素质;2 .每两年由总工程师组织技术、管理、安监人员和班组长参加教育培训和考试,每年初和新工程开工前,组织施工人员经常一次安全工作规程、规定、制度的培训学习与考试;3 .新进厂人员进行不少于40课时的三级安全教育,考试合格。持证上岗;4 .职工改换工种或离岗一年以上重新上岗时,进行相应的车间级和班组级安全教育:5 .实施新工艺新技术或使用新设备新材料时,进行针

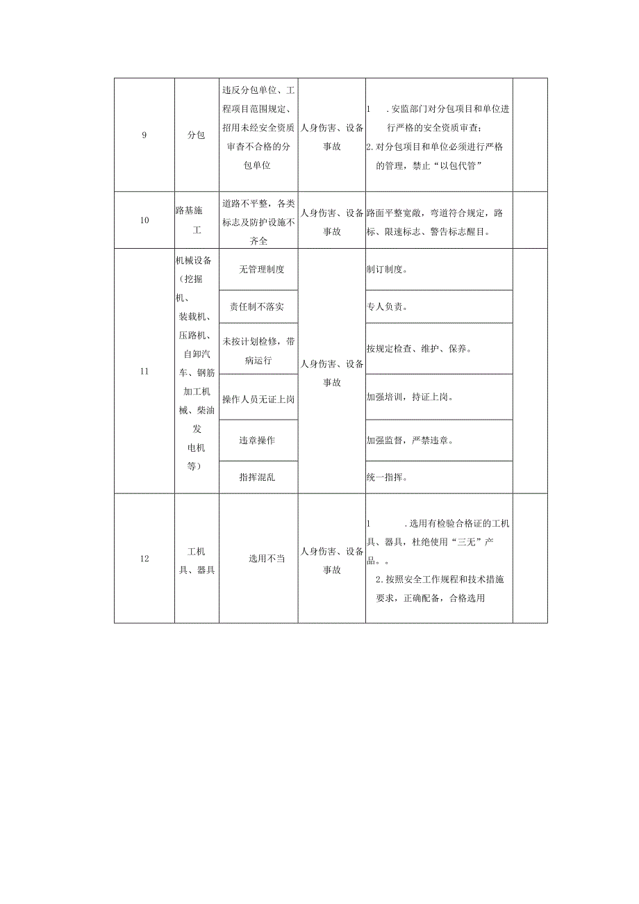
4、对性安全教育;6 .临时招用当地民工施工前,由施工负责人讲解工作。安全意识水平低下,安全意识与技能掌握不够7隐患处理未及时消除安全事故隐患人身伤害、设备事故及时处理安全隐患,并闭环处理(安全管理人员违章、麻痹和不负责任)。8事故处理事故发生后,未认真吸取教训,未及时采取有效措施人身伤害、设备事故1 .按“四不放过”的原则,对事故进行认真处理2 .违章及事故责任下岗职工,应进行复工前安全培训、教育,经考试后重新竞争上岗9分包违反分包单位、工程项目范围规定、招用未经安全资质审杳不合格的分包单位人身伤害、设备事故1 .安监部门对分包项目和单位进行严格的安全资质审查;2 .对分包项目和单位必须进行严格

5、的管理,禁止“以包代管”10路基施工道路不平整,各类标志及防护设施不齐全人身伤害、设备事故路面平整宽敞,弯道符合规定,路标、限速标志、警告标志醒目。11机械设备(挖掘机、装载机、压路机、自卸汽车、钢筋加工机械、柴油发电机等)无管理制度人身伤害、设备事故制订制度。责任制不落实专人负责。未按计划检修,带病运行按规定检查、维护、保养。操作人员无证上岗加强培训,持证上岗。违章操作加强监督,严禁违章。指挥混乱统一指挥。12工机具、器具选用不当人身伤害、设备事故1 .选用有检验合格证的工机具、器具,杜绝使用“三无”产品。2 .按照安全工作规程和技术措施要求,正确配备,合格选用管理不当L建立健全台帐,专人管

6、理;2 .全部挂牌,标识齐全、清晰,摆放整齐、有序,外观整齐:3 .专人定期保养、试验检查、记录,不合格的封存:4 .工具房(间、棚)按规划设置。铁工具房应有醒目、可靠的接地保护措施。13工机具、器具使用不当人身伤害、设备事故L使用前需进行外观检查,对于外壳、手柄破损和电缆或软线损坏的电动工机具不得使用。2 .使用前进行型号、外观检查,坏的进行更换维修。严禁“以小代大”超负荷使用。3 .正确操作、使用工器具。电动工机具的使用电动工机具外壳、手柄破坏和电缆或软线损坏;使用不当L使用前应对漏电保护装置进行检查,确认完好;2 .使用前必须戴好绝缘手套或站在绝缘垫上;3 .电动工具开关应置于操作人员伸

7、手可及的位置:4 .使用时禁止调整、擦拭。14施工电源配置(钢筋加工场地,办公、生活区)施工电源设施布置不规范人身伤害、设备事故L临时配电间、盘、箱布置合理;2 .临时配电间、盘、箱全部检修完好合格,符合安全要求:3 .临时配电间、盘、箱统一着色,喷“有电危险”的明显标志;4 .电缆埋地敷设时,设直埋电缆标志牌,横过马路时,必须穿保护管套5 .各配电间、盘、箱全部陪锁:6 .便携式电源盘等,必须按要求装设漏电保安器;7 .做好接地保护;8 .严禁私拉、乱接电源。15用电操作安装维护不当人身伤害施工用电安装维护,由合格电工担任操作不按规定人身伤害在操作及使用中必须遵守电力建设安全工作规程中相关规

8、定。16照明设施不全人身伤害1 .配齐照明设施,保持照明设施完好,并根据工程需要及时调整、黑暗走廊、过道必须装设照明:2 .设计照明时,考虑不使亮度变化;照明应照度足够,满足夜间施工和人员通行安全的要求;在光度突然变化的地方,不放置障碍物,不设置台阶:3 .保证照明光线走径合理,线杆稳固牢匏,导线应有绝缘子支撑,导线对地距离不小于2.5m;L临时照明线路应相对固定,且不得接近热源或直接绑挂在金属构件上。光线不足位置不当17消防管理制度不全,消防设施、标志不齐全人身伤害建立健全防火责任制和各项规度:1.各办公区、生活区、项目工地、材料站、施工队驻地,按规定配置消防器材;2 .保证防火重点部位有消

9、防水,消防通道畅通,消防设施、标志齐全完好;3 .消防设施定期检查试验。火灾事故禁火区、防火重点部位管理不当1 .禁止区域、部位设立明显、规范的禁火标志;2 .施工区域应划定禁烟区:3 .在禁火区域、部位动火作业实行动火作业票制度,动火作业票应经过审批。山林施工无措施L林区施工要禁止烟火和流动吸烟;2.明火焊接(风机基础钢筋焊接)时;必须划定规则范围、清除易燃杂草,并设专人监护。18人员着装着装不正确人身伤害1 .穿着符合规定的工作服:如焊工着帆布工作服,检修、起重、电工着劳动布工作服,电气作业看绝缘鞋等。2 .根据工作场所和作业性质,穿戴防护用品。19作业环境安全设施不具备或擅自拆除、毁坏、

10、挪用安全设施和安全装置人身伤害,设备事故1 .配备齐全安全设施,各种安全标志齐全醒目。2 .严禁擅自拆除、毁坏、挪用安全设施和安全装置,并加强检查巡视。作业环境不安全(如排水沟道、坑井不完善,排水沟道有阻塞或不通,井盖板未盖好等)且未采取措施:现场布置不合理或人为破坏人身伤害室外作业时受风雨雷雪冰等影响人身伤害1 .合理布置现场,确保作业环境安全。2 .施工区域按设计要求和布置规划要求,排水设施完善,并保持排水沟道畅通、无阻塞,沟道盖板齐全,沟道、孔洞、平台、扶梯等危险场所设有安全可靠的防护围栏。3 .施工用电和力能供应系统布置合理、安全,整齐、规范、标志清楚。4 .施工中在设备、结构、墙板、

11、楼板上开孔、打洞,必须按规定取得许可。作业环境废弃物、有毒有害物质处理不当人身伤害防护措施不充分时,禁止作业(特别是六级以上大风应禁止作业,雨天施工时应穿雨鞋、雨夜)应急方法施工人员不懂应急方法:异常事态发生时焦急惊慌,过分紧某人身伤害1 .建立紧急救援应急系统,使人员了解与掌握危急情况下应采取的对策。2 .做好培训,使员工熟悉掌握触电、中毒、外伤等现场急救方法和消防器材的使用方法,电气各种工作人员应普遍掌握触电急救和心肺复苏法。20安全帽使用、保管不当人身伤害L禁止坐、垫安全帽。2 .检查有无缺边、折断、孔眼等损伤。3 .禁止储存在酸碱、高温、日晒、潮湿等处所,更不可和硬物放在一起。4 .按

12、规定期限使用进入现场戴好安全帽,扣紧下额带21绝缘F套(专职电工)使用、保管不当人身伤害L应根据需要,使用相应的防护手套。.2.不得存放在阳光、潮湿、高温等场所3 .手套保管时撒滑石粉,不折、不卷,保持形状,每半年进行一次绝缘检查。4 .使用前,捏握应无裂痕,使用时取掉手表、手链等。22绝缘鞋(专职电工)使用、保管不当人身伤害L根据作业性质、电压等级选用2.鞋中浸水、浸油、浸酸、浸碱等情况下不得使用,不得触碰带电部分22眼(面)部防护用具(电焊工)使用、保管不当人身伤害1 .存放禁止与酸碱接触,并保持整洁,不受压、受热、受潮和阳光照射等2 .使用护目镜时,根据光线、作业者视力选择,小心摘戴、清

13、洁和镜片,并经常检查螺钉和松紧带3 .使用防护面罩时,小心摘戴,并经南检查螺钉。23呼吸器官防护用具(拌和站)使用、保管不当人身伤害防毒、防尘等呼吸器官防护用品应符合安全要求,并定期检验。24电气安全用具(绝缘操作杆、绝缘手套、验电器、携带式接地线等)使用、保管不当人身伤害1 .应符合安全要求,试验合格。2 .储存在通风、干燥的库房,好坏分开,并做好明显标记。3 .验电器使用前应自检合格,使用时必须戴绝缘手套。4 .接地线使用前需进行外观检查,不得有断股、散股现象,挂、拆接地线须遵守规程要求。25总体要求质量差:管理不当:保养不当人身伤害L制定管理制度,随工程进度统一规划、设置、保证安全。2.

14、严禁作业人员擅自移动、拆除安全防护设施。27警示标志无安全警示标志或标志位置设立不当人身伤害、设备事故按规定正确设立必要的安全警示标志(钢筋加工场地、每个风机基础施工范围内)28防护栏杆重要通道、危险区域、临空间等处无护栏人身伤害在重要通道(主要用于主线、支线某某通运输)设立防护栏杆,色标醒目,且牢固可靠29接零(地)及防雷保护未设置或设置不当,接地电阻值超过标准人身伤害、设备事故L架空线零线的终端、总配电盘及区域配电开关箱的零线,应重复接地,接地电阻不大于1OQ2.用电设备的外壳、吊车轨道、焊工工作平台、架空线路的杆塔(木杆除外),均应可靠接地或接零保护3.高度在20m及以上的金属构架、脚手架、机具等,应设置避雷针,其接地电阻不大于10。30人员素质人员素质不合格人身伤害把好选人关,尤其是做好班组长(队长)和安全员、特种作业人员的选用作业人员意识、体质不符合上岗条件L加强培

展开阅读全文
相关资源
猜你喜欢
相关搜索

当前位置:首页 > 办公文档 > PPT模板素材

copyright@ 2008-2023 1wenmi网站版权所有

经营许可证编号:宁ICP备2022001189号-1

本站为文档C2C交易模式,即用户上传的文档直接被用户下载,本站只是中间服务平台,本站所有文档下载所得的收益归上传人(含作者)所有。第壹文秘仅提供信息存储空间,仅对用户上传内容的表现方式做保护处理,对上载内容本身不做任何修改或编辑。若文档所含内容侵犯了您的版权或隐私,请立即通知第壹文秘网,我们立即给予删除!