员工素质表.docx

上传人:p** 文档编号:405113 上传时间:2023-08-08 格式:DOCX 页数:3 大小:27.32KB
下载 相关 举报
员工素质表.docx_第1页
第1页 / 共3页
员工素质表.docx_第2页
第2页 / 共3页
员工素质表.docx_第3页
第3页 / 共3页
亲,该文档总共3页,全部预览完了,如果喜欢就下载吧!
资源描述

《员工素质表.docx》由会员分享,可在线阅读,更多相关《员工素质表.docx(3页珍藏版)》请在第壹文秘上搜索。

1、员工素质表员工能力素质考评表(班组长级人员用表)被评估人姓名:岗位名称:所在公司:评价方式:口自评上级评口下级评口同事评测评项目定义岗位胜任标准评价结果D(不合格)C(基本合格)B(良好)A(优秀)XV70分70分WXV80分80分WXV9Q分90分WXWlOO分关键能力岗位专业能力完成目前岗位工作所具备的专业知识和技能。1、具有较强的理论知识和实践经验,在目前岗位表现优秀,在公司相同岗位中具有领先地位:2、能够很好的完成上皴安排的工作任务,充分的屐行岗位职责0目标与计划管理能力运用各种手段与方法,对工作目标进行分解并制定出有效的工作计划,确保工作目标有效实现的能力。1、掌握计划管理、目标管理

2、等相关知识:2、能够独立编制个人工作领域的工作计划与目标,编制的计划合理并能有效实施;3、能将工作计划及目标与个人的工作职贡相结合,设置明确的任务要求和衡量标准;1、能耐个人工作任务进行自查、分析和总结,并及时向上级汇报。团队管理能力通过多种方法对团队成员进行激励来调动员工的工作枳极性,确保团队El标得以实现的能力.1、初步掌握人员激励、人际沟通、培训管理、缢效管理等知识:2.具有团队管理的蔻识,有时协助上级进行一些团队的H常管理事务。但织管理能力指为充分发挥组织职能、运作高效而进行的组织架构设计、组织人员的分工和职由业务权限的界定等方面内容,确保组织资源合理分配的能力.1、初步了解组织管理、

3、工作分析的相关知识:2、能够根据实际情况对自己的岗位说明书进行修订,岗位说明书中的内容描述清楚、明确。3、能够对所负责工作领域的相关制度提出合理有效地修改建议.流程管理能力指根据工作业务的需要制订、实修、优化并完善工作流程与相关配套制度,保障各项工作顺利进行的能力.1、初步了解流程管理的相关知识:2、能够对所负货工作领域的相关流程提出合理有效地修改建议。测评项目定义岗位胜任标准评价结果D(不合格)C基本合格)B(良好)A(优秀)XV70分70分WX80分80分告XV9。分90分WXWlOO分基本能力领导能力采用多种管理手15.解决人员冲突,促进合作,带领成员实现工作目标的能力。1、关心同事.主

4、动和同事就工作中的问题进行探讨,寻求解决方案:2、能够白如应对工作中的矛盾、冲突,协助上级营造和谐的气氛.决策能力制定策略、办法,在多方案中选择最佳方案的能力。1、能够对工作中的突发事件进行及时有效地判断,并积极采取行动:2、能够就工作职能涉及的问题向上娘提供合理的决策建议。际往力人交能与他人相处、建立互相信任协作关系的能力。能婚与同事机处融洽,并能建立正常、顺畅的工作关系。沟通能力通过口头和书面方式表达及交流思想的能力。1、能够就工作事项与同事进行顺利沟通,在竹面沟通方面能筋清楚表达自己的观点,文法规范:2、与同事沟通时,较积极主动。学习能力学习和掌握新知识或技能的愿望和能力.能帔主动地有计

5、划地学习与工作岗位相关的新知识、新技能,并能不断实现个人提高。创新能力指在工作过程中J敢J突破以往经验束缚的精神,创造或引进新观念、方式,提高工作绩效的能力.保持开放的心态,能够定期对所负费工作进行检视,经常性地进行创新.提高效率、增进效益.执行能力贯彻施行,实际履行上级设定或交办及制度规定的工作任务、工作方法的能力。1、能够严格的执行公司现有的各项制度和工作流程:2、能按时完成上级交办的各项工作任务。化播力文传能充分理解、认可公司文化,并通过会议、文件、口头交流等方式对公司文化进行宣传的能力。基本了解公司的发展历史与沿革、现状和文化内涵,认可公H企业文化并积极参与公司组织的各种企业文化活动。

6、测评项目定义岗位胜任标准评价结果D(不合格)C(基本合格)B(良好)A(优秀)XV70分70分WXV80分80分WXV90分90分WXWlOo分关键素养大局意识能够站在集团或公司的角度来考虑整体问题与平衡整体利益的意识。1、经常站在部门整体的角度思考问地,并能够做到个人利益服务集体利益,短期利益服从长期利益.2、关心部门或公司的更大事件、整体情况和发展目标:3、具有较强的集体观念和荣誉感。团队合作指以实现团队整体目标为己任,能与团队成员相互支持、共享资源、共担责任、共同完成团队任务的合作精神和协作意识.1、尊Ifi别人的意见和观点:2、能够与同事顺利协作开展工作:3、能一定程度上的分享自己的资

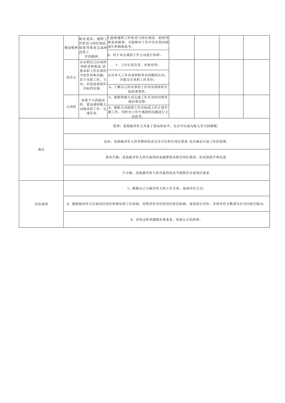
7、源和观点。成就导向是指个人具有成功完成任务或在工作中追求卓越的愿望,把事情做得更好的企图和行为。1、有把事情做得更好的积极心态和主观愿望:2、具有积极地上进心,能够拓本按照目标行事:3、持续地努力工作、学习.客户导向具有主动都助和服务客户、尽力满足客户需求的愿犯,全力将努力的焦点放在发掘和满足客户的需要上。这里的客户既包括外部客户也包括内部客户.1、根据规章制度和工作指令积极为内外部客户提供必要的服务项目和内容:2、在为内外部客户提供服务的过程中态度积极诚恳。基本素养忠诚度对团队和企业的忠实程度。坚守职业道循、保守企业秘密,对团队成员和企业充分信任,不做任何有损企业利益和形象的事,并积极主动维

8、护企业利益。敬业精神敬业爱岗,遵照工作职员与岗位规范、制度等要求完成和改善工作的精神。1,能够遵照工作职责与岗位规范、制度等要求来做事,并能够对工作中存在的问曲进行积极地思考,2、对于未完成的工作主动进行加班,责任心认识到自己应承担的职责和要求,消楚本职工作在组织中的作用和贡献,忠于本职工作,主动、自觉追求组织目标的实现。1、工作认真负责、有始有终;2,对本人工作内容和职责有清晰的认识,并能完全承担工作责任:3、了解自己所从事的工作对实现组织目标的重要性。主动性依靠个人的能动性、紧迫感积极主动地承担工作、完成任务。1、能够积极主动完成工作并及时向领导或同事反馈:2、能鲂主动按照工作目标或工作计划开屣工作,同时对工作中遇到的问题进行主动思考。备注优秀:是指被评价人具备了很高的水平,完全可以成为他人学习的楷模。良好:是指被评价人所具瞽的状态完全可以胜任岗位要求,充分满足目前工作的需要。基本合格:是指被评价人所具备的状态能锣基本胜任岗位要求,但尚需提升和改进.不合格:是指被评价人所具备的状态不能胜任目前岗位要求.评价说明1、根据自己与被评价人的工作关系,选择评价方式:2、根据被评价人目前岗位的任职情况和工作表现,对照评价项目的岗位胜任标准,逐项进行评价,并将评价分数填写在对应的空格内:3、评价过程须遵循实事求是、客观公正的原则。

展开阅读全文
相关资源
猜你喜欢
相关搜索

当前位置:首页 > 管理/人力资源 > 招聘面试

copyright@ 2008-2023 1wenmi网站版权所有

经营许可证编号:宁ICP备2022001189号-1

本站为文档C2C交易模式,即用户上传的文档直接被用户下载,本站只是中间服务平台,本站所有文档下载所得的收益归上传人(含作者)所有。第壹文秘仅提供信息存储空间,仅对用户上传内容的表现方式做保护处理,对上载内容本身不做任何修改或编辑。若文档所含内容侵犯了您的版权或隐私,请立即通知第壹文秘网,我们立即给予删除!