炸药探测种类和禁限带物品的类别.docx

上传人:p** 文档编号:406188 上传时间:2023-08-08 格式:DOCX 页数:3 大小:18.43KB
下载 相关 举报
炸药探测种类和禁限带物品的类别.docx_第1页
第1页 / 共3页
炸药探测种类和禁限带物品的类别.docx_第2页
第2页 / 共3页
炸药探测种类和禁限带物品的类别.docx_第3页
第3页 / 共3页
亲,该文档总共3页,全部预览完了,如果喜欢就下载吧!
资源描述

《炸药探测种类和禁限带物品的类别.docx》由会员分享,可在线阅读,更多相关《炸药探测种类和禁限带物品的类别.docx(3页珍藏版)》请在第壹文秘上搜索。

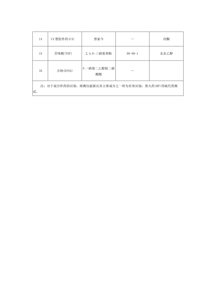
1、炸药探测种类和禁限带物品的类别表A.1炸药探测种类表序号炸药名称主要成分化学名称CAS编号试验用溶剂1梯恩梯(TNT)三硝基甲苯118-96-7丙酮2三丙酮三过氧化物(TATP)三过氧化三丙酮17088-37-8乙揩或无水乙醉3太安(PETN)李戊四醇四硝酸酯78-11-5丙酮4黑火药(BP)硫磺+木炭+硝石5黑索今(RDX)1,3,5-三硝基六氢一1,3,5-三嗪121-82-4丙酮6奥克托今(HMX)环四次甲基四硝胺2691-41-0丙酮7硝钱类炸药硝酸镂6484-52-2无水乙醉8铉梯炸药硝酸钺+TNT无水乙醇9硝化甘油(NG)硝化丙三醇55-63-0乙腑或无水乙醇10二硝基甲苯(DNT

2、)2,4-二硝基甲苯121-14-2乙精或无水乙醇11六甲氧胺(HMTD)六亚甲基三过氧化二胺283-66-9乙脯12特屈儿(TETRYL)2,4,6-三硝基苯甲硝胺479-45-8乙腾13塞姆汀(Semtex)太安+黑索金一丙酮14C4塑胶炸药(C4)黑索今丙酮15苦味酸(TNP)2,4,6-三硝基苯酚88-89-1无水乙醇16吉纳(DINA)N一硝基二乙醇胺二硝酸酯注:对于混合炸药的识别,探测仪能报出其主要成分之一即为有效识别:黑火药(BP)用硫代替测试。表A.2禁限带物品的类别表序号类别样本1刀具水果刀、菜刀、陶瓷刀、砍刀、弹簧刀、匕首等2金属工具扳手、撬棍、甩棍、锤子、榔头等;3枪支(含仿真枪)手枪、步枪、冲锋枪或各种形状仿真枪等:4子弹或枪支零部件检测手枪弹、步枪弹、弹夹、枪栓、枪托等5液体容器金属瓶、塑料瓶或者玻璃瓶装的汽油、酒精、打火机油等;6压力罐杀虫剂、空气清新剂、发胶、止汗喷雾等;7电子产品手机、录音笔、数码相机、数码摄像机、平板电脑、笔记本电脑:8打火机塑料壳打火机、金属壳打火机9电源锂电池、银珞电池、铅酸电池、移动电源等;10烟花爆竹烟花、鞭炮、二踢脚、礼花弹等11危险液体汽油、煤油、柴油、硝酸、盐酸、硫酸等危险液体12可疑有机物易制毒化学品、易制爆化学品等危险品

展开阅读全文
相关资源
猜你喜欢
相关搜索

当前位置:首页 > 行业资料 > 矿业工程

copyright@ 2008-2023 1wenmi网站版权所有

经营许可证编号:宁ICP备2022001189号-1

本站为文档C2C交易模式,即用户上传的文档直接被用户下载,本站只是中间服务平台,本站所有文档下载所得的收益归上传人(含作者)所有。第壹文秘仅提供信息存储空间,仅对用户上传内容的表现方式做保护处理,对上载内容本身不做任何修改或编辑。若文档所含内容侵犯了您的版权或隐私,请立即通知第壹文秘网,我们立即给予删除!