产品表面外观缺陷的限定标准论述.docx

上传人:p** 文档编号:407022 上传时间:2023-08-10 格式:DOCX 页数:11 大小:50.05KB
下载 相关 举报
产品表面外观缺陷的限定标准论述.docx_第1页
第1页 / 共11页
产品表面外观缺陷的限定标准论述.docx_第2页
第2页 / 共11页
产品表面外观缺陷的限定标准论述.docx_第3页
第3页 / 共11页
产品表面外观缺陷的限定标准论述.docx_第4页
第4页 / 共11页
产品表面外观缺陷的限定标准论述.docx_第5页
第5页 / 共11页
产品表面外观缺陷的限定标准论述.docx_第6页
第6页 / 共11页
产品表面外观缺陷的限定标准论述.docx_第7页
第7页 / 共11页
产品表面外观缺陷的限定标准论述.docx_第8页
第8页 / 共11页
产品表面外观缺陷的限定标准论述.docx_第9页
第9页 / 共11页
产品表面外观缺陷的限定标准论述.docx_第10页
第10页 / 共11页
亲,该文档总共11页,到这儿已超出免费预览范围,如果喜欢就下载吧!
资源描述

《产品表面外观缺陷的限定标准论述.docx》由会员分享,可在线阅读,更多相关《产品表面外观缺陷的限定标准论述.docx(11页珍藏版)》请在第壹文秘上搜索。

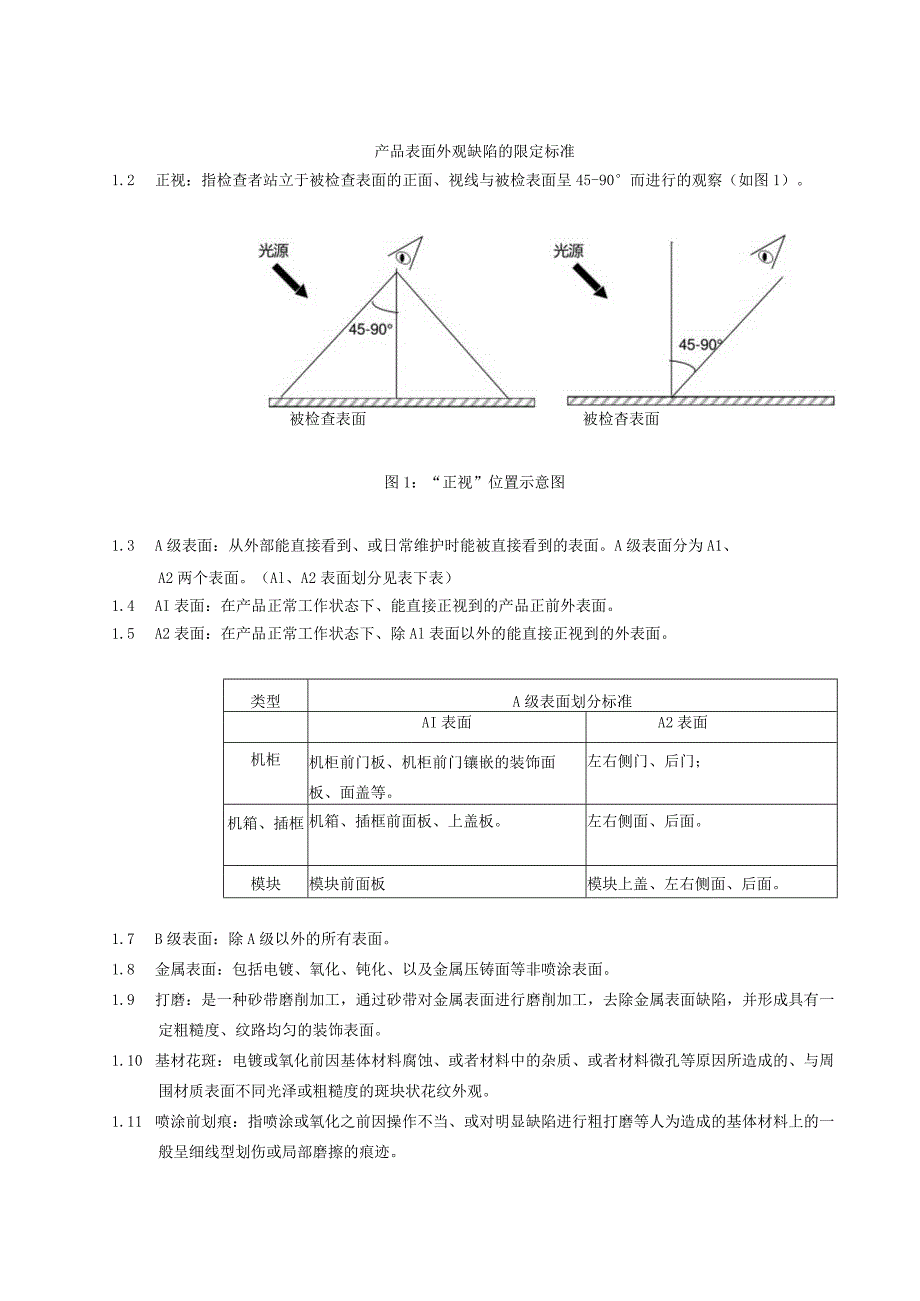
1、产品表面外观缺陷的限定标准1.2 正视:指检查者站立于被检查表面的正面、视线与被检表面呈45-90而进行的观察(如图1)。被检查表面被检杳表面图1:“正视”位置示意图1.3 A级表面:从外部能直接看到、或日常维护时能被直接看到的表面。A级表面分为A1、A2两个表面。(Al、A2表面划分见表下表)1.4 AI表面:在产品正常工作状态下、能直接正视到的产品正前外表面。1.5 A2表面:在产品正常工作状态下、除Al表面以外的能直接正视到的外表面。类型A级表面划分标准AI表面A2表面机柜机柜前门板、机柜前门镶嵌的装饰面板、面盖等。左右侧门、后门;机箱、插框机箱、插框前面板、上盖板。左右侧面、后面。模块

2、模块前面板模块上盖、左右侧面、后面。1.7 B级表面:除A级以外的所有表面。1.8 金属表面:包括电镀、氧化、钝化、以及金属压铸面等非喷涂表面。1.9 打磨:是一种砂带磨削加工,通过砂带对金属表面进行磨削加工,去除金属表面缺陷,并形成具有一定粗糙度、纹路均匀的装饰表面。1.10 基材花斑:电镀或氧化前因基体材料腐蚀、或者材料中的杂质、或者材料微孔等原因所造成的、与周围材质表面不同光泽或粗糙度的斑块状花纹外观。1.11 喷涂前划痕:指喷涂或氧化之前因操作不当、或对明显缺陷进行粗打磨等人为造成的基体材料上的一般呈细线型划伤或局部磨擦的痕迹。1.12 浅划痕:膜层表面划伤,但未伤至底层(即底层未暴露

3、);对其它无膜层表面则为:目测不明显、手指甲触摸无凹凸感、未伤及材料本体的伤痕。1.13 深划痕:表面膜层划伤,且已伤至底层(即底层已暴露出来):对无膜层表面则为:目测明显、手指甲触摸有凹凸感、伤及材料本体的伤痕。1.14 凹坑:由于基体材料缺陷、或在加工过程中操作不当等原因而在材料表面留下的小坑状痕迹。1.15 凹凸痕:因基材受撞击或校形不良等而呈现出的明显变形、凹凸不平整的现象,手摸时有不平感觉。1.16 打磨区:对基材上的腐蚀、划伤、焊接区、钾接区等部位进行机械打磨抛光后表现出的局部高光泽、光亮区域。1.17 烧伤:拉丝处理时因操作不当、造成零件表面过热而留下的烧蚀痕迹。1.18 水印:

4、电镀或氧化后因清洗水未及时干燥或干燥不彻底所形成的斑纹、印迹。1.29 缩水:因材料、工艺等原因使塑胶或压铸件表面出现凹陷的收缩现象.1.30 气泡:指因工艺原因内部出现的可见空气泡。1.31 砂眼:焊接或打磨件表面的疏松针孔。1.32 披锋:压铸件的分模面上出现或残留的毛刺。1.33 露白:镀锌彩色钝化膜因磨擦而被去除、露出锌层,或因缝隙截留溶液导致的无钝化膜现象,呈现为区别于周围彩色的白色。1.34 雾状:镀铭、镀锲表面或透明塑胶表面上的模糊、不清晰、不光亮的现象。1.35 局部无格层:指镀珞表面因电镀工艺的局限而在凹槽内、深孔内、折弯内角等低电位区出现珞层未电镀上的现象。1.36 修补:

5、因膜层损伤而用涂料所作的局部遮盖。1.37 异物:由材料、模具、环境或机器设备中的灰尘、夹杂物、污物等影响而形成的与表面不同色的斑点。1.38 颗粒:因材料杂质或外来物(如焊渣等)的影响而在表面形成的、颜色与正常表面一致的凸起现象。1.39 挂具印:指电镀、氧化、或喷涂等表面处理生产过程中,因装挂用辅助工具的遮挡而使其与零件相接触的部位局部无膜层的现象。1.40 色差:颜色与标准色板样品片/件不兼容所产生的颜色不一致,不均匀。1.41 图文损伤:印刷图文因局部脱落或擦伤、附着不良、污染等所造成的图形、字迹不完整不清晰现象。2对外观的技术要求2.1 总则2.1.1 原则:产品外观应美观,颜色均匀

6、一致,单独一零/部件的整体视觉效果不能受到破坏,不会给人以劣质产品的印象。生产者应认真操作、严格控制产品质量,避免在生产过程中出现对各种表面的战伤。2.1.2 表面按其在产品中所处位置和质量要求划分为二个等级,即:A级和B级表面;A级表面中按最终工作状态又可分为AI表面和A2表面。各等级每一面上表面缺陷的限定标准详见表2o2.1.3 有签样或图纸上有特殊要求的零部件,其对应的缺陷优先按其样板或技术要求的标准进行判断。其它结构件表面缺陷的程度不能超出表2的要求,否则为不合格。表2中未包括的缺陷均属于不允许范围(但符合零件状态标准的除外)。(注:表2中所列的缺陷个数当在每一表面上超过2个时,每2个

7、缺陷之间的距离必须大于Iomm,否则视为同一缺陷,面积以其总和计。)2.1.4 对于颜色、光泽和纹理,按零件生产要求进行控制。除非另外指定,最终的光泽、纹理、抛光应同质量部保存的样品片/件所表现的颜色、纹理和光泽相匹配。当和样品片/件的差异不是很明显时,是可接受的。机柜、柜门、面板等所表现的颜色、纹理和光泽相匹配表面应在通用整体质量的基础上判断。颜色、光泽和纹理应同有纹理的表面的样品片/件视觉兼容。当同样品片/件相比较时,样板的视觉验收有最终权威。色差在有争议时以色差仪的DeltaE值为依据判定。2.1.5 特殊装饰表面应在相应的零件图纸中(或以签样的形式)规定是否允许表面缺陷、包括是否允许折

8、弯模具压痕等。2.2 印刷图文对于印刷图文的要求按DMBM0.402.004执行。在外部表面上的印刷图文周围20mm范围内不允许有明显表面缺陷。其它按表2执行。2.3 加工工艺原因导致的问题2.3.1 拉丝或喷砂表面经压钾后在压抑区域出现纹理、光泽不完全一致的现象(装饰纹被压平或有压过痕迹),可以接受。2.3.2 对于在压钾、焊接的背面所呈现出的轻微凹凸痕迹,属于正常的加工痕;但在要求较高装饰性的表面(如喷有机涂层的外部表面)应加以适当的掩饰处理。2.3.3 镀彩锌零件先电镀后压钾时,压钾区的电镀层外观在颜色或光泽上有变化、但镀层及钝化膜无损伤,不作为缺陷。若钝化膜有损伤,可对损伤部位进行涂漆

9、(金色)修补,该修补不受表2的面积限制。2.3.4 对于机械加工过程中形成的正常模具压印,不属于缺陷;但必须保证其与零件边缘轮廓平行或者具有一定的规律性,压痕的程度各方商定,必要时以签样标准加以限制。23.5冲压过程中产生的接刀痕,只要符合安全和尺寸规定,即可接受。1.1.6 带有盲孔、或者较深通孔的零件进行电镀或喷涂时,孔内较难镀(喷)上。因此允许在孔内部、深度大于孔半径的区域没有膜层,但可以涂上油漆(或其它类似的有保护作用的干膜涂料)加以保护,不允许有可见的腐蚀物。(同时需注意满足尺寸要求)。1.1.7 表面处理时的挂具印应安排在B级表面。对于只有A级表面的零件,其挂具印应位于边角位置,并

10、要求其大小控制在S2.0且PW4(S及P的含义见表2)。2.4 材料缺陷导致的问题2.4.1 由于原材料制造原因,铝制零件有时会在化学处理后、在表面呈现出粗晶组织现象(如斑纹状态)。这种缺陷不允许出现在面板类零件等Al表面,但可用于其它表面(前提是该材料的其它性能符合相关技术要求,如化学成份、机械性能等,而且花纹应比较均匀。2.4.2 由电镀锌板、电镀锡板(马口铁)或覆铝锌板制作的零件,在其切口断面会出现锈迹。只要这种锈蚀现象只发生在断面上、而没有延伸到平板面正面区域,且呈零星点状、不成片,则认为可接受。镀锌钢板在折弯时出现的压痕处膜层损伤,不允许出现在Al部表面。2.5 缺陷的改善2.5.1

11、 对于基材花斑、或镀前划痕、或者焊接后的表面不平整等,均可以采取打磨抛光的方式加以去除,但抛光区不能留下有深度感的打磨条纹(即应采用较细的磨料,表面粗糙度Ra低于l.Om),且打磨后的基材必须符合零件尺寸要求。因抛光区的光泽与周围区域不同,对同一表面上抛光区的面积和数量限制如表2;当超出表2限制时,应对整个表面进行抛光处理以使该表面光泽基本均匀一致,同时也应满足本文2.1.1条的原则:不能在整个表面布满了小面积的抛光区。2.6 特殊情况2.6.1 当型材棱边有磕碰凹痕时,在A级表面上,正视其磕碰凹痕深度不能超过0.7mm(如图1),宽度不限;数量每条边不多于2处。I0.7mmT图2:棱边上的磕

12、碰凹痕2.6.2 无色氧化处理的铝表面上的划痕,均当作“镀前划痕”对待。2.6.3 当用数控冲床进行加工时,由于机床台面对板材的磨擦作用会出现一些轻微的磨擦痕,即外观上此种擦痕较宽,无凹入感。此类极轻微的擦痕可以出现在A2表面上、不受表2限制。2.6.4 螺钉头上若出现槽口明显变形、或表面膜层破损,均不允许。若槽口边缘出现的轻微毛刺,在Al表面上、不允许:在其它表面,以目视没有明显的变形、或突起、或膜层脱落等缺陷为限。2.6.5 对无凹入感的镀前划痕,当其与轮廓边平行者,允许L300且P2(L及P的含义见表2)3外观检验条件3.1 目视检测条件为:在自然光或光照度在300-600LX的近似自然

13、光下(如40W日光灯、距离50Omm处),相距为500-600mm,观测时间为5秒,且检查者位于被检查表面的正面、视线与被检表面呈45-90进行正常检验(参见图1)。要求检验者的校正视力不低于1.2。3.2 检查时,每一表面按其面积或该表面最大外形尺寸划分为不同大小类别,当有两个条件满足时、以大的一类为准。表面大小划分标准如表1。当缺陷所在的检测面尺寸超过表2中对应的最大一类时,则将该面划分为几个这样的最大面对待,且划分方法应保持同一种方式(即始终按面积分,或始终按外形尺寸分)。表L表面大小类别划分表面大小划分标准按面积按最大外形尺寸小检测面积6400mm2最大尺寸W300mm中6400检测面

14、积W48600mm2300最大尺寸W600mm大486OOV检测面积W97200mm2600V最大尺寸WIooOmm超大972OoV检测面积W360000mm2Ioo0最大尺寸W1500mm表2:产品外观缺陷的可接受范围(注)外观缺陷类型表面大小缺陷所处表面类型合格范围A级表面B级表面Al表面A2表面基材花斑不限金属表面不允许S(缺陷面积的总和)W被测面积的5%打磨区小金属表面不允许S100且PW2不限制中S100且P2不限制大S(总面积)W被测面积的5%外观缺陷类型表面大小缺陷所处表面类型合格范围A级表面B级表面AI表面A2表面镀前划痕(手感无凹入或极轻微凹入)小金属表面(但不包括拉丝及喷砂面)L15且P2L20且P3;或1.40且P1不限制中L20且PW3;或1.40且P1L20且PW5(或L40且P3):以及1.80且P1大L20且PW5(或LW40且P3);以及1.80且P1L40且P5;以及1.150且P1超大L40且P5;以及1.150且PWlL300且P3镀前划痕(手感有明显凹入)小不允许L40且P3中L20,P3或1.40且P1L20且PW5(或L40且P3);以及外观缺陷类型表面大小缺陷所处表面类型合格范围A级表面B级表面AI表面A2表面L80且Pl镀前划痕(手

展开阅读全文
相关资源
猜你喜欢
相关搜索

当前位置:首页 > 建筑/环境 > 保温建筑

copyright@ 2008-2023 1wenmi网站版权所有

经营许可证编号:宁ICP备2022001189号-1

本站为文档C2C交易模式,即用户上传的文档直接被用户下载,本站只是中间服务平台,本站所有文档下载所得的收益归上传人(含作者)所有。第壹文秘仅提供信息存储空间,仅对用户上传内容的表现方式做保护处理,对上载内容本身不做任何修改或编辑。若文档所含内容侵犯了您的版权或隐私,请立即通知第壹文秘网,我们立即给予删除!