太阳能光伏建筑一体化及节能幕墙节能门窗生产基地工程项目主要污染物产生及预计排放情况.docx

上传人:p** 文档编号:407945 上传时间:2023-08-10 格式:DOCX 页数:2 大小:19.09KB
下载 相关 举报
太阳能光伏建筑一体化及节能幕墙节能门窗生产基地工程项目主要污染物产生及预计排放情况.docx_第1页
第1页 / 共2页
太阳能光伏建筑一体化及节能幕墙节能门窗生产基地工程项目主要污染物产生及预计排放情况.docx_第2页
第2页 / 共2页
亲,该文档总共2页,全部预览完了,如果喜欢就下载吧!
资源描述

《太阳能光伏建筑一体化及节能幕墙节能门窗生产基地工程项目主要污染物产生及预计排放情况.docx》由会员分享,可在线阅读,更多相关《太阳能光伏建筑一体化及节能幕墙节能门窗生产基地工程项目主要污染物产生及预计排放情况.docx(2页珍藏版)》请在第壹文秘上搜索。

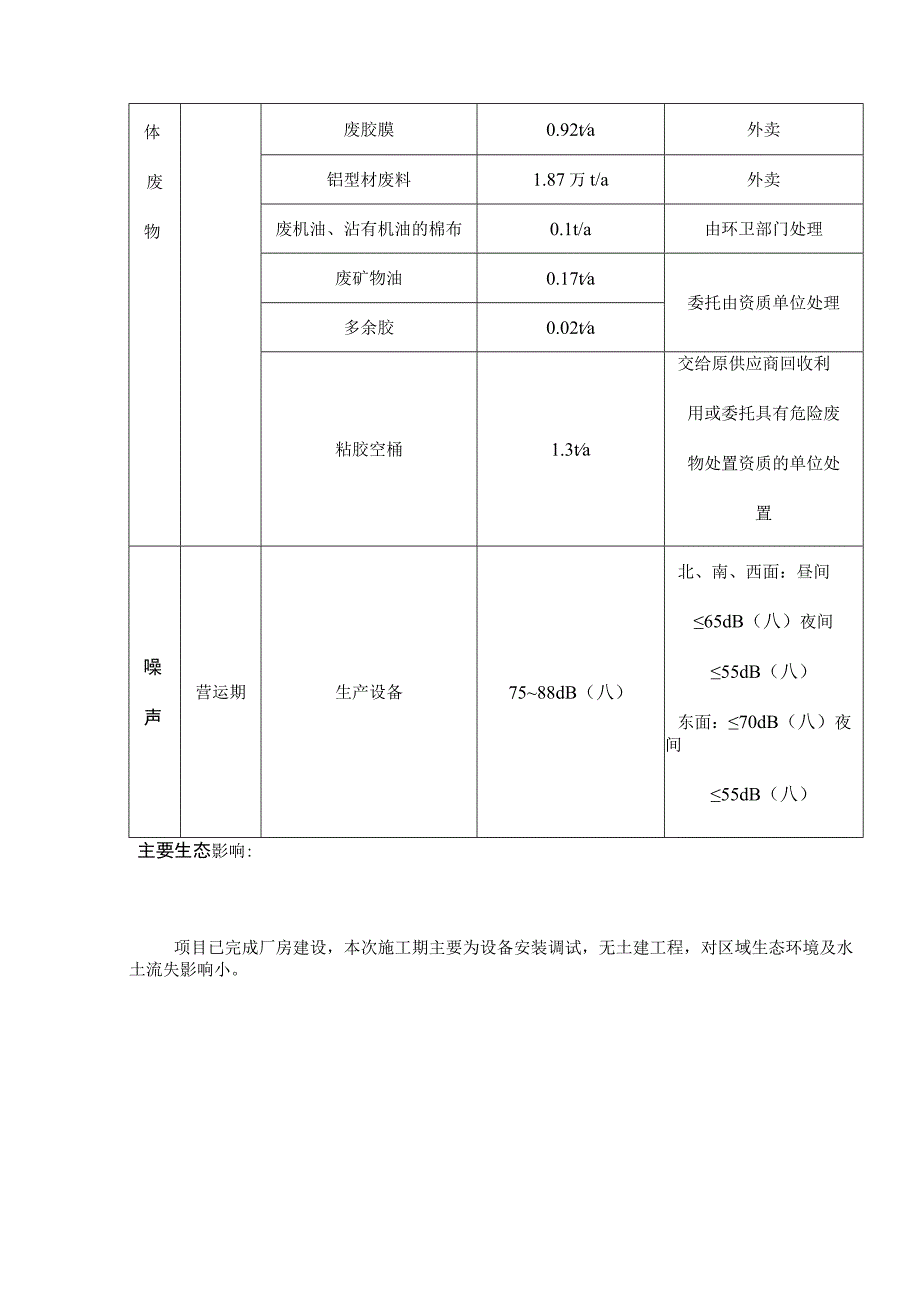
1、太阳能光伏建筑一体化及节能幕墙节能门窗生产基地工程项目主要污染物产生及预计排放情况sJ容类型xK排放源污染物名称产生浓度及产生量排放浓度及排放量浓度产生量浓度排放量大气污染营运期1、2、3#厂房VOCs0.03ta0.03ta1、2、3#厂房金属粉尘1.87ta1.87ta3#厂房锡及其化合物粉尘4.2kga0.42kga3#厂房非甲烷总烽9.2kga9.2kga食堂油烟7.3mgm387.5kga1.1mgm313.Ikg/a水污染营运期生活污水污水总量10350ta10350taCOD350mgL3.62ta300mgL3.11taBOD5200mgL2.07ta160mgL1.66taS

2、S200mgL2.07ta100mgZL1.04ta氨氮25mgL0.26ta23.7mgL0.25ta动植物油100mgL1.04ta28.5mgL0.29ta固营运期生活垃圾131.3/a由环卫部门处理体废物废胶膜0.92ta外卖铝型材废料1.87万t/a外卖废机油、沾有机油的棉布0.1t/a由环卫部门处理废矿物油0.17ta委托由资质单位处理多余胶0.02ta粘胶空桶1.3ta交给原供应商回收利用或委托具有危险废物处置资质的单位处置噪声营运期生产设备7588dB(八)北、南、西面:昼间65dB(八)夜间55dB(八)东面:70dB(八)夜间55dB(八)主要生态影响:项目已完成厂房建设,本次施工期主要为设备安装调试,无土建工程,对区域生态环境及水土流失影响小。

展开阅读全文
相关资源
猜你喜欢
相关搜索

当前位置:首页 > 建筑/环境 > 建筑节能

copyright@ 2008-2023 1wenmi网站版权所有

经营许可证编号:宁ICP备2022001189号-1

本站为文档C2C交易模式,即用户上传的文档直接被用户下载,本站只是中间服务平台,本站所有文档下载所得的收益归上传人(含作者)所有。第壹文秘仅提供信息存储空间,仅对用户上传内容的表现方式做保护处理,对上载内容本身不做任何修改或编辑。若文档所含内容侵犯了您的版权或隐私,请立即通知第壹文秘网,我们立即给予删除!