挡墙计算书--连续梁设计(LXL-2).docx

上传人:p** 文档编号:408587 上传时间:2023-08-10 格式:DOCX 页数:4 大小:127.31KB
下载 相关 举报
挡墙计算书--连续梁设计(LXL-2).docx_第1页
第1页 / 共4页
挡墙计算书--连续梁设计(LXL-2).docx_第2页
第2页 / 共4页
挡墙计算书--连续梁设计(LXL-2).docx_第3页
第3页 / 共4页
挡墙计算书--连续梁设计(LXL-2).docx_第4页
第4页 / 共4页
亲,该文档总共4页,全部预览完了,如果喜欢就下载吧!
资源描述

《挡墙计算书--连续梁设计(LXL-2).docx》由会员分享,可在线阅读,更多相关《挡墙计算书--连续梁设计(LXL-2).docx(4页珍藏版)》请在第壹文秘上搜索。

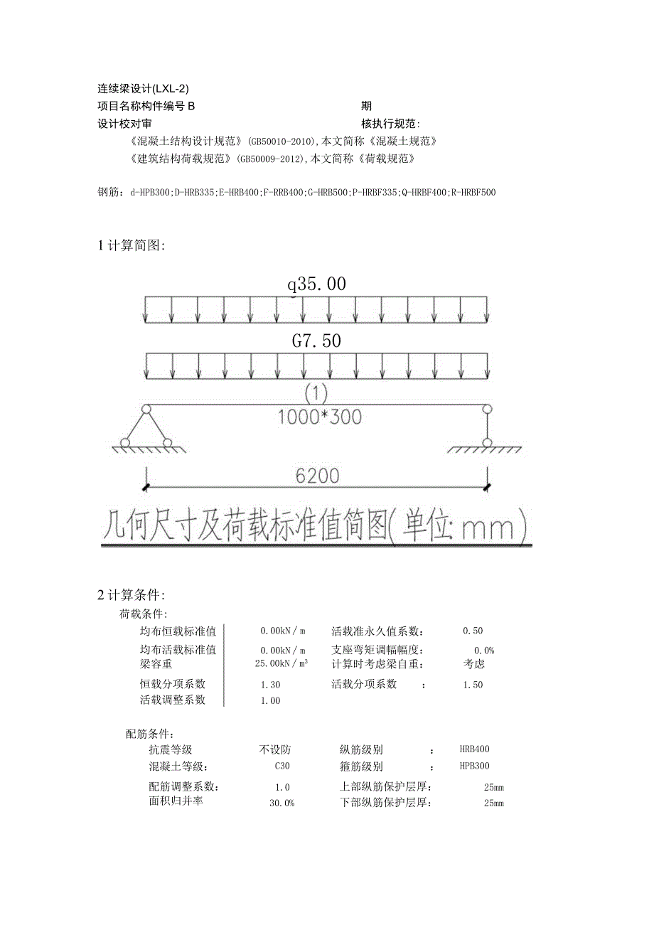
1、连续梁设计(LXL-2)项目名称构件编号B期设计校对审核执行规范:混凝土结构设计规范(GB50010-2010),本文简称混凝土规范建筑结构荷载规范(GB50009-2012),本文简称荷载规范钢筋:d-HPB300;D-HRB335;E-HRB400;F-RRB400;G-HRB500;P-HRBF335;Q-HRBF400;R-HRBF5001计算简图:q35.00G7.502计算条件:荷载条件:均布恒载标准值0.00kNm活载准永久值系数:0.50均布活载标准值0.00kNm支座弯矩调幅幅度:0.0%梁容重25.00kNm3计算时考虑梁自重:考虑恒载分项系数1.30活载分项系数:1.50

2、活载调整系数1.00配筋条件:抗震等级:不设防纵筋级别:HRB400混凝土等级:C30箍筋级别:HPB300配筋调整系数:1.0上部纵筋保护层厚:25mm面积归并率:30.0%下部纵筋保护层厚:25mm最大裂缝限值:0.400mm挠度控制系数C:200截面配筋方式:单筋3计算结果:单位说明:弯矩:kN.m剪力:kN纵筋面积:mm?箍筋面积:m11r7m裂缝:Inm挠度:Inm梁号1:跨长=6200BXH=1000X300左中右弯矩(一):O.OOO0.0000.000弯矩(+):O.OOl265.4760.001剪力:171.2750.000-171.275上部as:353535下部as:35

3、3535上部纵筋:600600600下部纵筋:6003300600箍筋Asv:127112711271上纵实配:5E14(770)5E14(770)5E14(770)下纵实配:9E22(3421)9E22(3421)9E22(3421)箍筋实配:4d8150(1340)4d8150(1340)4d8150(1340)腰筋实配:-(0)-(0)(0)上实配筋率:0.26%0.26%0.26%下实配筋率:1.14%1.14%1.14%箍筋配筋率:0.13%0.13%0.13%裂缝:0.0000.2690.000挠度:-0.00030.762-0.000最大裂缝:0.269mm0.400mm最大挠度:30.762mm31.OOOmm(6200/200)本跨计算通过.4所有简图:5E149E22 d81505E149E224d81505E149E22 V4d8150 o6006006003300600Y1271127W)/V:+171,275+ 0,000V:+171,275+ 0,000【理正结构设计工具箱软件7.0】计算日期:2022-07-2014:13:49

展开阅读全文
相关资源
猜你喜欢
相关搜索

当前位置:首页 > 建筑/环境 > 施工组织

copyright@ 2008-2023 1wenmi网站版权所有

经营许可证编号:宁ICP备2022001189号-1

本站为文档C2C交易模式,即用户上传的文档直接被用户下载,本站只是中间服务平台,本站所有文档下载所得的收益归上传人(含作者)所有。第壹文秘仅提供信息存储空间,仅对用户上传内容的表现方式做保护处理,对上载内容本身不做任何修改或编辑。若文档所含内容侵犯了您的版权或隐私,请立即通知第壹文秘网,我们立即给予删除!