电气安装工程危险辨识与评价表.docx

上传人:p** 文档编号:409436 上传时间:2023-08-10 格式:DOCX 页数:13 大小:91.75KB
下载 相关 举报
电气安装工程危险辨识与评价表.docx_第1页
第1页 / 共13页
电气安装工程危险辨识与评价表.docx_第2页
第2页 / 共13页
电气安装工程危险辨识与评价表.docx_第3页
第3页 / 共13页
电气安装工程危险辨识与评价表.docx_第4页
第4页 / 共13页
电气安装工程危险辨识与评价表.docx_第5页
第5页 / 共13页
电气安装工程危险辨识与评价表.docx_第6页
第6页 / 共13页
电气安装工程危险辨识与评价表.docx_第7页
第7页 / 共13页
电气安装工程危险辨识与评价表.docx_第8页
第8页 / 共13页
电气安装工程危险辨识与评价表.docx_第9页
第9页 / 共13页
电气安装工程危险辨识与评价表.docx_第10页
第10页 / 共13页
亲,该文档总共13页,到这儿已超出免费预览范围,如果喜欢就下载吧!
资源描述

《电气安装工程危险辨识与评价表.docx》由会员分享,可在线阅读,更多相关《电气安装工程危险辨识与评价表.docx(13页珍藏版)》请在第壹文秘上搜索。

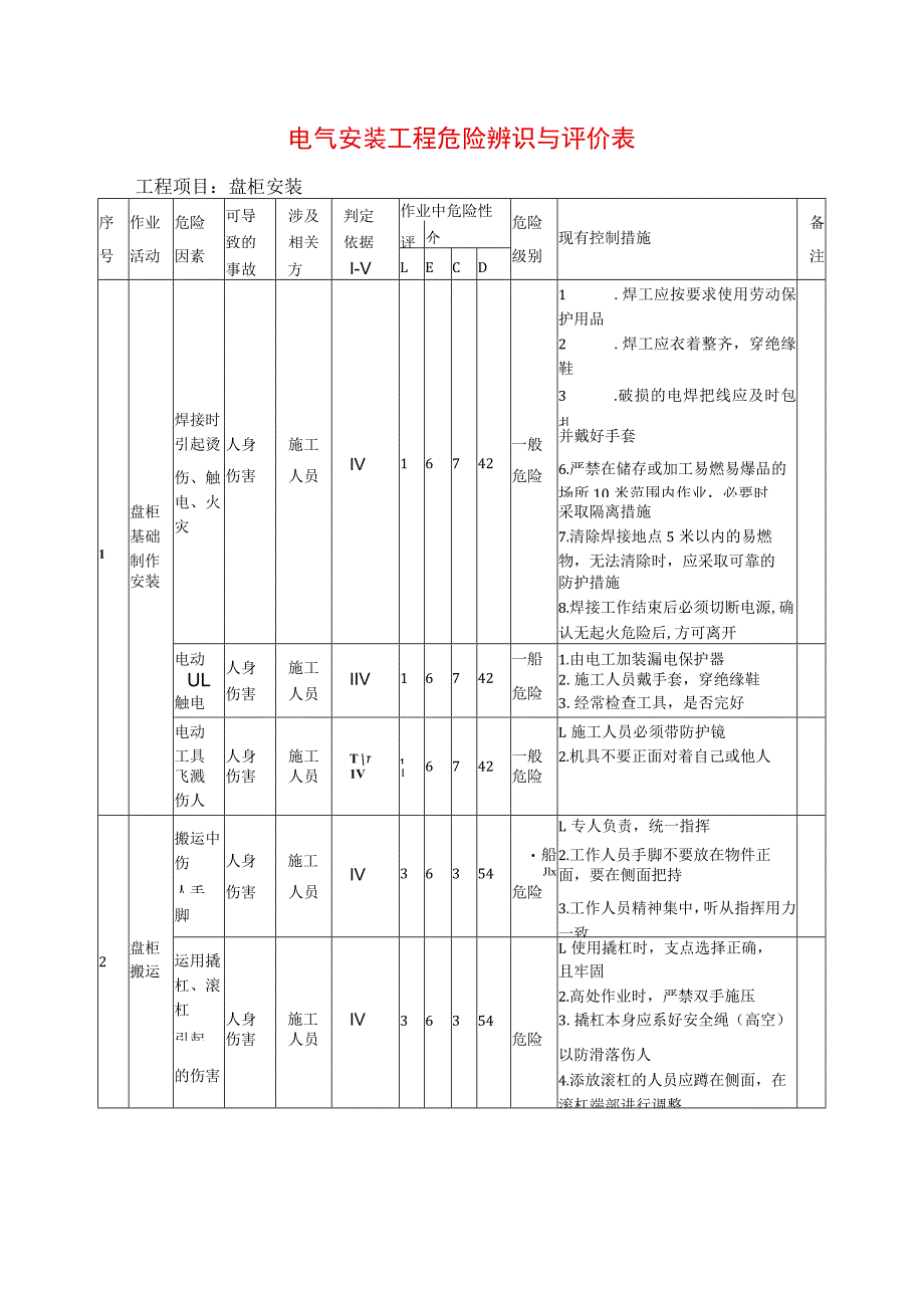
1、电气安装工程危险辨识与评价表工程项目:盘柜安装序作业危险可导涉及判定作业中危险性危险备介现有控制措施号活动因素致的相关依据评级别注事故方I-VLECD焊接时引起烫1 .焊工应按要求使用劳动保护用品2 .焊工应衣着整齐,穿绝缘鞋3 .破损的电焊把线应及时包扎4 .电焊机外壳必须有可靠接地5 .刀闸开关在闭、合时须侧脸,人身施工一般并戴好手套伤、触电、火灾伤害人员IV16742危险6.严禁在储存或加工易燃易爆品的场所10米范围内作业,必要时盘柜采取隔离措施基础7.清除焊接地点5米以内的易燃1制作物,无法清除时,应采取可靠的安装防护措施8.焊接工作结束后必须切断电源,确认无起火危险后,方可离开电动人

2、身伤害施工人员一船1.由电工加装漏电保护器ULIIV16742危险2.施工人员戴手套,穿绝缘鞋触电3.经常检查工具,是否完好电动L施工人员必须带防护镜工具人身施工T16742一般2.机具不要正面对着自己或他人飞溅伤害人员1V1危险伤人搬运中伤L专人负责,统一指挥人身施工船2.工作人员手脚不要放在物件正IV36354Jlx面,要在侧面把持人手伤害人员危险脚3.工作人员精神集中,听从指挥用力一致2盘柜运用撬杠、滚杠L使用撬杠时,支点选择正确,搬运人身施工且牢固2.高处作业时,严禁双手施压IV363543.撬杠本身应系好安全绳(高空)引起伤害人员危险的伤害以防滑落伤人4.添放滚杠的人员应蹲在侧面,在

3、滚杠端部进行调整由于倒链、钢丝绳滑车、卸扣等原因造成人员伤害人身设备事故施工人员IV16742一般危险1卷扬机设置稳固,导向滑轮与卷扬机中心一致2卷筒与导向滑轮车轴线间距不小于卷筒长度的20倍3 .卷筒钢丝绳顺序排列,工作时最少保留5圈4 .穿过滑车的钢丝绳夹角范围内,严禁有人通行或逗留5 .开门滑车使用时,要将开门的钩环锁紧6 .倒链使用前认真检查,并经负荷试验合格7 .链条严禁打结,操作者严禁站在正下方8 .严禁超载或双链改单链使用9 .吊起重物后,如需长时间停留,应将倒链固定并在重物上加保险绳3盘柜安装盘柜安装时倾倒或伤人人身设备事故施工人员IV16742一般危险L盘柜人力搬、撬就位应统

4、一指挥,防倾倒,防狭窄处挤伤2.安装盘上设备应二人或二人以上配合紧螺栓扳手打伤自己或他人人身伤害施工人员1V310130一般危险1 .用力均匀,精神集中2 .有防止扳手脱落的措施4母线安装软母线线盘运输伤人重伤施工人员1V13721一般危险1 .线盘在车上用木方等垫实、垫平,并绑扎牢固2 .线盘禁止从车上直接推下软母线放线伤人重伤施工人员IV13721一般危险1 .放线应统一指挥2 .线盘应架设平稳,导线由盘下引出3 .推转线盘人员不得站在线盘的前面,放到最后几圈时应将线绑住,防止突然蹦出压接钳超压伤人重伤施工人员IV13721一般危险电动压接时,应由专人监视压力表读数,严禁超压非作业区带电造

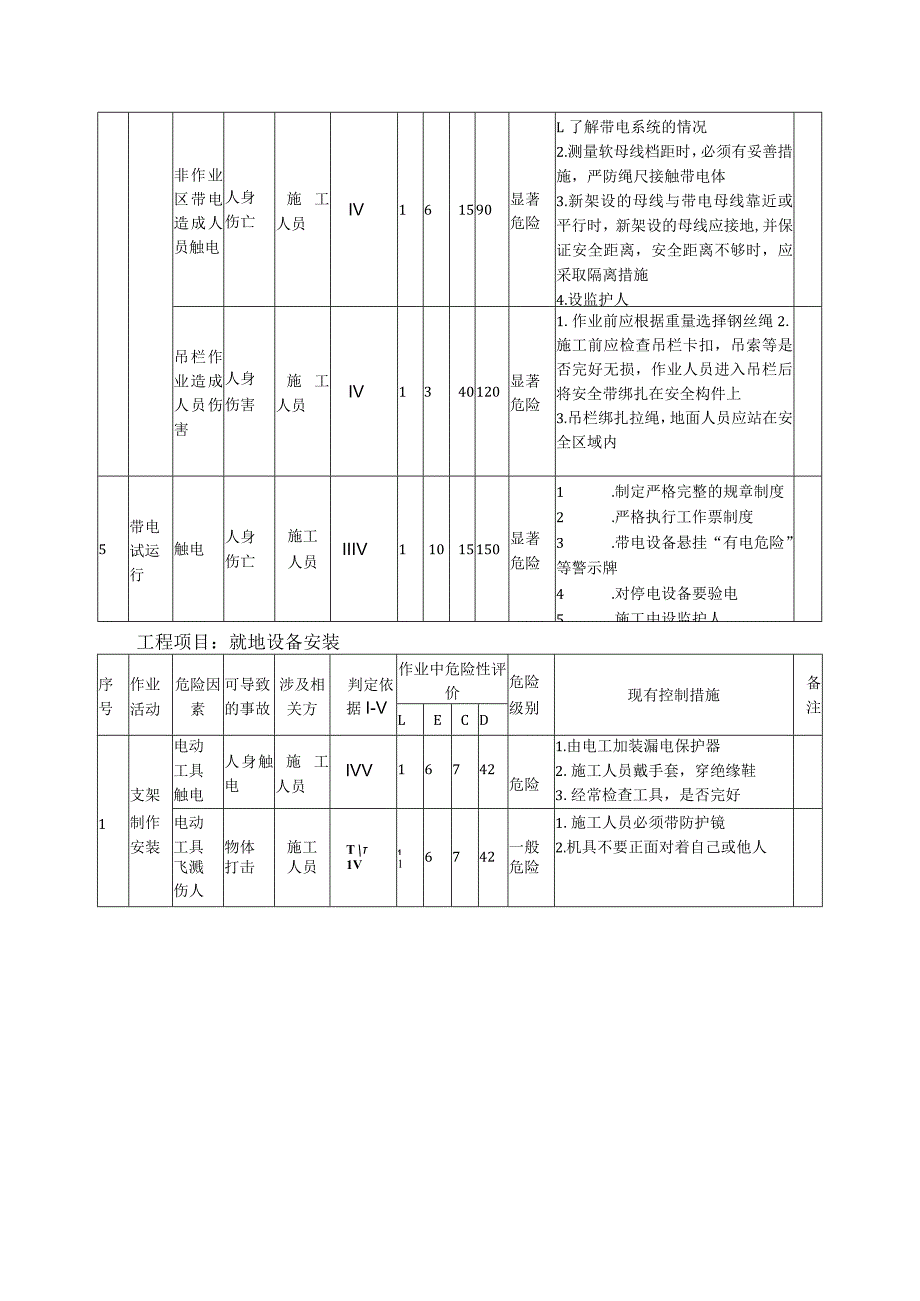
5、成人员触电人身伤亡施工人员IV161590显著危险L了解带电系统的情况2 .测量软母线档距时,必须有妥善措施,严防绳尺接触带电体3 .新架设的母线与带电母线靠近或平行时,新架设的母线应接地,并保证安全距离,安全距离不够时,应采取隔离措施4 .设监护人吊栏作业造成人员伤害人身伤害施工人员IV1340120显著危险1.作业前应根据重量选择钢丝绳2.施工前应检查吊栏卡扣,吊索等是否完好无损,作业人员进入吊栏后将安全带绑扎在安全构件上3.吊栏绑扎拉绳,地面人员应站在安全区域内5带电试运行触电人身伤亡施工人员IIIV11015150显著危险1 .制定严格完整的规章制度2 .严格执行工作票制度3 .带电设

6、备悬挂“有电危险”等警示牌4 .对停电设备要验电5 .施工中设监护人工程项目:就地设备安装序号作业活动危险因素可导致的事故涉及相关方判定依据I-V作业中危险性评价危险级别现有控制措施备注LECD电动人身触电施工人员1.由电工加装漏电保护器工具IVV16742危险2.施工人员戴手套,穿绝缘鞋支架触电3.经常检查工具,是否完好1制作电动1.施工人员必须带防护镜安装工具物体施工T16742一般2.机具不要正面对着自己或他人飞溅打击人员1V1危险伤人焊时起伤、电、灾接引烫火人身伤害火灾事故施工及其他人员IV36354般危险1 .焊工应按要求使用劳动保护用品2 .焊工应衣着整齐,穿绝缘鞋3 .破损的电焊

7、把线应及时包扎4 .电焊机外壳必须有可靠接地5 .刀闸开关在闭、合时须侧脸,并戴好手套6 .严禁在储存或加工易燃易爆品的场所10米范围内作业,必要时采取隔离措施7 .清除焊接地点5米以内的易燃物,无法清除时,应采取可靠的防护措施8 .焊接工作结束后必须切断电源,确认无起火危险后,方可离开搬中人脚抬伤手L专人负责,统一指挥人身伤害施工人员般危险2.工作人员手脚不要放在物件正IV36354面,要在侧面把持3.工作人员精神集中,听从指挥就地设备用力一致2运用L使用撬杠时,支点选择正确,且牢固2.高处作业时,严禁双手施压安装撬杠、人身伤害施工及其他人员引的害TL起伤IV363543.撬杠本身应系好安全

8、绳(高空)以防滑落伤人4.添放滚杠的人员应蹲在侧面,在滚杠端部进行调整带电试运行1 .制定严格完整的规章制度2 .严格执行工作票制度3触电人身施工TV16742一般3.带电设备悬挂“有电危险”等触电人员1V危险警示牌4 .对停电设备要验电5 .施工中设监护人工程项目:全厂接地装置安装序作业活动危险因素可导致的涉及相关判定依据作业中危险性危险级别现有控制措施备注评,介号事故方I-VLECD1接地极制作焊接时引起烫伤、触电、火灾人身伤害施工人员IV16742一般危险1 .焊工应按要求使用劳动保护用品2 .焊工应衣着整齐,穿绝缘鞋3 .破损的电焊把线应及时包扎4 .电焊机外壳必须有可靠接地5 .刀闸

9、开关在闭、合时须侧脸,并戴好手套6 .严禁在储存或加工易燃易爆品的场所10米范围内作业,必要时采取隔离措施7 .清除焊接地点5米以内的易燃物,无法清除时,应采取可靠的防护措施8 .焊接工作结束后必须切断电源,确认无起火危险后,方可离开电动工具触电人身伤害施工人员IIV16742一般危险1 .由电工加装漏电保护器2 .施工人员戴手套,穿绝缘鞋3 .经常检查工具,是否完好电动工具飞溅伤人人身伤害施工人员IV36354一般危险1 .施工人员必须带防护镜2 .机具不要正面对着自己或他人2接地极安装不正确使用大锤、手锤人身伤害施工人员IV16742一般危险1 .工作时严禁戴手套,锤头、锤柄上无油污2 .

10、手柄应用紧韧的木料制作,锤头应用背楔固定3 .挥锤方向不得有人4 .高空挥锤不得用力太大,手柄系好安全绳3接地母线敷设焊接时引起烫伤、触电、火灾人身伤害施工人员IV16742一般危险1 .焊工应按要求使用劳动保护用品2 .焊工应衣着整齐,穿绝缘鞋3 .破损的电焊把线应及时包扎4 .电焊机外壳必须有可靠接地5 .刀闸开关在闭、合时须侧脸,并戴好手套3接地母线敷设焊接时引起烫伤、触电、火灾人身伤害施工人员IV16742一般危险6 .严禁在储存或加工易燃易爆品的场所10米范围内作业,必要时采取隔离措施7 .清除焊接地点5米以内的易燃物,无法清除时,应采取可靠的防护措施8 .焊接工作结束后必须切断电源,确认无起火危险后,方可离开氧气、乙快使用不当,引起火灾人身伤害施工人员IV16742一般危险L氧气、乙块瓶距离达到10米,要远离火源2 .气带漏气要及时处理3 .氧气、乙块瓶不能在烈日下直晒工程项目:全厂电缆序号作业活动危险因素可导致的涉及相关判定依据作业中允:险性评危险级

展开阅读全文
相关资源
猜你喜欢
相关搜索

当前位置:首页 > 建筑/环境 > 电气安装工程

copyright@ 2008-2023 1wenmi网站版权所有

经营许可证编号:宁ICP备2022001189号-1

本站为文档C2C交易模式,即用户上传的文档直接被用户下载,本站只是中间服务平台,本站所有文档下载所得的收益归上传人(含作者)所有。第壹文秘仅提供信息存储空间,仅对用户上传内容的表现方式做保护处理,对上载内容本身不做任何修改或编辑。若文档所含内容侵犯了您的版权或隐私,请立即通知第壹文秘网,我们立即给予删除!