茂名市复肥、水泥等产品质量监督抽查实施细则.docx

上传人:p** 文档编号:409988 上传时间:2023-08-10 格式:DOCX 页数:9 大小:54.76KB
下载 相关 举报
茂名市复肥、水泥等产品质量监督抽查实施细则.docx_第1页
第1页 / 共9页
茂名市复肥、水泥等产品质量监督抽查实施细则.docx_第2页
第2页 / 共9页
茂名市复肥、水泥等产品质量监督抽查实施细则.docx_第3页
第3页 / 共9页
茂名市复肥、水泥等产品质量监督抽查实施细则.docx_第4页
第4页 / 共9页
茂名市复肥、水泥等产品质量监督抽查实施细则.docx_第5页
第5页 / 共9页
茂名市复肥、水泥等产品质量监督抽查实施细则.docx_第6页
第6页 / 共9页
茂名市复肥、水泥等产品质量监督抽查实施细则.docx_第7页
第7页 / 共9页
茂名市复肥、水泥等产品质量监督抽查实施细则.docx_第8页
第8页 / 共9页
茂名市复肥、水泥等产品质量监督抽查实施细则.docx_第9页
第9页 / 共9页
亲,该文档总共9页,全部预览完了,如果喜欢就下载吧!
资源描述

《茂名市复肥、水泥等产品质量监督抽查实施细则.docx》由会员分享,可在线阅读,更多相关《茂名市复肥、水泥等产品质量监督抽查实施细则.docx(9页珍藏版)》请在第壹文秘上搜索。

1、茂名市复肥、水泥等产品质量监督抽查实施细则一、抽样方法以随机抽样的方式在被抽样经营者的待销产品中抽取。随机数一般可使用随机数表等方法产生。抽查数量:每款产品抽取2组样本,第1组用于检验,第2组用于备样。每组样本需抽取样品数量如下表所示:序号产品名称抽样方法第1组数量第2组数量1复肥以随机抽样的方式在被抽查市场主体的待销产品中抽取。随机抽取三个独立包装,并从三个独立包装中分别适量样品进行混合,将样品缩分至100Og左右,分装在2个塑料瓶中。约0.5kg约0.5kg2磷肥以随机抽样的方式在被抽查市场主体的待销产品中抽取。随机抽取三个独立包装,并从三个独立包装中分别适量样品进行混合,将样品缩分至10

2、0Og左右,分装在2个塑料瓶中。约0.5kg约0.5kg3水泥以随机抽样的方式在被抽样生产者、销售者的待销产品中抽取。随机数一般可使用随机数表等方法产生。随机抽取三个独立包装,并从三个独立包装中分别抽取适量样品进行混合,筛分均匀后封装至样品容器。约8kg约8kg4农用薄膜每批次产品抽取样品三卷,将抽取到的三卷薄膜去掉外层10米后,每卷取一块,长度4米(或面积不少于4m,),将三块薄膜按编号1、2、3号标明,其中1、2号薄膜签封标明为检验样品,3号薄膜签封标明为备用样品。8米(或面积不少于8m2)4米(或面积不少于4m2)5工业甲醛溶液以随机抽样的方式在被抽查市场主体的待销产品中抽取。约0.5L

3、约0.5L6保险粉(连二亚硫酸钠)以随机抽样的方式在被抽查市场主体的待销产品中抽取。约50Og约500g7工业用一乙醇胺以随机抽样的方式在被抽查市场主体的待销产品中抽取。约500g(mL)约50Og(mL)8溶解乙焕以随机抽样的方式在被抽查市场主体的待销产品中抽取。不少于5kg不少于5kg9聚氯乙烯(PVC-U)排水管抽取公称外径dn50mm-dn200mm的管材。公称外径小于50mm及大于200rnm的排水用硬聚氯乙烯(PVCU)管材不在本次抽查范围。同一批次合格产品中排水用管材抽取3根,每根截取4段,每段Im6X1米6X1米10苯乙烯以随机抽样的方式在被抽查市场主体的待销产品中抽取。约IL

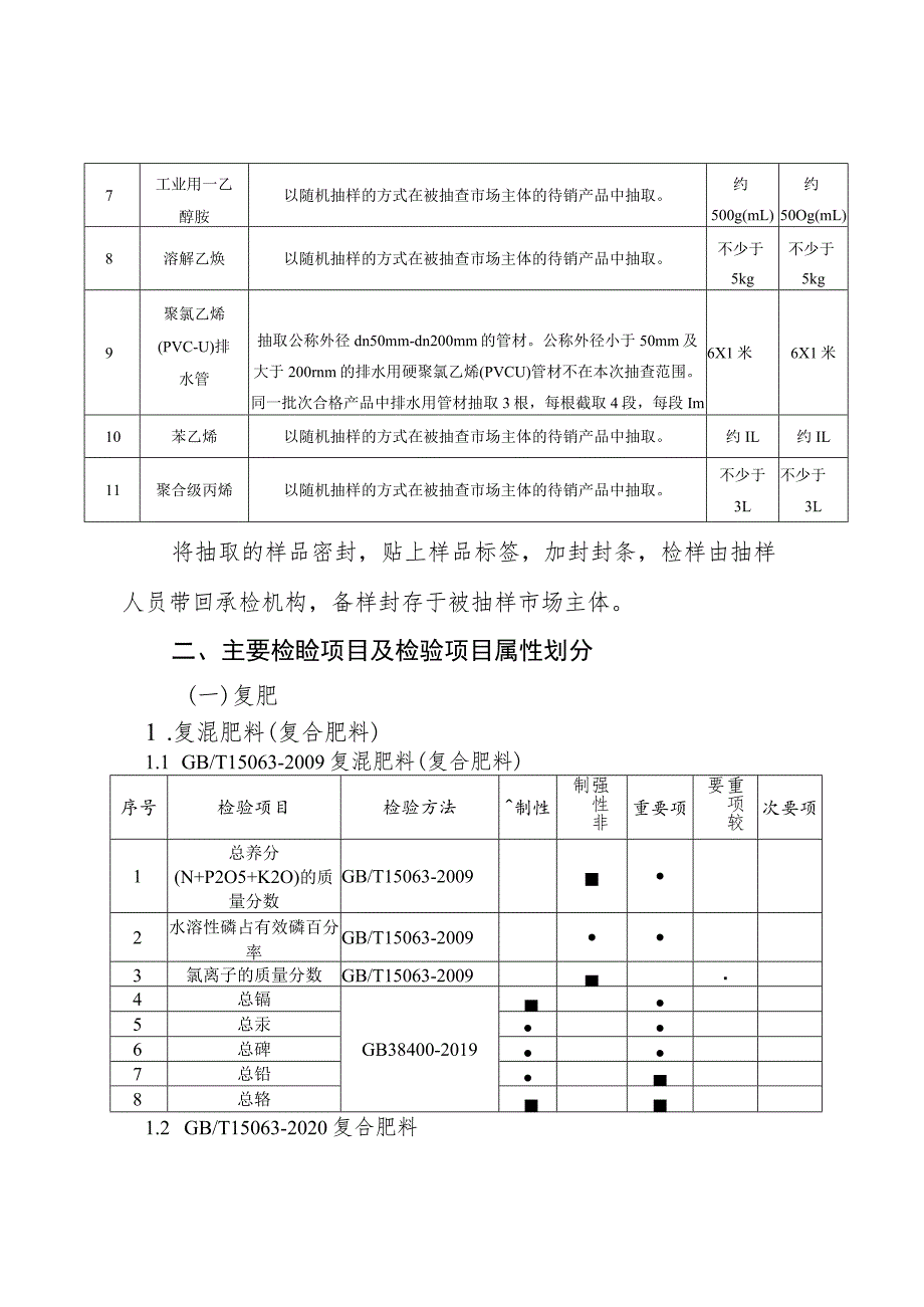
4、约IL11聚合级丙烯以随机抽样的方式在被抽查市场主体的待销产品中抽取。不少于3L不少于3L将抽取的样品密封,贴上样品标签,加封封条,检样由抽样人员带回承检机构,备样封存于被抽样市场主体。二、主要检睑项目及检验项目属性划分(一)复肥1 .复混肥料(复合肥料)1.1 GB/T15063-2009复混肥料(复合肥料)序号检验项目检验方法制性强性非制重要项重项较要次要项1总养分(N+P2O5+K2O)的质量分数GB/T15063-20092水溶性磷占有效磷百分率GB/T15063-20093氯离子的质量分数GB/T15063-20094总镉GB38400-20195总汞6总碑7总铅8总辂1.2 GB/

5、T15063-2020复合肥料序号检验项目检验方法强制性强性非制重要项重项较要次要项1总养分(N+P2O5+K2O)GB/T15063-20202水溶性磷占有效磷百分率GB/T15063-20203氯离子GB/T15063-20204总镉GB38400-20195总汞6总碑7总铅*8总辂2 .掺混肥料2.1 GB/T21633-2008掺混肥料(BB肥)序号检验项目检验方法强制性非强制性重要项较重要项次要项1总养分(NP2O5+K2O)的质量分数GB/T21633-20082水溶磷占有效磷的百分率GB/T21633-20083氯离子的质量分数GB/T21633-20084总镉GB38400-2

6、0195总汞6总碑7总铅8总密*2.2 GB/T21633-2020掺混肥料(BB肥)序号检验项目检验方法强制性非强制性重要项重项较要次要项1总养分(N+P2O5+K2O)GB/T21633-20202水溶性磷占有效磷的百分率GB/T21633-20203氯离子GB/T21633-20204总碑GB38400-20195总镉6总铅7总密序号检验项目检验方法强制性非强制性重要项重项较要次要项8总汞(二)磷肥1 .过磷酸钙序号检验项目检验方法强制性非强制性重要项较重要项次要项1有效磷(以P25计)的质量分数GB/T20413-20172总镉GB38400-2019GB/T23349-20203总汞

7、4总碑5总铅6总辂(三)水泥2 .通用硅酸盐水泥序号检验项目检验方法强制性非强制性重要项较重要项次要项1强度GB175-2007(含第3号修改单)3 .砌筑水泥序号检验项目检验方法强制性非强制性重要项较重要项次要项1强度GB/T3183-2017(四)农业用聚乙烯吹塑棚膜序号检验项目检验方法强制性非强制性重要项较要次要项1宽度极限偏差GB/T4455-20192厚度极限偏差GB/T4455-20193厚度平均偏差GB/T4455-20194横向拉伸强度GB/T4455-20195纵向拉伸强度GB/T4455-20196横向断裂标称应变GB/T4455-20197纵向断裂标称应变GB/T4455

8、-2019序号检验项目检验方法强制性非强制性重要项重项较要次要项8横向直角撕裂强度GB/T4455-20199纵向直角撕裂强度GB/T4455-201910透光率GB/T4455-201911雾度GB/T4455-201912外观GB/T4455-2019(五)工业用甲醛溶液序号检验项目检验方法强制性非强制性重要项重项较要次要项1密度GB/T9009-2011*2甲醛GB/T9009-20113酸GB/T9009-20114色度aGB/T9009-2011*5铁GB/T9009-2011*6甲醇bGB/T9009-2011a37%级合格品不需检此项目;b50%级合格品、44%级合格品、37%级

9、产品不需检此项目(六)保险粉(连二亚硫酸钠)序号检验项目检验方法强制性非强制性重要项较重要项次要项1外观HG/T2074-2011*2保险粉含量,%HG/T2074-20113气味HG/T2074-2011*4溶解状态HG/T2074-2011(七)工业用一乙醇胺序号检验项目检验方法强制性非强制性重要项较重要项次要项1外观HG/T2915-1997*2总胺量,%HG/T2915-1997*3蒸偏试验,HG/T2915-19974水分a,%HG/T2915-1997*5密度a,%HG/T2915-19976色度a,%HG/T2915-1997*aII型、In型不需检此项目。(八)溶解乙块序号检验

10、项目检验方法强制性非强制性重要项较重要项次要项1乙块的体积分数GB6819-2004*2磷化氢、硫化氢试验GB6819-2004(九)建筑排水用硬聚氯乙烯(PVC-U)管材序号检验项目检验方法强制性非强制性重要项较重要项次要项1维卡软化温度GBZT5836.1-20182落锤冲击试验GB/T5836.1-20183拉伸屈服应力GB/T5836.1-2018*4断裂伸长率GB/T5836.1-2018(十)工业用苯乙烯序号检验项目检验方法强制性非强制性重要项较重要项次要项1外观GB/T3915-20212纯度GB/T3915-20213聚合物GB/T3915-2021*4过氧化物GB/T3915-2021*5总醛GB/T3915-20216色度(相钻)GB/T3915-20217乙苯含量GB/T3915-2021*8阻聚剂GB/T3915-2021

展开阅读全文
相关资源
猜你喜欢
相关搜索

当前位置:首页 > 建筑/环境 > 工程监理

copyright@ 2008-2023 1wenmi网站版权所有

经营许可证编号:宁ICP备2022001189号-1

本站为文档C2C交易模式,即用户上传的文档直接被用户下载,本站只是中间服务平台,本站所有文档下载所得的收益归上传人(含作者)所有。第壹文秘仅提供信息存储空间,仅对用户上传内容的表现方式做保护处理,对上载内容本身不做任何修改或编辑。若文档所含内容侵犯了您的版权或隐私,请立即通知第壹文秘网,我们立即给予删除!