产品质量监督抽查实施细则——热轧带肋钢筋.docx

上传人:p** 文档编号:411837 上传时间:2023-08-11 格式:DOCX 页数:3 大小:19.20KB
下载 相关 举报
产品质量监督抽查实施细则——热轧带肋钢筋.docx_第1页
第1页 / 共3页
产品质量监督抽查实施细则——热轧带肋钢筋.docx_第2页
第2页 / 共3页
产品质量监督抽查实施细则——热轧带肋钢筋.docx_第3页
第3页 / 共3页
亲,该文档总共3页,全部预览完了,如果喜欢就下载吧!
资源描述

《产品质量监督抽查实施细则——热轧带肋钢筋.docx》由会员分享,可在线阅读,更多相关《产品质量监督抽查实施细则——热轧带肋钢筋.docx(3页珍藏版)》请在第壹文秘上搜索。

1、XX省产品质量监督抽查实施细则热轧带肋钢筋1抽样方法以随机抽样的方式在被抽样生产者、销售者的待销产品中抽取。随机数一般可使用随机数表等方法产生。对直条热轧带肋钢筋取样时,在同一批次(同一牌号、同-规格)的产品中抽取1捆,在该拥中抽取5根钢筋,每根钢筋截取的长度为240Ornm(d228mm的钢筋取样长度为3400mm),逐根顺序编号为15,再把每根钢筋分成2支长度为120Omm的样品(d228mm的每根钢筋分成2支长度为170Omrn的样品),2支样品逐支编号标记,并一一对应(如l-b),每支样品要保证有完整的表面标志,标记a的5支样品为检验样品,标记b的5支样品为备用样品。对盘卷热轧带肋钢筋

2、取样时,在同一批次(同一牌号、同一规格)的产品中抽取5盘产品,在每盘钢筋上距头或尾至少2000mm处,随机截取I根长度为2400mm的钢筋,逐根顺序编号为15,再把每根钢筋分成2支长度为120Omm的样品,2支样品逐支编号标记,并对应(如l-a,I-b),每支样品要保证有完整的表面标志。标记a的5支样品为检验样品,标记b的5支样品为备用样品。2检验依据表1检验项目序号检验项目检验方法1力学性能屈服强度GB/T1499.2-2018GB/T28900-2012抗拉强度断后伸长率实测抗拉强度与实测屈服强度之比实测屈服强度与屈服强度特征值之比最大力总延伸率2工艺性能弯曲GB/T1499.2-2018

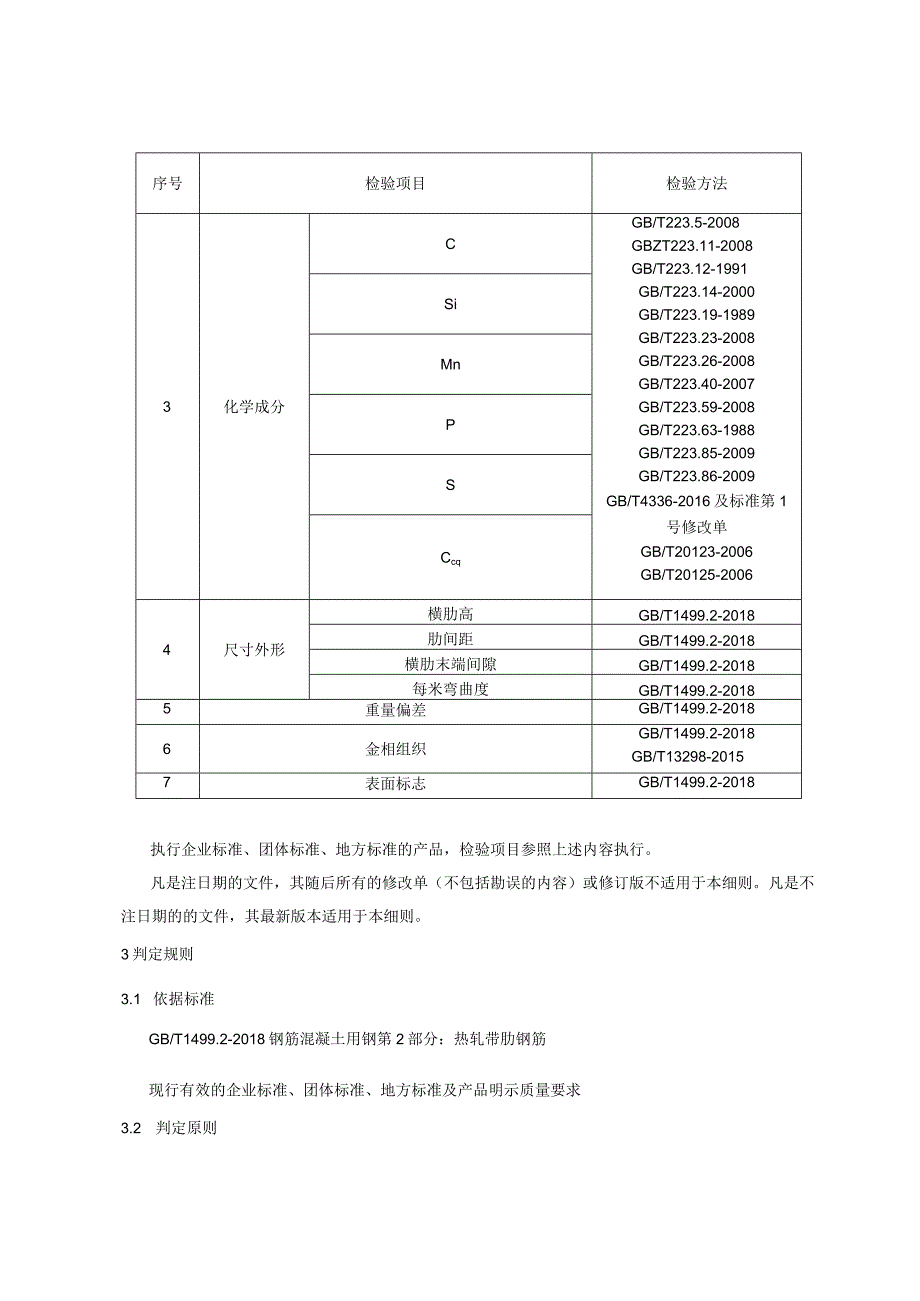
3、GB/T28900-2012反向弯曲GB/T1499.2-2018GB/T28900-2012序号检验项目检验方法3化学成分CGB/T223.5-2008GBZT223.11-2008GB/T223.12-1991GB/T223.14-2000GB/T223.19-1989GB/T223.23-2008GB/T223.26-2008GB/T223.40-2007GB/T223.59-2008GB/T223.63-1988GB/T223.85-2009GB/T223.86-2009GB/T4336-2016及标准第1号修改单GB/T20123-2006GB/T20125-2006SiMnPSCc

4、q4尺寸外形横肋高GB/T1499.2-2018肋间距GB/T1499.2-2018横肋末端间隙GB/T1499.2-2018每米弯曲度GB/T1499.2-20185重量偏差GB/T1499.2-20186金相组织GB/T1499.2-2018GB/T13298-20157表面标志GB/T1499.2-2018执行企业标准、团体标准、地方标准的产品,检验项目参照上述内容执行。凡是注日期的文件,其随后所有的修改单(不包括勘误的内容)或修订版不适用于本细则。凡是不注日期的的文件,其最新版本适用于本细则。3判定规则3.1 依据标准GB/T1499.2-2018钢筋混凝土用钢第2部分:热轧带肋钢筋现

5、行有效的企业标准、团体标准、地方标准及产品明示质量要求3.2 判定原则经检验,检验项目全部合格,判定为被抽查产品合格;检验项目中任一项或一项以上不合格,判定为被抽查产品不合格。若被检产品明示的质量要求高于本细则中检验项目依据的标准要求时,应按被检产品明示的质量要求判定。若被检产品明示的质量要求低于本细则中检验项目依据的强制性标准要求时,应按照强制性标准要求判定。若被检产品明示的质量要求低于或包含本细则中检验项目依据的推荐性标准要求时,应以被检产品明示的质量要求判定。若被检产品明示的质量要求缺少本细则中检验项目依据的强制性标准要求时,应按照强制性标准要求判定。若被检产品明示的质量要求缺少本细则中检验项目依据的推荐性标准要求时,该项目不参与判定。

展开阅读全文
相关资源
猜你喜欢
相关搜索

当前位置:首页 > 行业资料 > 国内外标准规范

copyright@ 2008-2023 1wenmi网站版权所有

经营许可证编号:宁ICP备2022001189号-1

本站为文档C2C交易模式,即用户上传的文档直接被用户下载,本站只是中间服务平台,本站所有文档下载所得的收益归上传人(含作者)所有。第壹文秘仅提供信息存储空间,仅对用户上传内容的表现方式做保护处理,对上载内容本身不做任何修改或编辑。若文档所含内容侵犯了您的版权或隐私,请立即通知第壹文秘网,我们立即给予删除!