第三章磋商项目技术、服务、商务及其他要求.docx

上传人:p** 文档编号:414614 上传时间:2023-08-12 格式:DOCX 页数:18 大小:55.78KB
下载 相关 举报
第三章磋商项目技术、服务、商务及其他要求.docx_第1页
第1页 / 共18页
第三章磋商项目技术、服务、商务及其他要求.docx_第2页
第2页 / 共18页
第三章磋商项目技术、服务、商务及其他要求.docx_第3页
第3页 / 共18页
第三章磋商项目技术、服务、商务及其他要求.docx_第4页
第4页 / 共18页
第三章磋商项目技术、服务、商务及其他要求.docx_第5页
第5页 / 共18页
第三章磋商项目技术、服务、商务及其他要求.docx_第6页
第6页 / 共18页
第三章磋商项目技术、服务、商务及其他要求.docx_第7页
第7页 / 共18页
第三章磋商项目技术、服务、商务及其他要求.docx_第8页
第8页 / 共18页
第三章磋商项目技术、服务、商务及其他要求.docx_第9页
第9页 / 共18页
第三章磋商项目技术、服务、商务及其他要求.docx_第10页
第10页 / 共18页
亲,该文档总共18页,到这儿已超出免费预览范围,如果喜欢就下载吧!
资源描述

《第三章磋商项目技术、服务、商务及其他要求.docx》由会员分享,可在线阅读,更多相关《第三章磋商项目技术、服务、商务及其他要求.docx(18页珍藏版)》请在第壹文秘上搜索。

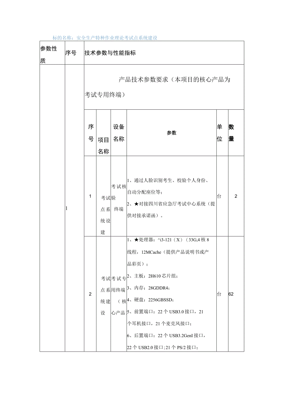
1、第三章磋商项目技术、服务、商务及其他要求(注:带“”的参数需求为实质性要求,供应商必须响应并满足的参数需求,采购人、采购代理机构应当根据项目实际需求合理设定,并明确具体要求。带“”号条款为允许负偏离的参数需求,若未响应或者不满足,将在综合评审中予以扣分处理。)3.1 采购项目概况安全生产特种作业理论考试点系统建设设备购置3.2 采购内容采购包1:采购包预算金额(元):708,553.20采购包最高限价(元):708,553.20供应商报价不允许超过标的金额(招单价的)供应商报价不允许超过标的单价序号标的名称数量标的金额(元)计量单位所属行业是否核心产品是否允许进口产品是否属于节能产品是否属于环

2、境标志产品1安全生产特种作业理论考试点系统建设1.00708,553.20批工业是否是是3.3 3技术要求采购包1:标的名称:安全生产特种作业理论考试点系统建设参数性质序号技术参数与性能指标1产品技术参数要求(本项目的核心产品为考试专用终端)序号项目名称设备名称参数单位数量1考试点系统设建考试核验终端1、通过人脸识别考生、校验个人身份、自动分配座位等;2、对接四川省应急厅考试中心系统(提供对接承诺函)。台22考试点系统建设考试专用终端(核心产品)1、处理器:i3-121(X)(33G,4核8线程,12MCache(提供产品说明书或产品彩页);2、主板:2H610芯片组;3、内存:28GDDR4

3、;4、硬盘:2256GBSSD;5、前置端口:22个USB3.0接口,21个耳机接口,21个麦克风接口;6、后置端口:22个USB3.2GenI接口,22个USB2.0接口;21个PS/2接口;台62个DiSPlayPort1.4接口,21个D-SUb接口,21个HDMl接口;NI个RJ451.AN接口;Nl组通用音频输入输出端口;7、显卡:高性能集成显卡;8、网卡:集成10/100/1000M以太网卡;9、图像输出单元:23.8英寸,分辨率1920X1080,支持VGA+HDML内置扬声器,附带VGA、HDMl线;10、键盘鼠标:USB键鼠;11、机箱电源:机箱20L,电源2200W,上置顶

4、置提手,带有安全锁孔,扩展卡无螺钉设计,支持硬盘防震功能;12、整机与电源同品牌且MTBF不低于12万小时(提供证书复印件);13、售后服务:享有三年维保服务;提供400电话服务(提供承诺函);14、对接四川省应急厅考试中心系统(提供对接承诺函)。3考试点系统建设考务专用终端1、处理器:i5-12400(2.5G,6核12线程,18MCache)(提供产品说明书或产品彩页);2、主板:2H610芯片组;3、内存:216GDDR4;4、硬盘:2512GBSSD;5、前置端口:22个USB3.0接口,21个耳机接口,21个麦克风接口;台86、后置端口:22个USB3.2Genl接口,个USB2.0

5、接口;Nl个PS/2接口;个DiSPlayPort1.4接口,21个D-SUb接口,21个HDMl接口;NI个RJ45LAN接口;Nl组通用音频输入输出端口;7、显卡:高性能独立显卡,4G独显;8、网卡:集成10/100/1000M以太网卡;9、图像输出单元:23.8英寸,分辨率1920X1080,支持VGA+HDML内置扬声器,附带VGA、HDMl线;10、键盘鼠标:USB键鼠;11机箱电源:机箱20L,电源2300W,上置顶置提手,带有安全锁孔,扩展卡无螺钉设计,支持硬盘防震功能;12、整机与电源同品牌且MTBF不低于12万小时(提供证书复印件);13、售后服务:享有原厂三年维保服务;提供

6、400电话服务;14、对接四川省应急厅考试中心系统(提供对接承诺函)。4考试点系统建设便携式考务数据输出终端1、22PPmZ分钟;23ppm(Letter);首页V7秒;内存128MB;2、分辨率1200X1200;3、纸盒容量2150页;4、PD-201(1600页)。台45考试点系统建设大型考务数据输出终端1、至少支持A3、A4幅面(提供产品说明书或产品彩页);2、A-si非晶硅感光鼓(提供产品说明书或产品彩页);3、愉出32张每分钟;4、干式单组份显影方式、热辐定影方式(提供产品说明书或产品彩页);5、标配双面器、双面自动进稿器、网络打印功能、网络彩色扫描功能;6、配作业分离器(提供产品

7、说明书或产品彩页);7、配纸盒加热器(提供产品说明书或产品彩页);8、纸张容量2500张*1+100张(手送)(提供产品说明书或产品彩页);9、内存IGBCPUNARMCorteX-A9(双核)1.2GHz;10、首张复印速度5.2秒、预热速度W20秒(提供产品说明书或产品彩页);IK分辨率2120OdPiXI20OdPi(提供产品说明书或产品彩页);12、连续复印张数1-999张;13、寸彩色触摸屏,复印功能可实现身份证一键复印功能(提供产品说明书或产品彩页);14、USB设备直接打印、扫描功能;15、可实现空白跳过复印功能;16、保修:自用户安装该保修产品之日Zx1起的36个月内或者安装使

8、用达到30万(硒鼓三十万张免费更换)次复印/打印为期限,以先发生者为准。(供应商提供保修承诺函)6考试点系统建设机柜1、42U落地机柜,每台机柜PDU不少于3组;台27考试点系统建设三层数据交换机1、交换容量2336Gbps,包转发率2144Mpps:2、电口248个10/100/1000BASE-T,4个万兆SFP+光口;3、IU高度,19英寸宽,支持桌面安装方式:4、工作温度:-5C45;5、支持8()2.1QVLAN、端口VLAN、V1.AN虚接口;6、支持端口链路聚合;7、支持IRF2智能弹性架构;8、支持STP/RSTP/MSTP/RRPP二次环网协议:9、支持QoS、ACL、端口和

9、流镜像;10、支持极简Web网管、命令行、云管理等多种管理方式;11、支持丰富的三层路由特性,支持静态台2路由、RIP、RIPngOSPFV1/V2/V3等;12、支持802.1X认证/集中式MAC地址认证、支持GUeStVLAN支持SSH2.0、支持端口隔离、支持端口安全、可支持DHCPSnooping,防止欺骗的DHCP服务器支持动态ARP检测,防止中间人攻击利ARP拒绝服务支持IP/Port/MAC的绑定功能;13、支持L2(Layer2)L4(Layer4)包过滤功能,提供基于源MAC地址、目的MAC地址、源IP(IPV4IPv6)地址、目的IP(IPV4IPv6)地址、TCP/UDP

10、端口号、VLAN的流分类支持时间段(TimeRange)ACL支持人方向和出方向的双向ACL策略支持基于VLAN下发ACL;14、支持FTP加载升级,支持命令行接口(CLI),Telnet,Console口进行配置,支持SNMPVlv2v3,支持NTP支持Ping、Tracert,支持LLDP支持Loopback-detection端口环回检测。8考试点系统建设考室硬盘录像机1、主处理器:工业级嵌入式微控制器;2、操作系统:嵌入式LinUX操作系统;3、操作界面:WEB方式,本地GUl操作;4、接入路数232路;5、硬盘接口22个SATA接口,单盘最大IOT(不同环境温度下,最大支持的硬盘容量

11、有差异);(提供彩页佐证)6、分辨率224M/16M/12M用M/5M/4M/3台1M/1080P/720P/D1;7、解码能力:预览解码能力:16个1080P,智能解码能力:4个智80P;8、多路网放:最大支持16路回放;9、报警输入N4路;10、报警输出:2路;11、画面分割至少包含:1、4、8、9、16、25、36分割;12、前智能分析:人脸检测、人脸识别、视频结构化、周界防范、行为分析、SMD;13、后智能分析:人脸检测、人脸识别、视频结构化、周界防范、SMD;14、音频输入Nl路,RCA输入口;音频输出Nl路,RCA输出口;HDMl接口1个;VGA接口1个;人脸检测前智能性能(路数)

12、N16路;人脸检测后智能性能(1080P)(路数)24路主码流;人脸识别前智能性能(路数):16路;人脸识别后智能性能(108OP)(路数):1.前FD+前FR路数16路,前FD+后FR路数16路,后FD+后FR路数4路2.前智能:支持3.后智能:支持功能配置:普通/陌生人模式;支持布防多个人脸库,分别设置相似度阈值;当相似度达到/未达到(陌生人)阈值时,在客户端软件给出报警提示;支持联动录像、抓图(全景图)、本地外报警输出、IPC外部报警输出、语音、蜂鸣、日志记录、预置点、邮件轮询;17、结构化前智能性能(路数):16路;18、在白名单模式中,只有添加在白名单中的IP地址或地址段才允许访问样

13、机;可限制账户在特定时间段进行登录访问(提供第三方检测机构出具的检测报告复印件佐证);19、在黑名单模式中,只有添加在黑名单中的IP地址或地址段、MAC地址不允许访问样机;在白名单模式中,只有添加在白名单中的IP地址或地址段、MAC地址才允许访问样机(提供第三方检测机构出具的检测报告复印件佐证);20、支持CGl命令配置设备配置参数(提供第三方检测机构出具的检测报告复印件佐证);21、支持FTP/SFTP方式,将录像文件或图片上传到指定的FTP服务器(提供第三方检测机构出具的检测报告复印件佐证)。9考试点系统建设非考室区域硬盘录像机1、硬盘存储不小于6T;2、含主机和不小于23.8英寸显示设备

14、、键盘、鼠标等;3、216个人脸名单库,2总库容1万张(平均15KB);4、支持陌生人报警;5、支持人脸IVl比对;6、支持以脸搜脸、按姓名检索、按属性检索;台17、支持人脸属性识别;8、支持人脸评分功能;9、支持接入混合抓拍事件;10、支持热成像接入、存储、报警;11、支持区域关注度相机:支持区域关注度联动方式:区域人数检测、停留时长检测报警;12、支持接入多个客流相机,合并统计客流数据;13、1.5U标准机架式;个HDMI,NIjVGA;内置N2块4T硬盘;14、22个千兆网口;22个USB2.0接口、个USB3.0接口;Nl个eSATA接口报警IO216进4出;至少输入带宽2256M;232路H.264、H.265混合接入至少支持16X108OP解码;支持H.265、H.264解码;平台对接协议:ISUP/萤石/GB28181/GA/T1400视图库协议/SDK。10考试点系统建设考室球型摄像头1、像素24

展开阅读全文
相关资源
猜你喜欢
相关搜索

当前位置:首页 > 办公文档 > 事务文书

copyright@ 2008-2023 1wenmi网站版权所有

经营许可证编号:宁ICP备2022001189号-1

本站为文档C2C交易模式,即用户上传的文档直接被用户下载,本站只是中间服务平台,本站所有文档下载所得的收益归上传人(含作者)所有。第壹文秘仅提供信息存储空间,仅对用户上传内容的表现方式做保护处理,对上载内容本身不做任何修改或编辑。若文档所含内容侵犯了您的版权或隐私,请立即通知第壹文秘网,我们立即给予删除!