第三章采购货物技术规格、参数及要求.docx

上传人:p** 文档编号:414829 上传时间:2023-08-12 格式:DOCX 页数:8 大小:31.76KB
下载 相关 举报
第三章采购货物技术规格、参数及要求.docx_第1页
第1页 / 共8页
第三章采购货物技术规格、参数及要求.docx_第2页
第2页 / 共8页
第三章采购货物技术规格、参数及要求.docx_第3页
第3页 / 共8页
第三章采购货物技术规格、参数及要求.docx_第4页
第4页 / 共8页
第三章采购货物技术规格、参数及要求.docx_第5页
第5页 / 共8页
第三章采购货物技术规格、参数及要求.docx_第6页
第6页 / 共8页
第三章采购货物技术规格、参数及要求.docx_第7页
第7页 / 共8页
第三章采购货物技术规格、参数及要求.docx_第8页
第8页 / 共8页
亲,该文档总共8页,全部预览完了,如果喜欢就下载吧!
资源描述

《第三章采购货物技术规格、参数及要求.docx》由会员分享,可在线阅读,更多相关《第三章采购货物技术规格、参数及要求.docx(8页珍藏版)》请在第壹文秘上搜索。

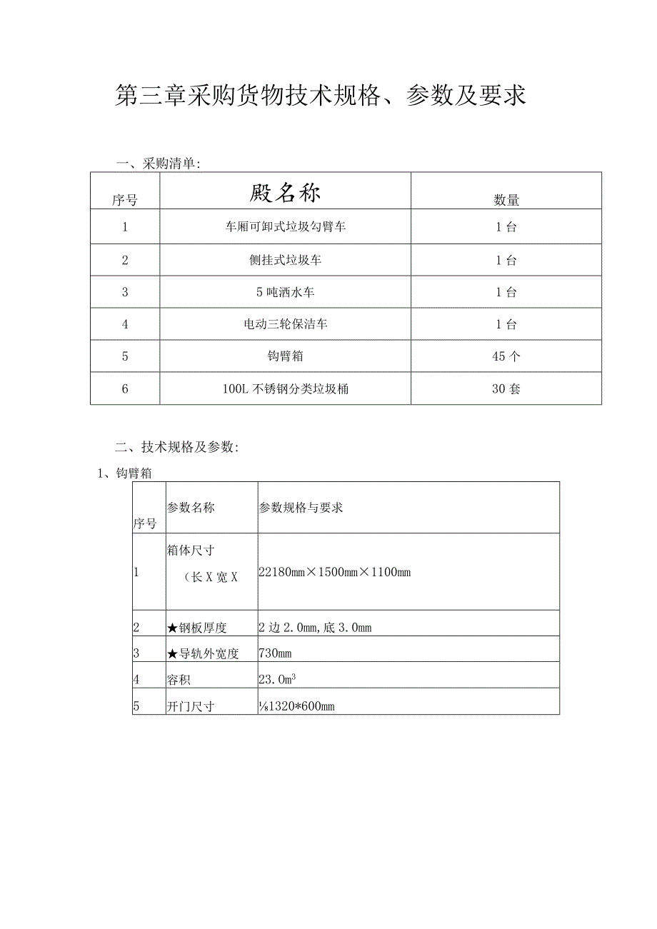
1、第三章采购货物技术规格、参数及要求一、采购清单:序号殿名称数量1车厢可卸式垃圾勾臂车1台2侧挂式垃圾车1台35吨洒水车1台4电动三轮保洁车1台5钩臂箱45个6100L不锈钢分类垃圾桶30套二、技术规格及参数:1、钩臂箱序号参数名称参数规格与要求1箱体尺寸(长X宽X22180mm1500mm1100mm2钢板厚度2边2.0mm,底3.0mm3导轨外宽度730mm4容积23.Om35开门尺寸1320*600mm6工艺1、底板圆弧设计采用模具整体液压一体成型压制尾部挡水围加强筋,横向加强筋。2、边板和顶板圆弧设计采用模具整体液压一体成型压制七条纵向加强筋和横向加强筋。3、前后挡板采用模具整体液压一体

2、成型,外围压制整圈流水槽及两条横向加强筋。7门圆弧设计,采用模具整体液压一体成型压制纵向加强筋,采用机械支撑结构。8脚轮前万向、后定向、高强度实心铁轮9注1、密封式的专用垃圾箱,放置地面可以防止气味散发,转移到车上防止车行驶中造成二次污染。2、垃圾箱体底部安装有小滚轮,放置于地面当收集箱时,一个人可以轻松转移箱体位置。3、箱体外形要求上下圆弧形设计,颜色为上白下绿,按要求在两侧喷涂宣传标语。4、可卸式专用垃圾箱与原购买的车厢可卸式垃圾车功能能配套使用。5、箱体在举升过程中安装有锁紧限位阀,防止由于工作人员误操作引起的安全隐患。6、箱体内面加有三层防腐玻璃钢。2、车厢可卸式垃圾勾臂车项目内容参数

3、整车参数功率250KW燃油种类汽油外形尺寸(长X宽X高)(mm)44001600X1900最大总质量(kg)23100整备质量(kg)21450额定质量(kg)21500作业装置参车厢有效容积(m3)23数油缸数23结构尺寸及行驶参数轴距(mm)22600轴荷1710/2000前悬/后悬(mm)1115/950接近角/离去角()215/17最高车速(km/h)290前轮距/后轮距(mm)21300/1200轮胎数63、侧挂式垃圾车项目内容参数整车参数功率70KW燃油种类柴油外形尺寸(长X宽X高)(mm)580020002400最大总质量(kg)27350整备质量(kg)24700额定质量(kg

4、)2400作业装置参数车厢有效容积(m3)27油缸数26挂桶机构侧挂顶部油缸提升尾部开门液压开门结构尺寸及行驶参数轴距(mm)23308轴荷22600/4600前悬/后悬(mm)11501700接近角/离去角()2824最高车速(km/h)290前轮距/后轮距(mm)16001600轮胎数264、5吨洒水车项目内容参数整车参数功率270KW燃油种类柴油外形尺寸(长X宽X高)(mm)59001900X2300最大总质量(kg)27350整备质量(kg)23350额定质量(kg)23850作业装置参数有效容积(m3)5.0吸程叁7米,洒水宽度叁14-16米,射程叁25米0米,引水时间5min,流量

5、60m3ho前冲(喷)、后洒、带侧喷(花洒)、带后工作平台、平台上安装绿化洒水高炮(炮喷射形状可调节:直冲、大雨、中雨、毛毛雨、雾状、可连续调节,360旋转),配消防接口,自流阀,滤网,带自吸自排功能。配备大功率专用洒水泵,泵可自吸自排,安装过滤网,带消防接口,可通过消防栓进水,带自流阀,随车选装20米绿化卷盘,可喷洒农药。罐体金属漆。罐体有椭圆和方圆罐两种,可定做。配备大功率专用洒水泵、取力器、球阀、滤网、输水管道、洒水装置等部件组成。水泵、取力器、球阀、滤网均为国家标准产品,具有性能优良,工作可靠、效率高、流量大、维修方便等特点。结构尺寸及行驶参数轴距(mm)3308轴荷22600/440

6、0前悬/后悬(mm)11501700接近角/离去角()2825最高车速(kmh)290前轮距/后轮距(mm)16001600轮胎数265、100L不锈钢分类垃圾桶1)外形箱体尺寸:2长113OmmX宽58OmmX高880mm2) 材质:板材材料:不锈钢21.1mm,且为201不锈钢,应无凹凸、裂缝、叠缝,外露端口表面应封闭,焊接处应无脱焊、虚焊、焊穿、错位,无夹渣、气孔、焊瘤、焊丝头。3) 五金材料(采用6寸合页、强力磁铁、平衡铁块、螺丝配件、门手拉把等):应材质优良,无臼点、无锈迹、发亮、硬度达标及使用时开关柔顺无杂音,无阻障。4) 外容器要求整体全封闭,垃圾入口为全自动(能自动开启,关闭)

7、。5)内胆产品容积为:100L2(5%)O6)内胆尺寸:2长41OmmX宽40OmmX高730mm。7)内胆桶体整体壁厚:25mm。8)内胆垃圾容器主原料为:全新HDPEo9)内胆使用环境:高温为65、低温为TOC。6、电动三轮保洁车电气系统额定电压260V电池容量120h电池数量力5个(单体电压12V)电机功率22.OKW充电机便携式智能化充电机充电时间据放电程度不同7-8小时左右充电输入电压220V-250V技术参数垃圾箱容量22.5m3尺寸(长*宽*高)3300IlOOX1900mm装载重量100Okg最小转圆直径25400-640Omm后轮距990mm轴距2200mm最小离地间隙130

8、mm制动距离6m额定乘员1人最大行驶速度24kmh续驶里程100km最大爬坡度12%-15%最小转弯半径4.5m-5.Om座椅皮革面料车身系统车体钢制车架或不锈钢车架仪表不少于电量显示、速度显示后视镜可调节型外后视镜灯光及信号组合前灯、转向灯、组合后尾灯、制动灯、电喇叭及倒车蜂鸣器开关钥匙开关、灯光及雨刮组合开关、警告灯车架、车厢钢结构车架。车厢内部采用玻璃钢防腐处理防腐层厚度24MM。尾部设计储水箱,在行驶过程中没有污水漏出。底盘系统动力传动系统后桥式差速器转向系统把式三轮转向前桥及悬挂筒式液压减震后桥及悬挂高强度钢板弹簧、筒式液压减震制动系统后鼓式液压制动器、驻车制动装置液压系统液压电机工

9、作电压260V液压电机功率21.5Kw液压泵工作压力218MPa液压油缸行程500mm液压卸料角度245油漆酸洗磷化+高温喷塑处理注:技术参数中标注“”为核心技术参数,技术参数中未标注“”为一般技术参数。三、商务要求1、质量要求:达到国家相关规范及行业合格标准,符合招标文件要求。2、质保期限:质保期为1年。3、售后服务保障:质保期内免费提供各配件耗材及上门服务。4、拟派人员:不少于2人。5、安装服务地点:荆州区马山镇。6、交货期限:合同签订后10日历天内。四、其它1、产品要求:(1)投标人应在投标文件中对货物质量予以承诺,成交后在合同中加以确认。(2)投标人应按照采购文件中清单的规格要求提供合

10、格的产品。如果投标人以恶意低价成交,供货时,有产品型号、规格不符、严重质量问题且拒不整改,将取消其成交资格,由此产生的一切损失由成交单位自行承担。2、交货方式:(1)成交供应商提供商品合格后,按招标文件和采购合同约定的时间提供全部商品运输到采购人指定地点且负责安装和摆放。响应供应商充分考虑所产生的成本,不增加合同价款。(2)本项目所采购的所有成品需采购方确认后实施供货。因未得到采购人确认自行采购,而造成的退货、拆除、损毁、损坏、不予使用到项目中所造成的全部费用由投标人承担,采购人不予支付和调整。由此而造成交货延误由采购方将按招标文件相应条款执行(因误期而造成的损失具体解决方式由成交单位与采购人

11、在合同中约定)。3、产品安装调试:(1)供应商负责合同供货设备的现场安装调试等;(2)安装调试开始之前,由供应商和采购人共同清点,如有短缺或损坏,由供应商负责补充、更换;(3)安装调试工作应在采购人代表在场时进行;(4)安装调试过程中,由于供应商原因造成的缺损由供应商负责补充、更换;安装调试完成后,供应商应向采购人提供安装调试报告,安装调试报告至少应包括以下内容:供货设备安装调试结果、安装调试中出现的问题及解决办法。4、验收方法:收到全部货物及设备安装完成后,采购人将按照投标文件技术响应进行验收,如出现产品质量不合格或技术要求不符合投标人投标文件承诺的,成交供应商应立即免费更换。5、培训服务:现场培训,进行货物维护、使用等技术培训。6、报价说明:投标总报价须包括设备货物采购运送、保险费、设备安装、安装辅材、验收、税金、售后服务等完成本项目的全部费用。7、付款方式:由采购人和成交供应商在采购合同中约定。

展开阅读全文
相关资源
猜你喜欢
相关搜索

当前位置:首页 > 行业资料 > 国内外标准规范

copyright@ 2008-2023 1wenmi网站版权所有

经营许可证编号:宁ICP备2022001189号-1

本站为文档C2C交易模式,即用户上传的文档直接被用户下载,本站只是中间服务平台,本站所有文档下载所得的收益归上传人(含作者)所有。第壹文秘仅提供信息存储空间,仅对用户上传内容的表现方式做保护处理,对上载内容本身不做任何修改或编辑。若文档所含内容侵犯了您的版权或隐私,请立即通知第壹文秘网,我们立即给予删除!