起重永磁铁拉脱力检测技术规范.docx

上传人:p** 文档编号:415550 上传时间:2023-08-12 格式:DOCX 页数:2 大小:30.45KB
下载 相关 举报
起重永磁铁拉脱力检测技术规范.docx_第1页
第1页 / 共2页
起重永磁铁拉脱力检测技术规范.docx_第2页
第2页 / 共2页
亲,该文档总共2页,全部预览完了,如果喜欢就下载吧!
资源描述

《起重永磁铁拉脱力检测技术规范.docx》由会员分享,可在线阅读,更多相关《起重永磁铁拉脱力检测技术规范.docx(2页珍藏版)》请在第壹文秘上搜索。

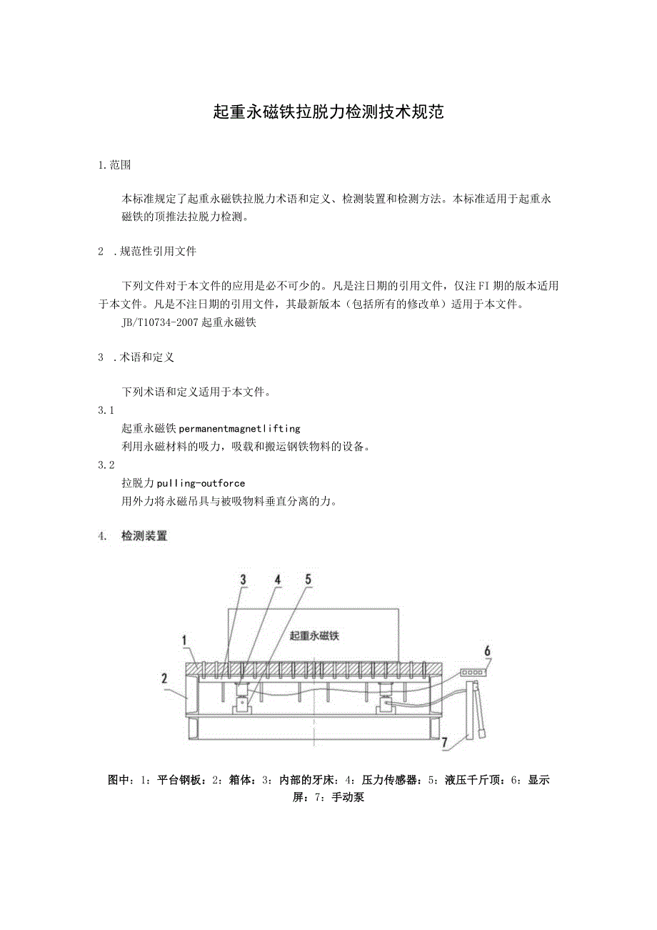
1、起重永磁铁拉脱力检测技术规范1.范围本标准规定了起重永磁铁拉脱力术语和定义、检测装置和检测方法。本标准适用于起重永磁铁的顶推法拉脱力检测。2 .规范性引用文件下列文件对于本文件的应用是必不可少的。凡是注日期的引用文件,仅注FI期的版本适用于本文件。凡是不注日期的引用文件,其最新版本(包括所有的修改单)适用于本文件。JB/T10734-2007起重永磁铁3 .术语和定义下列术语和定义适用于本文件。3.1起重永磁铁permanentmagnetlifting利用永磁材料的吸力,吸载和搬运钢铁物料的设备。3.2拉脱力puIIing-outforce用外力将永磁吊具与被吸物料垂直分离的力。图中:1:平

2、台钢板:2:箱体:3:内部的牙床:4:压力传感器:5:液压千斤顶:6:显示屏:7:手动泵图1检测装置结构图4.1 检测装置结构顶推法检测起重永磁铁拉脱力装置见图Io4.1.2 检测装置顶部平台的表面是一块钢板。材质为Q235-A,厚度不小于50mm,表面粗糙度Ra不大于3.2m。4.1.3 顶部平台表面钢板上密集通孔,每个孔内置有顶杆,顶杆立于下面的托板,托板下面设压力传感器和液压千斤顶。4.2 检测装置的检定/校准/比对4.2.2 检测装置所用压力传感器,应定期送计量部门检定/校准。顶推法检测起重永磁铁拉脱力应每年与JB/T10734-2007规定的拉脱力检测方法比对。5.检测方法5.1 将起重永磁铁放置在检测装置顶部的平台上,使起重永磁铁吸附在平台表面。5.2 操作手动泵,平台表面每个通孔中的顶杆在千斤顶的作用下向上顶起。5.3 当起重永磁铁脱离吸附状态时,记录此时显示屏上的数值。5.4 试验3次,取3次数据值中最大值为起重永磁铁拉脱力。

展开阅读全文
相关资源
猜你喜欢
相关搜索

当前位置:首页 > 法律/法学 > 理论/案例

copyright@ 2008-2023 1wenmi网站版权所有

经营许可证编号:宁ICP备2022001189号-1

本站为文档C2C交易模式,即用户上传的文档直接被用户下载,本站只是中间服务平台,本站所有文档下载所得的收益归上传人(含作者)所有。第壹文秘仅提供信息存储空间,仅对用户上传内容的表现方式做保护处理,对上载内容本身不做任何修改或编辑。若文档所含内容侵犯了您的版权或隐私,请立即通知第壹文秘网,我们立即给予删除!