风机技术协议书招标技术要求.docx

上传人:p** 文档编号:421161 上传时间:2023-08-18 格式:DOCX 页数:9 大小:37.46KB
下载 相关 举报
风机技术协议书招标技术要求.docx_第1页
第1页 / 共9页
风机技术协议书招标技术要求.docx_第2页
第2页 / 共9页
风机技术协议书招标技术要求.docx_第3页
第3页 / 共9页
风机技术协议书招标技术要求.docx_第4页
第4页 / 共9页
风机技术协议书招标技术要求.docx_第5页
第5页 / 共9页
风机技术协议书招标技术要求.docx_第6页
第6页 / 共9页
风机技术协议书招标技术要求.docx_第7页
第7页 / 共9页
风机技术协议书招标技术要求.docx_第8页
第8页 / 共9页
风机技术协议书招标技术要求.docx_第9页
第9页 / 共9页
亲,该文档总共9页,全部预览完了,如果喜欢就下载吧!
资源描述

《风机技术协议书招标技术要求.docx》由会员分享,可在线阅读,更多相关《风机技术协议书招标技术要求.docx(9页珍藏版)》请在第壹文秘上搜索。

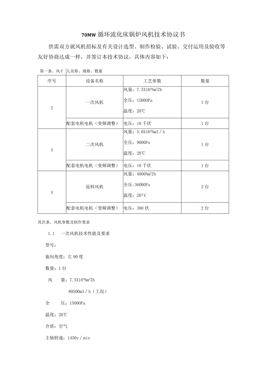
1、58MW循环流化床锅炉风机技术协议书2017年4月70MW循环流化床锅炉风机技术协议书供需双方就风机招标及有关设计选型、制作检验、试验、交付运用及验收等友好协商达成一样,并签订本技术协议,具体内容如下:第一条、风彳儿名称、规格、数量序号设备名称工艺参数数量2一次风机风量:7.5X104Nm3Zh全压:1500OPa温度:201台配套电机电机(变频调整)电压:10千伏1台3二次风机风量:5.0X104Nm3h全压:9000Pa温度:201台配套电机电机(变频调整)电压:10千伏1台4返料风机风量:4000Nm3Zh全压:36000Pa温度:20C2台配套电机电机(变频调整)电压:380伏2台其次

2、条、风机参数及制作要求1.1一次风机技术性能及要求型号:旋向角度:左90度数量:1台风量:7.5X104Nm3Zh80500m3h(工况)全压:1500OPa温度:20介质:空气主轴转速:1450rmin风机效率:88%以上2.3二次风机技术性能及要求旋向角度:右90度数量:1台风量50Xl()4Nm3Zh54000m3h(工况)全压:90000Pa温度:20介质:空气主轴转速:1450rmin风机效率:88.6%以上2. 4返料风机技术性能及要求数量:2台(一用一备)风量:4000Nm3h4300m3h(工况)全压:3600OPa温度:20介质:空气主轴转速:2900rmin风机效率:85%

3、以上2.5 风机运用地点:2.6 叶轮部作为风机的主要部件,干脆关系到风机整体性能和平安性能。因此,在风机制造过程中,将叶轮作为具有关键特性的部件,重要度分级为Ao其原料为A类物资,制造过程列为关键过程,严格根据标准检验和试验。2.7 风机运用的原材料进厂,根据GB/T8651-1988金属板材超声波探伤方法对叶轮用板材实施100%超声波探伤,按GB/T229-1994金属夏比缺口冲击试验方法、GB/T2975-1998钢及钢产品力学性能试验取样位置及试样制务及GB/T288-1987金属拉伸试验方法对板材进行力学性能试验,同时又按GB/T222T984、GBT223.68-1997和GB/T

4、223.69-1997完成化学成份分析。2.8 叶轮部应按JB/T9101T999通风机转子平衡要求进行动、静平衡校正。按JB/T6445-92通风机叶轮超速试验,以考核其平安牢靠性。1.1 9主轴也是风机的重要部件,在运转中承受很大的弯矩和扭矩,是影响风机牢靠性的主要因素之一,主轴为42CrMo优质碳素结构钢,应作为关键物资,重要度级别为A0主轴材料需严格按进货检验规范进行检验。2.10 主轴材料经检验后,经粗车、调质、半精车、精车、铳键、磨削等工序完成。其中主轴磨削为重要工序,对该工序的文件资料、设备、计量起居、操作人员、检验人员根据JTL/QD09.1.06-2000重要工序质量限制点管

5、理方法进行限制。2.11 轴承座是传动组的重要部件,轴承座形式为一体式,其质量影响转子的平安、稳定运转必需严格加以限制其制造过程。首先,按JB/T6887T993风机用铸铁件技术条件和JB/T6888-1993风机用铸钢件技术条件对轴承座坯件严格检查,然后上龙门刨床或龙门铳床进行底面加工端面加工和剖分面加工限制其尺寸精度、形位公差和表面粗糙度。其加工时应成对进行,上、下结合面表面粗糙度不低于RaL6,结合面在螺栓拧紧后不允许有大于0.4mm的间隙存在和通过;内孔的加工应在镣床上一次完成,不允许调头,以防止不同心问题的存在。轴瓦和轴承箱体的制造应严格根据相关的国家标准设计和制造。2.12 机壳做

6、成剖分式结构,便于运输及修理。机壳将叶轮出来的气体动能转化为静压能,进风箱和集流器则将气流收敛、转弯和加速并送入风机叶轮,因此其刚性和几何尺寸要求比较高,为此,要求对焊缝进行100%表面宏观检查和100%几何尺寸检查;对剖分结构件,还要求进行预组装。2.13 供方在装运最大件尺寸许可的范围内在制造厂组装通风机和附件,满意在运用现场的组装量达到最小的要求。(需方有特别要求除外)。2.14 14风机装配时,进风口与叶轮进口间隙应保证上大下小,左右匀称,从而确保风机在冷态与热态温度的改变下,有合理的间隙能够平安运行。2.15现场装配的部件,应在明显部位正确地打印标记。2.16风机的涂装应符合JB/T

7、6886-93通风机涂装技术条件,直机及其配件外表面不允许有锈迹、碰伤。尤其表面不应有漏漆、漆堆、漆流、起泡、缩皱及色泽的明显差异等现象。2.17风机应严格根据设计图纸制造,图纸应有设计、校对、标审、审批和批准者签字。2.18供方所供应的风机满意需方要求的技术参数。2.19供方供应的风机应符合国家部门相关标准。2. 20供方制造风机所用原材料及配套件应符合国家有关规范、标准要求。2.21风机制造、材质选用范围、一序旦名称规格、材质数量生产厂家1机壳部分机壳Q345B1套进风口Q345B1套风量调整阀Q345B1套传动部分叶轮15MnV1件主轴(整体锻造42CrMo1件2轴承箱HT2501套主轴

8、承滚动轴承2套哈瓦洛大连冶金弹性柱销联轴器HT2501台套风机厂进口非金属补偿器BF-YJBCQ(防腐蚀硅橡胶复合材料1件出口非金属补偿器BF-FJBCQ防腐蚀硅橡胶复合材料)1台轴承箱钢结构底座Q235B1件电机钢结构底座Q235B1台3联轴器防护罩Q235B1件进、出口配对法兰及紧Q235B1台套固件电动执行机构驱动杆Q345B1件检修门Q345B1件地脚螺栓45#1台套变频电机IOKVIP54F级1台佳木斯、兰4电、上海电机5电动执行器220V1台满意现场、远程两地限制,进PLC6现场操作箱KX-Il1面.7.仪表显示柜KG-2211面-8,双金属温度计Wng-I12支.9伯热电阻.PT

9、lOO2支一次风机二次风机序名称规格、材质数量生产厂家号1机壳部分机壳Q345B1套进风口Q345B1套风量调整阀Q345B1套传动部分轮15MnV1件主轴(整体锻造42CrMo1件2轴承箱UT2501套主轴承滚动轴承2套哈瓦洛大连冶金弹性柱销联轴器HT2501台套进口非金属补偿器BF-YJBCQ(防腐蚀硅橡胶复合材料)1件出口非金属补偿器BF-FJBCQ(防腐蚀硅橡胶复合材料)1台轴承箱钢结构底座Q235B1件电机钢结构底座Q235B1台3联轴器防护罩Q235B1件进、出口配对法兰及紧Q235B1台套固件电动执行机构驱动杆Q345B1件检修门Q345B1件地脚螺栓15?1台套佳木斯、兰4变频

10、电机IOKVIP54F级1台电、上海电机5电动执行器220V1台满意现场、远程两地限制,进PLC6现场操作箱KX-Il1面风机厂7仪表显示柜KG-2211面8双金属温度计Wng-Il2支9伯热电阻PTlOO2支返料风机序号名称贵和型号数量备注机壳部分1机壳HT2502套传动部分叶轮HT2502件主动轴整体锻造)42CrMo2件从动轴42CrMo2件2齿轮箱HT2504件齿轮HT2504件主轴承滚动轴承4套哈瓦洛大连冶金弹性柱销联轴器HT2502台套出口弹性接头橡胶2件通用底座Q235B2台3联轴器防护罩Q235B2件进、出口配对法兰及紧Q235B2台套固件地脚螺栓45#2台套佳木斯、兰4变频电

11、机380V2台电、上海电机5进口消声器Q345B2台6出口消声器Q345B2台7现场操作箱KX-H2面8仪表显示柜KG-2212面9双金属温度计Wng-I14支第三条、供方服务3.1供方对质保期内出现的非需方缘由的质量问题负全责。因与供方无关的其它缘由造成的损坏,供方应主动帮助需方修复,保证风机处于最好状态。产品出故障接到需方通知后2小时内供方技术人员应赶到现场处理。3.2供方3天内应供应基础图、设计确认的外形尺寸图,交货时供应安装运用和维护说明书、产品质量合格证等资料。3. 3供方供应的设备是全新的、先进的、成熟的、完整的和平安牢靠的,且风机的技术经济性能符合技术规范要求。3. 4风机安装后

12、具备试运行条件,由需方通知供方支配技术人员到现场进行指导、试运行。试运行合格后应经需方同意方可离开。需方不通过供方指导自行调试产生的问题由需方负完全责任。3. 5供方派技术员免费对需方技术人员进行现场技术培训,指导设备的维护与保养。并保证需方的运用人员能娴熟操作,保证设备的良好运行。需方运用人员需具备基本机电学问。3.6供方协作需方安装调试服务直到通过验收,并负责风机指导安装、调试、免费培训员工,试运行工作的技术指导。质保期内因质量缘由引起的备件损坏由供方供应免费修理或更换。第四条、工程范围、交货地点、交货周期、运输、包装4.1工程范围:整套风机供货、运输、现场安装固定(基脚螺栓灌浆)、调试。4. 2交货地点:4. 3交货周期:合同生效后60天(日历天数)。4. 4运输方式:采纳汽运负责运输到需方指定现场,在此过程中产生的一切费用由供方负责。4. 5供方保证所供风机适合长距离运输,为牢固木箱包装。由于包装不当引起的商品损坏,责任由供方担当。4. 6风机的包装在检验合格后进行包装、发货,所采纳的包装方法应符合JB-2536-80压力容器油漆、包装、运输的规定。由于包装不当引起的商品损坏,责任由供方担当。4. 7风机的包装应符合平安、

展开阅读全文
相关资源
猜你喜欢
相关搜索

当前位置:首页 > 办公文档 > 招标投标

copyright@ 2008-2023 1wenmi网站版权所有

经营许可证编号:宁ICP备2022001189号-1

本站为文档C2C交易模式,即用户上传的文档直接被用户下载,本站只是中间服务平台,本站所有文档下载所得的收益归上传人(含作者)所有。第壹文秘仅提供信息存储空间,仅对用户上传内容的表现方式做保护处理,对上载内容本身不做任何修改或编辑。若文档所含内容侵犯了您的版权或隐私,请立即通知第壹文秘网,我们立即给予删除!