28追溯记录.docx

上传人:p** 文档编号:421951 上传时间:2023-08-18 格式:DOCX 页数:5 大小:19.54KB
下载 相关 举报
28追溯记录.docx_第1页
第1页 / 共5页
28追溯记录.docx_第2页
第2页 / 共5页
28追溯记录.docx_第3页
第3页 / 共5页
28追溯记录.docx_第4页
第4页 / 共5页
28追溯记录.docx_第5页
第5页 / 共5页
亲,该文档总共5页,全部预览完了,如果喜欢就下载吧!
资源描述

《28追溯记录.docx》由会员分享,可在线阅读,更多相关《28追溯记录.docx(5页珍藏版)》请在第壹文秘上搜索。

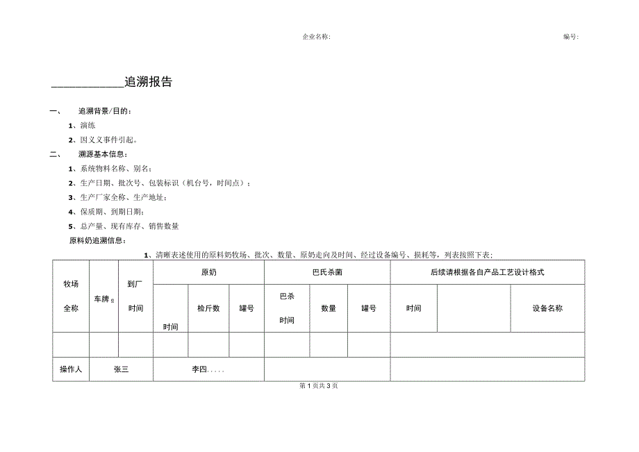
1、企业名称:编号:追溯报告一、追溯背景/目的:1、演练2、因义义事件引起。二、溯源基本信息:1、系统物料名称、别名;2、生产日期、批次号、包装标识(机台号,时间点);3、生产厂家全称、生产地址;4、保质期、到期日期;5、总产量、现有库存、销售数量原料奶追溯信息:1、清晰表述使用的原料奶牧场、批次、数量、原奶走向及时间、经过设备编号、损耗等,列表按照下表;牧场全称车牌到厂时间原奶巴氏杀菌后续请根据各自产品工艺设计格式时间检斤数罐号巴杀时间数量罐号时间设备名称操作人张三李四.第1页共3页2、牧场资质扫描件,原料奶型式检验报告;3、原料奶入厂检验原始记录;4、若风险原因和不安全原因是原料奶引起的,需要

2、按照追溯结果追溯原料奶走向的其他品种和批次。结论:原料奶检测结果(着重写本次食品安全事故有关的检验结果),原奶使用、损失平衡?原奶加工过程是否合规?附件一:以上相关纸质记录支持。四、原辅料追溯信息:1、清晰表述使用的原辅料名称、供应商名称、制造商名称、生产日期、批次编号、采购数量、本批次使用数量、现有库存数量、配方用量;如下表原辅料名称供应商制造商生产日期入厂批次编号采购数量现有库存数量使用数量配方用量2、供应商制造商资质,型式检验报告3、原辅材料入厂检验原始记录,COA4、辅料如果与事故的危害有关,则需要追溯到该批次辅料所生产的所有产品。结论:原辅料检测结果(着重写本次食品安全事故有关的检验

3、结果)?原辅材料使用是否合规。附件二:以上相关纸质记录支持五、包材追溯信息:1、清晰表述使用的内外包材名称、供应商名称、制造商名称、生产日期、批次编号、采购数量、本批次使用数量、现有库存数量;如下表:原辅料名称供应商制造商生产日期入厂批次编号采购数量现有库存数量使用数量2、供应商制造商资质,型式检验报告3、包材入厂检验原始记录,COA4、包材如果与事故的危害有关,则需要追溯到该批次辅料所生产的所有产品。结论:包材检验结果(着重写本次食品安全事故有关的检验结果),原辅材料使用是否合规。附件三:以上相关纸质记录支持六、清洗、清场追溯信息1、奶罐车清洗记录简要叙述;2、CIP清洗相关记录、当天使用的

4、酸碱等清洗剂名称、批次号、供应商、型式检验报告、COA.(着重写本次食品安全事故有关的检验结果);3、清场记录、清洗清场验证记录,当日或生产周期内环境监测相关记录简要叙述。结论:是否清洗、清场,是否达到效果。附件四:以上相关纸质记录支持。七、用水信息1、生产用水来源2、水处理过程是否有异常3、蓄水池清洗、防护是否符合要求4、水质检测原始记录、外检报告结论:生产用水是否符合要求?附件5:以上相关纸质记录支持八、设备维护保养追溯信息近期设备维护保养计划、记录情况汇总结论:设备维修保养是否影响本批次产品质量(如果与设备、润滑油等有关请重点分析)。附件六:以上相关纸质记录支持。九、成品追溯信息1、产品入库数量,现有库存数量,包括外租库和工厂之间调拨的库存;3、取样数量、抽样数量、内销数量、不合格数量、冻结数量、报废数量、销毁数量;4、发货数量和区域。结论:物料是否平衡:计算生产与发货物料平衡,附件七:以上相关纸质记录支持和发货方向统计表。审批:十、追溯结论1、本次追溯是否在规定的时间内完成全部要求追溯的信息2、本批次产品是否有问题。编制:

展开阅读全文
相关资源
猜你喜欢
相关搜索

当前位置:首页 > 管理/人力资源 > 质量管理

copyright@ 2008-2023 1wenmi网站版权所有

经营许可证编号:宁ICP备2022001189号-1

本站为文档C2C交易模式,即用户上传的文档直接被用户下载,本站只是中间服务平台,本站所有文档下载所得的收益归上传人(含作者)所有。第壹文秘仅提供信息存储空间,仅对用户上传内容的表现方式做保护处理,对上载内容本身不做任何修改或编辑。若文档所含内容侵犯了您的版权或隐私,请立即通知第壹文秘网,我们立即给予删除!