清远市非医用口罩产品质量监督抽查实施细则.docx

上传人:p** 文档编号:426300 上传时间:2023-08-21 格式:DOCX 页数:4 大小:22.24KB
下载 相关 举报
清远市非医用口罩产品质量监督抽查实施细则.docx_第1页
第1页 / 共4页
清远市非医用口罩产品质量监督抽查实施细则.docx_第2页
第2页 / 共4页
清远市非医用口罩产品质量监督抽查实施细则.docx_第3页
第3页 / 共4页
清远市非医用口罩产品质量监督抽查实施细则.docx_第4页
第4页 / 共4页
亲,该文档总共4页,全部预览完了,如果喜欢就下载吧!
资源描述

《清远市非医用口罩产品质量监督抽查实施细则.docx》由会员分享,可在线阅读,更多相关《清远市非医用口罩产品质量监督抽查实施细则.docx(4页珍藏版)》请在第壹文秘上搜索。

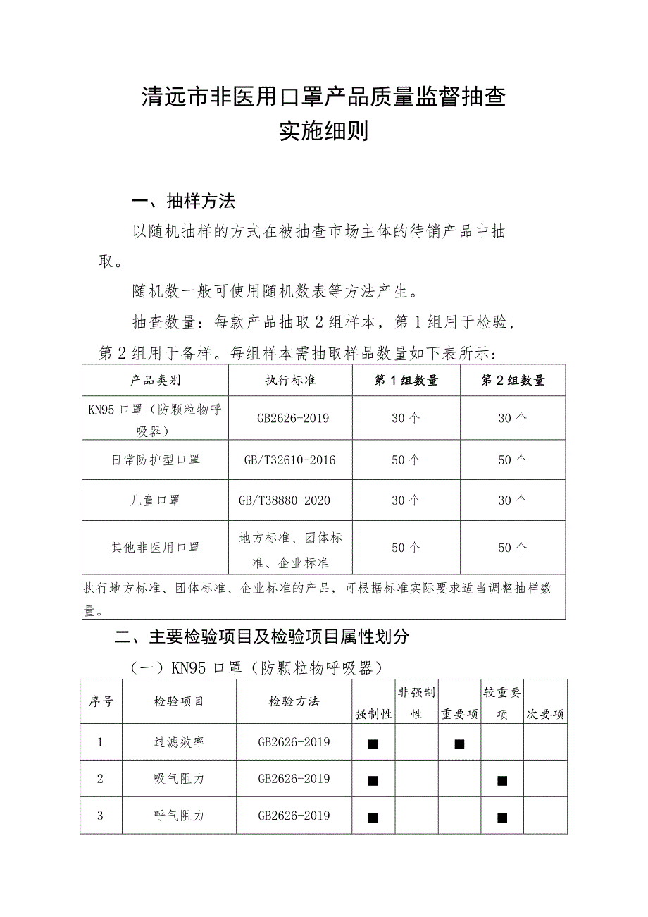
1、清远市非医用口罩产品质量监督抽查实施细则一、抽样方法以随机抽样的方式在被抽查市场主体的待销产品中抽取。随机数一般可使用随机数表等方法产生。抽查数量:每款产品抽取2组样本,第1组用于检验,第2组用于备样。每组样本需抽取样品数量如下表所示:产品类别执行标准第1组数量笫2组数量KN95口罩(防颗粒物呼吸器)GB2626-201930个30个日常防护型口罩GB/T32610-201650个50个儿童口罩GB/T38880-202030个30个其他非医用口罩地方标准、团体标准、企业标准50个50个执行地方标准、团体标准、企业标准的产品,可根据标准实际要求适当调整抽样数量。二、主要检验项目及检验项目属性划

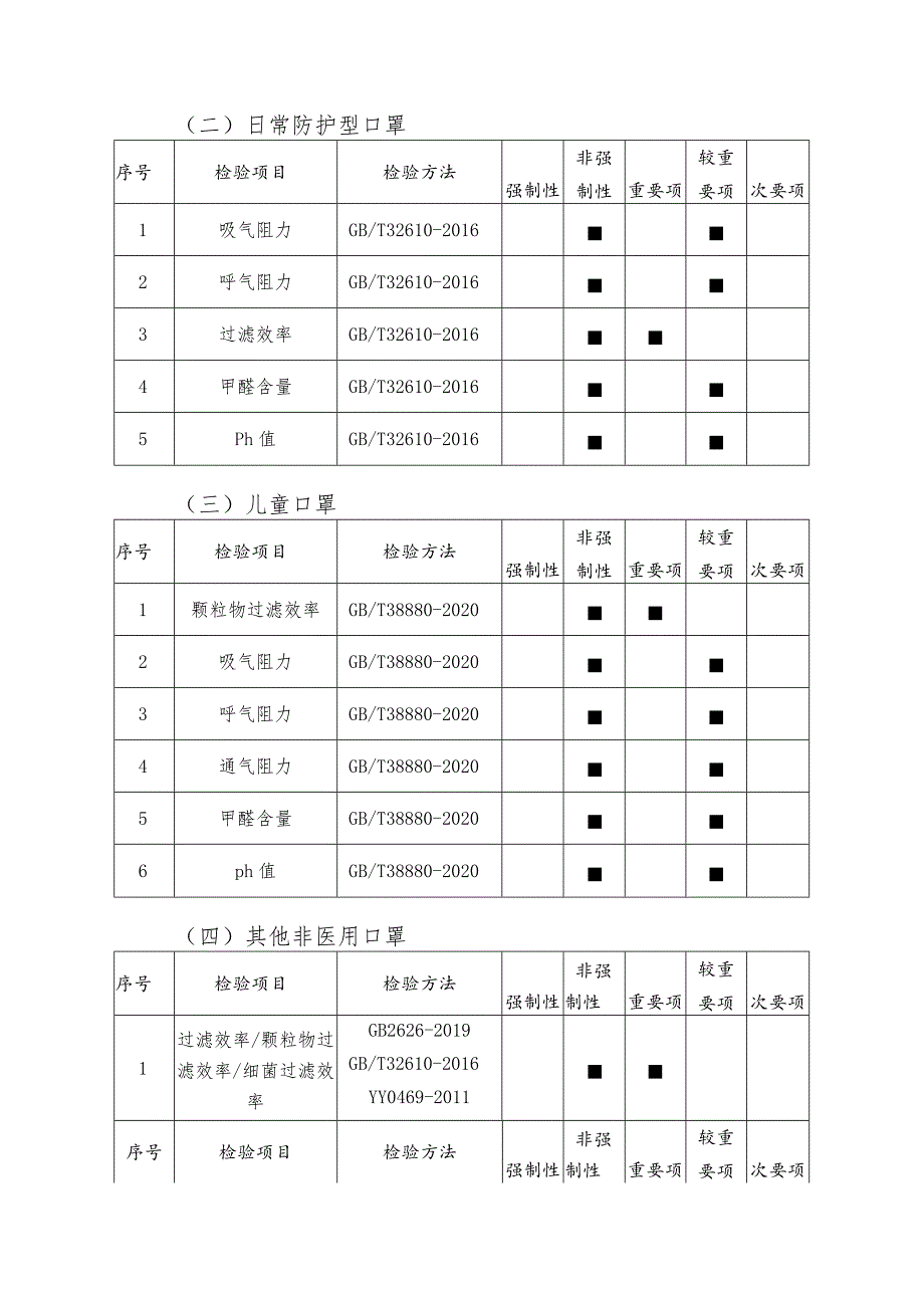
2、分(一)KN95口罩(防颗粒物呼吸器)序号检验项目检验方法强制性非强制性重要项较重要项次要项1过滤效率GB2626-20192吸气阻力GB2626-20193呼气阻力GB2626-2019(二)日常防护型口罩序号检验项目检验方法强制性非强制性重要项较重要项次要项1吸气阻力GB/T32610-20162呼气阻力GB/T32610-20163过滤效率GB/T32610-20164甲醛含量GB/T32610-20165Ph值GB/T32610-2016(三)儿童口罩序号检验项目检验方法强制性非强制性重要项较重要项次要项1颗粒物过滤效率GB/T38880-20202吸气阻力GB/T38880-2020

3、3呼气阻力GB/T38880-20204通气阻力GB/T38880-20205甲醛含量GB/T38880-20206ph值GB/T38880-2020(四)其他非医用口罩序号检验项目检验方法强制性非强制性重要项较重要项次要项1过滤效率/颗粒物过滤效率/细菌过滤效率GB2626-2019GB/T32610-2016YY0469-2011序号检验项目检验方法强制性非强制性重要项较重要项次要项2呼吸阻力/吸气阻力/呼气阻力/通气阻力/压力差GB2626-2019GB/T32610-2016YY0469-2011YY/T0969-2013注:如果地方标准、团体标准、企业标准引用GB2626-2006检

4、测方法,按GB2626-2019进行检测。三、判定规则(一)依据标准GB2626-2019呼吸防护自吸过滤式防颗粒物呼吸器GB/T32610-2016日常防护型口罩技术规范GB/T38880-2020儿童口罩技术规范现行有效的企业标准、团体标准、地方标准及产品明示质量要求(二)判定原则经检验,检验项目全部合格,判定为抽取的样本所检项目未检出不合格;检验项目中任一项或一项以上不合格,判定为被抽查产品不合格。当被检样品明示的质量要求优于监督抽查实施细则中依据的标准要求时,应按被检样品明示的质量要求判定;当被检样品明示的质量要求劣于或不包含监督抽查实施细则中依据的强制性标准要求时,应按照强制性标准要

5、求判定;当被检样品明示的质量要求劣于或包含监督抽查实施细则中依据的推荐性标准要求时,应以被检样品明示的质量要求判定,如相应检验结果不符合相关推荐性标准要求时,应在检验报告中予以说明;当被检样品明示的质量要求不包含监督抽查实施细则中依据的推荐性标准要求时,该指标不参与判定,但应在检验报告中作出说明;当被检样品未能提供有效的企业标准时,按相关国家或行业标准进行判定;当被检样品标签标识中执行标准信息和产品类别信息不明或有误,影响检测和判定时,可根据相关强制性标准要求,同时结合产品特点等信息判断和选择相关标准进行检验,并应在检验报告中作出相关说明;按照产品质量相关法律法规的规定判定。检验中发现因样品失效或者其他原因致使检验无法进行的,检验人员应如实记录,并提供相关证明材料,报送组织监督抽查的市场监管部门。

展开阅读全文
相关资源
猜你喜欢
相关搜索

当前位置:首页 > 行业资料 > 工业设计

copyright@ 2008-2023 1wenmi网站版权所有

经营许可证编号:宁ICP备2022001189号-1

本站为文档C2C交易模式,即用户上传的文档直接被用户下载,本站只是中间服务平台,本站所有文档下载所得的收益归上传人(含作者)所有。第壹文秘仅提供信息存储空间,仅对用户上传内容的表现方式做保护处理,对上载内容本身不做任何修改或编辑。若文档所含内容侵犯了您的版权或隐私,请立即通知第壹文秘网,我们立即给予删除!