地下室顶板承载力验算书范文.docx

上传人:p** 文档编号:428509 上传时间:2023-08-24 格式:DOCX 页数:8 大小:177.17KB
下载 相关 举报
地下室顶板承载力验算书范文.docx_第1页
第1页 / 共8页
地下室顶板承载力验算书范文.docx_第2页
第2页 / 共8页
地下室顶板承载力验算书范文.docx_第3页
第3页 / 共8页
地下室顶板承载力验算书范文.docx_第4页
第4页 / 共8页
地下室顶板承载力验算书范文.docx_第5页
第5页 / 共8页
地下室顶板承载力验算书范文.docx_第6页
第6页 / 共8页
地下室顶板承载力验算书范文.docx_第7页
第7页 / 共8页
地下室顶板承载力验算书范文.docx_第8页
第8页 / 共8页
亲,该文档总共8页,全部预览完了,如果喜欢就下载吧!
资源描述

《地下室顶板承载力验算书范文.docx》由会员分享,可在线阅读,更多相关《地下室顶板承载力验算书范文.docx(8页珍藏版)》请在第壹文秘上搜索。

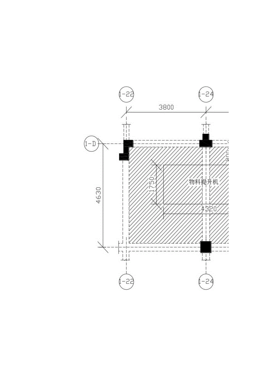
1、地下室顶板承载力验算书塘西居住区1#地块雍景苑三期C区工程由宁波舜大房地产开发总承包公司开发,浙江绿城东方建筑设计总承包公司设计,宁波京甬建设监理总承包公司监理,曙光控股总承包公司总承包公司承建。本工程计划投入一台QTZ5013塔吊和五台SSD80L施工升降机作为材料的垂直运输工作。根据现场实际情况,需将施工升降机搭设在地下室顶板上,现对地下室顶板进行承载力验算。(因1#、2#楼施工升降机搭设高度为45m,4#楼36m,3#、5#楼25.2m,故本验算书针对45m的施工升降机进行验算)顶板验算参数:顶板厚200mm,原图纸设计为12Q150双层双向,附图中阴影部位处板配筋改为12Q75双层双向

2、(详见附图一),梁配筋不变,混凝土标号为C30,保护层厚度为15mm,物料提升机外形尺寸为4.321.75m,整机重约为90KN(按45m架体+额定载重量8KN计算)。布置位置详见附图。利用PKPM计算软件进行承载力验算,经验算地下室顶板承载力满足要求,具体结果详见附图二,为确保安全施工,在地下室顶板用钢管脚手架进行加固,具体加固方案详见附图三。I附图一OO8341x61.dIWTI9860co9寸38001163.614.NH1163.附图二井架架体地下室顶板OO全中16#槽钢间距为550”,长度同井加长度及专指施卡累瞰力耐!图严禁安安全一、工作十项汪意事项:场地,截到安金二、不违章彳,55

3、0三、不;高作业应戴好规定的劳动防护就喘暨确碉懒航为1.2y,步距为1.8平N并监督制止他章作业。0550操作的机械,5才关设备。登中有专久监护、防止坠落,地下室底板:置、信号标志、仪表敏可靠。五、不准随意启动设备。机器设备停机检查或修理时,应切断电源并悬挂警示牌,取牌人应是挂牌人。开机时发出信号,听到回音确定安全后才能开机。六、不准吊装物及下行人。多人操作起重搬运要统一指挥,密切配合。不准超负荷使用机器。七、不在易燃物品附近吸烟动火,不乱扔垃圾。八、不在厂内无证驾驶机动车辆,机动车进出车间转弯必须鸣号减速。车辆行驶中严禁爬上跳下。九、工作时精力集中,不准打闹、赤脚、赤膊、穿拖鞋和高跟鞋。十、上班时间不准怠工、滋事、脱岗或擅离职守。有事请假经领导批准后方可离开岗位。

展开阅读全文
相关资源
猜你喜欢
相关搜索

当前位置:首页 > 建筑/环境 > 建筑资料

copyright@ 2008-2023 1wenmi网站版权所有

经营许可证编号:宁ICP备2022001189号-1

本站为文档C2C交易模式,即用户上传的文档直接被用户下载,本站只是中间服务平台,本站所有文档下载所得的收益归上传人(含作者)所有。第壹文秘仅提供信息存储空间,仅对用户上传内容的表现方式做保护处理,对上载内容本身不做任何修改或编辑。若文档所含内容侵犯了您的版权或隐私,请立即通知第壹文秘网,我们立即给予删除!