某工程学院抄第五医院范文.docx

上传人:p** 文档编号:429089 上传时间:2023-08-24 格式:DOCX 页数:9 大小:80.52KB
下载 相关 举报
某工程学院抄第五医院范文.docx_第1页
第1页 / 共9页
某工程学院抄第五医院范文.docx_第2页
第2页 / 共9页
某工程学院抄第五医院范文.docx_第3页
第3页 / 共9页
某工程学院抄第五医院范文.docx_第4页
第4页 / 共9页
某工程学院抄第五医院范文.docx_第5页
第5页 / 共9页
某工程学院抄第五医院范文.docx_第6页
第6页 / 共9页
某工程学院抄第五医院范文.docx_第7页
第7页 / 共9页
某工程学院抄第五医院范文.docx_第8页
第8页 / 共9页
某工程学院抄第五医院范文.docx_第9页
第9页 / 共9页
亲,该文档总共9页,全部预览完了,如果喜欢就下载吧!
资源描述

《某工程学院抄第五医院范文.docx》由会员分享,可在线阅读,更多相关《某工程学院抄第五医院范文.docx(9页珍藏版)》请在第壹文秘上搜索。

1、模板承重支撑架方案一、工程概况:1、工程名称:宁波工程学院新校区一期四标段行政中心2、建设单位:宁波育才建设开发公司3、设计单位:宁波高专建筑设计研究院总承包公司4、勘察单位:浙江省工程勘察院5、监理单位:宁波高专监理公司6、施工单位:曙光控股总承包公司总承包公司宁波分公司本工程模板采用胶合板,模板的承重架采用48X3.5扣件式钢筋支撑架,扣件采用铸铁扣件。底层层高为4.5m(承重架高度为4.5+承台顶至室内地坪0.8-0.15=5.15m)、二至四层层高为3.6m,立杆步距(h)为1.6m,楼板厚为110,框架梁尺寸以250X750为主,框架梁跨度以8m为主,楼板底立杆纵距横距设计为相等,即

2、1.a=Lb=900,当梁尺寸为250X750时,梁底立杆纵距Lal=800,立杆横距Lbl=800;模板支架立杆伸出顶层横向水平杆中心线至模板支撑点的长度a=100o二、支模架设计计算1、构配件钢管截面特性表1外径(mm)D壁厚(mm)t截面积A(Cln2)惯性矩I(cm,)截面模量W(cmi)回转半径i(Cm)每米质量(kgm)483.54.8912.195.081.583.84扣件力学性能表2项目直角扣件旋转扣件对接扣件质量(kg)1.321.461.84螺栓拧紧力(N-M)40-6540-6540-65破坏荷载(KN)225.0217.0/抗滑允许承载力(KN)8.008.003.22

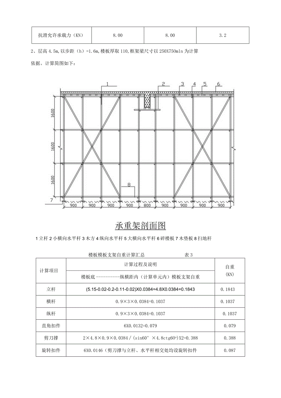
3、、层高4.5m,以步距(h)=1.6m,楼板厚取110,框架梁尺寸以250X75Omln为计算依据。计算简图如下:承重架剖面图1立杆2小横向水平杆3木方4纵向水平杆5大横向水平杆6碎楼板7木垫板8扫地杆楼板模板支架自重计算汇总表3计算项目计算过程及说明自重(KN)楼板底纵横距内(计算单元内)模板支架自重立杆(5.15-0.02-0.2-0.11-0.02)X0.0384=4.8X0.0384=0.18430.1843横杆0.930.0384=0.10370.1037纵杆0.930.0384=0.10370.1037直角扣件6X0.0132=0.0790.079剪刀撑24.80.90.0384(

4、sin604.8ctg6Oo)X2=0.3880.388旋转扣件6X0.0146(剪刀撑与立杆、水平杆相交处均设旋转扣件0.087自重合计0.9457梁模板支架自重计算汇总表4计算项目计算过程及说明自重(Kg)梁底纵横距内(计算单元内)模板支架自重立杆(5.15-0.02-0.2-0.11-0.02)X0.0384=4.8X0.0384=0.18430.1843横杆1.2X6X0.0384=0.2510.251纵杆40.80.0384=0.1230.123直角扣件7X0.0132(支撑顶主节点处按增加一扣件设计)0.092剪刀撑0.3880.388旋转扣件0.0870.087自重合计1.125

5、荷载标准值表5序号项目名称标准值1永久荷载楼板模板支架自重标准值0.9457KN2梁模板支架自重标准值1.125KN3楼板木模板自重标准值0.3KNm24楼板钢筋自重标准值1.1KNm25梁钢筋自重标准值1.5KNm26新浇筑碎自重标准值24KNm27可变荷载施工人员及设备荷载标准值1.0KNm28振捣碎时产生的荷载标准值2.0KNm23、验算碎楼板模板支架大横向水平杆验算:碎楼板模板下大横向水平杆按二跨连续梁计算,计算变形宜按三跨连续梁计算(出于安全考虑),二跨连续梁计算简图如下:作用在大横向水平杆永久线荷载标准值:qkl=0.30.9+1.l0.90.ll+240.90.11=2.755K

6、Nm作用在大横向水平杆永久线荷载设计值:q1=l.2qkl=1.22.755=3.306KNm作用在大横向水平杆可变线荷载标准值:qk2=l0.9+20.9=2.7KNm作用在大横向水平杆可变线荷载设计值:q2=1.4qk2=1.42.7=3.78KNm作用在大横向水平杆线荷载设计值:q=q1+q2=2.755+3.78=6.535KNm大横向水平杆受最大弯矩:M=0.125ql1,2=0.1256.5350.9.662KNM抗弯强度:。=MW=O.662X107(5.08103)=130.3Nmm2f=205M三2满足要求按三跨连续梁计算挠度:V=(LbVlOOEI)(0.667qkl+0.

7、99qk2)=9007(100X2.0610512.1910,)(0.667X2.755+0.992.7)=1.18mm900/150=6.00mm满足要求。扣件的抗滑承载力计算:大横向水平杆传给立杆最大竖向力计算:R=L25qLb=l.256.5350.9=7.35KN8KN满足要求碎楼板模板支架立杆计算:支架立杆的轴向力设计值为大横向水平杆传给立杆最大竖向力与楼板底模板支架自重产生的轴各力设计值之和,即:N=R+O.94571.2=7.35+1.135=8.485KN模板支架立杆的计算长度:1.o=h+2a=l.6+2X0.1=1.8m长度系数u=1.5=LOI=Kh/i取K=I=1.5X

8、180/1.58=170.89=210满足要求取K=I.155=197.37查表得:=0.186支架立杆稳定性验算:NA=8.485107(0.186489)=93.29Nmm2f=205Nmm2不满足要求。在大纵向水平杆上增加小横向水平杆(231.1/2=115.55Nmm2f=205Nmm2可满足要求。计算大纵向水平杆:传给大纵向水平杆的集中力设计值:P=5.868/3=1.956KN作用在大纵向水平杆的最大弯矩:M=PlM/3=1.9560.8/3=0.522KNM抗弯强度:。=MW=O.522X107(5.08IO3)=102.756Nmm2f=205Nmm2满足要求。按简支梁计算挠度

9、:梁计算挠度:V=pkLbl348EI=4.791039007(482.06IO5X12.1910,)=2.9mm900/150=6.Omm满足要求扣件的抗滑承载力计算:小横向水平杆传给立杆最大竖向力设计值:R=P2=5.868/2=2.934KNRc=8KN满足要求。碎梁模板支架立杆计算:楼板模板及支架自重,新浇碎自重与钢筋自重标准值产生的轴向力总和(佐梁及模板自重已含在R中)Ngk=0.40.8(0.75-0.25/2)+1.125+(24+1.1)0.80.11(O.75-0.25/2)=2.59KN施工共员及施工设备荷载标准值、振捣碎时产生的荷载标准值的轴向力总和ZNQK=(1+2)0

10、.8(0.75-0.25/2)=1.5KN支架立杆的轴向力设计值:N=L2Ngk+1.4Nw+R=1.2X2.59+1.4l.5+2.934=8.142KN梁支架立杆的计算长度:1.0=h+2a=l.6+20.1=1.8m长度系数U=1.5=L0I=KUh/I取K=1=l.5X180/1.58=170.88=210满足要求取K=LI55=197.37查表得:=0.186支架立杆稳定性验算:NA=8.142X107(0.186489)=89.52Nmm2每根立杆底部应设置垫板。2)、支模架应设置纵横向扫地杆,纵向扫地杆应用直角扣件固定在距底座上不大于200处的立杆上。横向扫地杆亦应用直角扣件固定

11、在紧靠纵向扫地杆下方的立杆上。当立杆基础不在同一高度时,必须将高处的纵向扫地杆向底处延长两跨与立杆固定,高低差不应大于Imo3)、支模架底层步距不应大于2m。4)立杆接长应采用对接和搭接,立杆上的对接扣件应交错布置,搭接长度不应小于1m,并应不少于2个旋转扣件固定。5)支架立杆应竖直设置,2m高度的垂直允许偏差为15mm。2、支撑设置:1)满堂模板支架四力与中间每隔四排支架立杆应设置一道纵向剪刀撑,由度到顶连续设置。2)高于4m模板支架,其两端与中间每隔四排支架立杆从顶层开始向下每隔二步设置一道剪刀撑。3)剪刀撑构造:斜杆与地面的倾角在450600之间;剪刀撑斜杆的接长宜采用搭接,搭接要求与立

12、杆搭接相同;剪刀撑斜杆应用旋转扣件固定在与之相交的横向水平杆的伸出端或立杆上,旋转扣件中心线至主节点的距离不宜大于150三4)模板支架宜于已浇筑的碎构件(柱或墙)拉结,增加稳定性能。四、施工、检查与验收1、施工准备:1.l工程技术负责人应按施工方案中有关支模架的要求,向架设和用人员进行技术、安全交底。促进支模架在具体施工实施过程中得到认真、严肃的贯彻。1.2为加强现场管理,杜绝不合格产品进入现场,在施工准备阶段,要求对钢管、扣件、脚手板等进行检查验收及随机抽样检测,其质量必须符合规范及有关产品标准要求,不合格产品不得使用。1.3钢管应有产品质量合格证,扣件应有生产许可证、法定检测单位的没试报告

13、和产品质量合格证。1.4对扣件有裂缝、变形的严禁使用,出现滑丝的螺栓必须更换。2、搭设2.1为保证支模架搭设质量,要求每搭完一步支模架,按规定校正步距、纵距、横距及立杆垂直度。2.2扣件螺栓的拧紧力矩采用40-65NMo2. 3为保证支模架整体稳定,立杆、纵横向水平杆、纵横向扫地杆、剪刀撑都应符合相应的构造要求。3、拆除2.1 为保证支模架工程的安全拆除,在拆除前,必须进行拆除安全技术交底。支撑架上的杂物及地面障碍物必须清除。3. 2为保证支模架拆除中的整体稳定性,支模架的拆除作业顺序,必须由上而下,逐层进行,严禁上下同时作业。拆除时应两人协同作业,以避免单人作业时的闪失事故。拆除后的各构配件应运至地面,核糖核酸抛掷地面。并按要求对各构配件及时检查、整修与保

展开阅读全文
相关资源
猜你喜欢
相关搜索

当前位置:首页 > 办公文档 > 工作总结

copyright@ 2008-2023 1wenmi网站版权所有

经营许可证编号:宁ICP备2022001189号-1

本站为文档C2C交易模式,即用户上传的文档直接被用户下载,本站只是中间服务平台,本站所有文档下载所得的收益归上传人(含作者)所有。第壹文秘仅提供信息存储空间,仅对用户上传内容的表现方式做保护处理,对上载内容本身不做任何修改或编辑。若文档所含内容侵犯了您的版权或隐私,请立即通知第壹文秘网,我们立即给予删除!