洪塘地下室顶板承载力验算书范文.docx

上传人:p** 文档编号:429176 上传时间:2023-08-24 格式:DOCX 页数:8 大小:177.17KB
下载 相关 举报
洪塘地下室顶板承载力验算书范文.docx_第1页
第1页 / 共8页
洪塘地下室顶板承载力验算书范文.docx_第2页
第2页 / 共8页
洪塘地下室顶板承载力验算书范文.docx_第3页
第3页 / 共8页
洪塘地下室顶板承载力验算书范文.docx_第4页
第4页 / 共8页
洪塘地下室顶板承载力验算书范文.docx_第5页
第5页 / 共8页
洪塘地下室顶板承载力验算书范文.docx_第6页
第6页 / 共8页
洪塘地下室顶板承载力验算书范文.docx_第7页
第7页 / 共8页
洪塘地下室顶板承载力验算书范文.docx_第8页
第8页 / 共8页
亲,该文档总共8页,全部预览完了,如果喜欢就下载吧!
资源描述

《洪塘地下室顶板承载力验算书范文.docx》由会员分享,可在线阅读,更多相关《洪塘地下室顶板承载力验算书范文.docx(8页珍藏版)》请在第壹文秘上搜索。

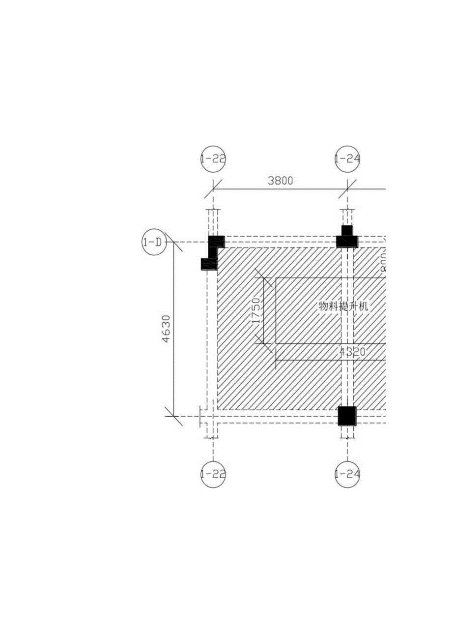
1、地下室顶板承载力验算书由宁波建工总承包公司工程建设总承包公司承建的洪塘经济适用房8#地块11标段7#、8#、9#、16#、23#、27#、28#、酒店式商务楼及地下室工程由宁波新园置业总承包公司开发,除酒店式商务楼工程由宁波市建筑设计研究院设计外,其它均由宁波民用建筑设计研究院总承包公司设计,由浙江工正工程建设监理咨询总承包公司监理。根据现场实际情况,需将酒店式商务楼工程裙房的落地外墙脚手架搭设于地下室顶板上,而地下室顶板其中一部分刚好在后浇带部位,现对后浇带部位地下室顶板进行承载力验算。顶板验算参数:顶板厚200mm,原图纸设计为12Q150双层双向,附图中阴影部位处板配筋改为12Q75双层

2、双向(详见附图一),梁配筋不变,混凝土标号为C30,保护层厚度为15mm,物料提升机外形尺寸为4.321.75m,整机重约为90KN(按45m架体+额定载重量8KN计算)。布置位置详见附图。利用PKPM计算软件进行承载力验算,经验算地下室顶板承载力满足要求,具体结果详见附图二,为确保安全施工,在地下室顶板用钢管脚手架进行加固,具体加固方案详见附图三。I附图一OO 8341x6LdIWTI9860co9寸38001163.614.NH1163.附图二井架架体地下室顶板OO全中16#槽钢间距为550”,长度同井加长度及专指施卡累瞰力耐!图严禁安安全一、工作十项汪意事项:场地,截到安金二、不违章彳,

3、550三、不;高作业应戴好规定的劳动防护就喘暨确碉懒航为1.2y,步距为1.8平N并监督制止他章作业。0550操作的机械,5才关设备。登中有专久监护、防止坠落,地下室底板:置、信号标志、仪表敏可靠。五、不准随意启动设备。机器设备停机检查或修理时,应切断电源并悬挂警示牌,取牌人应是挂牌人。开机时发出信号,听到回音确定安全后才能开机。六、不准吊装物及下行人。多人操作起重搬运要统一指挥,密切配合。不准超负荷使用机器。七、不在易燃物品附近吸烟动火,不乱扔垃圾。八、不在厂内无证驾驶机动车辆,机动车进出车间转弯必须鸣号减速。车辆行驶中严禁爬上跳下。九、工作时精力集中,不准打闹、赤脚、赤膊、穿拖鞋和高跟鞋。十、上班时间不准怠工、滋事、脱岗或擅离职守。有事请假经领导批准后方可离开岗位。

展开阅读全文
相关资源
猜你喜欢
相关搜索

当前位置:首页 > 建筑/环境 > 建筑资料

copyright@ 2008-2023 1wenmi网站版权所有

经营许可证编号:宁ICP备2022001189号-1

本站为文档C2C交易模式,即用户上传的文档直接被用户下载,本站只是中间服务平台,本站所有文档下载所得的收益归上传人(含作者)所有。第壹文秘仅提供信息存储空间,仅对用户上传内容的表现方式做保护处理,对上载内容本身不做任何修改或编辑。若文档所含内容侵犯了您的版权或隐私,请立即通知第壹文秘网,我们立即给予删除!