起重吊装检查评分表.docx

上传人:p** 文档编号:432789 上传时间:2023-08-27 格式:DOCX 页数:1 大小:18.13KB
下载 相关 举报
起重吊装检查评分表.docx_第1页
第1页 / 共1页
亲,该文档总共1页,全部预览完了,如果喜欢就下载吧!
资源描述

《起重吊装检查评分表.docx》由会员分享,可在线阅读,更多相关《起重吊装检查评分表.docx(1页珍藏版)》请在第壹文秘上搜索。

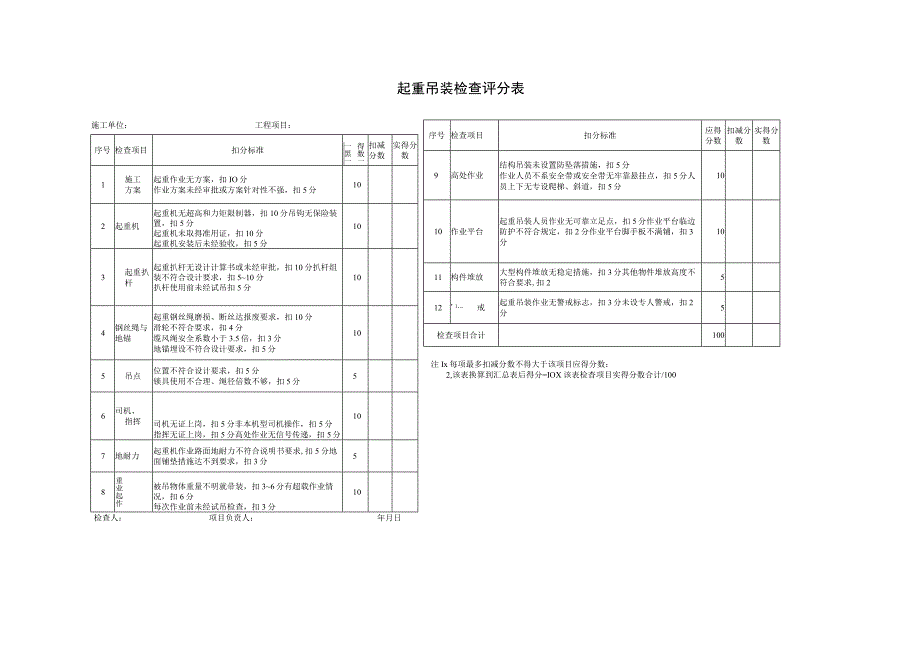
1、起重吊装检查评分表施工单位:工程项目:序号检查项目扣分标准得数一一黑一扣减分数实得分数1施工方案起重作业无方案,扣IO分作业方案未经审批或方案针对性不强,扣5分102起重机起重机无超高和力矩限制器,扣10分吊钩无保险装置,扣5分起重机未取得准用证,扣10分起重机安装后未经验收,扣5分103起重扒杆起重扒杆无设计计算书或未经审批,扣10分扒杆组装不符合设计要求,扣510分扒杆使用前未经试吊扣5分104钢丝绳与地锚起重钢丝绳磨损、断丝达报废要求,扣10分滑轮不符合要求,扣4分缆风绳安全系数小于3.5倍,扣3分地锚埋设不符合设计要求,扣5分105吊点位置不符合设计要求,扣5分锁具使用不合理、绳径倍数

2、不够,扣5分56司机、指挥司机无证上岗,扣5分非本机型司机操作,扣5分指挥无证上岗,扣5分高处作业无信号传递,扣5分107地耐力起重机作业路面地耐力不符合说明书要求,扣5分地面铺垫措施达不到要求,扣3分58重业起作被吊物体重量不明就帚装,扣36分有超载作业情况,扣6分每次作业前未经试吊检查,扣3分10检查人:项目负贲人:年月日序号检查项目扣分标准应得分数扣减分数实得分数9高处作业结构吊装未设置防坠落措施,扣5分作业人员不系安全带或安全带无牢靠悬挂点,扣5分人员上下无专设爬梯、斜道,扣5分1010作业平台起重吊装人员作业无可靠立足点,扣5分作业平台临边防护不符合规定,扣2分作业平台脚手板不满铺,扣3分1011构件堆放大型构件堆放无稳定措施,扣3分其他物件堆放高度不符合要求,扣25121-戒起重吊装作业无警戒标志,扣3分未设专人警戒,扣2分5检查项目合计100注Ix每项最多扣减分数不得大于该项目应得分数:2,该表换算到汇总表后得分=IOX该表检杳项目实得分数合计/100

展开阅读全文
相关资源
猜你喜欢
相关搜索

当前位置:首页 > 汽车/机械/制造 > 汽车作业报告

copyright@ 2008-2023 1wenmi网站版权所有

经营许可证编号:宁ICP备2022001189号-1

本站为文档C2C交易模式,即用户上传的文档直接被用户下载,本站只是中间服务平台,本站所有文档下载所得的收益归上传人(含作者)所有。第壹文秘仅提供信息存储空间,仅对用户上传内容的表现方式做保护处理,对上载内容本身不做任何修改或编辑。若文档所含内容侵犯了您的版权或隐私,请立即通知第壹文秘网,我们立即给予删除!