半螺明管技术规范.docx

上传人:p** 文档编号:434191 上传时间:2023-08-27 格式:DOCX 页数:3 大小:43.50KB
下载 相关 举报
半螺明管技术规范.docx_第1页
第1页 / 共3页
半螺明管技术规范.docx_第2页
第2页 / 共3页
半螺明管技术规范.docx_第3页
第3页 / 共3页
亲,该文档总共3页,全部预览完了,如果喜欢就下载吧!
资源描述

《半螺明管技术规范.docx》由会员分享,可在线阅读,更多相关《半螺明管技术规范.docx(3页珍藏版)》请在第壹文秘上搜索。

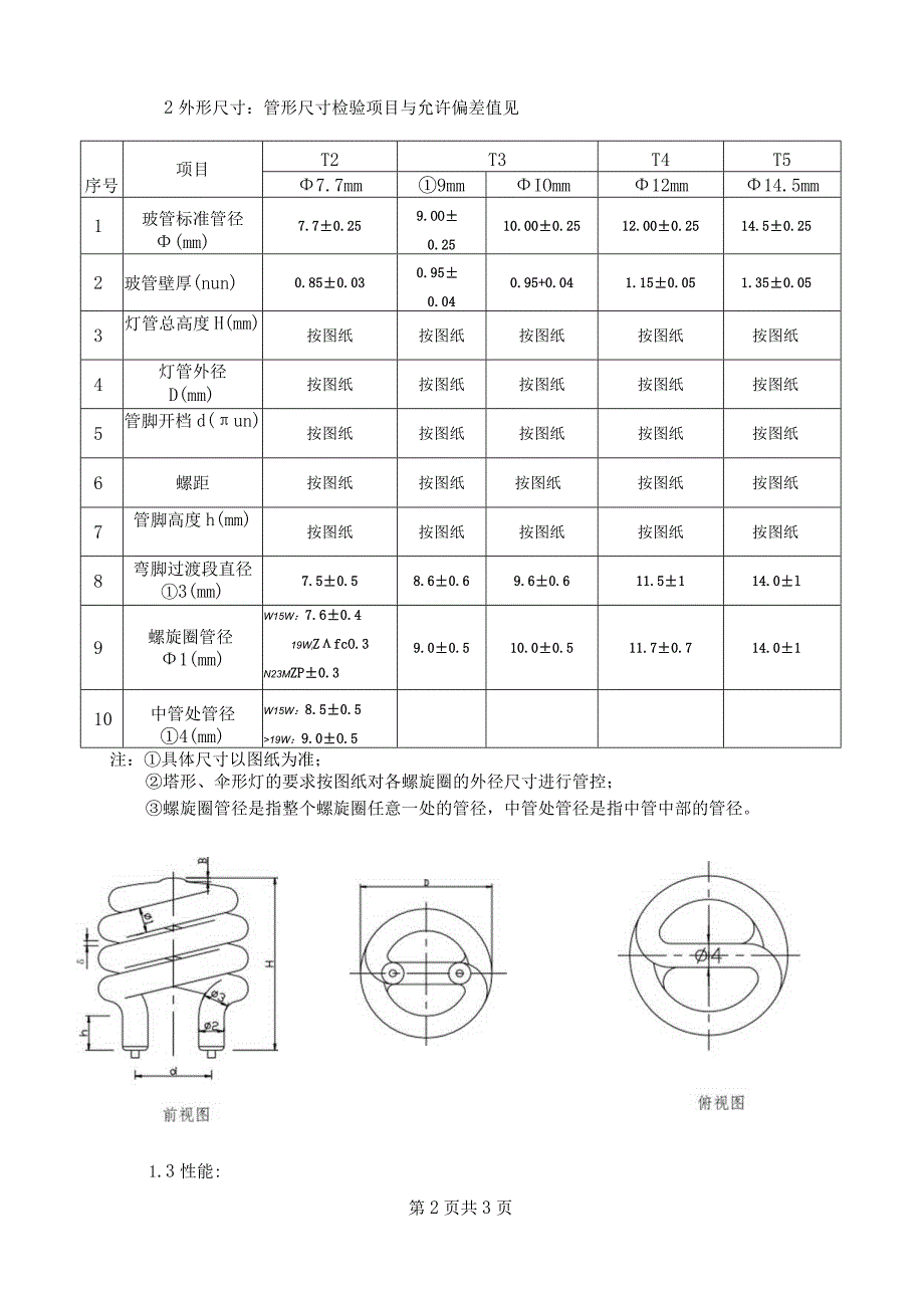
1、半螺明管技术规范文件编码:DS-WI-007版本:LO一.技术要求事项:1 .半螺明管技术要求1. 1外观:半螺明管的外观要求应符合表1中的规定:表1编号项目内容1外形对称偏差外形均匀对称,螺距、螺圈管径、外径一致,无明显偏差,可顺畅套入与之相应的塑件,两管脚高低偏差L2mm2砂粒、气泡lmm不允许,0.5-1.Onun允许1个,19W:9.0O.5注:具体尺寸以图纸为准;塔形、伞形灯的要求按图纸对各螺旋圈的外径尺寸进行管控;螺旋圈管径是指整个螺旋圈任意一处的管径,中管处管径是指中管中部的管径。1.3性能:第2页共3页每批来料在外观和尺寸检验合格后试投产300支,因明管原因导致的不良率Wl%2

2、 .检验方法检验部门对每批入库的半螺明管按GB2828正常检查一次抽样方案进行检验,其抽检项目、检查水平及合格质量水平应符合表3中的规定,若抽检不合格,则按退货处理。表3序号检验项目验收条款检验水平判定水平1明管的外观要求1.1II0.652明管的尺寸要求玻管标准管径中(mm)1.2S-22.5玻管壁厚(mm)S-22.5灯管总高度H(mm)S-21.5灯管外径D(mm)S-21.5管脚开档d(mm)S-21.5螺距S-21.5管脚高度h(mm)S-22.5弯脚过渡段直径中3(mm)S-22.5螺旋圈管径1(mm)S-21.53性能要求1.3N=3001%二.材料要求:1.明管材料必须是低钠无铅玻璃(非钠钙玻璃和石灰料玻璃且符合RoHS的要求)直管。三.工艺要求:1.管脚割口端面必须作煤气火焰光口处理。第3页共3页

展开阅读全文
相关资源
猜你喜欢
相关搜索

当前位置:首页 > 建筑/环境 > 建筑规范

copyright@ 2008-2023 1wenmi网站版权所有

经营许可证编号:宁ICP备2022001189号-1

本站为文档C2C交易模式,即用户上传的文档直接被用户下载,本站只是中间服务平台,本站所有文档下载所得的收益归上传人(含作者)所有。第壹文秘仅提供信息存储空间,仅对用户上传内容的表现方式做保护处理,对上载内容本身不做任何修改或编辑。若文档所含内容侵犯了您的版权或隐私,请立即通知第壹文秘网,我们立即给予删除!