第二部分技术需求书.docx

上传人:p** 文档编号:435627 上传时间:2023-08-27 格式:DOCX 页数:37 大小:100.64KB
下载 相关 举报
第二部分技术需求书.docx_第1页
第1页 / 共37页
第二部分技术需求书.docx_第2页
第2页 / 共37页
第二部分技术需求书.docx_第3页
第3页 / 共37页
第二部分技术需求书.docx_第4页
第4页 / 共37页
第二部分技术需求书.docx_第5页
第5页 / 共37页
第二部分技术需求书.docx_第6页
第6页 / 共37页
第二部分技术需求书.docx_第7页
第7页 / 共37页
第二部分技术需求书.docx_第8页
第8页 / 共37页
第二部分技术需求书.docx_第9页
第9页 / 共37页
第二部分技术需求书.docx_第10页
第10页 / 共37页
亲,该文档总共37页,到这儿已超出免费预览范围,如果喜欢就下载吧!
资源描述

《第二部分技术需求书.docx》由会员分享,可在线阅读,更多相关《第二部分技术需求书.docx(37页珍藏版)》请在第壹文秘上搜索。

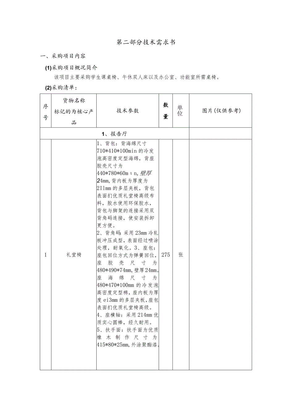
1、第二部分技术需求书一、采购项目内容(1)采购项目概况简介该项目主要采购学生课桌椅、午休双人床以及办公室、功能室所需桌椅。(2)采购清单:序号货物名称标记的为核心产品技术参数数量单位图片(仅供参考)1、报告厅1礼堂椅1、背包:背海绵尺寸710*410*100min的冷发泡高密度定型海绵,背座胶壳尺寸为440*780*60mn,壁厚24mm,背内板为厚度为2Ilmm的多层夹板,背包表面扪优质礼堂椅高级布料,胶水使用环保胶水,背包与脚架的连接采用双背角码连接,使安装拆卸更方便。2、背角码:采用23mm冷轧板冲压成型,表面经过喷涂处理,耐氧化。3、座包:座包回位方式为弹簧回位,座胶壳尺寸为480*49

2、0*74mm,壁厚24mm。座海绵尺寸为480*470*100mm的冷发泡高密度定型棉,座内板为厚度ei3mm的多层夹板,座包表面扪优质礼堂椅高级。4、座横轴:采用214mm优质实心圆棒,经久耐用。5、扶手面:扶手面为优质橡木制作尺寸为415*80*25mm,外涂聚酯漆。275张6、写字板支架:写字板支架为铝合金支架,写字板材质为三氨板,表面贴防火板,四周22mmpu封边,写字板的尺寸为262*215*15mm,写字板翻转有消音垫消音。7、面料:面料采用优质礼堂椅麻绒布料,抗污,防褪色。可升级布料做防火、防静电处理。8、脚架:上脚架:采用22mm优质冷轧板经过冲压折弯、焊接、喷涂等工艺制作。基

3、本尺寸为411*355*8Omm,写字板平时收藏在脚架内使用时打开扶手面翻出写字板使用。上脚架左、右带侧板侧板材质为23mm中纤板表面贴棉扪布处理。下脚架:材质为铝合金,下脚架脚架尺寸为220*285*130*5Ommo下脚架上带上下两个三角形凹槽,上凹槽尺寸:218*239*169mm,下凹槽尺寸:285*142*189mmo2条形桌1、规格:1200*500*750mm两位条形桌,根据现场实际拼接摆放;2、材料:采用实木皮饰面、封边贴面饰面相同的实木木材、面漆采用PU聚脂漆,底漆采用PE不饱和树脂漆,符合国家环保要求、通过绿色环保认证中密度三层板、甲醛含量不低于El级。3、贴面平整,无气泡

4、,13张,无渣点,颜色均匀,木质材料经过严格杀菌杀虫处理抗划伤、经久耐用。3主席台1、规格:680*500*1200mm2、面材采用三胺板,优质饰面纸,具有防潮、耐磨性能强满足现代办公空间风格需求;3、甲醛释放含量达到EO级,无污染,安全环保,强度高、刚性好、不变形、比重合理;4、五金配件:采用优质配件,安装快捷简便,持久耐用且不易生锈;1张Il.b报告厅控制室4工作台1、规格:1200*600*750mm2、面材采用三胺板,优质饰面纸,具有防潮、耐磨性能强满足现代办公空间风格需求;3、甲醛释放含量达到EO级,无污染,安全环保,强度高、刚性好、不变形、比重合理;4、五金配件:采用优质配件,安装

5、快捷简便,持久耐用且不易生锈;2张5工作椅1、面料:椅子背网采用优质透气尼龙网,坐板采用优质网布;2、配置:坐板采用优质海绵,回弹效果好,椅身跟椅架均采用优质电镀五金;3、架子:可承受高达200-300斤,扶手采用优质塑胶一次性成型压制而成。1张各L2、网络、消防、安防控制室6工作台1、规格:1200*600*750mm2、面材采用三胺板,优质饰面纸,具有防潮、耐磨性能强满足现代办公空间风格需求;3、甲醛释放含量达到EO级,无污染,安全环保,强度高、刚性好、不变形、比重合理;4、五金配件:采用优质配件,安装快捷简便,持久耐用且不易生锈;3张I7工作椅1、面料:椅子背网采用优质透气尼龙网,坐板采

6、用优质网布;2、配置:坐板采用优质海绵,回弹效果好,椅身跟椅架均采用优质电镀五金;3、架子:可承受高达200-300斤,扶手采用优质塑胶一次性成型压制而成。3张d2、心理室2.1、沙盘区1标准版实木心理沙盘1、规格:沙盘:1150mm*720mm*80mm,沙具柜:150Omm*30Omm*98Omm2、1个团体实木沙盘,沙盘含架子整体高度,75Omm。专用三底两面环保漆;底部为蓝色,外部为实木色,表面光滑不伤手、防水、耐磨不掉色。3、2个实木沙具柜,柜体采用5层8阶设计,需要美观又要便于分类摆放选取沙具。4、不少于800个沙具种类:18大类(宗教类、1套I风车、灯塔等标志类、公共标识类、交通

7、工具类、公共建筑类、桥栅栏类、日月等自然物类、贝壳山石类、现实中人物类、空想人物类虚拟人物、恐龙怪兽类、家具、日用品类、水生动物、野生动物类、家禽家畜类、草坪类、植物类、军队类)。5、沙盘游戏书籍1本。6、精选原色水洗砂240公斤,颗粒光滑、大小均匀、高温消毒。7、沙具选取框1套(沙具选取框4个,清理刷4个)2屏风办公桌1、规格:1200*1200*750mm2、台面基材:采用225MM厚Eo级环保刨花板,为L形状设计,表面贴三聚氟胺饰面,游离甲醛释放量排放量达到国家EO级标准,承重力强,稳定性好。3、屏风:屏风铝材采用铝合金型材制作边框,铝材厚度为叁1.2mm,铝材宽度M30rnn,6063

8、-T5标准装饰铝材,白色静电粉末喷涂;结构为:台面上面215Omm高的玻璃带中杆设计,加强稳固性,屏风其他部分为中纤板贴三聚氟胺饰面;走线功能为强弱电分开。4、要求:所有板件均双贴面、隐蔽部位均封闭处理,所有外部封边采用与板件颜色、纹理配套的优质封边带,封边1张I采用22.OMM厚的PVC塑料热溶固体胶高温固封,不易脱落。5、五金件:五金配件采用三节无声道轨,门较,锁具等。6、带主机架、键盘架。3办公椅1、面料:椅子背网采用优质透气尼龙网,坐板采用优质网布;2、配置:坐板采用优质海绵,回弹效果好,椅身跟椅架均采用优质电镀五金;3、架子:可承受高达200-300斤,扶手采用优质塑胶一次性成型压制

9、而成。1张.22、心理个体咨询室4双人沙发1、规格:1500W*850D*830Hmn2、面料:优质西皮,内填充高密度回弹海绵,透气性强,坐感舒适。2张G5长茶几1、规格:1300*700*550mm2、实木框架,桌面El级15mm双贴面三聚氨胺板。带隔板。1张6多功能电动休闲按摩椅1、按摩手法:仿人手揉捏;拍打;推拿;指压;叩击2、特色功能:脚底滚轮;影音功能3、使用者最大体重:100kg4、使用者最高身高:1.95m5、自动按摩程序:疲劳恢复6、按摩部位:脚底按摩;腰臀按摩;腿部按摩;头颈按摩;手臂按摩1张I7、规格参数:产品尺寸长1205mm;宽750mm;高1060mm(5mm)8、额

10、定频率:50Hz9、供电方式:开关电源10、额定电压:220V2.3、心理团队咨询室7月牙组合桌1、规格:800mm*750mm2、面板:218mm厚度优质三聚氤胺板材3、框架:优质冷轧钢,经喷砂除锈,静电喷塑,横梁连接有钢管加固支撑10张8月牙椅1、面板:采用环保型ABS改性塑料一次性注塑成型;2、框架:优质冷轧钢,经喷砂除锈,静电喷塑,横梁连接有钢管加固支撑10个2.4、绘本阅读区9阅览桌椅1、规格:2000*1100*750mm2、含8把椅子。桌子为钢木结构,结实耐用,El级环保板材02套3、劳技室1六边形桌子1、规格:1400*1212*740mm;2、台面:采用12.7mm厚双面膜实

11、芯理化板,且依据GB8624-2012建筑材料及制品燃烧性能分级的检测和验证满足如下参数要求:燃烧性能等级为BI级。(须提供第三方检测机构出具的具有CMA或CNAS认证标识的检测报告并加盖投标人公8张F章。)3、台体颜色:采用整体灰白加蓝色门板的组合,外观新颖。4、台体结构:整个台体采用环保ABS材料一次成型,坚固耐用。5、桌架高度735mm,桌体下部可接触部位均做圆弧状处理,下部呈内凹状给学生预留出足,内部隐藏式钢架一个,增加整体牢固度。够的腿部空间。搭配355三*345mm的上开门综合使用柜。每张桌体都带有长度510mm,高度14Omnb深度265mm的书包斗,书包斗旁边装有新国标七孔插座

12、,隐藏与书包斗右侧方便使用,书包斗的外部设有挂凳口,美观方便,节约收纳空间。2学生凳规格:300*300un一、凳面:1、材质:采用蓝色环保三聚筑胺饰面,优质实木颗粒板25mm厚,抗硬度性能良好,防污染,防损等特点。2、表面防滑不发光。二、脚钢架:1、材质及形状:方形无缝钢管;2、尺寸:20X40X1.2mm;3、全圆满焊接完成,结构牢固,经高温粉体烤漆处理,长时间使用也不会产生表面烤漆剥落现象;4、脚垫材质:采用PP加耐磨纤维质塑料;48条5、凳面可通过旋转螺杆来升降凳子高度,可调高度25CnIo3水槽柜规格:595*400*790mm1、样卯连接结构并合理布局加强筋,安装时不用胶水粘结,使

13、用产品自身力量相互连接,产品不变形,不扭曲;用螺丝固定;2、前门规格:510*365mm,主体壁厚不小于2mm背面设有厚2mm、高度不低于4.5mm的加强筋;3、前门带内凹式塑料扣手,门与整体水柜不用较链连接,直接采用内嵌式组装。柜子整体采用环保型ABS工程塑料注塑成型;4、水槽规格:595*400*30Omm,水槽采用环保型PP材料一次性注塑成型,耐强酸碱80度有机溶剂并耐150度以下高温,壁厚3.5mm;5、侧板规格495*550*30mm,左右侧板一致、主体壁厚不小于2.5mm、背面设有厚2mm、高度不低于5.5mm的加强筋。6个H里*I4教师演示台1、规格:2400*700*850mm

14、;2、台面:采用ei3mm厚优抗板;依据GB/T17657-2013人造板及饰面人造板理化性能试验方法、GB/T18580-2017室内装饰装修材料人造板及制品中甲醛释放量、1张J*三7GB/T39600-2021人造板及制品甲醛释放量分级的检测和验证满足如下参数要求:甲醛释放量为WO.025mg113o(须提供第三方检测机构出具的具有CMA或CNAS认证标识的检测报告并加盖投标人公章。)依据GB/T35607-2017绿色产品评价家具、GB/T3324-2017木家具通用技术条件检测和验证满足如下参数要求:苯、甲苯、二甲苯、总挥发性有机化合物均未检出。(须提供第三方检测机构出具的具有CMA或CNAS认证标识的检测报告并加盖投标人公章。)3、桌身:整体采用1.Omm厚优质冷轧钢板,全部钢制件纳米陶瓷镀膜防锈处理;4、结构:演示台设有储物柜,中间为演示台,设置电源主控系统、多媒体设备(主机、显示器、中控、功放、交换

展开阅读全文
相关资源
猜你喜欢
相关搜索

当前位置:首页 > 建筑/环境 > 环保行业

copyright@ 2008-2023 1wenmi网站版权所有

经营许可证编号:宁ICP备2022001189号-1

本站为文档C2C交易模式,即用户上传的文档直接被用户下载,本站只是中间服务平台,本站所有文档下载所得的收益归上传人(含作者)所有。第壹文秘仅提供信息存储空间,仅对用户上传内容的表现方式做保护处理,对上载内容本身不做任何修改或编辑。若文档所含内容侵犯了您的版权或隐私,请立即通知第壹文秘网,我们立即给予删除!