绿色建筑工程验收记录.docx

上传人:p** 文档编号:435894 上传时间:2023-08-27 格式:DOCX 页数:16 大小:47.63KB
下载 相关 举报
绿色建筑工程验收记录.docx_第1页
第1页 / 共16页
绿色建筑工程验收记录.docx_第2页
第2页 / 共16页
绿色建筑工程验收记录.docx_第3页
第3页 / 共16页
绿色建筑工程验收记录.docx_第4页
第4页 / 共16页
绿色建筑工程验收记录.docx_第5页
第5页 / 共16页
绿色建筑工程验收记录.docx_第6页
第6页 / 共16页
绿色建筑工程验收记录.docx_第7页
第7页 / 共16页
绿色建筑工程验收记录.docx_第8页
第8页 / 共16页
绿色建筑工程验收记录.docx_第9页
第9页 / 共16页
绿色建筑工程验收记录.docx_第10页
第10页 / 共16页
亲,该文档总共16页,到这儿已超出免费预览范围,如果喜欢就下载吧!
资源描述

《绿色建筑工程验收记录.docx》由会员分享,可在线阅读,更多相关《绿色建筑工程验收记录.docx(16页珍藏版)》请在第壹文秘上搜索。

1、附录A绿色建筑工程验收记录表A.0.1绿色建筑工程验收记录表工程名称建设单位设计单位监理单位施工单位分包单位序号专业名称施工单位检查结果设计单位验收情况监理单位验收结论1建筑专业2结构专业3给排水专业4暖通专业5电气专业6景观专业施工单位检查结果项目负责人:(盖章)年月日设计单位验收情况项目负责人:(盖章)年月日监理单位验收结论项目负责人:(盖章)年月日附录B建筑专业部分验收记录B.0.1建筑专业部分验收记录按表B.0.1的规定填写。表B.0.1建筑建筑专业部分验收记录表工程名称建设单位设计单位监理单位施工单位分包单位GB/T50378-2014DBJ51/T009检查情况及相关证明文件本规定

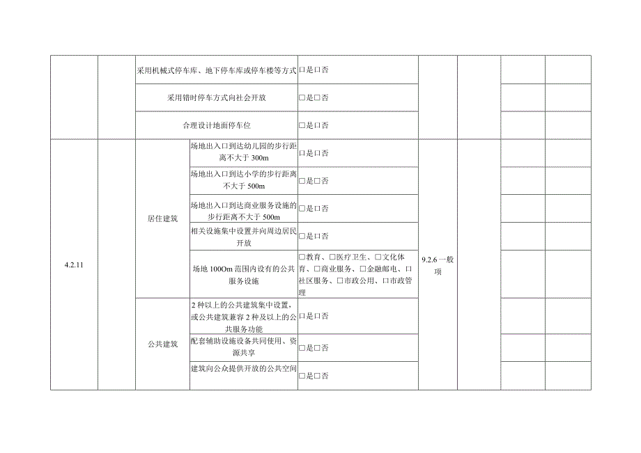
2、条文号审图结论(是否参评)施工、分包单位检查结果建设单位、监理验收意见4.2.4玻璃幕墙可见光反射比检测值9.2.2一般项4.2.5场地环境噪声符合设计要求口是口否9.2.3一般项4.2.8场地出入口到达公共汽车站或轨道交通站的步行距离9.2.4一般项场地出入口步行距离800米范围内的公共交通线路数量有便捷的人行通道联系公共交通站点口是否4.2.9场地内人行通道采用无障碍设计口是口否9.2.5一般项4.2.10自行车停车设施有遮阳防雨措施口是口否9.2.5一般项采用机械式停车库、地下停车库或停车楼等方式口是口否采用错时停车方式向社会开放是否合理设计地面停车位是口否4.2.11居住建筑场地出入口

3、到达幼儿园的步行距离不大于300m口是口否9.2.6一般项场地出入口到达小学的步行距离不大于500m是否场地出入口到达商业服务设施的步行距离不大于500m是口否相关设施集中设置并向周边居民开放是口否场地100Om范围内设有的公共服务设施教育、医疗卫生、文化体育、商业服务、金融邮电、口社区服务、市政公用、口市政管理公共建筑2种以上的公共建筑集中设置,或公共建筑兼容2种及以上的公共服务功能口是口否配套辅助设施设备共同使用、资源共享是否建筑向公众提供开放的公共空间是否室外活动场地错时向周边居民免费开放是否5.2.3外墙、屋面、外窗/幕墙热工性能指标比国家现行相关建筑节能设计标准规定的提高幅度4.2.

4、1一般项供暖空调全年计算负荷降低幅度8.1.1、8.2.1主要功能房间室内噪声设计值主要功能房间室内噪声检测值9.1.1主控项8.1.2、8.2.2外墙空气声计权隔声设计值外墙空气声计权隔声检测值9.1.1主控项分户墙、隔墙的空气声计权隔声设计值分户墙、隔墙的空气声计权隔声检测值楼板的空气声计权隔声设计值楼板的空气声计权隔声检测值楼板的计权标准化撞击声设计值楼板的计权标准化撞击声检测值户门的空气声计权隔声设计值户门的空气声计权隔声检测值外窗的空气声计权隔声设计值外窗的空气声计权隔声检测值8.2.4有声学要求的房间声环境符合专项声学设计是否9.2.1一般项8.1.5建筑围护结构内表面结露符合设计

5、要求口是否4.1.3主控项8.1.6屋顶内表面最高温度计算值屋顶内表面最高温度检测值4.1.4主控项东外墙内表面最高温度计算值东外墙内表面最高温度检测值西外墙内表面最高温度计算值西外墙内表面最高温度检测值8.2.3建筑平面、空间布局合理,没有明显的噪声干扰口是否9.1.1主控项8.2.6居住建筑采光系数标准值居住建筑采光系数检测值9.2.8一般项公共建筑主要功能房间采光系数标准值公共建筑主要功能房间采光系数检测值8.2.7主要功能房间采光系数标准值主要功能房间采光系数检测值9.2.9一般项主要功能房间眩光值标准值主要功能房间眩光值检测值地下空间天然采光设置符合设计要求是否8.2.8外窗和幕墙透

6、明部分中,有可控遮阳设施符合设计要求口是口否4.2.8一般项8.2.10居住建筑房间通风开口面积与房间地板面积比例符合设计要求口是口否9.2.10一般项居住建筑设有明卫口是口否说明施工单位检查结果项目专业技术负责人:(盖章)年月日设计单位验收情况项目专业技术负责人:(盖章)年月B监理单位验收结论专业监理工程师:(盖章)年月日附录C结构专业部分验收记录C.0.1建筑结构专业部分验收记录按表COl的规定填写。表C.0.1建筑结构专业部分验收记录表工程名称建设单位设计单位监理单位施工单位分包单位GB/T50378-2014DBJ51/T009检查情况及相关证明文件本规定条文号审图结论(是否参评)施工

7、、分包单位检查结果建设单位、监理验收意见7.1.2混凝土梁纵向受力普通钢筋全部采用不低于400MPa级的热轧带肋钢筋口是口否4.1.1主控项混凝土柱纵向受力普通钢筋全部采用不低于400MPa级的热轧带肋钢筋是口否7.1.3纯装饰性构件设置符合设计要求口是口否4.1.2主控项7.2.3住宅建筑土建与装修一体化设计符合设计要求口是口否4.2.2一般项公共建筑土建与装修一体化设计符合设计要求是否7.2.4公共建筑中可变换功能的室内空间采用可重复使用的隔断(墙)符合设计要求是口否4.2.3一般项7.2.5采用工业化生产的预制构件用量比例4.2.4一般项7.2.6采用整体化定型设计的厨房口是口否4.2.

8、4一般项采用整体化定型设计的卫浴间是口否7.2.8现浇混凝土全部采用预拌混凝土口是口否4.2.5一般项7.2.9建筑砂浆采用预拌砂浆的比例4.2.5一般项7.2.10混凝土结构400MPa级及以上受力普通钢筋用量的比例4.2.6一般项混凝土结构强度等级在C50及以上混凝土占竖向承重结构中混凝土总量的比例钢结构或混合结构中Q345及以上高强钢材用量的比例7.2.11混凝土结构高耐久性混凝土用量占混凝土总量的比例4.2.6一般项钢结构采用耐候结构钢或耐候型防腐涂料口是口否7.2.12可再利用材料和可再循环材料用量比例4.2.7一般项说明施工单位检查结果项目专业技术负责人:(盖章)年月日设计单位验收

9、情况项目专业技术负责人:(盖章)年月日监理单位验收结论专业监理工程师:(盖章)年月日附录D给排水专业部分验收记录D.0.1建筑给排水专业部分验收记录按表COl的规定填写。表D.0.1给排水专业部分验收记录表工程名称建设单位设计单位监理单位施工单位分包单位GB/T50378-2014DBJ51/T009检查情况及相关证明文件本规定条文号评价结论(是否参评)施工、分包单位检查结果建设单位、监理验收意见6.1.3用水器具等级1级口2级口3级6.1.1主控项6.2.2管网漏损措施是否与设计一致是口否6.2.1一般项6.2.3给水系统减压阀设置是否与设计一致口是口否6.2.2一般项6.2.4计量水表设置

10、是否与设计一致是口否6.2.3一般项6.2.8空调设备或系统节水冷却措施是否与设计一致口是否6.2.4一般项6.2.10非传统水源利用是否与设计一致口是否6.2.5一般项6.2.11冷却水补水是否采用非传统水源口是否6.2.6一般项说明施工单位检查结果项目技术负责人:(盖章)年月0设计单位验收情况项目技术负责人:(盖章)年月H监理单位验收意见监理工程师:(盖章)年月日附录E暖通专业部分验收记录E.0.1建筑暖通专业部分验收记录按表E.0.1的规定填写。表E.0.1暖通专业部分验收记录表工程名称建设单位设计单位监理单位施工单位分包单位GB/T50378-2014DBJ51/T009检查情况及相关

11、证明文件本规定条文号评价结论(是否参评)施工、分包单位检查结果建设单位、监理验收意见8.1.4室内温度是否与设计一致是否5.1.1主控项室内湿度是否与设计一致是口否新风系统是否与设计一致口是口否5.2.4/5.2.5冷(热)源机组能效是否与设计一致是否5.2.1一般项目集中供暖系统热水循环泵的耗电输热比是否与设计一致口是否空调冷热水系统循环水泵的耗电输冷(热)比是否与设计一致口是口否通风空调系统风机的单位风量耗功率是否与设计一致是否5.2.7全空气系统是否采用全新风运行或可调新风比运行是口否5.2.2一般项目5.2.8是否能够实现部分负荷情况下运行口是否5.2.3一般项目5.2.13是否设置经济合理的排风能量回收装置口是否5.2.4一般项目8.2.9是否采用调节方便、可提高人员舒适性的空调末端口是口否5.2.5一般项目5.2.15余热废热系统是否与设计一致口是否8.2.1一般项目

展开阅读全文
相关资源
猜你喜欢
相关搜索

当前位置:首页 > 建筑/环境 > 绿化工程

copyright@ 2008-2023 1wenmi网站版权所有

经营许可证编号:宁ICP备2022001189号-1

本站为文档C2C交易模式,即用户上传的文档直接被用户下载,本站只是中间服务平台,本站所有文档下载所得的收益归上传人(含作者)所有。第壹文秘仅提供信息存储空间,仅对用户上传内容的表现方式做保护处理,对上载内容本身不做任何修改或编辑。若文档所含内容侵犯了您的版权或隐私,请立即通知第壹文秘网,我们立即给予删除!