进料检查抽样标准.docx

上传人:p** 文档编号:436630 上传时间:2023-08-27 格式:DOCX 页数:1 大小:17.16KB
下载 相关 举报
进料检查抽样标准.docx_第1页
第1页 / 共1页
亲,该文档总共1页,全部预览完了,如果喜欢就下载吧!
资源描述

《进料检查抽样标准.docx》由会员分享,可在线阅读,更多相关《进料检查抽样标准.docx(1页珍藏版)》请在第壹文秘上搜索。

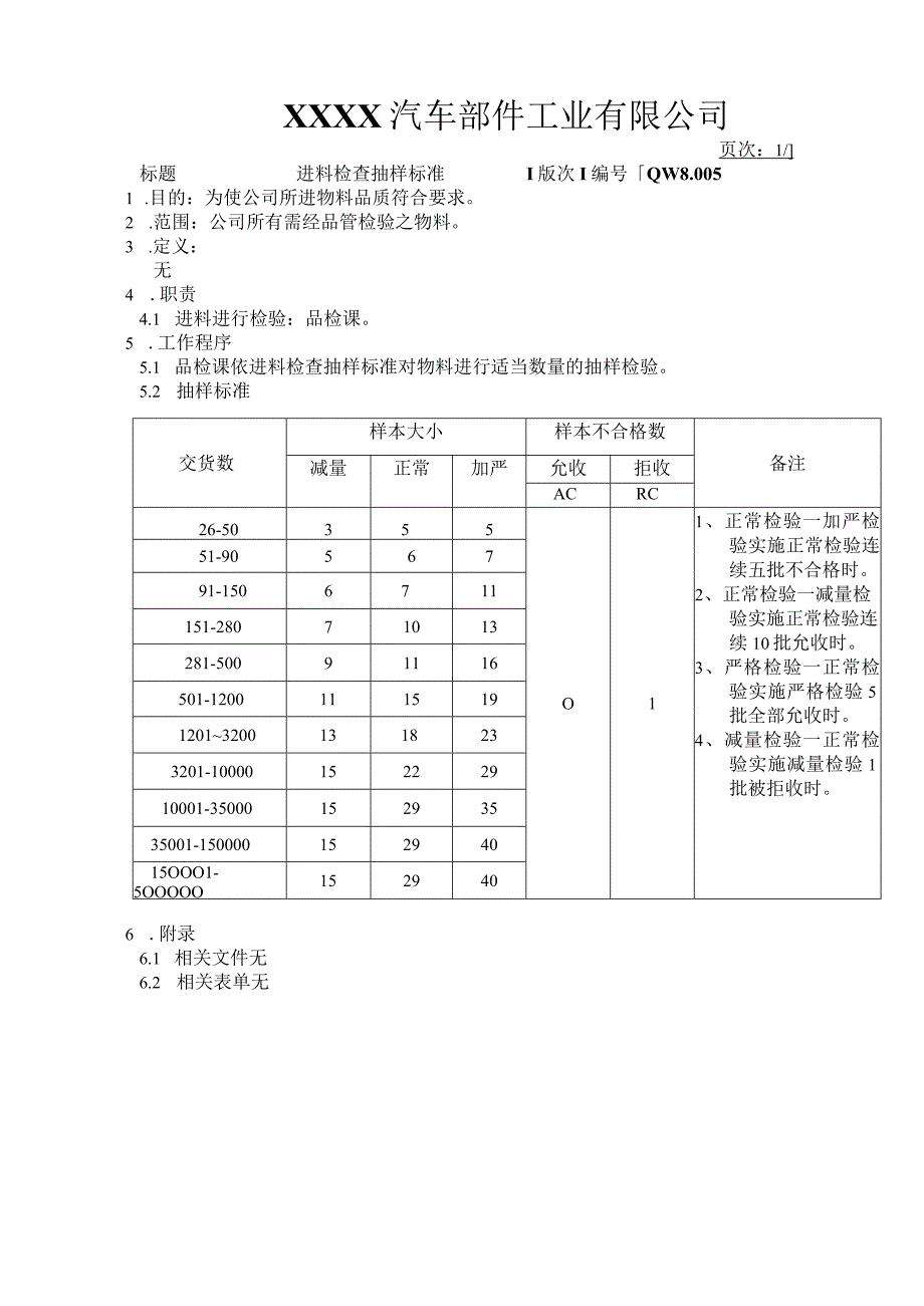
XXXX汽车部件工业有限公司页次:1/标题进料检查抽样标准I版次I编号QW8.0051 .目的:为使公司所进物料品质符合要求。2 .范围:公司所有需经品管检验之物料。3 .定义:无4 .职责4.1 进料进行检验:品检课。5 .工作程序5.1 品检课依进料检查抽样标准对物料进行适当数量的抽样检验。5.2 抽样标准交货数样本大小样本不合格数备注减量正常加严允收拒收ACRC26-50355O11、正常检验一加严检验实施正常检验连续五批不合格时。2、正常检验一减量检验实施正常检验连续10批允收时。3、严格检验一正常检验实施严格检验5批全部允收时。4、减量检验一正常检验实施减量检验1批被拒收时。51-9056791-1506711151-28071013281-50091116501-1200111519120132001318233201-1000015222910001-3500015293535001-15000015294015OOO1-5OOOOO1529406 .附录6.1 相关文件无6.2 相关表单无

展开阅读全文
相关资源
猜你喜欢
相关搜索

当前位置:首页 > 行业资料 > 国内外标准规范

copyright@ 2008-2023 1wenmi网站版权所有

经营许可证编号:宁ICP备2022001189号-1

本站为文档C2C交易模式,即用户上传的文档直接被用户下载,本站只是中间服务平台,本站所有文档下载所得的收益归上传人(含作者)所有。第壹文秘仅提供信息存储空间,仅对用户上传内容的表现方式做保护处理,对上载内容本身不做任何修改或编辑。若文档所含内容侵犯了您的版权或隐私,请立即通知第壹文秘网,我们立即给予删除!