房屋钢结构课程设计.docx

上传人:p** 文档编号:441081 上传时间:2023-08-28 格式:DOCX 页数:4 大小:72.82KB
下载 相关 举报
房屋钢结构课程设计.docx_第1页
第1页 / 共4页
房屋钢结构课程设计.docx_第2页
第2页 / 共4页
房屋钢结构课程设计.docx_第3页
第3页 / 共4页
房屋钢结构课程设计.docx_第4页
第4页 / 共4页
亲,该文档总共4页,全部预览完了,如果喜欢就下载吧!
资源描述

《房屋钢结构课程设计.docx》由会员分享,可在线阅读,更多相关《房屋钢结构课程设计.docx(4页珍藏版)》请在第壹文秘上搜索。

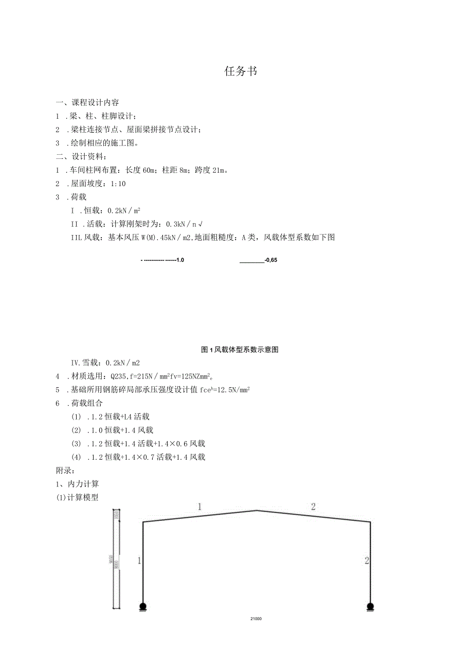
1、任务书一、课程设计内容1 .梁、柱、柱脚设计;2 .梁柱连接节点、屋面梁拼接节点设计;3 .绘制相应的施工图。二、设计资料:1 .车间柱网布置:长度60m;柱距8m;跨度21m。2 .屋面坡度:1:103 .荷载I .恒载:0.2kNm2II .活载:计算刚架时为:0.3kNnIIL风载:基本风压W(M).45kNm2,地面粗糙度:A类,风载体型系数如下图-1.0-0,65图1风载体型系数示意图IV.雪载:0.2kNm24 .材质选用:Q235,f=215Nmm2fv=125NZmm2e5 .基础所用钢筋碎局部承压强度设计值fceh=12.5N/mm26 .荷载组合(1) .1.2恒载+L4活

2、载(2) .1.0恒载+1.4风载(3) .1.2恒载+1.4活载+1.40.6风载(4) .1.2恒载+1.40.7活载+1.4风载附录:1、内力计算(1)计算模型21000图2计算模型示意图(3)计算结果图3恒载作用时的刚架M、N、Q图1.88 3.1430.94三.课程设计应完成的文件和图纸1 .刚架设计计算书2 .设计图纸a.钢架剖面图b.梁、柱剖面图(横截面)c.梁、柱节点及梁端节点图e.结构设计说明参考资料1门式刚架轻型房屋钢结构技术规程(CECS102:2002)钢结构设计法律规范(GB50017-2003)3钢结构高强度螺栓连接的设计施工及验收规程(JGJ82-9I)4建筑钢结构焊接规程(JGJ81-2002)5魏潮文.轻型房屋钢结构应用技术手册.中国建筑工业出版社2004年6钢结构设计手册.中国建筑工业出版社2004年

展开阅读全文
相关资源
猜你喜欢
相关搜索

当前位置:首页 > 办公文档 > 课程设计

copyright@ 2008-2023 1wenmi网站版权所有

经营许可证编号:宁ICP备2022001189号-1

本站为文档C2C交易模式,即用户上传的文档直接被用户下载,本站只是中间服务平台,本站所有文档下载所得的收益归上传人(含作者)所有。第壹文秘仅提供信息存储空间,仅对用户上传内容的表现方式做保护处理,对上载内容本身不做任何修改或编辑。若文档所含内容侵犯了您的版权或隐私,请立即通知第壹文秘网,我们立即给予删除!