XX职业技术学院机械制造及自动化专业《技能考核》试题库.docx

上传人:p** 文档编号:44155 上传时间:2022-12-09 格式:DOCX 页数:3 大小:46.43KB
下载 相关 举报
XX职业技术学院机械制造及自动化专业《技能考核》试题库.docx_第1页
第1页 / 共3页
XX职业技术学院机械制造及自动化专业《技能考核》试题库.docx_第2页
第2页 / 共3页
XX职业技术学院机械制造及自动化专业《技能考核》试题库.docx_第3页
第3页 / 共3页
亲,该文档总共3页,全部预览完了,如果喜欢就下载吧!
资源描述

《XX职业技术学院机械制造及自动化专业《技能考核》试题库.docx》由会员分享,可在线阅读,更多相关《XX职业技术学院机械制造及自动化专业《技能考核》试题库.docx(3页珍藏版)》请在第壹文秘上搜索。

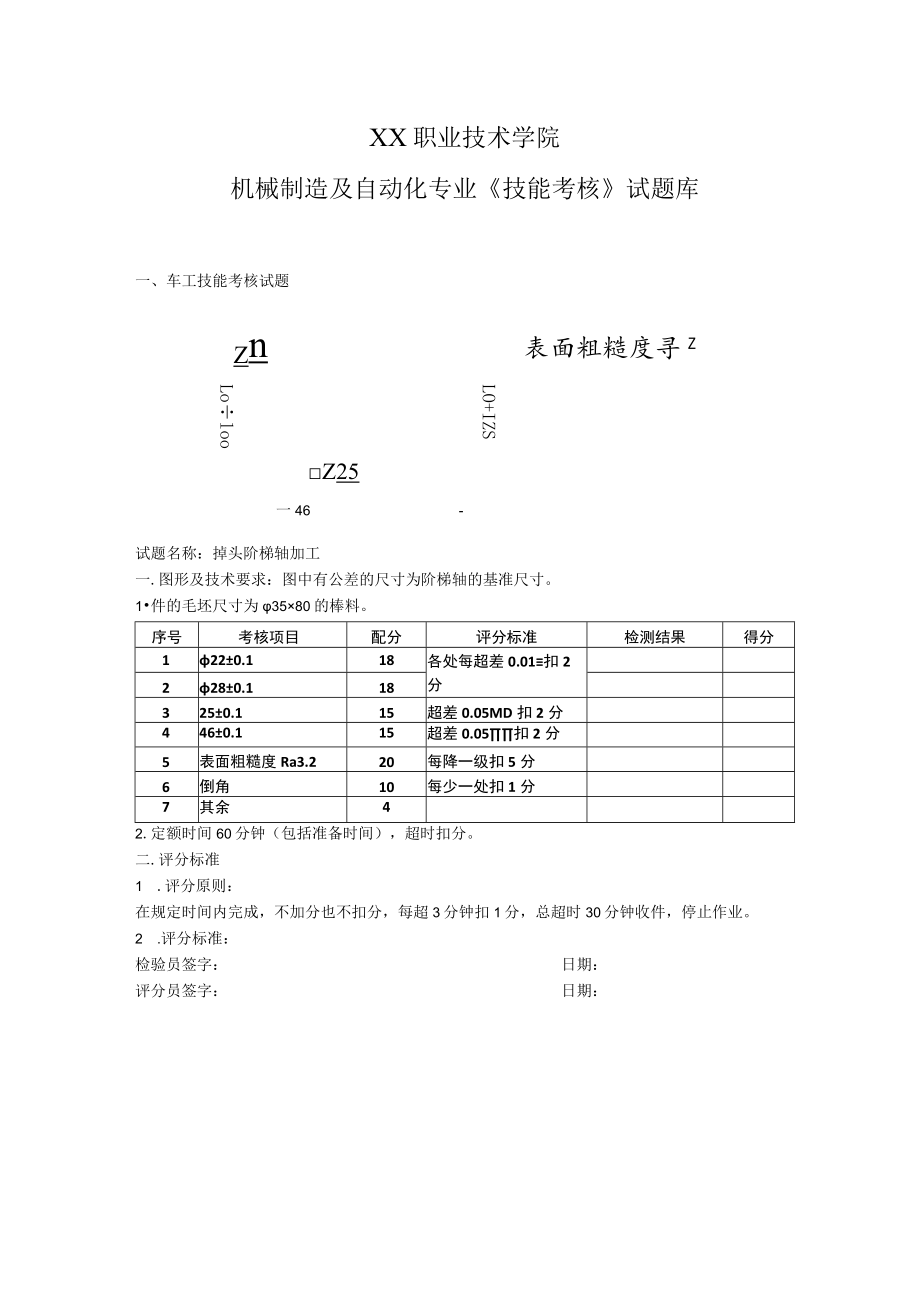
1、XX职业技术学院机械制造及自动化专业技能考核试题库一、车工技能考核试题Zn表面粗糙度寻ZLoloosLO+IZSZ25一46-试题名称:掉头阶梯轴加工一.图形及技术要求:图中有公差的尺寸为阶梯轴的基准尺寸。1件的毛坯尺寸为3580的棒料。序号考核项目配分评分标准检测结果得分1220.118各处每超差0.01扣2分2280.1183250.115超差0.05MD扣2分4460.115超差0.05扣2分5表面粗糙度Ra3.220每降一级扣5分6倒角10每少一处扣1分7其余42.定额时间60分钟(包括准备时间),超时扣分。二.评分标准1 .评分原则:在规定时间内完成,不加分也不扣分,每超3分钟扣1分

2、,总超时30分钟收件,停止作业。2 .评分标准:检验员签字:日期:评分员签字:日期:二、钳工技能考核试题配合面粗糙度RavZ编号:得分:试题名称:L形镶配件一、图形及技术要求1、件I、件Il的毛坯由厚度为6mm的钢板气割而成(必须将气割渣清理干净),件I的毛坯尺寸为40mm40mm;件Il的毛坯为100mm50mm2、由考试者将件I、件Il用锯工锯成相应形状的出坯。3、以件Il的L面为基准将件I作为配件,通过镂配的方式达到技术要求:配合间隙WO.04mm,用O.05mm塞尺不入。(件I端面配合间隙不作为考核范畴)4、定额时间180分钟(包括准备时间),超时扣分。二、评分标准1、评分原则:在规定

3、时间内完成,不加分也不扣分,每超3分钟扣1分,总超30分钟收件,停止作业。2、评分标准:钳工实际操作考试评分表考核项目考核内容及要求配分检测记录评分标准件1、Il划线按要求准备划线工具。2没少1件扣1分能使用划线工具,正确划出基准线。5基准线必须正确,否则无分锯削按安全要求,正确使用台虎钳。3尺寸明显不对,全扣工件夹紧正确。5锯工锯条能正确安装。5锯工姿势正确。5依据划线,锯缝偏移量小于2mm.10配合间隙配合间隙=0.04mm,配合面O.05mm塞尺不入。50没超0.01扣3分配合面粗糙度5有明显锂痕,全扣安全生产按照钳工安全技术操作规程进行考核。10违反一次总分扣2分超时规定时间180分钟,超过30分钟收件。每超3分钟从总分扣1分,最多扣3分得分总计检验员签字:评分员签字:

展开阅读全文
相关资源
猜你喜欢
相关搜索

当前位置:首页 > 资格/认证考试 > 技工类职业技能考试

copyright@ 2008-2023 1wenmi网站版权所有

经营许可证编号:宁ICP备2022001189号-1

本站为文档C2C交易模式,即用户上传的文档直接被用户下载,本站只是中间服务平台,本站所有文档下载所得的收益归上传人(含作者)所有。第壹文秘仅提供信息存储空间,仅对用户上传内容的表现方式做保护处理,对上载内容本身不做任何修改或编辑。若文档所含内容侵犯了您的版权或隐私,请立即通知第壹文秘网,我们立即给予删除!