基坑支护计算.docx

上传人:p** 文档编号:447062 上传时间:2023-08-28 格式:DOCX 页数:8 大小:195.16KB
下载 相关 举报
基坑支护计算.docx_第1页
第1页 / 共8页
基坑支护计算.docx_第2页
第2页 / 共8页
基坑支护计算.docx_第3页
第3页 / 共8页
基坑支护计算.docx_第4页
第4页 / 共8页
基坑支护计算.docx_第5页
第5页 / 共8页
基坑支护计算.docx_第6页
第6页 / 共8页
基坑支护计算.docx_第7页
第7页 / 共8页
基坑支护计算.docx_第8页
第8页 / 共8页
亲,该文档总共8页,全部预览完了,如果喜欢就下载吧!
资源描述

《基坑支护计算.docx》由会员分享,可在线阅读,更多相关《基坑支护计算.docx(8页珍藏版)》请在第壹文秘上搜索。

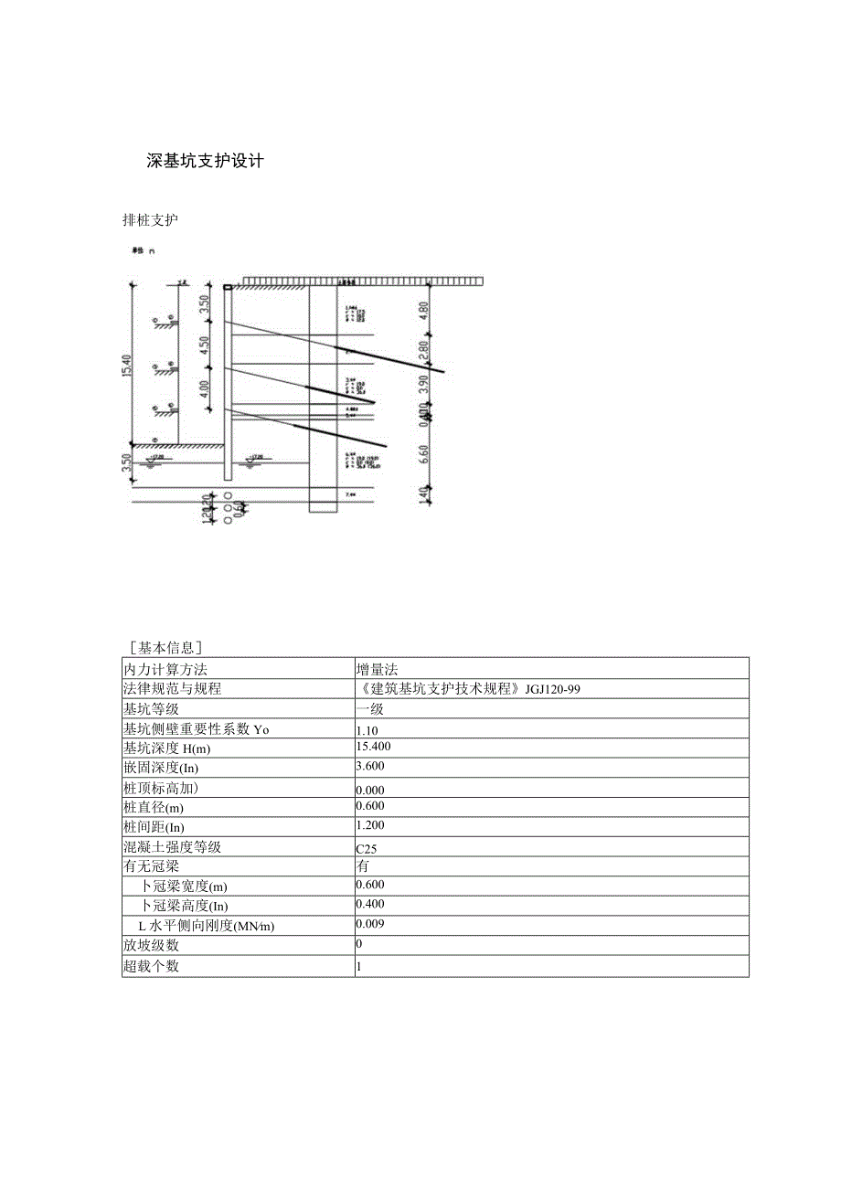
1、深基坑支护设计排桩支护基本信息内力计算方法增量法法律规范与规程建筑基坑支护技术规程JGJ120-99基坑等级一级基坑侧壁重要性系数Yo1.10基坑深度H(m)15.400嵌固深度(In)3.600桩顶标高加)0.000桩直径(m)0.600桩间距(In)1.200混凝土强度等级C25有无冠梁有卜冠梁宽度(m)0.600卜冠梁高度(In)0.400L水平侧向刚度(MNm)0.009放坡级数0超载个数1超载信息超载序号类型超教值(kPa,kNm)作用深度(m)作用宽度(m)距坑边距(m)形式长度(In)1UiUlJr15.OOO0.00020.0001.000土层信息上层数8坑内加固土否内侧降水最

2、终深度Gn)17.200外侧水位深度(m)17.200内侧水位是否随开挖过程变化否弹性法计算方法In法土层参数层号土类名称层厚(m)重度(kNm3)浮重度(kNm3)粘聚力(kPa)内摩擦角(度)1杂填土4.8017.510.0012.002中砂2.8018.00.0034.503砾砂3.9019.00.0036.004粘性上1.1019.488.2015.105中砂0.4019.00.0031.906砾砂6.6019.09.00.0036.007中砂1.4019.59.58砾砂20.0020.010.0层号与锚固体摩擦阻力(kPa)粘聚力水下(kPa)内摩擦角水下(度)水土计算In值(MNm

3、4)抗剪强度(kPa)120.02.68260.020.353120.022.324120.011.875120.017.166120.00.0036.00分算22.327120.00.0033.40分算18.978120.037.4037.40分算27.98支锚信息I支锚道数|3支锚道号支锚类型水平间距(m)竖向间距(m)入射角(。)总长(m)锚固段长度(m)1锚索1.2003.50015.0019.009.502锚索1.2004.50015.0013.006.003锚索1.2004.00015.0014.008.00支锚道号预加力(kN)支锚刚度(MNm)锚固体直径3n)况工号抗拉力(kN

4、)1120.0018.0015021.002120.0018.0015041.003120.0018.0015061.00上压力模型及系数调整弹性法土压力模型:经典法土压力模型:矩形分布“规程”层号土类名称水土水压力调整系数主动土压力调整系数被动土压力调整系数被动土压力最大值(kPa)1杂填土合算1.0001.0001.00010000.0002中砂分算1.0001.0001.00010000.0003砾砂分算1.0001.0001.00010000.0004粘性土分算1.0001.0001.00010000.0005中砂分算1.0001.0001.00010000.0006砾砂分算1.000

5、1.0001.00010000.0007中砂分算1.0001.0001.00010000.0008砾砂分算1.0001.0001.00010000.000设计结果结构计算各工况:工况7三(15,4Om)(-118.95)(172.89)(-136.37)(92.96)(-17.87)(0.86)(0.0)-(0.0)(-160.88)109.31)(-213.66)(214.55)(-157.74)(147.39)(-156.34)(135.38)内力位移包络图:包络图工邦7一开卷(15.40 )-26.46)0.86)(0.00)-(0.00)(-160.88)19928)=1.200,满意法律规范要求。

展开阅读全文
相关资源
猜你喜欢
相关搜索

当前位置:首页 > 建筑/环境 > 设计及方案

copyright@ 2008-2023 1wenmi网站版权所有

经营许可证编号:宁ICP备2022001189号-1

本站为文档C2C交易模式,即用户上传的文档直接被用户下载,本站只是中间服务平台,本站所有文档下载所得的收益归上传人(含作者)所有。第壹文秘仅提供信息存储空间,仅对用户上传内容的表现方式做保护处理,对上载内容本身不做任何修改或编辑。若文档所含内容侵犯了您的版权或隐私,请立即通知第壹文秘网,我们立即给予删除!