挖土机安全技术交底范文.docx

上传人:p** 文档编号:452584 上传时间:2023-08-29 格式:DOCX 页数:4 大小:31.37KB
下载 相关 举报
挖土机安全技术交底范文.docx_第1页
第1页 / 共4页
挖土机安全技术交底范文.docx_第2页
第2页 / 共4页
挖土机安全技术交底范文.docx_第3页
第3页 / 共4页
挖土机安全技术交底范文.docx_第4页
第4页 / 共4页
亲,该文档总共4页,全部预览完了,如果喜欢就下载吧!
资源描述

《挖土机安全技术交底范文.docx》由会员分享,可在线阅读,更多相关《挖土机安全技术交底范文.docx(4页珍藏版)》请在第壹文秘上搜索。

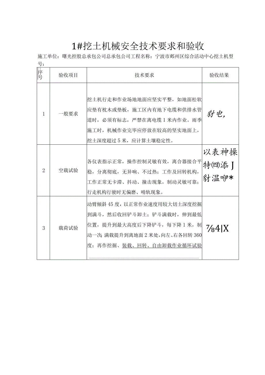
1、1#挖土机械安全技术要求和验收施工单位:曙光控股总承包公司总承包公司工程名称:宁波市邺州区综合活动中心挖土机型号:-序号验收项目技术要求验收结果1一般要求挖土机行走和作业场地地面应坚实平整,如地面松软应垫有枕木或垫板,施工区内有地下电缆和供排水管道时,必须有标志,严禁在离电缆1米内作业。雨季施工时,机械作业完毕应停放在较高的坚实地面上,挖土深度超过5米,应计算土壤稳定性。豺电,2空载试验各仪表指示正常,操作控制灵敏有效,离合器接合平稳,分离彻底,无异响、不过热;工作及回转机构,工作正常无卡滞、抖动、撞击现象,制动灵敏可靠;行走机构行驶时无偏磨、啃轨现象。以表神操特添J豺温咿*3载荷试验动臂倾斜

2、45度,以正常作业速度用较大切土深度挖掘到满斗,然后收回铲斗卸土;铲斗满载时,伸到最低位置,提升到最大高度后下降铲斗,每下降1米,制动一次;满载提升到离地面2米处,向左、右各回转360度;再作挖掘、装载、回转、自由卸载作业循环试验4X验收人员验收结论意见验收日期:挖土机械安全技术要求和验收施工单位:浙江新中源工程名称:杉海创投二氧化碳萃取项目挖土机型号:序号验收项目技术要求验收结果1一般要求挖土机行走和作业场地地面应坚实平整,如地面松软应垫有枕木或垫板,施工区内有地下电缆和供排水管道时,必须有标志,严禁在离电缆1米内作业。雨季施工时,机械作业完毕应停放在较高的坚实地面上,挖土深度超过5米,应计

3、算土壤稳定性。2空载试验各仪表指示正常,操作控制灵敏有效,离合器接合平稳,分离彻底,无异响、不过热;工作及回转机构,工作正常无卡滞、抖动、撞击现象,制动灵敏可靠;行走机构行驶时无偏磨、啃轨现象。3载荷试验动臂倾斜45度,以正常作业速度用较大切土深度挖掘到满斗,然后收回铲斗卸土;铲斗满载时,伸到最低位置,提升到最大高度后下降铲斗,每下降1米,制动一次;满载提升到离地面2米处,向左、右各叵装载、回转、自由卸载于I转360度;再作挖掘、E业循环试验验收结论意见验收人员验收日期:安全生产十项注意事项:一、工作前穿戴好规定的劳动防护品,检查设备及作业场地,做到安全可靠。二、不违章作业,并监督制止他人违章

4、作业。三、不准擅自开动别人操作的机械,电器开关设备。登高作业应戴好安全带、安全帽、并有专人监护、防止坠落,严禁向下乱抛工具和设备零件。四、不准随便拆除各种安全防护装置、信号标志、仪表及专指示器等。保持设备齐全有效灵敏可靠。五、不准随意启动设备。机器设备停机检查或修理时,应切断电源并悬挂警示牌,取牌人应是挂牌人。开机时发出信号,听到回音确定安全后才能开机。六、不准吊装物及下行人。多人操作起重搬运要统一指挥,密切配合。不准超负荷使用机器。七、不在易燃物品附近吸烟动火,不乱扔垃圾。八、不在厂内无证驾驶机动车辆,机动车进出车间转弯必须鸣号减速。车辆行驶中严禁爬上跳下。九、工作时精力集中,不准打闹、赤脚、赤膊、穿拖鞋和高跟鞋。十、上班时间不准怠工、滋事、脱岗或擅离职守。有事请假经领导批准后方可离开岗位。

展开阅读全文
相关资源
猜你喜欢
相关搜索

当前位置:首页 > 中学教育 > 职业教育

copyright@ 2008-2023 1wenmi网站版权所有

经营许可证编号:宁ICP备2022001189号-1

本站为文档C2C交易模式,即用户上传的文档直接被用户下载,本站只是中间服务平台,本站所有文档下载所得的收益归上传人(含作者)所有。第壹文秘仅提供信息存储空间,仅对用户上传内容的表现方式做保护处理,对上载内容本身不做任何修改或编辑。若文档所含内容侵犯了您的版权或隐私,请立即通知第壹文秘网,我们立即给予删除!