热力设备安装工程工程量清单项目及计算规则.docx

上传人:p** 文档编号:455801 上传时间:2023-09-01 格式:DOCX 页数:18 大小:61.01KB
下载 相关 举报
热力设备安装工程工程量清单项目及计算规则.docx_第1页
第1页 / 共18页
热力设备安装工程工程量清单项目及计算规则.docx_第2页
第2页 / 共18页
热力设备安装工程工程量清单项目及计算规则.docx_第3页
第3页 / 共18页
热力设备安装工程工程量清单项目及计算规则.docx_第4页
第4页 / 共18页
热力设备安装工程工程量清单项目及计算规则.docx_第5页
第5页 / 共18页
热力设备安装工程工程量清单项目及计算规则.docx_第6页
第6页 / 共18页
热力设备安装工程工程量清单项目及计算规则.docx_第7页
第7页 / 共18页
热力设备安装工程工程量清单项目及计算规则.docx_第8页
第8页 / 共18页
热力设备安装工程工程量清单项目及计算规则.docx_第9页
第9页 / 共18页
热力设备安装工程工程量清单项目及计算规则.docx_第10页
第10页 / 共18页
亲,该文档总共18页,到这儿已超出免费预览范围,如果喜欢就下载吧!
资源描述

《热力设备安装工程工程量清单项目及计算规则.docx》由会员分享,可在线阅读,更多相关《热力设备安装工程工程量清单项目及计算规则.docx(18页珍藏版)》请在第壹文秘上搜索。

1、热力设备安装工程工程清单项目及计算规则表1中压锅炉本体设备安装。工程量清单项目设置及工程量计算规则,应按表I的规定执行。表1中压锅炉本体设备安装(编码:030301)项目编码项目名称项目特征计量单位工程量计算规则工程内容030301001锅炉本体L结构形式2.蒸汽出率(th)台按设计图示数量计算1 .钢炉架安装2 .汽包安装3 .水冷系统安装4 .过热系统安装5 .省煤器安装6 .空气预热器安装7 .本体管路系统安装8 .本体金属结构安装9 .本体平台扶梯安装10 .炉排及燃烧装置安装11 .除渣装置安装12 .锅炉酸洗13 .锅炉水压试验14 .锅炉风压试验15 .烘炉、煮炉、蒸汽严密性试验

2、及安全门调整16 .本体刷油表2中压锅炉风机安装(编码:030302)项目编码项目名称项目特征计量单位工程量计算规则工程内容030302001送、引风机1 .用途2 .名称3 .型号4 .规格台按设计图示数量计算L本体安装2 .电动机安装3 .附属系统安装4 .平台、扶梯、栏杆制作、安装5 .保温6 .油漆表3中压锅炉除尘装置安装。工程量清单项目设置及工程量计算规则,应按表3的规定执行。表3中压锅炉除尘装置安装(编码:030303)项目编码项目名称项目特征计量单位工程量计算规则工程内容030303001除尘器L名称2 .型号3 .结构形式4 .筒体直径5 .电感面积(m2)台按设计图示数量计算

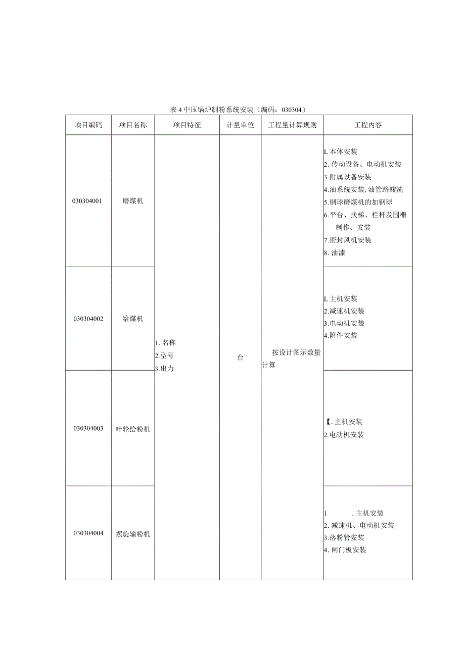
3、1 .本体安装2 .附件安装3 .附属系统安装4 .保温5 .油漆表4中压锅炉制粉系统安装(编码:030304)项目编码项目名称项目特征计量单位工程量计算规则工程内容030304001磨煤机1.名称2.型号3.出力台按设计图示数量计算L本体安装2 .传动设备、电动机安装3 .附属设备安装4 .油系统安装,油管路酸洗5 .钢球磨煤机的加钢球6 .平台、扶梯、栏杆及围栅制作、安装7 .密封风机安装8 .油漆030304002给煤机L主机安装2 .减速机安装3 .电动机安装4 .附件安装030304003叶轮给粉机【.主机安装2.电动机安装030304004螺旋输粉机1 .主机安装2 .减速机、电动

4、机安装3 .落粉管安装4 .闸门板安装表5中压锅炉烟、风、煤管道安装(编码:030305)项目编码项目名称项目特征计量单位工程量计算规则工程内容030305001烟道1.管道断面尺寸2.管壁厚度t按设计图示质量计算1 .管道安装2 .送粉管弯头浇灌防磨凝土3 .风门、挡板安装4 .管道附件安装5 .支吊架制作、安装6 .附属设备安装7 .油漆8 .保温030305002热风道030305003冷风道030305004制粉管道030305005送粉管道030305006原煤管道表6中压锅炉其他辅助设备安装(编码:030306)项目编码项目名称项目特征计量单位工程量计算规则工程内容03030600

5、1扩容器1 .名称、型号2 .出力(规格)3 .结构形式、质量台按设计图示数量计算I.本体安装2 .附件安装3 .支架制作、安装4 .保温030306002排汽消音器1 .本体安装2 .支架制作、安装3 .保温030306003暖风器只1 .本体安装2 .框架制作、安装3 .保温030306004测粉装置L名称、型号2.标尺比例套1.本体安装2.附件安装030306005煤粉分离耀1.结构类型2.直径台L本体安装2 .操作装置安装3 .防爆门及人孔门安装表7中压锅炉炉墙砌筑(编码:030307)项目编码项目名称项目特征计量单位工程量计算规则工程内容030307001敷管式、膜式水冷壁炉墙和框架

6、式炉墙砌筑1 .砌筑材料名称、规格2 .砌筑厚度3 .保温制品名称及保温厚度4 .填塞材料名称m2按设计图示的设备表面尺寸,以面积计算一、炉墙砌筑1.炉底磷酸盐混凝土砌筑2 .炉墙耐火混凝土砌筑3 .炉墙保温混凝土砌筑4 .炉墙矿、岩棉毡、超细棉等制品敷设5 .炉墙密封、抹面6 .炉顶砌筑二、炉墙中局部浇筑1 .耐火混凝土2 .耐火塑料3 .保温混凝土4 .燃烧带敷设三、炉墙耐火材料填塞表8汽轮发电机组本体安装(编码:030308)项目编码项目名称项目特征计量单位工程量计算规则工程内容030308001汽轮发电机组L汽轮机的结构形式、型号2 .机组容量(MW)3 .本体管道质量组按设计图示数量

7、计算一、汽轮机安装1 .本体安装2 .调速系统安装3 .主汽门、联合汽门安装4 .保温5 .油漆二、发电机及励磁机安装1 .本体安装2 .抽真空系统安装3 .发电机整套风压试验三、本体管道安装1 .随本体设备成套供应的系统管道、管件、阀门安装2 .管道系统水压试验3 .油漆4 .保温四、空负荷试运【.危急保安器试运5 .给水泵组试运6 .润滑油系统试运1.真空系统试运5 .汽机汽封系统试运6 .调速系统试运7 .发电机水冷系统试运8 .低压缸喷水试运9 .其他项目试运表9汽轮发电机辅助设备安装(编码:030309)项目编码项目名称项目特征计量单位工程量计算规则工程内容030309001凝汽器I

8、.结构形式2.型号3.冷凝面积台按设计图示数量计算1 .外壳组装2 .铜管安装3 .内部设备安装4 .管件安装5 .附件安装030309002加热器1.结构形式2.型号3.热交换面积1 .本体安装2 .附件安装3 .支架制作、安装4 .保温030309003抽气器1.结构形式2.型号3.规格L本体安装2 .附件安装3 .支吊架制作、安装4 .油漆030309004油箱和油系统设备L名称2 .结构形式3 .型号4 .冷却面积5 .油箱容积表10汽轮发电机附属设备安装(编码:030310)项目编码项目名称项目特征计量单位工程量计算规则工程内容030310001除氧器及水箱1 .结构形式2 .型号3

9、 .水箱容积台按设计图示数量计算L水箱本体及托架安装2 .除氧器本体安装3 .附件安装4 .保温5 .油漆030310002电动给水泵L型号2.功率L本体安装2 .附件安装3 .电动机安装4 .油漆030310003循环水泵030310004凝结水泵030310005机械真空泵030310006循环水泵房入口设备L名称2 .型号3 .功率4尺寸L旋转滤网安装2 .钢闸门安装3 .清污机安装1.附件安装5.油漆表11卸煤设备安装。工程量清单项目设置及工程量计算规则,应按表11的规定执行。表11卸煤设备安装(编码:030311)项目编码项目名称项目特征计量单位工程量计算规则工程内容03031100

10、1抓斗L型号2 .跨度3 .高度4 .起重量台按设计图示数量计算1 .构架安装2 .行走机构安装3 .抓斗安装4 .附件安装5 .平台扶梯制作、安装6 .油漆030311002斗链式卸煤机L型号2 .规格3 .输送量L构架安装2 .行走、传动机构安装3 .斗链安装4 .输送机构安装5 .附件安装6 .平台扶梯制作、安装7.油漆表12煤场机械设备安装。工程量清单项目设置及工程量计算规则,应按表12的规定执行。表12煤场机械设备安装(编码:030312)项目编码项目名称项目特征计量单位工程量计算规则工程内容030312001斗轮堆取料机L型号2.跨度3.高度4.装载量按设计图示数量计算1 .门座架

11、安装2 .行走机构安装3 .皮带机安装4 .取料机构安装5 .液压机构安装6 .油漆030312002门式滚轮堆取料机1 .构架安装2 .转动机构安装3 .输送机安装4 .取料机构安装5 .检修用吊车安装6 .油漆表13碎煤设备安装。工程量清单项目设置及工程量计算规则,应按式13的规定执行。表13碎煤设备安装(编码:030313)项目编码项目名称项目特征计量单位工程量计算规则工程内容030313001反击式碎煤机L型号2.功率台按设计图示数量计算1.本体安装2.电动机安装3.传动部件安装4.油漆030313002锤击式破碎机030313003筛分设备L型号2.规格I.本体安装2.电动机安装3.

12、油漆表14上煤设备安装。工程量清单项目设置及工程量计算规则,应按表14的规定执行。表14上煤设备安装(编码:030314)项目编码项目名称项目特征计量单位工程量计算规则工程内容030314001皮带机1.型号2.长度3.皮带宽度m按设备安装图示长度计算L构架、托转安装2 .头部、尾部安装3 .减速机安装4 .电动机安装5 .拉紧装置安装6 .皮带安装7 .附件安装&扶手、平台9.油漆030314002配仓皮带机1.皮带机安装2.中间构架安装3.附件安装4.油漆030314003输煤转运站落煤设备L型号2.质量套按设计图示数量计算1 .落煤管安装2 .落煤斗安装3 .切换挡板安装4传动装置安装5

13、 .油漆030314004皮带秤1.名称2.型号3.规格台L安装2.油漆030314005机械采样装置及除木器1.本体安装2.减速机安装3.电动机安装4.油漆030314006电动犁式卸料器1.型号2.规格1.犁煤器安装2.落煤斗安装3.电动推杆安装4.油漆030314007电动卸料车L型号2 .规格3 .皮带宽度1 .卸煤车安装2 .减速机安装3 .电动机安装4 .电动推杆安装5 .落煤管安装6 .导煤槽安装7 .扶梯、栏杆制作、安装8 .油漆030314008电磁分离器L型号2 .结构形式3 .规格L本体安装2 .附属设备安装3 .附属构件安装表15水力冲渣、冲灰设备安装。工程量清单项目设置及

展开阅读全文
相关资源
猜你喜欢
相关搜索

当前位置:首页 > 建筑/环境 > 工程造价

copyright@ 2008-2023 1wenmi网站版权所有

经营许可证编号:宁ICP备2022001189号-1

本站为文档C2C交易模式,即用户上传的文档直接被用户下载,本站只是中间服务平台,本站所有文档下载所得的收益归上传人(含作者)所有。第壹文秘仅提供信息存储空间,仅对用户上传内容的表现方式做保护处理,对上载内容本身不做任何修改或编辑。若文档所含内容侵犯了您的版权或隐私,请立即通知第壹文秘网,我们立即给予删除!