艺术中心智能信息系统集成项目工程投标人拥有主要装备和检测设施的情况及现状.docx

上传人:p** 文档编号:456412 上传时间:2023-09-01 格式:DOCX 页数:4 大小:21.78KB
下载 相关 举报
艺术中心智能信息系统集成项目工程投标人拥有主要装备和检测设施的情况及现状.docx_第1页
第1页 / 共4页
艺术中心智能信息系统集成项目工程投标人拥有主要装备和检测设施的情况及现状.docx_第2页
第2页 / 共4页
艺术中心智能信息系统集成项目工程投标人拥有主要装备和检测设施的情况及现状.docx_第3页
第3页 / 共4页
艺术中心智能信息系统集成项目工程投标人拥有主要装备和检测设施的情况及现状.docx_第4页
第4页 / 共4页
亲,该文档总共4页,全部预览完了,如果喜欢就下载吧!
资源描述

《艺术中心智能信息系统集成项目工程投标人拥有主要装备和检测设施的情况及现状.docx》由会员分享,可在线阅读,更多相关《艺术中心智能信息系统集成项目工程投标人拥有主要装备和检测设施的情况及现状.docx(4页珍藏版)》请在第壹文秘上搜索。

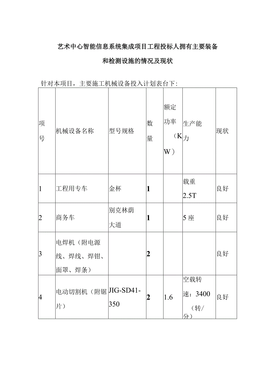
1、艺术中心智能信息系统集成项目工程投标人拥有主要装备和检测设施的情况及现状针对本项目,主要施工机械设备投入计划表台下:项号机械设备名称型号规格数量额定功率(KW)生产能力现状1工程用专车金杯1载重2.5T良好2商务车别克林荫大道15座良好3电焊机(附电源线、焊线、焊钳、面罩、焊条)2良好4电动切割机(附锯片)JIG-SD41-35021.6空载转速:3400(转/分)良好5博世冲击钻GSB16RE30.5速咬0-l,600rpm;每分钟冲击次数:25,600良好6博世手电钻GBM500RE20.5速度;0-2,600rPm良好7普通切割机1良好8气割机(附气源、吹枪、气管)良好10电工用普通组合

2、工具3良好11钢管扣压工具2良好12专业拨线、接线工具1良好13专业查线工具harris1良好15电烙铁2良好16配电箱2良好17弯管弹簧、穿管5良好器18羊角榔头、铁皮剪、管钳、钢锯弓、铿刀5良好19高精度全自动交流稳压器2良好20交流调压器1良好21直流稳压器PS-303D10.13电压可调范围:0-30V;电流可调范围:0-3A良好22照明工具2良好23安全帽、安全带、劳动服装等劳保用品20良好25高低工作梯2良好26角尺、皮尺、钢卷尺1良好27同轴电缆测试仪WaveTek1良好28导通测试仪3005B1良好29电阻测试仪器1良好30场强测试仪1良好31便携式电脑联想昭阳S3101良好32专业标签机MAXPT-3801良好33线号打印机MAX1.M370A1良好34数字力用表Fluke17B1旦壬口里程0.ImVto100OV;最好准确度(1.0%+3字)良好35接地电阻测试仪1良好36绝缘摇表(25B-4)1良好37信号发生器ZSL-GVl001良好

展开阅读全文
相关资源
猜你喜欢
相关搜索

当前位置:首页 > 办公文档 > 事务文书

copyright@ 2008-2023 1wenmi网站版权所有

经营许可证编号:宁ICP备2022001189号-1

本站为文档C2C交易模式,即用户上传的文档直接被用户下载,本站只是中间服务平台,本站所有文档下载所得的收益归上传人(含作者)所有。第壹文秘仅提供信息存储空间,仅对用户上传内容的表现方式做保护处理,对上载内容本身不做任何修改或编辑。若文档所含内容侵犯了您的版权或隐私,请立即通知第壹文秘网,我们立即给予删除!