绿色工业建筑评价权重和条文分值、评分要点、能耗、水资源利用指标的范围、计算和统计方法.docx

上传人:p** 文档编号:458064 上传时间:2023-09-04 格式:DOCX 页数:33 大小:103.96KB
下载 相关 举报
绿色工业建筑评价权重和条文分值、评分要点、能耗、水资源利用指标的范围、计算和统计方法.docx_第1页
第1页 / 共33页
绿色工业建筑评价权重和条文分值、评分要点、能耗、水资源利用指标的范围、计算和统计方法.docx_第2页
第2页 / 共33页
绿色工业建筑评价权重和条文分值、评分要点、能耗、水资源利用指标的范围、计算和统计方法.docx_第3页
第3页 / 共33页
绿色工业建筑评价权重和条文分值、评分要点、能耗、水资源利用指标的范围、计算和统计方法.docx_第4页
第4页 / 共33页
绿色工业建筑评价权重和条文分值、评分要点、能耗、水资源利用指标的范围、计算和统计方法.docx_第5页
第5页 / 共33页
绿色工业建筑评价权重和条文分值、评分要点、能耗、水资源利用指标的范围、计算和统计方法.docx_第6页
第6页 / 共33页
绿色工业建筑评价权重和条文分值、评分要点、能耗、水资源利用指标的范围、计算和统计方法.docx_第7页
第7页 / 共33页
绿色工业建筑评价权重和条文分值、评分要点、能耗、水资源利用指标的范围、计算和统计方法.docx_第8页
第8页 / 共33页
绿色工业建筑评价权重和条文分值、评分要点、能耗、水资源利用指标的范围、计算和统计方法.docx_第9页
第9页 / 共33页
绿色工业建筑评价权重和条文分值、评分要点、能耗、水资源利用指标的范围、计算和统计方法.docx_第10页
第10页 / 共33页
亲,该文档总共33页,到这儿已超出免费预览范围,如果喜欢就下载吧!
资源描述

《绿色工业建筑评价权重和条文分值、评分要点、能耗、水资源利用指标的范围、计算和统计方法.docx》由会员分享,可在线阅读,更多相关《绿色工业建筑评价权重和条文分值、评分要点、能耗、水资源利用指标的范围、计算和统计方法.docx(33页珍藏版)》请在第壹文秘上搜索。

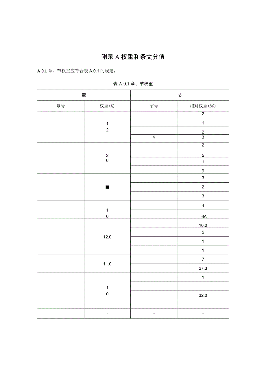
1、附录A权重和条文分值A.0.1章、节权重应符合表A.0.1的规定。表A.0.1章、节权重章节章号权重(%)节号相对权重()1221243262519323104612.010.051111.0727.310132.0一一一A.O.2条文分值应符合表A.0.2的规定。表A.0.2条文分值章节条款必达分章号最高分节号最高分条文号分值范围款号最高分12.0240一一40一一0.740一40一一一2.140一一4一一一40一一一240一一40一一40一一一4.3.40一一一40一一40一40一一一40一一一40一一4.4.60一一*40一一一4.4.80一一一26522.02.0345一一一1520一

2、一5一一章节条款必达分章号最高分节号最高分条文号分值范围款号最高分26215.05L1一一一5O一一一5.2.5O一一一5O一一一5O一一一50.8一一5O一一一51一一一21一一一5O一一一5O一一一5O一一一5.2.15OO一3O一一一5O一一一5O一一一33.051一一一5O一一一5O一一一42.55.4.11.1一一一5.4.2O.6).8一一一5.4.30.6一一一1917.0611112.06111.0212.0章节条款必达分章号最高分节号最高分条文号分值范围款号最高分197.0600一116.1.400一21156.2.10一一6.2.2一一一6.2.30一一6.2.40一一6.

3、2.50一一一6.2.60一一6.2.70一一一6.2.8一一一6.46.3.10一一一6.3.20一一一6.3.3.4一一一6.3.40.6一一一6.3.50一一一6.3.60一一6.3.70.8一一一6.3.80一6.3.90一一6.3.100.8一一一章节条款必达分序号最高分节号最高分条文号分值范围款号最高分71O47.1.10.7-1.2一一一7.1.2O一一一7.1.3O一一一7.1.4O一67.2.1O一一O7.2.2O一一一7.2.3O一一7.2.4O一一一7.2.5O一一一7.2.6O一一一7.2.7O一一O81218.1.1O一一O8.1.2O一一一68.2.1OOO18.2

4、.2OO一O18.2.3O一O1.08.2.4O一一O8.2.50.60.8一一O8.2.6O一一8.2.7O一一一章节条款必达分章号最高分节号最高分条文号分值范围款号最高分1218一一80.8一一28O一一一8O一一一8O一一一18.091一一一91一一91一一一1.0一一191一一一91一一9.1.7一一一391.2一一91.0一一9O一一1O1IrO一一OIO一一OL10.2.1O一一一1一一一1O一一311一一一11.2一一1O一一一31I一一一10.4.20.8一一一11一一一*0.8一一一章节条款必达分章号最高分节号最高分条文号分值范围款号最高分10.010.011.0.20.04

5、.01.0一2311.0.30.06.02.0611.0.40.02.02.011.0.50.02.0一2.0一11.0.60.03.0-3.0-11.0.70.02.0一2.0一11.0.80.02.02.011.0.90.03.0*3.011.0.100.02.02.0注:本标准参评的条文数共计116条,第4章至第10章最高分为100分,笫11章最高附加分附录B评分要点条款阶段评价要点分值4.1.1规划设计阶段申请评价的项目建设时应符合国家现行产业发展、区域发展、工业园区或产业聚集区规划的要求。0.7全面评价阶段同规划设计阶段。项目建设过程中若有改动应提供最终版批复。0.74.1.2规划设

6、计阶段核查项目原始地形图、总平面竣工图、环评报告等,项目选址不在条文所列任一区域。0.7全面评价阶段同规划设计阶段。项目建设过程中若有改动应提供最终版批复,竣工图应与最终批复一致。0.74.1.3规划设计阶段1建设场地未选择在条文中所涉及的8类地区。2建设场地若选在受洪水、潮水或内涝威胁的地带,应有可靠的防洪排涝措施。0.7全面评价阶段同规划设计阶段。现场核查,竣工图应与最终批复一致。0.74.1.4规划设计阶段1近期建设与远期发展结合,并根据实际变化定期或适时调整。0.72在既有建筑更新改造的同时,对总体规划进行局部或全面调整.0.5全面评价阶段同规划设计阶段。并现场核查,项目建设过程中若有

7、改动应提供最终版批复,竣工图应与最终批复一致。同规划设计阶段。4.2.1规划设计阶段项目建设用地符合国家及地方工业项目建设用地控制指标要求。0.7全面评价阶段同规划规划设计阶段。核查项目总图竣工图应与规划部门批准的总图一致。0.74.2.2规划设计阶段1建设场地容积率与建筑密度均不低于现行国家有关标准的规定。基本要求2公用设施统一规划、合理共享。3在满足生产工艺前提下,采用联合厂房、多层建筑、高层建筑、地下建筑或利用地形高差的阶梯式建筑。0.54合理规划建设场地,整合零散空间。0.25具有与13款项相同效果的其他方式。0.1全面评价阶段同规划设计阶段。现场核查。建成项目、竣工图及规划部门批复的

8、总图应相符。同规划设计阶段。注:此条分值范围为0.50.7,根据评分要点累计得分,其中1、2为基本要求,必须满足。若总分不满0.5记为0分,若总分多于0.7记为0.7分;若项目不满足基本要求得0分。4.2.3规划设计阶段1利用农林业生产难以利用的土地或城市废弃地建设。0.72利用废弃的工业厂房、仓库、闲置土地进行建设,受污染土地的治理达到国家现行有关标准的环保要求。0.53利用沟谷、荒地、劣地建设废料场、堆场。0.7全面评价阶段同规划设计阶段。竣工图与规划部门批复的总图应一致。同设计规划阶段。注:此条分值范围为0.50.7,根据评分要点累计得分,若总分多于0.7记为0.7分。4.3.1规划设计

9、阶段1建设场地邻近公路、铁路、码头或空港;2生产原料、废料与产品仓储物流采用社会综合运输体系;3公用动力站房的位置合理,靠近市政基础设施或厂区负荷中心。0.6全面评价阶段同规划设计阶段。核查企业与外部运输记录,总图竣工图等应与规划部门批复一致。0.64.3.2规划设计阶段物流运输与交通组织合理,满足生产要求;物流运行顺畅、线路短捷,减少污染。0.5全面评价阶段同规划设计阶段。并现场核查。总平面竣工图等应与规划部门批复一致。0.54.3.3规划设计阶段1物流仓储利用立体高架方式和信息化管理。0.22结合厂区地势或建筑物高差,采用能耗小的物流运输方式。0.23采用环保节能型物流运输设备与车辆,且具备提供补充能源的配套设施。0.54具有与13款项相同效果的其他方式。0.1全面评价阶段同规划设计阶段。现场核查、总图竣工图等应与规划部门批复的总图一致。同设计规划阶段注:此条分值范围为0.50.7,根据评分要点累计得分,其中1为基本要求,必须满足。若总分不满0.5记为0分,若总分多于0.7记为0.7分。4.3.4规划设计阶段1优先利用公共交通。0.22配置交通运输工具及停放场地。0.23自行车停放场

展开阅读全文
相关资源
猜你喜欢
相关搜索

当前位置:首页 > 行业资料 > 国内外标准规范

copyright@ 2008-2023 1wenmi网站版权所有

经营许可证编号:宁ICP备2022001189号-1

本站为文档C2C交易模式,即用户上传的文档直接被用户下载,本站只是中间服务平台,本站所有文档下载所得的收益归上传人(含作者)所有。第壹文秘仅提供信息存储空间,仅对用户上传内容的表现方式做保护处理,对上载内容本身不做任何修改或编辑。若文档所含内容侵犯了您的版权或隐私,请立即通知第壹文秘网,我们立即给予删除!