植筋技术交底47869.docx

上传人:p** 文档编号:460455 上传时间:2023-09-05 格式:DOCX 页数:6 大小:79.16KB
下载 相关 举报
植筋技术交底47869.docx_第1页
第1页 / 共6页
植筋技术交底47869.docx_第2页
第2页 / 共6页
植筋技术交底47869.docx_第3页
第3页 / 共6页
植筋技术交底47869.docx_第4页
第4页 / 共6页
植筋技术交底47869.docx_第5页
第5页 / 共6页
植筋技术交底47869.docx_第6页
第6页 / 共6页
亲,该文档总共6页,全部预览完了,如果喜欢就下载吧!
资源描述

《植筋技术交底47869.docx》由会员分享,可在线阅读,更多相关《植筋技术交底47869.docx(6页珍藏版)》请在第壹文秘上搜索。

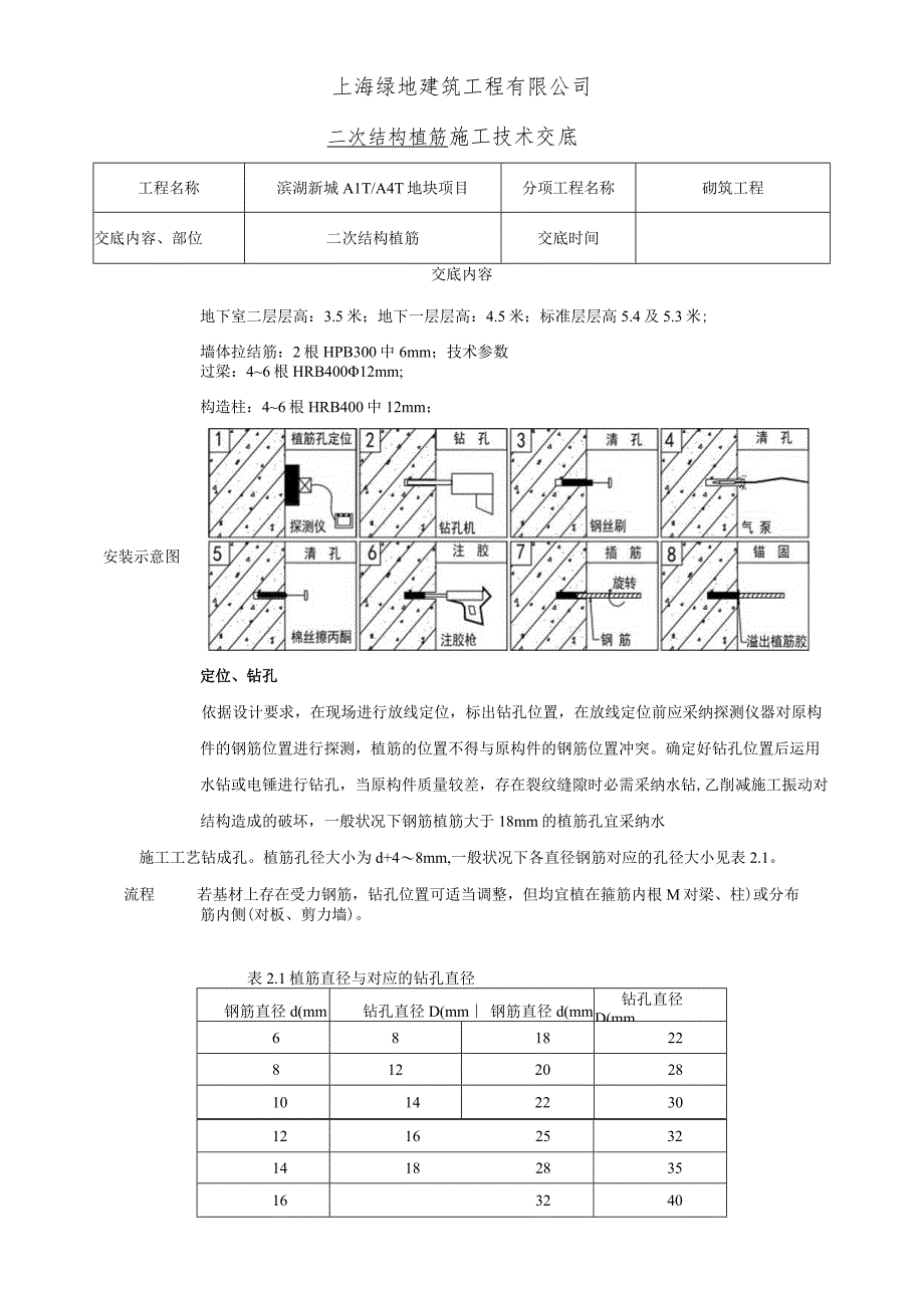
1、上海绿地建筑工程有限公司二次结构植筋施工技术交底工程名称滨湖新城A1T/A4T地块项目分项工程名称砌筑工程交底内容、部位二次结构植筋交底时间交底内容地下室二层层高:3.5米;地下一层层高:4.5米;标准层层高5.4及5.3米;墙体拉结筋:2根HPB300中6mm;技术参数过梁:46根HRB40012mm;构造柱:46根HRB400中12mm;安装示意图定位、钻孔依据设计要求,在现场进行放线定位,标出钻孔位置,在放线定位前应采纳探测仪器对原构件的钢筋位置进行探测,植筋的位置不得与原构件的钢筋位置冲突。确定好钻孔位置后运用水钻或电锤进行钻孔,当原构件质量较差,存在裂纹缝隙时必需采纳水钻,乙削减施工

2、振动对结构造成的破坏,一般状况下钢筋植筋大于18mm的植筋孔宜采纳水施工工艺钻成孔。植筋孔径大小为d+48mm,一般状况下各直径钢筋对应的孔径大小见表2.1。流程若基材上存在受力钢筋,钻孔位置可适当调整,但均宜植在箍筋内根M对梁、柱)或分布筋内侧(对板、剪力墙)。表2.1植筋直径与对应的钻孔直径钢筋直径d(mm钻孔直径D(mm钢筋直径d(mm钻孔直径D(mm6818228122028101422301216253214182835163240植筋孔清理和验收1 .钻孔完成后,将孔四周灰尘清理干净,用气泵、钢丝刷清孔,对重要构件要作到三吹两刷,即吹孔三次、清刷两次。其余构件清孔应依据设计要求进行

3、。清刷完毕后,用棉丝沾丙酮,清刷孔洞内壁,使孔洞内最终达到清洁干燥。2 .如遇成孔部位较潮湿的状况,还须用加热棒,对所成的孔进行干燥处理。3 .清孔后用干净棉丝将清洁过的孔封堵严密,以防有灰尘和异物落入。4 .植筋孔清理完成后,组织相关方进行隐藏验收,并作好验收记录,验收记录见附表一。钢筋除锈1 .植筋用钢筋必需做好除锈清理,采纳磨光机固定钢丝刷对钢筋的除锈部位进行打磨,要求除锈长度大于锚固长度50mm左右。2 .一般没有锈蚀的钢筋,应用角磨机和钢丝刷将除锈清理长度范围内的钢筋表面打磨出光泽,严峻锈蚀的钢筋不能作为植筋运用。3 .若钢筋粘有油污,应用丙酮将其清洗干净。4 .在植筋前再将钢筋打磨

4、好的部分用棉丝沾丙酮擦拭干净。5 .注植筋胶将植筋胶管置入套筒,旋上混合器,然后将套筒置入打胶枪内,将胶枪上的混合喷头伸进孔的底部,扣动扳机,且每一次扣动扳机感觉有明显压力后,一步一步渐渐抽出,药剂添满孔深时,停止扣动扳机。插筋锚固1 .非通孔锚固依据植入深度,在处理好的钢筋除锈端做明显标记,然后插向孔洞,一边插一边向同一方向缓慢旋转,直至到达孔洞底部为止,此时应有锚固胶从孔洞内溢出。2 .通孔锚固将处理好的钢筋插入孔内,孔两端用环氧砂浆封堵,封堵的同时,须在通孔两端预埋气管,一端注胶,另一端排气。将锚固用植筋胶装入打胶筒内,安装打胶嘴。将植筋胶通过注胶管注入孔洞内,直至另一端出气管溢出胶为止

5、,而后将出气管弯折扎紧。施工质量要求质量标准1 .主控项目1.1 钢筋的品种和质量均必需符合设计要求和有关标准规定,进口钢筋需先经过化学成分检验,符合有关规定后方可运用。检查方法:进场验收,复核相关资料,现场取样进行复试。1.2 植筋胶性能必需满意要求。检查方法:进场验收,复核相关资料,现场取样复试,现场样板抗拉拔承载力试验。1.3 植入钢筋锚固的抗拉强度必需满意要求。检查方法:抗拉拔承载力的现场检验检查数量:同规格、同型号、基本相同部位的植筋组成一个检验批。抽取数量按每批植筋总数的1%。计算,且不少于3根。1.4植筋深度要求植筋的植入深度最小值I10*d(见下表)袤2埴筋设计的钢筋型号、孔径

6、和植入深度直径d(mm)沾LDnnZMD儿小0级钢筋JR35Nmm2粘R力特征值KJkN混凝上30懈筋屈SR植人深度人(mm)1012141624S26332.637.910613914IK).4拓.】51.6丽第充分利用17916IK2022252K2225283()323760.062.866.670.243377.31.(:80.(R4.38X.492.35.2)1.3J5.8!*9S.3103.1115.XMS:110.5115.3124.0127.1-f144.715.VS165.4h-2()6J2142583003464285133240钢筋最小理深129.()150.5171.9

7、214.S257.9269.4527404S164.8188.4235/2825329.6376.7421.(1894钢筋埋深-lmm)I(M)1201401no1X02202-U)2602X()Wo350-MM)5(X)60()7SOO900注:最大荷载Re=I.78XRMkNMmm):钢筋屈8R时的植入深度(用于钢筋Jmm):钢筋埋深=孔深检查方法:现场实测2一般项目2.1 植筋孔的位置、直径、孔深和垂直度是否满意要求。检查方法:尺量和检查施工记录、植筋成孔记录2.2 植筋孔是否清理干净检查方法:抽查和检查施工记录2.3 植筋所用钢筋是否除锈,钢筋表面是否打磨出光泽检查方法:现场检查和检查

8、施工记录2.4植筋孔质量要求见表2.4表2.4植筋孔质量要求植筋孔深度允许偏差植筋孔垂直度允许偏差植筋孔位置允许偏差(mm)()(mm)+2055定位的精确性钢筋植筋都是在已有构件上钻孔施工,钻孔时均不得破坏原结构钢筋,所以在钻孔前必需采纳钢筋位置探测仪器对原结构的钢筋位置进行探测。钻孔深度钢筋植筋的钻孔深度干脆影响到植筋质量,所以对植筋孔必需逐一进行检查。孔洞和钢筋清理钢筋植筋的孔洞和钢筋清理是关系到植筋质量的又一重要因素,孔洞和钢筋清理做得不好,会使植入的钢筋和孔壁之间结合不紧密,达不到设计所须要的拉拔力。质量保证措施植筋注胶的密实度植筋阶段,注胶肯定要饱满,注胶少了,胶量不够,植入的钢筋

9、也无法达到设计所须要的拉拔力。所以注胶植筋阶段,负责钢筋植筋的专项工长及班组长必需有人在现场指挥监督,孔内注胶不得少于孔深的2/3,钢筋插至孔底部之后应有多余的胶从孔内溢出。植筋插筋植筋插筋时钢筋应沿着一个方向旋转着插至孔底,以免在孔内产生气体留存,影响植筋质量。成品爱护清孔后用干净棉丝将清洁过的孔封堵严密封堵,以防有灰尘和异物落入对孔造成污染。除锈和清理完的钢筋要放置在干燥的地方,并且对打磨出光泽的钢筋部位进行包扎爱护,以防被污染。对植好的钢筋应做好爱护工作,应保证植筋完后2-3d才允许进行下一步的施工和工序,以防在植筋胶固化时间内钢筋被摇摆或碰撞。钢筋锚固用的植筋胶须要肯定的固化时间,所以

10、,植筋胶固化之前,不得扰动刚刚植好的钢筋。植筋胶运用留意事项将植筋胶管置入套简,旋上混合器,然后将套简置入打胶枪内,扣动扳机。第一、二次挤出来的胶不要运用,因为此时胶可能没有混合匀称。原材料质量限制钢筋植筋胶进场的相关质量保证资料必需齐全留意事项钢筋的品种、级别、规格应符合设计要求及相关标准规定,并有出厂质量证明,按规定做物理力学性能复试。当加工过程中发生脆断等特别状况,还需做化学成分检验。钢筋应平直、无损伤、表面不得有裂纹、油污、颗粒或片状老锈。植筋胶植筋胶必需采纳改性环氧类和改性乙烯基酯类(包括改性氨基甲酸酯)。其钢筋采纳的植筋胶级别按设计要求选用,其性能必需符合下表的规定。表.植筋用胶平

11、安性能检验合格指标性能项目性能要求A级胶B级胶胶体性能劈裂抗拉强度(Mpa)28.527.0抗弯强度Mpa)250240抗压强度(MPa)260约束抖找条C3011.028.5C6017.014.0不挥发物含量(固体含量)()99植筋胶必需通过毒性检验,对完全固化的植筋胶其检验结果应符合无毒卫生等级要求,其挥发性有机化合物含量应满意相关规范要求。植筋胶应具有耐冻融性能试验合格证书,冻融环境温度为-2535C,循环次数不应少于50次,每一次循环时间为8h,试验结束后,试件在常温条件下测得的强度降低百分率A级不应大于10%,B级不应大于15%。丙酮:有产品合格证书和检验报告。机具设备机械:钢筋探测仪器、电锤、水钻、小型气泵、砂轮锯、磨光机工具:毛刷、钢丝刷、气管、胶枪作业条件对植筋操作的工人进行交底、培训,考试合格后方可进行操作施工。大面积植筋前,必需先对不同品牌植筋胶和具有代表性的部位进行样板施工,抗拉拔承载力试验合格后方可进行大面积施工。植筋部位原结构面的缺陷按相关要求进行补强或加固处理完成。特别部位的操作平台搭设完成,并阅历收合格。交底人被交底人

展开阅读全文
相关资源
猜你喜欢
相关搜索

当前位置:首页 > 建筑/环境 > 设计及方案

copyright@ 2008-2023 1wenmi网站版权所有

经营许可证编号:宁ICP备2022001189号-1

本站为文档C2C交易模式,即用户上传的文档直接被用户下载,本站只是中间服务平台,本站所有文档下载所得的收益归上传人(含作者)所有。第壹文秘仅提供信息存储空间,仅对用户上传内容的表现方式做保护处理,对上载内容本身不做任何修改或编辑。若文档所含内容侵犯了您的版权或隐私,请立即通知第壹文秘网,我们立即给予删除!