码头施工方案.docx

上传人:p** 文档编号:463145 上传时间:2023-09-06 格式:DOCX 页数:42 大小:560.11KB
下载 相关 举报
码头施工方案.docx_第1页
第1页 / 共42页
码头施工方案.docx_第2页
第2页 / 共42页
码头施工方案.docx_第3页
第3页 / 共42页
码头施工方案.docx_第4页
第4页 / 共42页
码头施工方案.docx_第5页
第5页 / 共42页
码头施工方案.docx_第6页
第6页 / 共42页
码头施工方案.docx_第7页
第7页 / 共42页
码头施工方案.docx_第8页
第8页 / 共42页
码头施工方案.docx_第9页
第9页 / 共42页
码头施工方案.docx_第10页
第10页 / 共42页
亲,该文档总共42页,到这儿已超出免费预览范围,如果喜欢就下载吧!
资源描述

《码头施工方案.docx》由会员分享,可在线阅读,更多相关《码头施工方案.docx(42页珍藏版)》请在第壹文秘上搜索。

1、码头施工方案9.Ll基槽开挖1 .施工组织安排本工程码头基槽呈“L”型,开挖地质为淤泥、粉质粘土、粗砾砂,基槽按照设计标高需要开挖至-9.5标高,按地质报告本层为粉质粘土。根据施工总体计划,开工后即调遣1条13m3抓斗船配4条500M自航泥驳,按照自东向西的顺序依次进行开挖,挖泥过程中与基槽相接处的泊位部分一并进行施工。2 .主要施工船舶机械设备及施工功效分析(1)主要施工船舶机械设备(见下表)编号名称型号数量备注1挖泥船13m3抓斗1艘2拖轮1670HP1艘3自航泥驳500m34艘4起锚艇300HP1艘5交通艇24HP1艘(2)施工功效分析受天气、海况影响等影响,计划功效按正常功效70%考虑

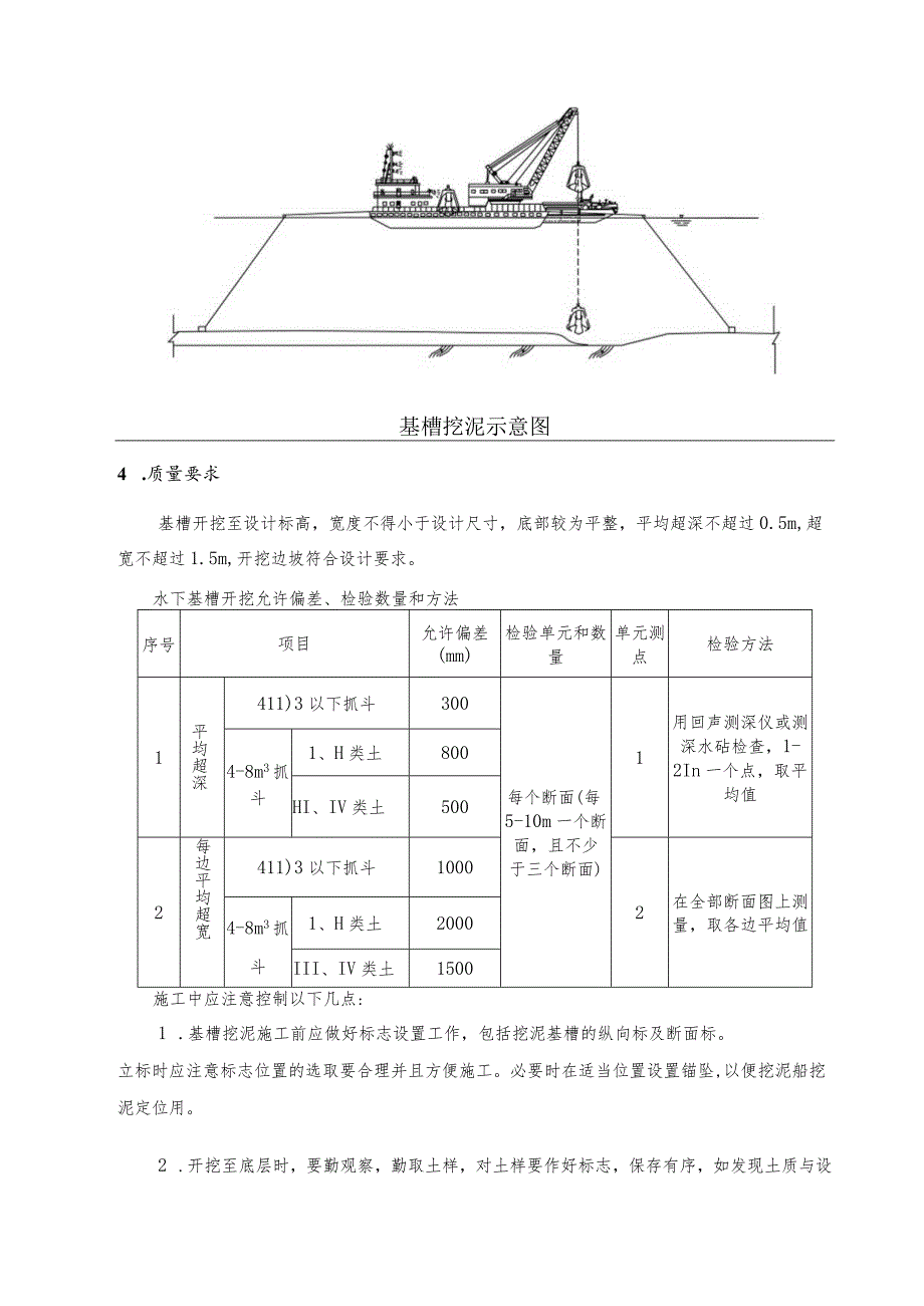
2、,工作量施工主计算工期计划工期数量正常功效计划功效船机(d)(d)4. 6 万 m313m3 抓斗挖泥 1艘船7000 m3 10000/d/d10结论满足施工进度要求3 .施工方法船只八字锚定位后,按施工段分层进行挖泥施工,施工顺序为先边坡后基槽。其施工工艺流程图见附图。施工开始前应进行原泥面测量,并取得监理工程师认可,作为边坡放样和挖泥范围的依据,在勘察现场、对照工程地质勘察报告的基础上,分析各施工段土层的分布情况,最终确定分区、分层大样指导挖泥施工。各区均采用分层分条开挖法,分层厚度控制为2m左右,挖泥依据土质及土层厚度按设计要求放坡,放坡采用阶梯法。挖泥采用实时动态GPS自动定位系统配

3、合,定位精度高,在施工过程中应勤打水,控制挖泥厚度,特别是边坡及斗位联接处,防止超挖。分段开挖的基槽应有足够的搭接长度,防止回淤。挖泥船驻位完毕后,泥驳傍于其侧,按照挖泥船上指示区域进行排抓。排抓时,要注意其合理性,防止倒抓和漏抓现象,相邻船位要压半抓。泥驳装满后,到指定抛泥地点进行抛泥。基槽挖泥示意图4 .质量要求基槽开挖至设计标高,宽度不得小于设计尺寸,底部较为平整,平均超深不超过0.5m,超宽不超过1.5m,开挖边坡符合设计要求。水下基槽开挖允许偏差、检验数量和方法序号项目允许偏差(mm)检验单元和数量单元测点检验方法1平均超深411)3以下抓斗300每个断面(每5-10m一个断面,且不

4、少于三个断面)1用回声测深仪或测深水砧检查,1-2In一个点,取平均值4-8m3抓斗1、H类土800HI、IV类土5002每边平均超宽411)3以下抓斗10002在全部断面图上测量,取各边平均值4-8m3抓斗1、H类土2000III、IV类土1500施工中应注意控制以下几点:1 .基槽挖泥施工前应做好标志设置工作,包括挖泥基槽的纵向标及断面标。立标时应注意标志位置的选取要合理并且方便施工。必要时在适当位置设置锚坠,以便挖泥船挖泥定位用。2 .开挖至底层时,要勤观察,勤取土样,对土样要作好标志,保存有序,如发现土质与设计不符,抓紧汇报,及时会同监理及业主核对土质,必要时请勘察、设计部门参加。3

5、.疏浚的弃土必须按海管区和有关部门要求抛至规定的抛泥区内,严格按国家海洋局管区规定的区域进行抛泥。为确保减少挖泥对周边的污染,促进文明施工,疏浚时尽可能选在涨潮时开挖,减少泥土的扩散流失。同时,在开挖过程中及时通知海管区工作人员对淤泥进行检测,保证无对海域周边的污染。4 .施工中必须填写详细施工记录,包括挖泥船及泥驳注册号,施工位置及泥土类型,挖泥标高,挖泥船装驳时间,泥驳航行,抛填返回到达挖泥船的时间等。5 .基槽开挖后应及时进行基床抛石工序,以防基槽回淤。9.1.2基床抛石、夯实1.施工组织安排本工程基床抛石基床由码头基床、船台基床和直立岸壁基床组成,码头基床厚度为2.5m,基床顶标高-7

6、m,抛石规格为10100kg块石,根据地质资料及规范要求,基床需要分两次进行抛石。待一段基槽开挖验收完成后,及时组织船舶、机械进行人工抛石,石料规格为10100kg块石,石料要求坚硬无风化,不成片状,无严重裂缝,级配良好且饱水抗压度不低于50MPa0根据基槽挖泥标高,确定各分段抛石厚度及是否需要分层抛石。基床夯实采用1艘专业打夯船进行夯实,每施工段基床夯实在基床分层抛石完成后及时按照设计及规范要求夯实,每层计划812夯次。2.主要施工船舶机械设备及施工功效分析(1)主要施工船舶机械设备(见下表)编号名称型号数量1定位方驳100Ot1艘2抛石船80Ot自航甲板驳3艘3拖轮1680HP1兽4专业打

7、夯船150t1艘4起锚艇300HP1艘5挖掘机1.2m33台6装载机ZL503台7交通艇24HP1艘(2)施工功效分析受天气、海况影响等影响,计划功效按正常功效70%考虑,最大工作计算工施工主船机数量正常功效计划功效量期(d)抛石L9万800t自航甲2300m31600m33艘12m3板驳/d/d夯实0.36专业打夯船1艘1100m7d770m7d5万加2穿插作业结论满足施工进度要求计划工期(d)1683.施工方法基床抛石时,抛石船靠驳载点码头,3台ZL50装载机通过装料溜槽给抛石自航驳船装料,然后抛石船运输块石至施工现场,贴靠定位船100ot方驳一侧舷,抛石指挥员现场指挥,驳船上挖掘机对标(

8、并用GPS进行校核)进行抛填。基床夯实采用专业打夯船吊5t夯锤分层夯实施工工艺。夯实前应适当整平,局部高差不大于300mm,分段搭接长度不小于2m,锤重5t,落距5%冲击能采用200KJm2o(1)夯实范围及作业流程基床夯实宽度为设计沉箱两侧底宽两侧及应力扩散线各加宽1m,夯实定位采用GPS控制船位。每施工段基床夯实在基床抛石完成后及时进行作业。(2)施工方法打夯船由拖轮拖至现场后下四颗八字锚缆定位、移船,每个船位作业长度为15m,每个作业船位打夯完成后利用锚缆移动船位,船位采用岸上立标和GPS控制。夯前应进行试夯,确定夯实次数。然后采用纵横向均邻接压半夯,按确定的夯实次数进行夯实,正常情况下

9、八到十二夯次。4.质量要求基床施工中应注意控制以下几点:(1)抛石前,复测基槽断面尺寸有无变化,若有变化,应进行处理;派潜水员下水检查回淤情况,回淤厚度大于30cm时进行清淤。(2)基床抛石要顺流抛填,抛石和移船的方向应与水流方向一致,以免块石漂流到已抛部位而产生超高。(3)基床抛石中做到“三勤”:即勤对标,勤看水位、勤测水深,严格控制抛石尺寸和标高,以免出现漏抛或抛高现象。(4)水下基床抛石允许偏差如下:序号项目允许偏差(Inin)检验单元和数量单元测点检验方法1顶面标高(相当于施工预留夯沉量的标高)+0,-500每个断面(每5IOm一个断面,且不少于三个断面)12m一个点,且不少于三个点用

10、回声测深仪或测深水碓检查(5)夯实前对基床顶面作适当平整,使局部高差不大于30Cnb施工段的夯实搭接长度不少于2m。(6)复夯验收基床顶层夯实完成后,应进行复夯验收,验收合格后,方可进行下一道工序的施工。(7)验收方法:采用原夯锤,原夯击能复打一夯次,用水准仪控制准确测下夯前、夯后的标高值,平均夯沉量不大于30mm。测点的选取:每Im取一个断面,Im一个点。9.1.3基床整平1.施工组织安排基床整平待基床抛石、夯实完成后及时进行施工,基床整平采用60Ot甲板驳作为定位载料船,人工喂料,潜水员水下整平施工工艺,施工分段和施工顺序同基床夯实。安排18名潜水员进行24小时整平作业,每次2名潜水员下水

11、。根据基床厚度,整平基床预留沉降量5-10Cm和1%的施工倒坡。2 .主要施工船舶机械设备及施工功效分析(1)主要施工船舶机械设备(见下表)编号名称型号数量1整平定位船60Ot甲板驳1艘2运料船50Ot自航驳1艘3拖轮1680HP1艘4潜水船40HP1艘5交通艇24HP1艘(2)施工功效分析受天气、海况影响等影响,计划功效按正常功效70%考虑,最大工作计算工期计划工施工潜水员正常功效计划功效量(d)期(期3527m218名200m7d140m2d2530结论满足施工进度要求3 .施工方法整平船下四颗八字锚定位和移船;运料船和潜水船靠整平船的一侧。主要施工工艺如下:方驳定位下整平顺道潜水员水下整

12、平验收、起顺道潜水员水下整平复测顺道(1)下整平顺道整平船平行于直立护岸前沿线方向站位,根据标杆,确定顺道的位置,并通过锚机线缆使整平船一侧舷边缘与顺道边线重合,收紧锚缆后下整平顺道。本段基床在前后沿及中间各下一排顺道,前后沿顺道外出沉箱底趾各50c明顺道采用6108无缝钢管制作,每根顺道长9m整平船定位后,施工人员在整平船上用棕绳系住每根顺道两端,紧贴于施工侧船舷,将顺道放于基床上,潜水员下水,同时,施工人员将测量专用塔尺(塔身用680无缝钢管制作,底托盘直径300Innl,)放于基床上,测量员在陆上架设水准仪进行顺道顶标高测量控制,根据基床实测偏差结果,施工人员在整平船上用棕绳系住砂浆垫块

13、(尺寸为300InnIX30Omnb厚度分别为100mn1、50mm、30mm)及钢板(尺寸为20OmnIX200Innb厚IOlnm)放到水下交给潜水员,潜水员将砂浆垫块及钢板垫在顺道两端支撑板下,用来调平顺道(顺道顶标高偏差控制在10rn以内)。每次下顺道施工作业完毕,统一再复测一遍本次下的顺道顶标高,确认所有顺道顶标高均在允许偏差IOnun以内,潜水员护好顺道后方可上潜水船。(2)整平顺道下完并检测后,进行基床整平。整平时,整平船垂直于直立护岸前沿方向八字锚缆站位,潜水员水下指挥抛填整平用的二片石,在整平运料船上,人工把整平料铲到下料筐内,然后用专用起重架吊铁筐把所需石料下至潜水所要位置

14、,潜水员水下用刮道(由2根10槽钢对焊而成)整平基床。基床整平示意图4 .质量要求(1)采用经纬仪控制下轨道的平面位置,确保整平宽度。(2)下轨道时,采用望远镜放大倍率大于30倍的水准仪,严格控制整平导轨标高,偏差控制在ICm以内。(3)用块石保护好钢轨中点及两端垫块,使其牢固,保证作业中不位移。(4)严格控制填料的粒径和石质含泥量等指标。(5)整平后,尽快安装沉箱,避免基床暴露时间过长,损坏基床。(6)水下基床整平允许偏差如下:整平标准项目允许偏差(mm)检验单元和数量单元测点检验方法极细平顶面标高(相当于施工预留夯沉量的标高)30每个断面(每2m-个断面)23用水准仪测钢轨内侧InI和中线处9.1.4沉箱预制1.施工组织安排本工程预制沉箱12个,长*宽*高=19.3m*12.0m*10.0m,单重1163t沉箱预制分两排进行预制,每排布置6个沉箱。沉箱采用水平分层的施工方法进行施工,每个沉箱分4层进行预制,底层模板1套,标

展开阅读全文
相关资源
猜你喜欢
相关搜索

当前位置:首页 > 建筑/环境 > 设计及方案

copyright@ 2008-2023 1wenmi网站版权所有

经营许可证编号:宁ICP备2022001189号-1

本站为文档C2C交易模式,即用户上传的文档直接被用户下载,本站只是中间服务平台,本站所有文档下载所得的收益归上传人(含作者)所有。第壹文秘仅提供信息存储空间,仅对用户上传内容的表现方式做保护处理,对上载内容本身不做任何修改或编辑。若文档所含内容侵犯了您的版权或隐私,请立即通知第壹文秘网,我们立即给予删除!