研磨机床保养标准.docx

上传人:p** 文档编号:463155 上传时间:2023-09-06 格式:DOCX 页数:22 大小:64.63KB
下载 相关 举报
研磨机床保养标准.docx_第1页
第1页 / 共22页
研磨机床保养标准.docx_第2页
第2页 / 共22页
研磨机床保养标准.docx_第3页
第3页 / 共22页
研磨机床保养标准.docx_第4页
第4页 / 共22页
研磨机床保养标准.docx_第5页
第5页 / 共22页
研磨机床保养标准.docx_第6页
第6页 / 共22页
研磨机床保养标准.docx_第7页
第7页 / 共22页
研磨机床保养标准.docx_第8页
第8页 / 共22页
研磨机床保养标准.docx_第9页
第9页 / 共22页
研磨机床保养标准.docx_第10页
第10页 / 共22页
亲,该文档总共22页,到这儿已超出免费预览范围,如果喜欢就下载吧!
资源描述

《研磨机床保养标准.docx》由会员分享,可在线阅读,更多相关《研磨机床保养标准.docx(22页珍藏版)》请在第壹文秘上搜索。

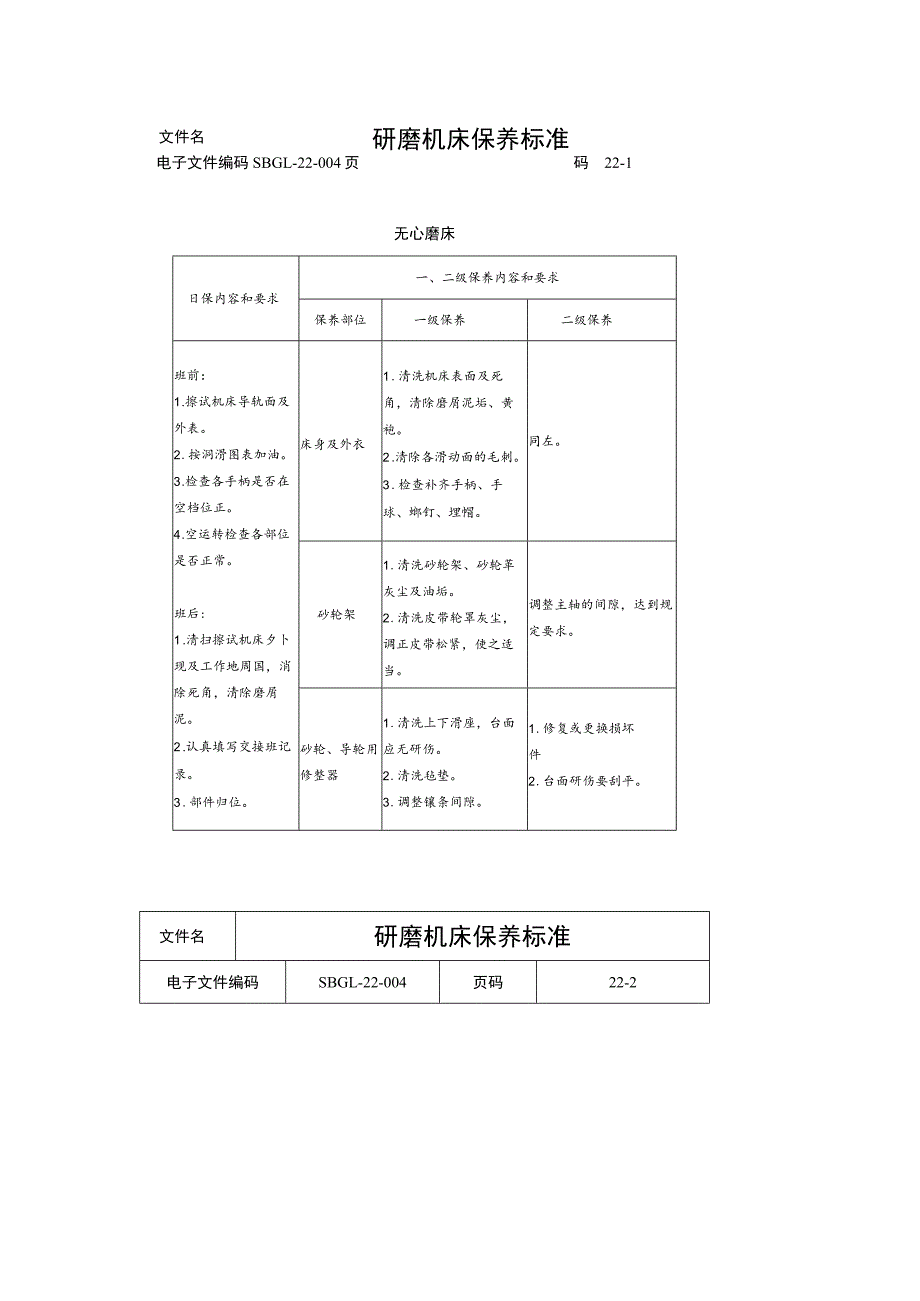
1、文件名研磨机床保养标准电子文件编码SBGL-22-004页码22-1无心磨床日保内容和要求一、二级保养内容和要求保养部位一级保养二级保养班前:1 .擦试机床导轨面及外表。2 .按洞滑图表加油。3 .检查各手柄是否在空档位正。4 .空运转检查各部位是否正常。班后:1 .清扫擦试机床夕卜现及工作地周国,消除死角,清除磨屑泥。2 .认真填写交接班记录。3 .部件归位。床身及外衣1 .清洗机床表面及死角,清除磨屑泥垢、黄袍。2 .清除各滑动面的毛刺。3 .检查补齐手柄、手球、螂钉、埋帽。同左。砂轮架1 .清洗砂轮架、砂轮革灰尘及油垢。2 .清洗皮带轮罩灰尘,调正皮带松紧,使之适当。调整主轴的间隙,达到

2、规定要求。砂轮、导轮用修整器1 .清洗上下滑座,台面应无研伤。2 .清洗毡垫。3 .调整镶条间隙。1 .修复或更换损坏件2 .台面研伤要刮平。文件名研磨机床保养标准电子文件编码SBGL-22-004页码22-2同上液压、润滑、冷却1 .检查油泵压力是否满足要求。2 .检查滤油器,要求无油污及杂质。3 .清洗冷却泵、过滤网及冷却箱,要求无杂物及磨屑泥,换冷却液。4 .检查冷却管,要求管路杨通、接头处无漏水现象。5 .检查贮油池的油位,不得低于油标刻线。6 .清洗油孔、油毡油窗,油路要畅通,油管要牢回。1 .检查油是否变质,结合换油周期进行换油。2 .要求管道不泄漏。电器1 .清扫电机灰尘,保持通

3、风良好。2 .检查电器触点,作到无灰尘及杂质。1 .清理电器盘及各电动机管线,更换轴承油。2 .更换损坏件。精度检查不进行。主要精度进行检查调整。导轮班1 .清洗导轮架、导轮革灰尘及泥垢。2 .回转板应干净,表面无毛刺。3 .调整镶条间隙,使之适当。回转板有研伤应刮平。文件名研磨机床保养标准电子文件编码SBGL-22-004页码22-3外圆及万能磨床日保内容和要求一、二级保养内容和要求保养部位一级保养二级保养班前:1 .擦试机床导轨面及外表。2 .按润滑图表加油。3 .检查各手柄是否在空档位IL4 .空运转检查各部位是否正常。班后:1 .清扫擦试机床外观及工作地周因,消除死角,清除磨屑泥。2

4、.认真填写交接班记录。3 .部件归位。床身及外表1 .清洗机床表面及死角,清除磨屑泥垢黄袍。2 .清除各滑动面的毛札3 .检查补齐手柄、手球、蟀钉、螺帽。同左。床头箱1 .打开皮带防护革擦拭灰尘及油垢。2 .调整皮带松紧,使之适当。3 .检查油位是否保持在油标线上。1 .清洗床头箱,更换润滑油。2 .调接主轴间隙。3 .检查调整床头箱与尾架的同心度。工作台1 .台面应干净.表面无毛刺。2 .检查和紧固工作台活塞杆支架。3 .挂块压紧时,要牢固可靠,否则要修复或更换。4 .手动机构的手轮、手柄要齐全,无松动现象。1 .修复或更换损坏件。2 .拆卸工作台,要求导轨面无锈污、无研伤。文件名研磨机床保

5、养标准电子文件编码SBGL-22-004页码22-4同上砂轮架及内圆磨具1 .清洗砂轮架、砂轮革灰尘及油垢。2 .调整皮带松紧使之适当。3 .检查油位是否在油标线上。1 .调整砂轮主轴的间隙达到规定要求。2 .调整主轴轴向间隙,达到规定要求。3 .检查油质、更换润滑油。尾座】.清洗尾座、套筒锥孔和表面、如有研伤应刮平。2.尾座控制阀踏板应灵活可靠.手柄应齐全。1 .检查尾座精度及等高是否符合出厂标准,不符应修复。2 .修复或更换损坏件。横进刀机构1 .检查手柄有无松动。2 .手动进给要灵活,检查空转量是否适当。1.空转量大要进行修复。2.修换坏损件。液压、润滑、冷却1 .检查油箱油质滤油网,清

6、除污物并清洗,做到油位符合标准、油质合格C2 .检查油孔、油管、i毡,油路要畅通,油管要牢固。油窗要明亮。3 .拆洗冷却泵及过滤网,及时更换冷却液,要求无杂物磨屑泥。4 .检查冷却管,要求管道畅通,接头处无漏水现象。5 .调分油压表的压力达到液压传动的要求。1 .检查各滑阀有无研损,修复及更换已损件。2 .要求各种管道无泄漏。文件名研磨机床保养标准电子文件编码SBGL-22-004页码22-5同上电器部分1 .擦试电器箱外表及内部做到无油污。2 .电工检查擦试电器原件及触点,做到无灰尘,线路安全可靠。1 .清理配电盘及各电动机的管线,更换电工洞滑脂。2 .更换损坏件。精度检查不进行。恢复和调整

7、不能满足工艺要求的精度。文件名研磨机床保养标准电子文件编码SBGL-22-004页码22-6内圆磨床日保内容和要求一、二级保养内容和要求保养部位一级保养二级保养班前:1 .擦净机床导轨面及外表。2 .按润滑图表加油。3 .检查各手柄是否在空挡位置。4 .空运转检查各部位是否正常。班后:1 .清扫擦试机床外观及工作地周国,消除死角,清除磨屑泥。2 .认真填写交接班记录。3 .部件归位。床磨及外表1 .清洗机床表面及死角,清除磨屑泥垢黄袍。2 .清除各滑动面的毛刺。3 .检查补齐手柄、手球,螂钉、螺帽。同左。砂轮架及床头清洗砂轮架,床头的皮带革壳,检查皮带松紧是否适当。根据磨损情况修复或更换损坏件

8、。工作台1 .台面应干净,表面无毛刺。2 .检查和紧固活塞杆支架。3 .撞块压紧时要牢固可靠,否则要修复。4 .进给手轮手柄要齐全,无松动现象。1 .修复或更换损坏件。2 .拆卸工作台,要求导轨面无锈污、无研伤。文件名研磨机床保养标准电子文件编码SBGL-22-004页码22-7同上液压、润滑、冷却1 .清洗油泵,过滤器.检查液压系统,保证运行正常。2 .清洗冷却泵,过滤网及冷却箱,要求无杂物,及时更换冷却液。3 .检查冷却管,要求管道畅通,接头无漏水现象。4 .检查油质,保持良好,清洗油孔、油管、油&,油路要畅通,油管要牢固,油窗要明亮1 .检查各阀体有无研损,根据磨损情况进行修复及换新。2

9、 .修复泄漏部位。电器1 .清扫电机灰尘,保持通风良好。2 .清扫电器箱,检查电器触点,做到无灰尘及杂质。1 .清理电器盘及各电动机管线,更换轴承油。2 .更换损坏件。文件名研磨机床保养标准电子文件编码SBGL-22-004页码22-8平面磨床日保内容和要求一、二级保养内容和要求保养部位一级保养二级保养班前:】.擦净机床导轨面及外表。2 .按洞滑图表如油。3 .检查各手柄是否在空挡位正。,1.空运转检查各部位是否正常。班后:1 .清扫擦试机床外观及工作地周围,消除死角,清除磨屑泥。2 .认真填写交接班。3 .各部归位。床磨及外表1 .清洗机床表面及死角,清除磨屑泥垢、黄袍。2 .清除各滑动面的

10、毛刺。3 .检查补齐手柄、手球、螂钉、螺帽。同左。砂轮座1 .清洗砂轮架、砂轮罩灰尘及油垢。2 .检查油位是否在油标线上。3 .检查手动机构,手轮有无松动现象。1 .检查油质,更换润滑油。2 .消除各滑动面的研伤。升降机构、横进刀机构1 .手动进给要灵活,空转量要适当。2 .挂块压紧时要牢固可靠,否则要修换。1 .修复或更换损坏件。2 .空转量大时,妥修复。文件名研磨机床保养标准电子文件编码SBGL-22-004页码22-9同上工作台1 .台面应干净,表面无毛刺。2 .检查磁力工作台的吸气。3 .撞块压紧时,要牢固可靠,否则要修复或更换。1 .修复或更换损坏件。2 .拆卸工作台,要求导轨面无锈

11、污、无研伤。3 .电磁台面装拆后,必须磨削电磁台面,以保证加工精度。液压、润滑、冷却1 .清洗滤油器,要求无油污及杂质。2 .检查油位是否在刻线上,低于刻线应及时加油。3 .调整油压表的压力,达到液压传动的要求。4 .检查油孔、油管、油毡,油路要畅通,油管要牢固,油窗要明亮。5 .清洗冷却泵、过滤网及冷却液,要求无杂物、铁屑,及时更换冷却液。6 .检查冷却管,要求管道畅通,接头处无漏水现象。1 .检查油是否变质,结合换油周期进行换油。2 .检查各滑阀,更换损件。3 .要求各种管道不泄漏。电器1 .清扫电机灰尘,保持通风良好。2 .清理电器灰尘,检查各接触点。1 .清理电器盘及各电动机管线,更换

12、涧滑脂。2 .更换损坏件。精度检查不进行。主要精度进行。文件名研磨机床保养标准电子文件编码SBGL-22-004页码22-10工具磨床日保内容和要求一、二级保养内容和要求保养部位一级保养二级保养班前:1 .擦拭机床导轨面及外表。2 .按润滑图表加油。3 .检查手柄是否在空挡位置.4 .空运转检查各部位是否正常。班后:1 .清扫擦试机床外观及工作地周囤,消除死角,清除磨屑泥。2 .认真填写交接班记录。3 .部件归位。床身及外表1 .清洗机床表面及死角、清除磨屑泥垢黄袍。2 .清除各滑动面的毛刺。3 .检查补齐手柄螺钉螺帼。同左。磨头箱1 .打开皮带防护革,擦拭灰尘及泥垢。2 .调整皮带松紧使之适

13、当。检查调正磨头间隙。纵横进给升降机构1 .清洗检查导轨面.要求无泥污、无毛刺。2 .检查进给是否更活.丝杠空转量是否适当。1 .拆卸工作台,检查另件磨损情况、进行修复。2 .修刮研伤导轨面。液压、润滑、冷却】.检查油质,保持良好。2 .检查油孔、油管、油毡、油路要畅通.油管要牢固,油窗要明东3 .清洗那却泵、过滤网及冷却箱、要求无杂物、及时更换冷却液。1.检查冷却管、要求管道杨通,接头处无漏水现象。1 .检查各网体有无研损。根据磨损情况,进行修复2 .修复猫漏部位。电器1 .清扫电机灰尘,保持通风良好。2 .清扫电器箱.检查电器触点,作到无灰尘及杂质。】.清理电器盘及各电动机管线.更换轴承油

14、。2.更换损坏件C文件名研磨机床保养标准电子文件编码SBGL-22-004页码22-11导轨磨床日保内容和要求一、二级保养内容和要求保养部位一级保养二级保养班前:1 .擦净机床导轨面及外表。2 .按涧滑图表加油。3 .检查各手柄是否在空挡位优。4 .空运转检查各部位是否正常。班后:1 .清扫擦试机床外观及工作地周国,消除死角,清除磨屑泥。2 .认真填写交接班记录。3 .部件归位。床身及外表1 .清洗机床表面及死角,要求无油污及黄袍。2 .检查补齐手柄、手球、螺钉、螺帽同左。防护部分1 .拆卸吸尘器上盖,打扫箱内的尘屑。2 .拆各防尘罩及有关盖板,擦拭清理干净,无油污,无尘屑。同左。磨头架1 .检查导轨面有无特刺。2 .检查砂轮架轴向间隙是否合适。1 .拆卸、清洗、调整磨头

展开阅读全文
相关资源
猜你喜欢
相关搜索

当前位置:首页 > 汽车/机械/制造 > 机械理论及资料

copyright@ 2008-2023 1wenmi网站版权所有

经营许可证编号:宁ICP备2022001189号-1

本站为文档C2C交易模式,即用户上传的文档直接被用户下载,本站只是中间服务平台,本站所有文档下载所得的收益归上传人(含作者)所有。第壹文秘仅提供信息存储空间,仅对用户上传内容的表现方式做保护处理,对上载内容本身不做任何修改或编辑。若文档所含内容侵犯了您的版权或隐私,请立即通知第壹文秘网,我们立即给予删除!