PLC基本技能实操——实训三 数码显示控制.docx

上传人:p** 文档编号:469335 上传时间:2023-09-09 格式:DOCX 页数:4 大小:64.64KB
下载 相关 举报
PLC基本技能实操——实训三 数码显示控制.docx_第1页
第1页 / 共4页
PLC基本技能实操——实训三 数码显示控制.docx_第2页
第2页 / 共4页
PLC基本技能实操——实训三 数码显示控制.docx_第3页
第3页 / 共4页
PLC基本技能实操——实训三 数码显示控制.docx_第4页
第4页 / 共4页
亲,该文档总共4页,全部预览完了,如果喜欢就下载吧!
资源描述

《PLC基本技能实操——实训三 数码显示控制.docx》由会员分享,可在线阅读,更多相关《PLC基本技能实操——实训三 数码显示控制.docx(4页珍藏版)》请在第壹文秘上搜索。

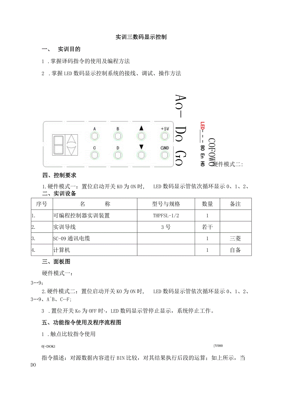
1、实训三数码显示控制一、实训目的1 .掌握译码指令的使用及编程方法硬件模式二:2 .掌握LED数码显示控制系统的接线、调试、操作方法四、控制要求COFOWOLED- - - BO En HOAo- Do Go 一1.硬件模式一:置位启动开关KO为ON时,LED数码显示管依次循环显示0、1、2、序号名称型号与规格数量备注1.可编程控制器实训装置THPFSL-1/212.实训导线3号若干3.SC-09通讯电缆1三菱4.计算机1自备二、实训设备三、面板图硬件模式一:39;2.硬件模式二:置位启动开关KO为ON时,LED数码显示管依次循环显示0、1、2、39、AB、CF;3 .置位开关Ko为OFF时,L

2、ED数码显示管停止显示,系统停止工作。五、功能指令使用及程序流程图Y0001 .触点比较指令使用0=DOKl指令描述:对源数据内容进行BIN比较,对其结果执行后段的运算;如上所示,当DO中的数据“等于常数KI时,则Yo输出状态“1”。2 .程序流程图启动六、端口分配及接线图1.I/O端口分配功能表序号PLC地址(PLC端子)电气符号(面板端子)功能说明1.XOOKO启动/停止2.YOOA数码控制端子A3.YOlB数码控制端子B4.Y02C数码控制端子C5.Y03D数码控制端子D6.Y04E数码控制端子E(硬件模式二)7.Y05F数码控制端子F(硬件模式二)8.Y06G数码控制端子G(硬件模式二)9.Y07H数码控制端子H(硬件模式二)10.主机COM0、COMkCOM2等接电源GND电源端2.控制接线图Yoo忡Y02YG3JId同砥法译码电路AB点:亮E电七、操作步骤1 .按控制接线图连接控制回路;2 .将编译无误的控制程序下载至PLC中,并将模式选择开关拨至RUN状态;3 .分别拨动启动开关KO,观察并记录LED数码管显示状态;4 .尝试编译新的控制程序,实现不同于示例程序的控制效果。八、实训总结1 .尝试分析整套系统的工作过程;2 .尝试用其他不同于示例程序所用的指令编译新程序,实现新的控制过程。

展开阅读全文
相关资源
猜你喜欢
相关搜索

当前位置:首页 > 高等教育 > 大学课件

copyright@ 2008-2023 1wenmi网站版权所有

经营许可证编号:宁ICP备2022001189号-1

本站为文档C2C交易模式,即用户上传的文档直接被用户下载,本站只是中间服务平台,本站所有文档下载所得的收益归上传人(含作者)所有。第壹文秘仅提供信息存储空间,仅对用户上传内容的表现方式做保护处理,对上载内容本身不做任何修改或编辑。若文档所含内容侵犯了您的版权或隐私,请立即通知第壹文秘网,我们立即给予删除!