PLC基本技能实操——实训五 音乐喷泉控制.docx

上传人:p** 文档编号:469344 上传时间:2023-09-09 格式:DOCX 页数:3 大小:59.44KB
下载 相关 举报
PLC基本技能实操——实训五 音乐喷泉控制.docx_第1页
第1页 / 共3页
PLC基本技能实操——实训五 音乐喷泉控制.docx_第2页
第2页 / 共3页
PLC基本技能实操——实训五 音乐喷泉控制.docx_第3页
第3页 / 共3页
亲,该文档总共3页,全部预览完了,如果喜欢就下载吧!
资源描述

《PLC基本技能实操——实训五 音乐喷泉控制.docx》由会员分享,可在线阅读,更多相关《PLC基本技能实操——实训五 音乐喷泉控制.docx(3页珍藏版)》请在第壹文秘上搜索。

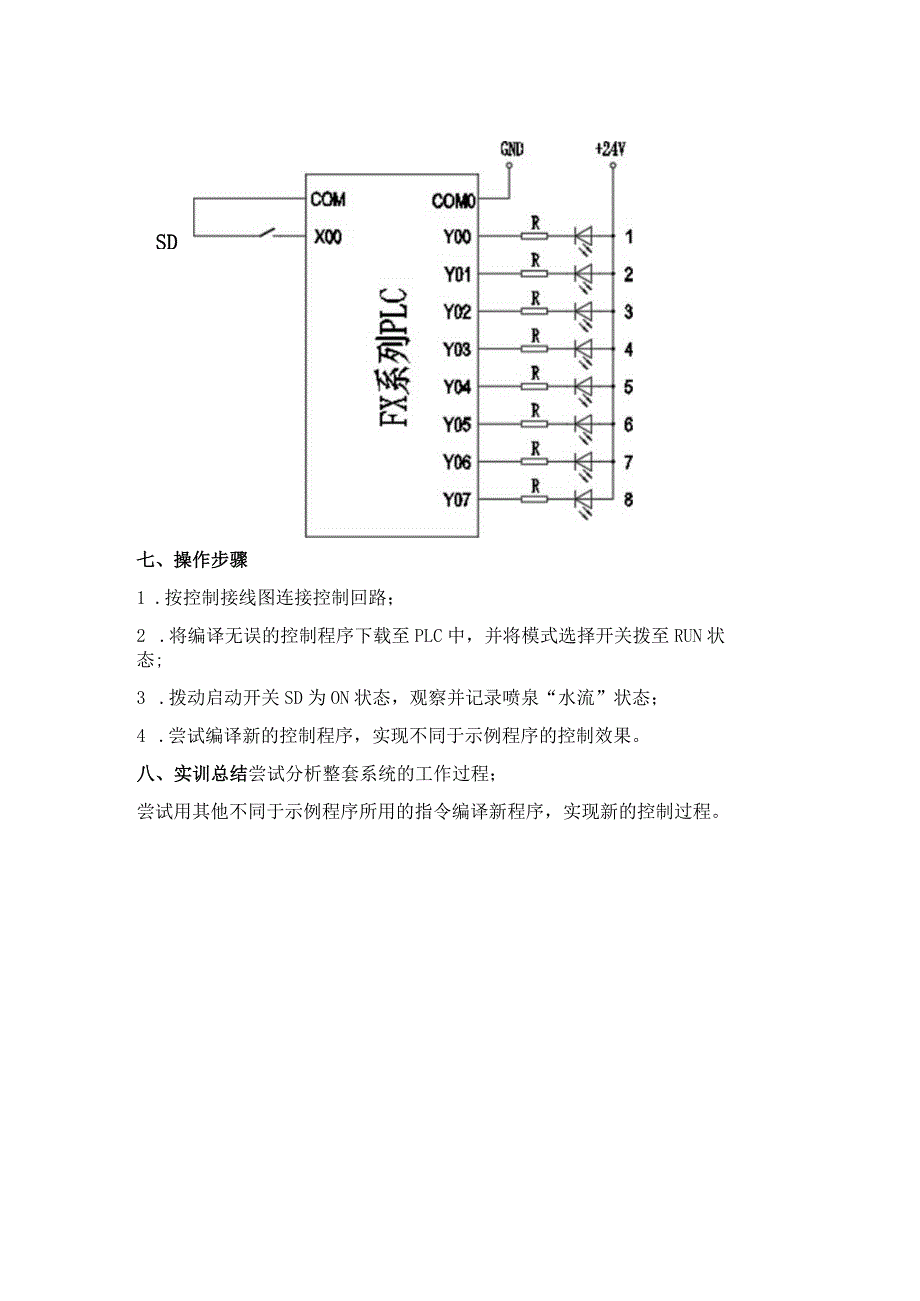
1、实训五音乐喷泉控制实训目的1.掌握位右移指令的使用及编程方法二、实训设备序号名称型号与规格数量备注1.可编程控制器实训装置THPFSL-1/212.实训挂箱AlO3.实训导线3号若干4.SC-09通讯电缆1三菱5.计算机1自备50 607080-COMOIo 203040V+O I /Ix /.11 .置位启动开关SD为ON时,LED指示灯依次循环显示If2-3一8-1、2-3、4f5、6-7、8-1、2、3-4、5、6-7、8-*l2-,模拟当前喷泉“水流”状态。2 .置位启动开关SD为OFF时,LED指示灯停止显示,系统停止工作。五、功能指令使用及程序流程图1 .位右移指令使用XOOOS初

2、niln21.-fSFTRXOOOIOK16Kl指令解读:对于nl(移位寄存器的长度)的位元件进行n2位的右移动的指令;当采用脉冲执行型指令时,驱动输入每一次由OFFfON变化时,执行n2位移位。2 .程序流程图六、端口分配及接线图1.I/O端口分配功能表序号PLC地址(PLC端子)电气符号(面板端子)功能说明1.XOOSD启动2.YOO1喷泉1模拟指示灯3.YOl2喷泉2模拟指示灯4.Y023喷泉3模拟指示灯5.Y034喷泉4模拟指示灯6.Y045喷泉5模拟指示灯7.Y056喷泉6模拟指示灯8.Y067喷泉7模拟指示灯9.Y078喷泉8模拟指示灯10.主机COM0、CoM1、COM2等接电源GND电源端2.控制接线图SD七、操作步骤1 .按控制接线图连接控制回路;2 .将编译无误的控制程序下载至PLC中,并将模式选择开关拨至RUN状态;3 .拨动启动开关SD为ON状态,观察并记录喷泉“水流”状态;4 .尝试编译新的控制程序,实现不同于示例程序的控制效果。八、实训总结尝试分析整套系统的工作过程;尝试用其他不同于示例程序所用的指令编译新程序,实现新的控制过程。

展开阅读全文
相关资源
猜你喜欢
相关搜索

当前位置:首页 > 汽车/机械/制造 > 电气技术

copyright@ 2008-2023 1wenmi网站版权所有

经营许可证编号:宁ICP备2022001189号-1

本站为文档C2C交易模式,即用户上传的文档直接被用户下载,本站只是中间服务平台,本站所有文档下载所得的收益归上传人(含作者)所有。第壹文秘仅提供信息存储空间,仅对用户上传内容的表现方式做保护处理,对上载内容本身不做任何修改或编辑。若文档所含内容侵犯了您的版权或隐私,请立即通知第壹文秘网,我们立即给予删除!