采办项目技术规格书.docx

上传人:p** 文档编号:472062 上传时间:2023-09-09 格式:DOCX 页数:2 大小:41.55KB
下载 相关 举报
采办项目技术规格书.docx_第1页
第1页 / 共2页
采办项目技术规格书.docx_第2页
第2页 / 共2页
亲,该文档总共2页,全部预览完了,如果喜欢就下载吧!
资源描述

《采办项目技术规格书.docx》由会员分享,可在线阅读,更多相关《采办项目技术规格书.docx(2页珍藏版)》请在第壹文秘上搜索。

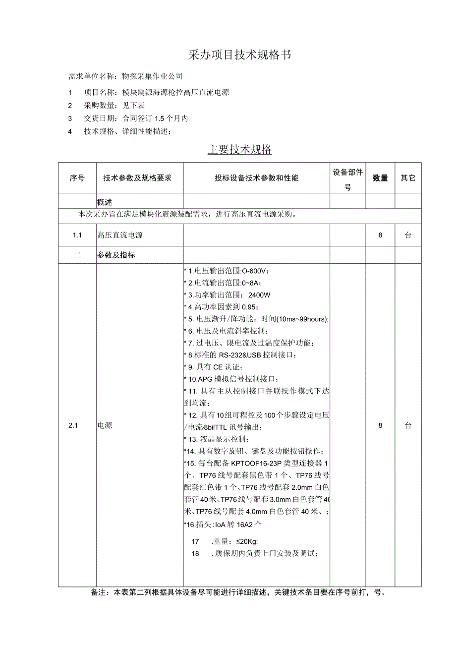
1、采办项目技术规格书需求单位名称:物探采集作业公司1 项目名称:模块震源海源枪控高压直流电源2 采购数量:见下表3 交货日期:合同签订1.5个月内4 技术规格、详细性能描述:主要技术规格序号技术参数及规格要求投标设备技术参数和性能设备部件号数量其它概述本次采办旨在满足模块化震源装配需求,进行高压直流电源采购。1.1高压直流电源8台二参数及指标2.1电源* 1.电压输出范围:O-600V:* 2.电流输出范围:08A;* 3.功率输出范围:2400W* 4.高功率因素到0.95;* 5.电压渐升/降功能:时间(10ms99hours);* 6.电压及电流斜率控制;* 7.过电压、限电流及过温度保护

2、功能;* 8.标准的RS-232&USB控制接口;* 9.具有CE认证;* 10.APG模拟信号控制接口;* 11.具有主从控制接口并联操作模式下达到均流;* 12.具有10组可程控及100个步骤设定电压/电流8bilTTL讯号输出;* 13.液晶显示控制;*14.具有数字旋钮、键盘及功能按钮操作;*15.每台配备KPTOOF16-23P类型连接器1个、TP76线号配套黑色带1个、TP76线号配套红色带1个、TP76线号配套2.0mm白色套管40米、TP76线号配套3.0mm白色套管40米、TP76线号配套4.0mm白色套管40米、;*16.插头:IoA转16A2个17 .重量:20Kg;18 .质保期内负责上门安装及调试;8台备注:本表第二列根据具体设备尽可能进行详细描述,关键技术条目要在序号前打,号。5 资格及业绩要求:6 推荐设备型号:7 交货日期:合同签订1.5个月内;8 交货地点:天津;9 培训要求:10安装调试:H资料证书:交货时,应当包括合格证;12售后服务:

展开阅读全文
相关资源
猜你喜欢
相关搜索

当前位置:首页 > 建筑/环境 > 绿化工程

copyright@ 2008-2023 1wenmi网站版权所有

经营许可证编号:宁ICP备2022001189号-1

本站为文档C2C交易模式,即用户上传的文档直接被用户下载,本站只是中间服务平台,本站所有文档下载所得的收益归上传人(含作者)所有。第壹文秘仅提供信息存储空间,仅对用户上传内容的表现方式做保护处理,对上载内容本身不做任何修改或编辑。若文档所含内容侵犯了您的版权或隐私,请立即通知第壹文秘网,我们立即给予删除!