课题三位置控制与自动往返控制线路.ppt

上传人:p** 文档编号:477876 上传时间:2023-09-15 格式:PPT 页数:24 大小:919KB
下载 相关 举报
课题三位置控制与自动往返控制线路.ppt_第1页
第1页 / 共24页
课题三位置控制与自动往返控制线路.ppt_第2页
第2页 / 共24页
课题三位置控制与自动往返控制线路.ppt_第3页
第3页 / 共24页
课题三位置控制与自动往返控制线路.ppt_第4页
第4页 / 共24页
课题三位置控制与自动往返控制线路.ppt_第5页
第5页 / 共24页
课题三位置控制与自动往返控制线路.ppt_第6页
第6页 / 共24页
课题三位置控制与自动往返控制线路.ppt_第7页
第7页 / 共24页
课题三位置控制与自动往返控制线路.ppt_第8页
第8页 / 共24页
课题三位置控制与自动往返控制线路.ppt_第9页
第9页 / 共24页
课题三位置控制与自动往返控制线路.ppt_第10页
第10页 / 共24页
亲,该文档总共24页,到这儿已超出免费预览范围,如果喜欢就下载吧!
资源描述

《课题三位置控制与自动往返控制线路.ppt》由会员分享,可在线阅读,更多相关《课题三位置控制与自动往返控制线路.ppt(24页珍藏版)》请在第壹文秘上搜索。

1、课题三课题三 位置控制与自动往返控制线路位置控制与自动往返控制线路 在生产过程中,一些生产机械运动部件的行程在生产过程中,一些生产机械运动部件的行程或位置要受到限制,有些生产机械的工作台要求在或位置要受到限制,有些生产机械的工作台要求在一定行程内自动往返运动,以便实现对工件的连续一定行程内自动往返运动,以便实现对工件的连续加工,提高生产效率。如在摇臂钻床、万能铣床、加工,提高生产效率。如在摇臂钻床、万能铣床、镗床、桥式起重机及各种自动或半自动控制机床设镗床、桥式起重机及各种自动或半自动控制机床设备中就经常遇到这种控制要求。备中就经常遇到这种控制要求。利用生产机械运动部件上的挡铁与行程开关碰利用

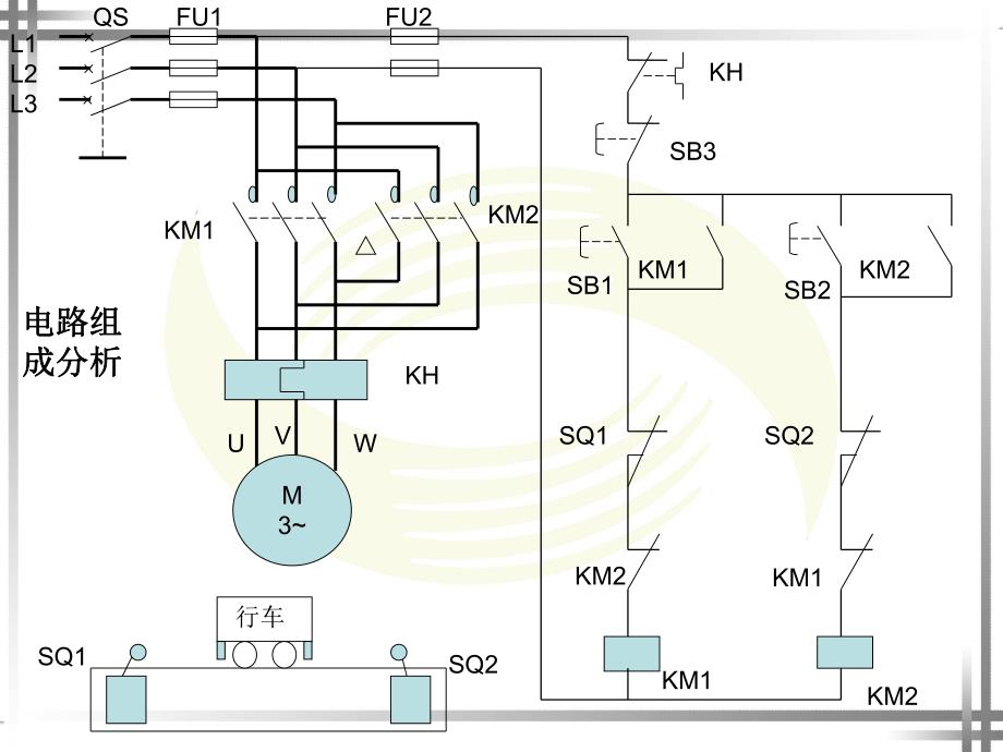
2、生产机械运动部件上的挡铁与行程开关碰撞,使其触头动作,来接通或断开电路,以实现对撞,使其触头动作,来接通或断开电路,以实现对生产机械运动部件的位置或行程的自动控制,称为生产机械运动部件的位置或行程的自动控制,称为位置控制,又称行程控制或限位控制。实现这种控位置控制,又称行程控制或限位控制。实现这种控制要求所依靠的主要电器是行程开关。制要求所依靠的主要电器是行程开关。一、位置控制线路位置控制线路位置控制线路L1L2L3FU1FU2KM1KM2KHSB1SB2SB3KM1KM2KM1KHUVWQSKM2KM1SQ1SQ2KM2SQ1SQ2M3行车电路组电路组成分析成分析L1L2L3KM1KM2KH

3、SB1SB2SB3KM1KM2KM1KHUVWKM2KM1SQ1SQ2KM2SQ1SQ2行车合上电合上电源开关源开关QSFU1FU2QSM3L1L2L3KM1KM2KHSB1SB2SB3KM1KM2KM1KHUVWKM2KM1SQ1SQ2KM2SQ1SQ2行车按下按下SB1FU1FU2QSM3L1L2L3KM1KM2KHSB1SB2SB3KM1KM2KM1KHUVWKM2KM1SQ1SQ2KM2SQ1SQ2电动机电动机正转正转行车向前向前FU1FU2QSM3L1L2L3KM1KM2KHSB1SB2SB3KM1KM2KM1KHUVWKM2KM1SQ1SQ2KM2SQ1SQ2松开松开SB1行车向前

4、向前FU1FU2QSM3L1L2L3KM1KM2KHSB1SB2SB3KM1KM2KM1KHUVWKM2KM1SQ1SQ2KM2SQ1SQ2挡铁碰挡铁碰撞撞SQ1行车停止停止FU1FU2QSM3L1L2L3KM1KM2KHSB1SB2SB3KM1KM2KM1KHUVWKM2KM1SQ1SQ2KM2SQ1SQ2按下按下SB2向后向后行车FU1FU2QSM3L1L2L3KM1KM2KHSB1SB2SB3KM1KM2KM1KHUVWKM2KM1SQ1SQ2KM2SQ1SQ2挡铁碰挡铁碰撞撞SQ2行车停止停止FU1FU2QSM3二、自动往返控制线路 有些设备的工作台要在一定距离能自动循有些设备的工作台

5、要在一定距离能自动循环往返,可用行程开关达到目的,实质上是用环往返,可用行程开关达到目的,实质上是用行程开关控制电动机正反转。行程开关控制电动机正反转。自动往返控制线路自动往返控制线路L1L2L3KM1KM2KHSB2SB3SB1KM1KM2KM1KHUVWKM2KM1SQ1SQ3SQ2SQ4KM2SQ1SQ2SQ3SQ4FU1FU2QSM3L1L2L3KM1KM2KHSB2SB3KM1KM1KHUVWKM2KM1SQ1SQ3SQ2SQ4KM2SQ1SQ2SQ3SQ4合上电源开关合上电源开关QSFU1FU2QSSB1KM2M3L1L2L3KM1KM2KHSB2SB3KM1KM1KHUVWKM2

6、KM1SQ1SQ3SQ2SQ4KM2SQ1SQ2SQ3SQ4按下按下SB2,KM1线圈得电线圈得电FU1FU2QSSB1KM2M3L1L2L3KM1KM2KHSB2SB3KM1KM1KHUVWKM2KM1SQ1SQ3SQ2SQ4KM2SQ1SQ2SQ3SQ4KM1动合辅助触头动合辅助触头闭合,对闭合,对KM1自锁自锁动合主触头闭合动合主触头闭合电机正转电机正转KM1动断触头断开动断触头断开对对KM2联锁联锁FU1FU2QSSB1KM2M3L1L2L3KM1KM2KHSB2SB3KM1KM1KHUVWKM2KM1SQ1SQ3SQ2SQ4KM2SQ1SQ2SQ3SQ4松开松开SB2电动机继电动机继

7、续正转续正转FU1FU2QSSB1KM2M3L1L2L3KM1KM2KHSB2SB3KM1KM1KHUVWKM2KM1SQ1SQ3SQ2SQ4KM2SQ1SQ2SQ3SQ4挡铁碰挡铁碰SQ1,SQ1动断触头断开动断触头断开KM1线圈失电线圈失电KM1动合主触头断动合主触头断开,电机停转开,电机停转KM1动合触头断开动合触头断开解除对解除对KM1自锁自锁KM1动断触头闭合动断触头闭合解除对解除对KM2联锁联锁FU1FU2QSSB1KM2M3L1L2L3KM1KM2KHSB2SB3KM1KM1KHUVWKM2KM1SQ1SQ3SQ2SQ4KM2SQ1SQ2SQ3SQ4SQ1动合触头闭动合触头闭合合

8、KM2线圈得电线圈得电FU1FU2QSSB1KM2M3L1L2L3KM1KM2KHSB2SB3KM1KM1KHUVWKM2KM1SQ1SQ3SQ2SQ4KM2SQ1SQ2SQ3SQ4KM2动断触头断开动断触头断开对对KM1联锁联锁KM2动合触头闭合动合触头闭合对对KM2自锁自锁KM2动合主触头闭动合主触头闭合,电动机反转合,电动机反转工作向右运动工作向右运动FU1FU2QSSB1KM2M3L1L2L3KM1KM2KHSB2SB3KM1KM1KHUVWKM2KM1SQ1SQ3SQ2SQ4KM2SQ1SQ2SQ3SQ4SQ1复原复原工作台继续向右运工作台继续向右运动动FU1FU2QSSB1KM2M

9、3L1L2L3KM1KM2KHSB2SB3KM1KM1KHUVWKM2KM1SQ1SQ3SQ2SQ4KM2SQ1SQ2SQ3SQ4挡铁碰挡铁碰SQ2SQ2动断触头断开动断触头断开KM2失电失电KM2动合主触头断动合主触头断开,电机停转开,电机停转KM2动合触头断开动合触头断开解除对解除对KM2自锁自锁KM2动断触头闭合动断触头闭合解除对解除对KM1联锁联锁FU1FU2QSSB1KM2M3L1L2L3KM1KM2KHSB2SB3KM1KM1KHUVWKM2KM1SQ1SQ3SQ2SQ4KM2SQ1SQ2SQ3SQ4挡铁碰挡铁碰SQ2SQ2动合触头闭合动合触头闭合KM1线圈得电线圈得电FU1FU2QSSB1KM2M3L1L2L3KM1KM2KHSB2SB3KM1KM1KHUVWKM2KM1SQ1SQ3SQ2SQ4KM2SQ1SQ2SQ3SQ4KM1动合辅助触头动合辅助触头闭合,对闭合,对KM1自锁自锁KM1动合主触头闭动合主触头闭合合,电机正转电机正转KM1动断触头断开动断触头断开对对KM2联锁联锁FU1FU2QSSB1KM2M3L1L2L3KM1KM2KHSB2SB3KM1KM1KHUVWKM2KM1SQ1SQ3SQ2SQ4KM2SQ1SQ2SQ3SQ4按下按下SB1,各开关复位各开关复位电机停转电机停转FU1FU2QSSB1KM2M3

展开阅读全文
相关资源
猜你喜欢
相关搜索

当前位置:首页 > 行业资料 > 航空/航天

copyright@ 2008-2023 1wenmi网站版权所有

经营许可证编号:宁ICP备2022001189号-1

本站为文档C2C交易模式,即用户上传的文档直接被用户下载,本站只是中间服务平台,本站所有文档下载所得的收益归上传人(含作者)所有。第壹文秘仅提供信息存储空间,仅对用户上传内容的表现方式做保护处理,对上载内容本身不做任何修改或编辑。若文档所含内容侵犯了您的版权或隐私,请立即通知第壹文秘网,我们立即给予删除!