竹纤维复合波纹管材连接方式示意图.docx

上传人:p** 文档编号:480735 上传时间:2023-09-16 格式:DOCX 页数:3 大小:55.32KB
下载 相关 举报
竹纤维复合波纹管材连接方式示意图.docx_第1页
第1页 / 共3页
竹纤维复合波纹管材连接方式示意图.docx_第2页
第2页 / 共3页
竹纤维复合波纹管材连接方式示意图.docx_第3页
第3页 / 共3页
亲,该文档总共3页,全部预览完了,如果喜欢就下载吧!
资源描述

《竹纤维复合波纹管材连接方式示意图.docx》由会员分享,可在线阅读,更多相关《竹纤维复合波纹管材连接方式示意图.docx(3页珍藏版)》请在第壹文秘上搜索。

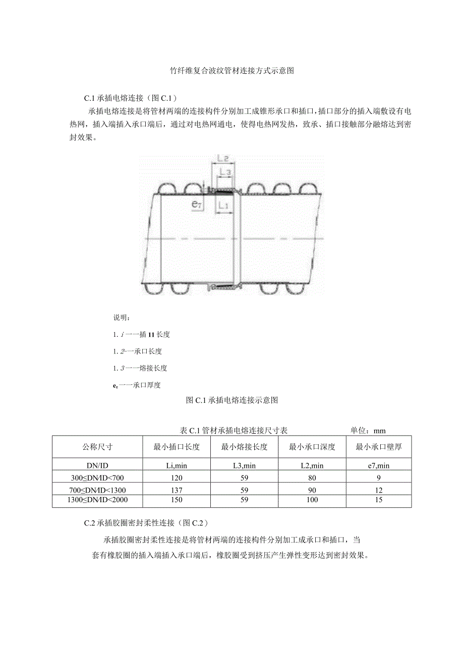
1、竹纤维复合波纹管材连接方式示意图C.1承插电熔连接(图C.1)承插电熔连接是将管材两端的连接构件分别加工成锥形承口和插口,插口部分的插入端敷设有电热网,插入端插入承口端后,通过对电热网通电,使得电热网发热,致承、插口接触部分融熔达到密封效果。说明:1.i一一插11长度1.2-一承口长度1.3一一熔接长度e一一承口厚度图C.1承插电熔连接示意图表C.1管材承插电熔连接尺寸表单位:mm公称尺寸最小插口长度最小熔接长度最小承口深度最小承口壁厚DN/IDLi,minL3,minL2,mine7,min300DNID70012059809700DNID13001375990121300DNID20001

2、505910015C.2承插胶圈密封柔性连接(图C.2)承插胶圈密封柔性连接是将管材两端的连接构件分别加工成承口和插口,当套有橡胶圈的插入端插入承口端后,橡胶圈受到挤压产生弹性变形达到密封效果。说明:1.4一一胶圈连接接合长度e4胶圈连接插口壁厚e5胶圈连接承口壁厚e-一胶圈密封件部位的壁厚图C.2承插胶圈密封柔性连接示意图表C.2管材承插胶圈密封柔性连接尺寸表公称尺寸胶圈连接最小接合长度胶圈连接最小插口壁厚胶圈连接最小承口壁厚胶圈密封件部位的最小壁厚DN/IDL4,mine4,mine5,mine6,min200546.15.54.5300649.18.26.84007412.110.99.

3、15008515.213.711.46009615.213.711.480011815.213.711.4100014015.213.711.4120016215.213.711.4150017215.213.711.4C.3承插密封圈连接(图C.3)承插密封圈连接是将管材两端采用一次精密注塑成承口和插口,插口内含有凹槽,把橡胶密封圈放置在凹槽内,插口插入承口后,橡胶密封圈受到挤压产生弹性变形达到密封效果。说明:1.4一一胶圈连接接合长度e4-胶圈连接插口壁厚e5胶圈连接承口壁厚e6-一胶圈密封件部位的壁厚图C.3承插密封圈连接示意图表C.3管材承插密封圈连接尺寸表单位为nun公称尺寸胶圈连接最小接合长度胶圈连接最小插口壁厚胶圈连接最小承口壁厚胶圈密封件部位的最小壁厚DN/TDL4,mine4,mine5,mine6,min2006377430063986400771210850077121086007813.71298008815.71510100011815.71510120014918.71913

展开阅读全文
相关资源
猜你喜欢
相关搜索

当前位置:首页 > 论文 > 毕业论文

copyright@ 2008-2023 1wenmi网站版权所有

经营许可证编号:宁ICP备2022001189号-1

本站为文档C2C交易模式,即用户上传的文档直接被用户下载,本站只是中间服务平台,本站所有文档下载所得的收益归上传人(含作者)所有。第壹文秘仅提供信息存储空间,仅对用户上传内容的表现方式做保护处理,对上载内容本身不做任何修改或编辑。若文档所含内容侵犯了您的版权或隐私,请立即通知第壹文秘网,我们立即给予删除!