新区水厂总体设计方案.docx

上传人:p** 文档编号:482691 上传时间:2023-09-18 格式:DOCX 页数:9 大小:35.08KB
下载 相关 举报
新区水厂总体设计方案.docx_第1页
第1页 / 共9页
新区水厂总体设计方案.docx_第2页
第2页 / 共9页
新区水厂总体设计方案.docx_第3页
第3页 / 共9页
新区水厂总体设计方案.docx_第4页
第4页 / 共9页
新区水厂总体设计方案.docx_第5页
第5页 / 共9页
新区水厂总体设计方案.docx_第6页
第6页 / 共9页
新区水厂总体设计方案.docx_第7页
第7页 / 共9页
新区水厂总体设计方案.docx_第8页
第8页 / 共9页
新区水厂总体设计方案.docx_第9页
第9页 / 共9页
亲,该文档总共9页,全部预览完了,如果喜欢就下载吧!
资源描述

《新区水厂总体设计方案.docx》由会员分享,可在线阅读,更多相关《新区水厂总体设计方案.docx(9页珍藏版)》请在第壹文秘上搜索。

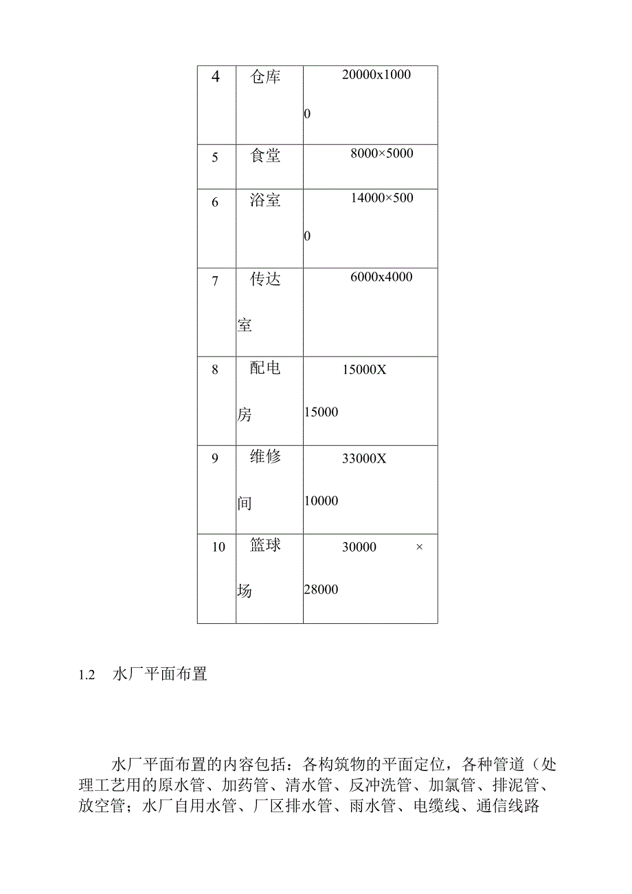
1、新区水厂总体设计方案1.1 水厂附属构筑物设计水厂的附属构筑物主要包括化验室、仓库、食堂、生产管理及行政办公用房等,各附属构筑物的尺寸间表7。表7水厂附属构筑物尺寸一览表序号名称尺寸(mm)1车库15000100002综合楼60000200003堆场20000100004仓库20000x100005食堂800050006浴室1400050007传达室6000x40008配电房15000X150009维修间33000X1000010篮球场30000280001.2 水厂平面布置水厂平面布置的内容包括:各构筑物的平面定位,各种管道(处理工艺用的原水管、加药管、清水管、反冲洗管、加氯管、排泥管、放空

2、管;水厂自用水管、厂区排水管、雨水管、电缆线、通信线路等),阀门及配件布置,厂区道路、围墙、绿化等。1.3 .1水厂平面布置的要求1 .高程布置应充分利用原有地形坡度。2 .构筑物间距宜紧凑,但应满足各构筑物和管线的施工要求。3 .构筑物布置应注意朝向和风向,如加氯间和氯库应尽量设置在水厂主导风向的下风向,泵房及其它建筑物应尽量布置成南北方向。4 .生产构筑物间连接管道的布置,应水流顺直和防止迂回。5 .生产构筑物与水厂生产附属构筑物(修理间、车库、仓库等)宜分别集中布置。.生产构筑物与水厂生活福利设施(食堂等)应分开布置。1.并联运行的净水构筑物应配水均匀。8 .加药间、沉淀池和滤池相互间的

3、布置,宜通行方便。9 .水厂排水一般宜采用重力流排放,必要时可设排水泵站。10 .水厂应考虑绿化,兴建水厂绿化占地面积不宜少于水厂总面积的30%o清水池池顶宜铺设草皮。11 .水厂内根据需要,设置滤料、配件管等露天堆放场所。12 .水厂内设置通向各构筑物和附属构筑物的道路,一般按下列要求计算:主要车行道的宽度,单车道为3.5m,双车道为6m,并应有回车道;人行道的宽度为L52.0m;大型水厂一般可设双车道,中、小型水厂一般可设单车道;车行道转弯半径不宜小于6mo13 .城镇水厂或设在工厂区外的工业企业自备水厂周围,应设置围墙,其高度一般不宜小于2.5m。1.2.2水厂平面布置水厂的工艺流程采用

4、直线型布置,管线力求简短,厂区内配以草地、树木等绿化,力争创建一个清新宜人的现代化水厂。水厂总占地面积为7公顷,因地制宜并考虑到远期发展。水厂总平面布置见附图。1.3成本分析本工程供水成本包括动力费、折旧费、维护费、摊销费、药剂费、工资福利费及其他费用。有关计算方法和参数如下:(1)水资源费或原水费EiE_365QkIC_365X1OOooOX1.08X0.02.557万元1k21.2x10000(2)动力费E2E2=吗JO8x(三oeo42=9ol8万元k20.71.2100(3)药剂费E3E3=迤与ab=迤半幽您x30xl200=l18.26k21061.210610000万元(4)工资福

5、利费E4E4=24x40=96万元(5)固定资产基本折旧费Es和大修理费E6E5=9006.465%=450.32万元E6=9006.462%=180.13万元(6)无形资产和递延资产摊销费E7E7=1008%=8万元(7)日常检修维护费E8E8=9006.460.5%=45.03万元(8)管理费用、销售费用和其它费用EgE9=(E1+E2+E3+E4+E5+E6+E7+E8)15%=(65.7+901.8+118.26+96+450.32+180.13+8+45.03)15%=279.79万元(9)流动资金利息支出Ei0Eo=lOOO6.4%=64万元(10)年经营成本ECEc=Ei+E2+

6、E3+E4+E6+E8+E9=65.7+901.8+118.26+96+180.13+45.03+279.79=1686.71万元(11)年总成本YCYC=Ec+E5+E7+Eio=1686.71+450.32+8+64=2209.03万元(12)单位制水成本ACAC=YCQ2209.03100001.2365100000=0.726 m3售水价格P=*100100-6.66-10=0.94 元/nr31.4水厂高程布置水厂处理构筑物高程布置应充分利用原有地形坡度,各构筑物间应采用重力流。构筑物间的水面高差即流动过程中的水头损失,包括构筑物、连接管道、计量设备的水头损失。水头损失一般应通过计算确定,也可参照规范进行估计,并考虑水头跌落损失。净水构筑物水头损失见表8。表8管线的水头损失及流程标高计算(相对标高)名称水头损失水位标高/m连接管构筑沿程及局构筑物部/m物/m一泵房到絮凝池(DN1200)15.3112.50网格絮凝池0.3512.15网格絮凝池至平流沉淀池12.15平流沉淀池0.1512.00沉淀池出水系统0.5511.45平流沉淀池至V型滤池0.4011.05V型滤池1.849.21V型滤池至清水0.51池清水池8.70清水池至吸水井0.31吸水井8.39

展开阅读全文
相关资源
猜你喜欢
相关搜索

当前位置:首页 > 建筑/环境 > 设计及方案

copyright@ 2008-2023 1wenmi网站版权所有

经营许可证编号:宁ICP备2022001189号-1

本站为文档C2C交易模式,即用户上传的文档直接被用户下载,本站只是中间服务平台,本站所有文档下载所得的收益归上传人(含作者)所有。第壹文秘仅提供信息存储空间,仅对用户上传内容的表现方式做保护处理,对上载内容本身不做任何修改或编辑。若文档所含内容侵犯了您的版权或隐私,请立即通知第壹文秘网,我们立即给予删除!