桩基工程项目的施工方法.docx

上传人:p** 文档编号:483094 上传时间:2023-09-18 格式:DOCX 页数:16 大小:57.13KB
下载 相关 举报
桩基工程项目的施工方法.docx_第1页
第1页 / 共16页
桩基工程项目的施工方法.docx_第2页
第2页 / 共16页
桩基工程项目的施工方法.docx_第3页
第3页 / 共16页
桩基工程项目的施工方法.docx_第4页
第4页 / 共16页
桩基工程项目的施工方法.docx_第5页
第5页 / 共16页
桩基工程项目的施工方法.docx_第6页
第6页 / 共16页
桩基工程项目的施工方法.docx_第7页
第7页 / 共16页
桩基工程项目的施工方法.docx_第8页
第8页 / 共16页
桩基工程项目的施工方法.docx_第9页
第9页 / 共16页
桩基工程项目的施工方法.docx_第10页
第10页 / 共16页
亲,该文档总共16页,到这儿已超出免费预览范围,如果喜欢就下载吧!
资源描述

《桩基工程项目的施工方法.docx》由会员分享,可在线阅读,更多相关《桩基工程项目的施工方法.docx(16页珍藏版)》请在第壹文秘上搜索。

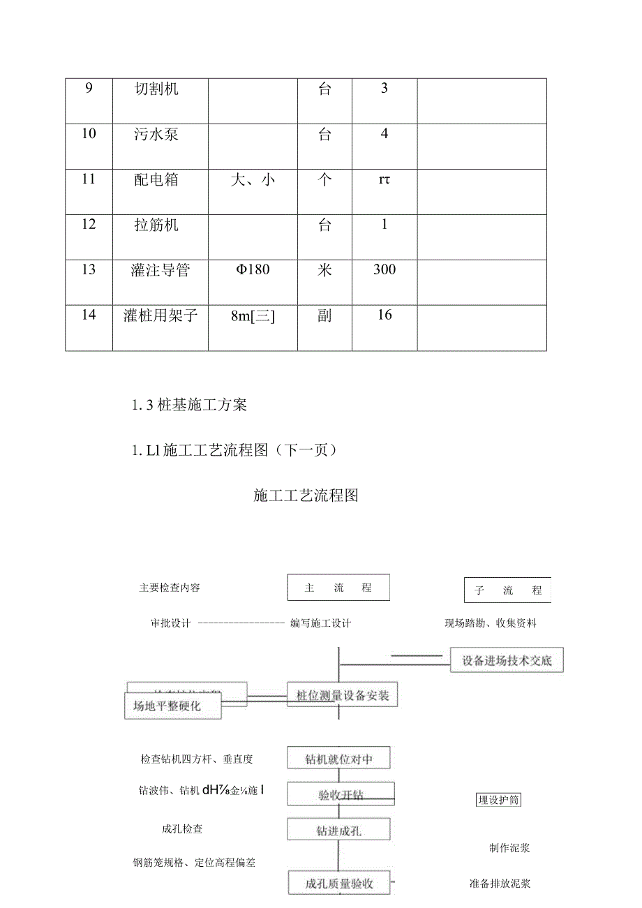
1、桩基工程项目的施工方法1.l施工测量根据设计图纸,采用全站仪和50钢卷尺进行桩位放线,桩孔放线定位中心偏差不大于2cmo桩位放线完成后,自检无误请甲方代表或监理工程师验收1.2投入的桩基施工设备序号设备名称规格型号单位数量备注1旋挖钻机SR130/SR180台7123装载机ZL50台44泥浆泵PNL台65吊车12T台46全站仪TC405台1瑞士7水准仪DZS3台3北测8电焊机BX1-400台129切割机台310污水泵台411配电箱大、小个r12拉筋机台113灌注导管180米30014灌桩用架子8m三副161.3桩基施工方案1.Ll施工工艺流程图(下一页)施工工艺流程图主要检查内容主流程子流程审

2、批设计 编写施工设计现场踏勘、收集资料检查钻机四方杆、垂直度成孔检查钻波伟、钻机dH金施I钢筋笼规格、定位高程偏差埋设护筒制作泥浆准备排放泥浆桩身养护1.L2成孔施工方案及技术措施根据场地工程地质勘察报告,结合设计及甲方招标比选文件要求,确定本工程成孔工艺为旋挖钻进成孔。钻前准备机械设备检查钻机就位前检查钻机设备,保证设备正常,同时检查钻头直径及其完整程度,以确保成孔直径满足设计及施工规范要求。桩位复查钻机就位前由技术员复查桩位,准确无误后方可就位对中。成孔配套协作工作准备好。如需用的泥浆制备好或到位、人员到位、钻机旋转范围内的设备器具移走确保无碍寺寺O钻进成孔钻机按白灰眼中心对正就位,经质检

3、人员检查钻机对正桩位中心线,钻机调平后开钻,钻进至一定深度(2m左右),复查开孔桩位偏差,合格后继续钻进。土层段成孔质量控制:采用锅底式钻头,钻头下部装有外切削刀,使钻头与孔壁之间留有一定间隙,防止提钻时产生抽吸作用,造成真空,使孔壁坍塌。在钻头上部装有扩孔刀,用于下入护筒的旋扩。中砂层段成孔质量控制:当钻进到中砂层段时,采用泥浆护壁和提高孔内水头平衡地层压力进行控制。工程刚开工时,用优质粘土加膨润土搅拌制成以备用,在以后施工中将灌孔排出的优质的泥浆存储,以备下一桩施工使用。在施工过程中并根据砂层实际情况可调整泥浆性能参数,保证孔壁的稳定,控制孔壁坍塌。泥浆性能参数调整范围见下表:项次项目性能

4、指标检验方法1比重1.10l.25gcm3泥浆比重秤2粘度18-25s漏斗法3含砂率6%量杯法4PH值79PH值5备注在不同地层中,泥浆性能按情况调配(4)当钻孔达到设计钻进深度后,将钻头提离孔底,经现场质检人员检查并报现场甲方代表或监理工程师检查验收合格后方可提钻移机。成孔质量的检测方法成孔质量采用测绳测孔深和沉渣厚度,用钻头直径控制桩径,用钻机平台及钻杆控制垂直度,成孔后由监理工程师验收,必要时根据甲方要求,成孔质量由检测单位检测验收。桩孔质量标准:孔径偏差50mi;垂直度偏差1%;沉渣厚度100mm,孔深偏差:+300mm,桩位偏差100mm,混凝土充盈系数1.10。成孔质量的预防保证技

5、术措施在测量放线中,严把质量关,严格执行计算精度,放线准确,复核认真、全面,坚决不允许桩位偏差超标准。钻机就位前对桩位复查,就位时经质检人员检查对正桩位中心,钻机调平后方可开钻。开钻前检查钻头直径,保证桩孔直径满足设计要求。(4)钻机就位确保平整、钻杆垂直,钻机支垫稳实,在钻进过程中,随时检查钻机水平钻杆垂直度,防止孔斜偏差过大,发现有偏差立即校正,之后根据护桩核对桩孔中心。钻进过程中,保持孔内水头压力,随时观察孔内情况及出渣情况,判断地层情况。在出现砂层时,调节泥浆性能参数,采用泥浆护壁,提高孔内水头压力,防止塌孔与缩径。(6)桩孔安排顺序,根据实际情况进行跳跃隔孔打桩,严禁相临两孔连续(或

6、同时)成孔,以防止串孔。1.1.3钢筋笼制安施工方案及技术措施材料控制施工所用钢材如业主无特殊要求,则优先选用首钢或酒钢、邯钢等的产品,以确保钢材质量。钢筋进场后必须报请监理按批次抽样送检,试验合格和监理工程师批准后方可投入使用,焊条进场时必须出具出厂合格证书。严格执行材料进场验收控制程序。钢筋笼的制作(1)钢筋笼主要参数详见设计图纸。(2)制作前对钢筋的要求使用前保管过程中,钢筋底部垫空防潮,下雨时上面覆盖雨布。(4)8绕筋需先做冷拉调直处理,并用模具绕成盘圆以备使用。钢筋笼制作(1)钢筋笼制作必须在平台上进行,平台必须水平稳固不变形。(2)钢筋笼制作必须严格按照设计图纸和规范要求制作,制作

7、前绘制放样图,成型后各部尺寸误差符合以下要求:主筋间距:IOmm箍筋间距或螺旋筋螺距:20mm钢筋笼直径:IOnnn钢筋笼长度:10Omm定位与连接(1)钢筋主筋两端需切齐取直,主筋接头相间错开,采用双面焊焊接,两相邻接头错开距离与连接要满足规范要求。(2)主筋与箍筋、螺旋绕筋间点焊连接,箍筋接头采用单面搭接焊。(3)钢筋笼起吊挂吊部位要加固,确保起吊过程中钢筋笼不变形,放入孔内不脱落;(4)钢筋笼保护层厚度50n,所用控件为10制成的桩径卡,焊接在主筋圆周四个对称点上,每隔150On)为一组。以确保钢筋笼在孔内保持居中状态。(5)检查验收:建立完善的钢筋笼验收制度,制作组在制作完成后,由项目

8、部质检人员按标准及要求进行验收,下入孔内前,报监理工程师复检合格后,才能下入孔内。钢筋笼吊安(I)放钢筋笼之前,检查编号、顺序是否准确,接头是否齐全。(2)井口安放钢筋笼包括:起吊一下入一井口固定一垂直检查一连接成型。(3)笼子起吊,采用单机双环起吊。(4)钢筋笼最后固定采用吊筋方法。首先用水准仪测定每个孔的孔口标高,计算并丈量好吊筋长度,然后固定在孔口横梁上。钢筋笼焊接质量要求:钢筋笼分段制作,当受力钢筋采用焊接接头时,设置在同一截面内的接头宜相互错开,错开长度应大于35d。带肋钢筋进行电弧焊时,宜将纵肋对纵肋安放和焊接。电弧搭接焊时,第一层焊缝应从中间引弧,向两端施焊。焊接时,引弧应在帮条

9、或形成焊缝的部位进行,不得烧伤主筋。焊接过程中应及时清渣,焊缝表面应光滑,焊缝余高应平缓,弧坑应填满。(HRB335钢筋)搭接焊时,采用双面焊:搭接长度,5d,采用单面焊:搭接长度210d0搭接焊时,钢筋的装配和焊接应符合下列要求:焊接端钢筋应预弯,并应使两钢筋的轴线在同一直线上。钢筋笼制作质量保证措施:悉钢筋笼结构图,牢记尺寸要求,严格执行规范规定和设计要求。钢筋焊接施工之前,应清除表面上的锈斑、油污、杂物等;钢筋端部有弯折、扭曲时,应予以矫直或切除。电弧焊应根据钢筋牌号、直径、接头型式、焊接位置,选择焊条、焊接工艺和焊接参数。钢筋笼主筋要调直,箍筋要自然弯曲,对焊接部分或搭焊部分要做抗拉试

10、验,搭焊要符合规范要求,不准出现潜心焊和开焊。对班内所焊钢筋笼,要进行自检,在自检合格基础上,请项目部质量工程师、建设方代表、质检部门检查验收。对电焊设备要经常维修保养,设备停运时,要切断电源。安全使用对焊机、切割机,防止切伤、夹伤。敲击焊渣时,要注意防止烧伤和击伤眼部。1.1.4成桩施工方案及技术措施混凝土要求本工程混凝土采用商品混凝土,我方作好监督、抽查工作,供货方应在开工前,将配合比资料及混凝土原材(砂、石、水泥及外加剂等)质保资料提交我方,并报甲方及监理工程师审察备案。施工过程中,供货方应定期提供商品混凝土的质保资料,并按规范要求取样制作试块并养护,按时提供试块抗压报告。混凝土送到现场

11、后检查坍落度,坍落度范围是18-22cm,若不在此范围,则退回供货方,做好坍落度检查记录。到场的运送车须有交货单,经检查验收合格后签字接收。每根桩在灌注碎过程中,必须留置试块一组,进行养护送检。导管导管采用焊缝钢管制作,直径180mm,每节长LOnb备有0.5r调节管,以满足初灌时调节导管总长。导管使用前应检查接头、卡孔、内壁的光滑性,导管支架支承点的限位钢筋情况,以及密封垫的完好情况。导管在使用前先对接检查其直线度,以及密封性能。导管拆装采用专用工具。水下碎灌注:导管下部应离开孔底400-500mmo导管全部入孔前,计算导管总长和导管底部位置,并填写有关表格。混凝土初灌量L5m3,剪断隔水塞

12、同时保证后续碎灌注连续顺畅,确保初灌顺利、安全。灌注中,导管要保持一定的活动频率,以使灌注顺畅,同时提高灌注质量。尤其在拨管前,测定好孔内碎高度,计算碎富裕量,缓慢上下窜动导管,以保证桩头质量。灌注中,如发生卡管可在允许的导管埋入深度范围内,略为提升导管,或用提升后猛然下插导管的动作来抖动导管,抖动后的导管下口不得低于原来的位置,否则反会使失去流动性的碎堵塞导管口。如果用上述方法仍不能消除卡管时,则应停止灌注,用长钢筋或竹竿疏通。在混凝土灌注中,孔内泥浆受压,不断溢出,要提前疏通渠道,若满足不了则考虑用污水泵辅助抽出。水下混凝土灌注技术要求:a.孔内碎面高度015m间,导管埋深2m6m;16m

13、以上,导管埋深2mIOn1。b.随时做好各种记录,测量的每一个数据,特别是孔内混凝土面高度与导管埋深。C.按规范要求制作混凝土试块并养护。d.每根桩灌注时间宜控制在2小时以内。e.当碎灌注接近桩顶标高时,仔细探测,超灌高度0.5m时,停止灌注碎。凿桩头施工方案技术措施工程桩施工完后,桩身混凝土养护同时,开挖桩间土,并由专业队伍凿除桩头浮浆至设计标高,为桩基检测做准备。挖桩间土及凿桩头施工时注意事项:桩间挖土时,挖掘机旋转范围内禁止堆放任何器具或停留人;开挖时,严格按照施工顺序开挖,严禁挖掘机碰撞桩头,以确保桩头质量;现场专人指挥,凿桩头工人严禁未经允许自行抢占桩头;凿桩头工人严格按照技术人员测

14、量的标高进行,只高不能低,高了的要修整到位,保证桩顶平整;禁止将桩的钢筋断或凿断;在清理碎渣时,注意碰、撞、压伤。1.4施工场地三通一平1.4.1场地及通道:施工现场修建专用碎施工道路,以满足施工设备及材料进场要求;施工场地内工作面平整后基础用三合土碾压处理,根据现场实际情况布设泥浆池及堆放渣土位置,保证现场施工整洁。生活区在原高度上平整后用砖渣铺垫,以方便施工人员通行。1.4.2施工用水、电施工用水:根据施工现场内业主提供的临时用水接驳点,用1寸半水管连接到各施工、生活用水点。施工生产废水经沉淀后方可排入业主指定的污水管道。施工用电:现场施工需用电总容量为550KVA以上,施工现场和钢筋笼制作场地设置二级配电,用电设备由电缆连接。1.5临建设施根据现场情况,合理布设项目部办公室及施工人员生活临舍,办公室及临舍用活动板房搭设,对钢材存放、钢筋加工及钢筋笼存放场地进行平整,钢筋及钢筋笼存放时用机台木架空,钢筋笼制设置操作平台。泥浆池每台旋挖钻机设一个,具体设置位置可以根据现场情况进行调节,在施工过程中用泥浆泵进行输送。后期施工过程中如泥浆池不够调节,根据实际情况可临时在场地内未硬化区增加设置泥浆池。

展开阅读全文
相关资源
猜你喜欢
相关搜索

当前位置:首页 > 建筑/环境 > 施工组织

copyright@ 2008-2023 1wenmi网站版权所有

经营许可证编号:宁ICP备2022001189号-1

本站为文档C2C交易模式,即用户上传的文档直接被用户下载,本站只是中间服务平台,本站所有文档下载所得的收益归上传人(含作者)所有。第壹文秘仅提供信息存储空间,仅对用户上传内容的表现方式做保护处理,对上载内容本身不做任何修改或编辑。若文档所含内容侵犯了您的版权或隐私,请立即通知第壹文秘网,我们立即给予删除!