新能源汽车故障诊断与排除评分表.docx

上传人:p** 文档编号:486443 上传时间:2023-09-18 格式:DOCX 页数:3 大小:20.82KB
下载 相关 举报
新能源汽车故障诊断与排除评分表.docx_第1页
第1页 / 共3页
新能源汽车故障诊断与排除评分表.docx_第2页
第2页 / 共3页
新能源汽车故障诊断与排除评分表.docx_第3页
第3页 / 共3页
亲,该文档总共3页,全部预览完了,如果喜欢就下载吧!
资源描述

《新能源汽车故障诊断与排除评分表.docx》由会员分享,可在线阅读,更多相关《新能源汽车故障诊断与排除评分表.docx(3页珍藏版)》请在第壹文秘上搜索。

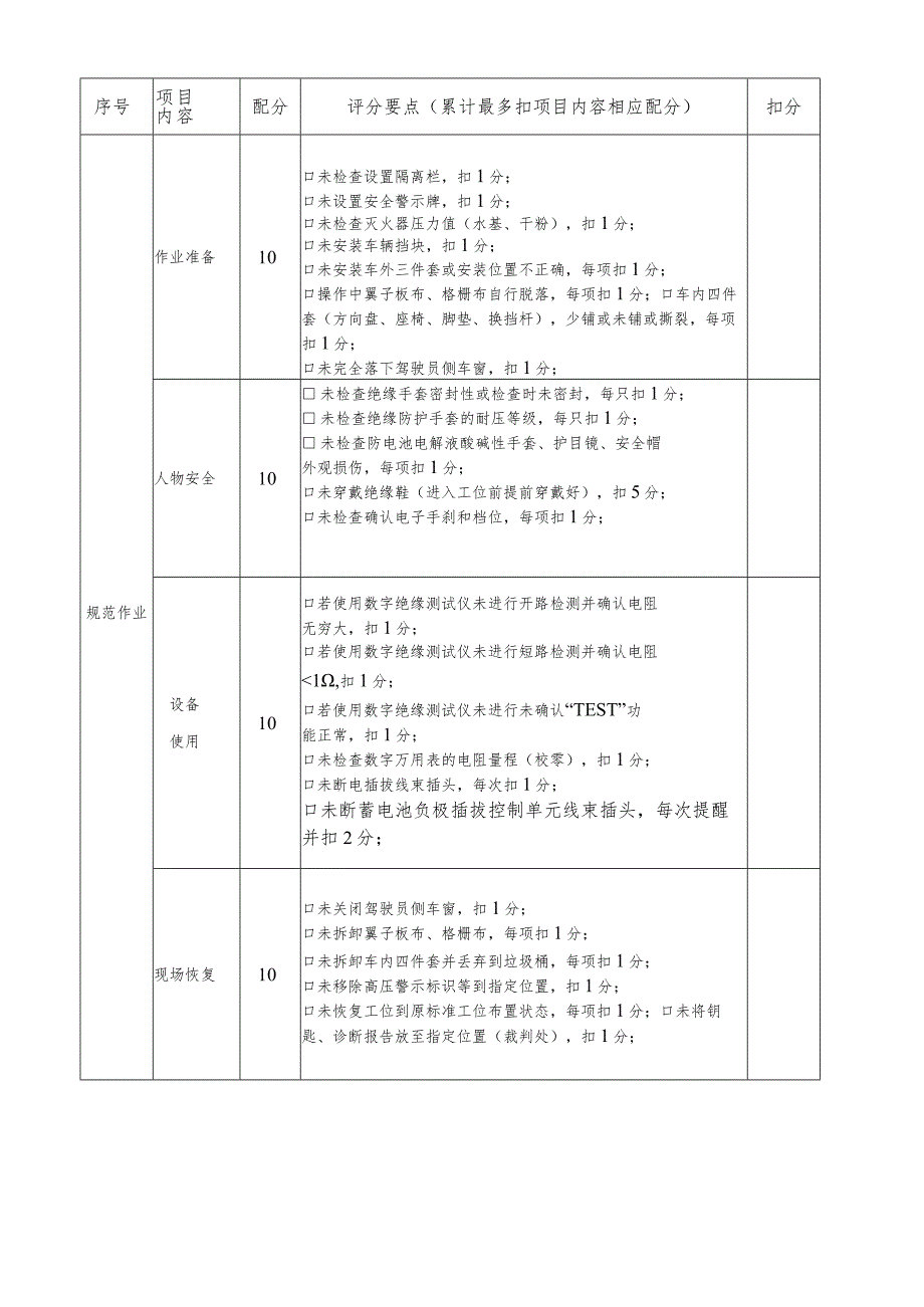
1、2023年江苏省新能源汽车维修工职业技能竞赛评分表竞赛模块:新能源汽车故障诊断与排除竞赛日期:2023年月日工位:选手号:竞赛用时:分秒选手得分现场裁判(签字)评分裁判(签字)裁判长(签字)裁判须知:裁判独立评分;使用规定签字笔书写;扣分栏不得空白,未扣分填-0,扣分填负值;选手未完成作业需扣分并备注未完成;修改须签字确认。序号目容项内配分评分要点(累计最多扣项目内容相应配分)扣分规范作业作业准备10口未检查设置隔离栏,扣1分;口未设置安全警示牌,扣1分;口未检查灭火器压力值(水基、干粉),扣1分;口未安装车辆挡块,扣1分;口未安装车外三件套或安装位置不正确,每项扣1分;口操作中翼子板布、格栅

2、布自行脱落,每项扣1分;口车内四件套(方向盘、座椅、脚垫、换挡杆),少铺或未铺或撕裂,每项扣1分;口未完全落下驾驶员侧车窗,扣1分;人物安全10 未检查绝缘手套密封性或检查时未密封,每只扣1分; 未检查绝缘防护手套的耐压等级,每只扣1分; 未检查防电池电解液酸碱性手套、护目镜、安全帽外观损伤,每项扣1分;口未穿戴绝缘鞋(进入工位前提前穿戴好),扣5分;口未检查确认电子手刹和档位,每项扣1分;设备使用10口若使用数字绝缘测试仪未进行开路检测并确认电阻无穷大,扣1分;口若使用数字绝缘测试仪未进行短路检测并确认电阻1,扣1分;口若使用数字绝缘测试仪未进行未确认“TEST”功能正常,扣1分;口未检查数

3、字万用表的电阻量程(校零),扣1分;口未断电插拔线束插头,每次扣1分;口未断蓄电池负极插拔控制单元线束插头,每次提醒并扣2分;现场恢复10口未关闭驾驶员侧车窗,扣1分;口未拆卸翼子板布、格栅布,每项扣1分;口未拆卸车内四件套并丢弃到垃圾桶,每项扣1分;口未移除高压警示标识等到指定位置,扣1分;口未恢复工位到原标准工位布置状态,每项扣1分;口未将钥匙、诊断报告放至指定位置(裁判处),扣1分;安全与5S10口拆装高压组件(如电池母线、OBC开盖等)未执行高压作业断电流程(关闭点火开关一断开蓄电池负极f等待一断开维修开关一断开分线盒直流母线并验电)并做安全防护(包裹绝缘胶带或用绝缘保护套防护),每次

4、提醒并扣5分;口仪器、工具、零件跌落,每次扣1分;口上高压电时未提示,每次扣1分;口工具零件放置在没有防护的仪表台及座椅上,每次扣1分;口未按正确安全操作程序,损伤、损毁车辆或竞赛设备,视情节扣510分,特别严重安全事故的终止比赛,该竞赛模块成绩记0分;口未按正确安全操作程序,造成人员伤害,视情节扣510分,特别严重安全事故的终止比赛,该竞赛模块成绩记0分;选手签字确认故障诊断与排除故障点112口故障点描述不正确,该项不得分;无关键检测步骤或结果记录错误扣24分;口故障点描述误报1次扣4分;故障点212口故障点描述不正确,该项不得分;口无关键检测步骤或结果记录错误扣24分;口故障点描述误报1次扣4分;故障点312口故障点描述不正确,该项不得分;无关键检测步骤或结果记录错误扣24分;口故障点描述误报1次扣4分;故障点412口故障点描述不正确,该项不得分;口无关键检测步骤或结果记录错误扣24分;口故障点描述误报1次扣4分;终检2口未执行清除故障码后重新读取故障码;口未检查低压系统是否正常;未检查高压系统是否正常;未检查充电系统是否正常;口未检查车身电器系统是否正常;口未填写终检结论或填写不正确。

展开阅读全文
相关资源
猜你喜欢
相关搜索

当前位置:首页 > 汽车/机械/制造 > 汽车作业报告

copyright@ 2008-2023 1wenmi网站版权所有

经营许可证编号:宁ICP备2022001189号-1

本站为文档C2C交易模式,即用户上传的文档直接被用户下载,本站只是中间服务平台,本站所有文档下载所得的收益归上传人(含作者)所有。第壹文秘仅提供信息存储空间,仅对用户上传内容的表现方式做保护处理,对上载内容本身不做任何修改或编辑。若文档所含内容侵犯了您的版权或隐私,请立即通知第壹文秘网,我们立即给予删除!