KJWIF-QA-18在线压力打检质量控制作业指导书.docx

上传人:p** 文档编号:487410 上传时间:2023-09-19 格式:DOCX 页数:9 大小:136.63KB
下载 相关 举报
KJWIF-QA-18在线压力打检质量控制作业指导书.docx_第1页
第1页 / 共9页
KJWIF-QA-18在线压力打检质量控制作业指导书.docx_第2页
第2页 / 共9页
KJWIF-QA-18在线压力打检质量控制作业指导书.docx_第3页
第3页 / 共9页
KJWIF-QA-18在线压力打检质量控制作业指导书.docx_第4页
第4页 / 共9页
KJWIF-QA-18在线压力打检质量控制作业指导书.docx_第5页
第5页 / 共9页
KJWIF-QA-18在线压力打检质量控制作业指导书.docx_第6页
第6页 / 共9页
KJWIF-QA-18在线压力打检质量控制作业指导书.docx_第7页
第7页 / 共9页
KJWIF-QA-18在线压力打检质量控制作业指导书.docx_第8页
第8页 / 共9页
KJWIF-QA-18在线压力打检质量控制作业指导书.docx_第9页
第9页 / 共9页
亲,该文档总共9页,全部预览完了,如果喜欢就下载吧!
资源描述

《KJWIF-QA-18在线压力打检质量控制作业指导书.docx》由会员分享,可在线阅读,更多相关《KJWIF-QA-18在线压力打检质量控制作业指导书.docx(9页珍藏版)》请在第壹文秘上搜索。

1、文件修改记录版本修订次数日期修订内容002011-10-31A12012-05-25修订A22012-09-11修订6.4.4分发号:(仅适用于控制文件)(仅盖有红色印章的文件才有效)1.0目的通过样罐调整压力打检机参数,确保不符合标准要求的产品被剔除。2.0适用范围适用两片罐在线单罐压力检测。3.0术语(无)4.0职责4.1 质检部:负责对压力打检机的有效性进行验证以及击出品进行统计、分析和异常情况处理;4.2 生产部负责对击出品进行外观检查、称重和不良品的销毁等;4.3 设备部负责对压力打检机的调整,保障压力打检机处于正常运行状态。5.1 工作流程图5.2 程序6.1设备检测原理:6.1.

2、1在线1#压力打检机(TapTone500):检测容器盖的弯曲度以确定容器内的压力,该探头是一种高速的类比邻近探头,它可以检测速度为2000罐/分钟的生产线上容器盖的弯曲度。精密的算法确定了相应的曲度下对应的容器内不同的压力;6.1.2在线2#压力打检机(TapTone4000):产品通过立式输送带传感器利用一个宽的电磁脉冲来刺激罐体,对罐体施加一个轻轻的击打力。根据罐内压力的大小按照固有频率振动。合成单音信号由一个扩音器来扩大,经数字采样后储存在内存中等待处理。数字信号处理机产生一个实时信号频谱并计算出该包装音调的合成频率。然后,将该频率与用户设定的极限值进行比较,那些频率响应超出极限的容器

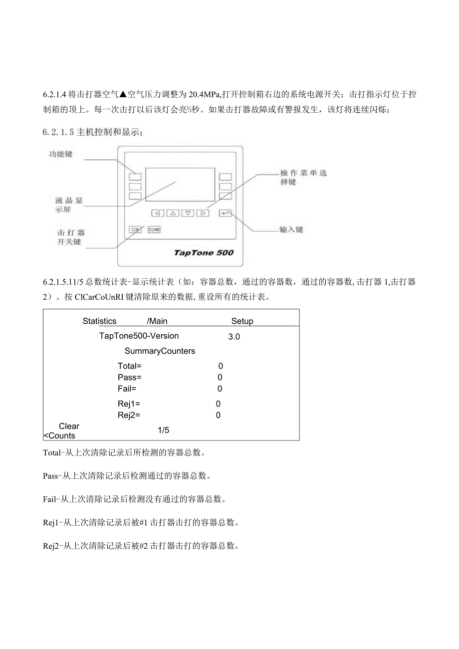
3、将被判定为不合格。6.2设备运行前检查和确认6.2.1在线1#压力打检机(TapTone500):6.2.1.1检查设备探头位置是否位于输送带中央及保证正常生产时产品能从探头正下方通过;6.2.L2调整探头最下端与产品最上端的距离保持在3-5Dlnb锁紧支杆高度螺丝,并将支杆上的刻度用记号笔记录在支杆上,方便巡查;6.2.L3检查探头两边的光源是否平行并正对产品206缩颈处(中间位置);6.2.1.4将击打器空气空气压力调整为20.4MPa,打开控制箱右边的系统电源开关;击打指示灯位于控制箱的顶上。每一次击打以后该灯会亮秒。如果击打器故障或有警报发生,该灯将连续闪烁;6.2.1.5.11/5总

4、数统计表-显示统计表(如:容器总数,通过的容器数,通过的容器数,击打器1,击打器2)。按ClCarCoUnRI键清除原来的数据,重设所有的统计表。Statistics/MainSetupClearCountsTapTone500-VersionSummaryCountersTotal=0Pass=0Fail=0Rej1=0Rej2=01/53.0Total-从上次清除记录后所检测的容器总数。Pass-从上次清除记录后检测通过的容器总数。Fail-从上次清除记录后检测没有通过的容器总数。Rej1-从上次清除记录后被#1击打器击打的容器总数。Rej2-从上次清除记录后被#2击打器击打的容器总数。C

5、learCounts-重设所有的统计表并将表格归零。键重设所6.2.1.5.22/5#1探头的有效值-显示#1探头每一次检测出的数值。按有的统计表并将表格归零。如果选择#1检测器菜单,#1探头菜单下邻近,激光或翘盖探头的数值也将显示。StatiatiCa/MainSatIm0=pass=1023ProfileMeanSdevSkew000.00.00MissingSwelledCocked000RejectsProfile=0Missing=0Swelled=0Cocked=0ClearSensor#1-Proximity2/5邻近和激光屏显内容(K=PaSS=1023-外形检测时击打的最高和

6、最低值。Profile-弯曲度检测时的有效值(0T023)。Missing-丢盖检测时的有效值(0-1023)0Swelled-易拉罐膨胀检测时的有效值(0-1023).Cocked-翘盖检测时的有效值(OTO23)。Mean-外形检测时平均值(OTO23)。Sdev-外形检测时的标准偏差(0-99.9)。Skew-外形检测时的统计偏斜(0-9999.99)。Rejects Rejects Rejects RejectsProfile-外形检测时被击打的总数值。Missing-丢盖检测时被击打的总数值。Swelled-易拉罐膨胀检测时被击打的总数值。Cocked-翘盖检测时被击打的总数值。Se

7、nsor#1Proximity-区分探头的编号和类型。Clear-重设所有的统计表并将表格归零。6.2.1.5.31/8高/低限制-设定#1外形检测的击打高/低限(OTo23)。按显示屏两边的键以激活和箭头调整这些参数,虚线两边黑色矩阵图显示出了高/低限。你必须按I存储新设的参数值。Low -任何低于该值的容器将被击打出输送带(OTO23)。High-任何高于该值的容器将被击打出输送带(OTO23)。6.2.1.5.4击打器参数控制Inspect3/Rejector1ReiectonSensor 1Sensor 2-DirnpIe _ Sym. HeightOverUnderPLC Input

8、s院择键页面L1/6探头的选择-选择一个将用于被1击打器击打的检测探头,用滚过每一个检测探头并按按钮以开或关检测击打功能。圆圈中带点的选项表明检测到的即将被击落的容器将由#1击打器击打。页面2:2/6脉冲宽度-该参数以毫秒为单位设定#1击打器的击打脉冲信号持续时间(5-1000ms)o按石?CCI画画建以测试和击打下一个将通过的容器。页面3:3/6击打延时-该参数当#1击打器用编码器脉冲激发时才起控制的作用。它到触发光束的距离是以编码器脉冲的数量反映出来的(5-9999)。本参数只有在编码器控制开启后才可见并被激活。按回j|健以测试和击打下一个将通过的容器。页面4:4/6罐的尺寸-本参数以毫米

9、为单位设定罐的三维尺寸(5TOoOmm)O按|遨!键以测试和击打下一个将通过的容器。测试点应该在容器确好挡住光束时。页面5:5/6击打距离-本参数以毫秒为单位控制击打器的触发时间。激发光束到击打板的距离是以毫秒为单位计量的(OTOoOmm)o本参数只有在编码器控制关闭后才可见并被激活。延时时间是在罐通过的时间,罐的尺寸和击打距离值的基础上计算得出的。按键以测试和击打下一个将通过的容器。6.2.2在线2#压力打检机(TapTone4000):6.2.2.1检查立式输送带是否处于罐身两加强环之间,不得处于两加强环上,否则测力不真实;调整适宜的高度后,必须锁紧支杆高度螺丝,并将支杆上的刻度用记号笔记

10、录在支杆上,方便巡查;6.2.2.2检查立式输送带之间的距离是否适宜。产品通过立式输送带时太松会导致测力偏小;产品通过立式输送带时太紧会导致测力偏大,并给传感器增加负荷,甚至损坏传感器;调整适宜的宽度后,必须锁紧宽度锁紧螺丝,并将刻度用记号笔记录在杆上,方便巡查;6.2.2.3将击打器空气调节器上的空气压力调整为20.4MPa,打开控制箱右下侧的系统电源开关;击打指示灯和立式输送带运行指示灯共用一个红灯、一个绿灯,位于控制箱的顶上。击打器和立式输送带被关闭时红灯亮,反之绿灯亮。6.2.2.4主机控制和显示功能键T4000*%*%消除计数fflp6.2.2.4.1点击触摸屏幕外左下角“恒key弹

11、出七项菜单,点击登录菜单根据密码权限进入操作界面进行各项参数设置,每天开机时应对各项参数进行确认;6.2.2.4.2登录完毕后,进入主屏幕菜单在屏幕右下角显示有压力打检机“主机图标”,点击此图标进入后有四个菜单,点击进入题图菜单进入后点击直方图弹出直方图数据,根据产品压力标准进行测力限值的设定,设定好后点击I钮完成测力限值参数的设置,点击三图标返回上级菜单;6.2.2.4.3设定好打检机测力限值后,返回主屏幕,点I击打髭图标时剔除器进行参数设置,点击参数菜单选择剔除器1分别有剔除距离、速度补偿(对输送带速度的补偿)、脉冲宽度(剔除器剔除时的宽度)根据输送带的速度对各项参数进行设置,设置完成后点

12、击6. 2. 2. 4. 4待各项参数设置完成后,点击屏幕左下角三上2开启剔除器,此时机顶剔除器红灯熄灭,点击三关闭剔除器,此时机顶剔除器红灯呈闪烁状态;6 2. 2. 4. 5开辟H吩哭后,点击屏幕左下角工工开启立式输送带(与输送带同步运行) 6.3,关闭立式输送带。6.4安装后设备验证参考压力打检工序工艺验证规范JDB/WI-GQA085 样罐制作和过程监控频率6. 4.1标准样罐制作及样品管理6 4.1.1分别取约25下加多宝凉茶溶液310M1 (或称取321g),灌入无任何印字的白色基础两片罐空罐中,按照所需压力药品的配比加入分别用薄纸包好的相应量碳酸氢钠和柠 檬酸,立即封口制得样罐;

13、序号碳酸氢钠(g)柠檬酸(g)参考压力 (MPa)10.93. 000. 0822. 13. 000. 206. 4. 1.2 1#压力打检机用样罐0.20MPa不需要杀菌;2#压力打检机用样罐0. 08 MPa,需按 正常工艺杀菌;6.4.1.3每个压力样罐至少制作6个平行样,用压力仪测定其中3个平行样的压力,保留其余样罐作为非破坏测定压力样品,如果两个平行样实际测出的压力差大于02kgfcm2,应重新制作;6.4.1.4将平行样压力的平均值记录在相应的样罐上,把平行样实际测出压力的平均值作为样罐的压力;6.4.1.5将相应样品编号、压力值、制作日期标识于罐身,并记录在“样罐登记记录表”中,

14、例:“DI、0.20MPa、20081028;用油性笔将样罐面盖涂花,以便识别。6.4.2标准样罐试机前的预处理项目样罐外观要求样罐压力预热温度有效期1#压力打检机样罐制作标识要清晰,样罐外观无变形、无漏、无起皱0.20MPa常温三天内或视样罐情况重新制作2#压力打检机样罐制作标识要清晰,样罐外观无变形、无漏、无起皱0.08MPa40oC五天内或视样罐情况重新制作6.4.3开机生产前,分别用标准样罐测试压力打检机不少于5次,确认压力打检正常后方可开机生产;6.4.4正常生产情况下,每半小时用标准样罐测试压力打检机不少于3次,并记录于压力打检机运行记录表中。每次测试时,应同时检查击出品的击出原因,并针对异常原因采取有效的纠偏措施,防止质量事故发生;6.4.5样罐需妥善保管,禁止混入合格产品之中;标准样罐由质检部统一制作、发放、收集销毁,并做好记录;6. 4.6标准样罐要求罐体无明显变形,使用时视样罐实际情况进行更换,1#压力标准样罐制作日期到报废口期不超过3天,领用日期到报废日期不超过3天;2#压力标准样罐制作可杀菌后保存,制作日期到报废日期不超过5天,领用日期到报废日期不超过3天。6.5 每班

展开阅读全文
相关资源
猜你喜欢
相关搜索

当前位置:首页 > 管理/人力资源 > 质量管理

copyright@ 2008-2023 1wenmi网站版权所有

经营许可证编号:宁ICP备2022001189号-1

本站为文档C2C交易模式,即用户上传的文档直接被用户下载,本站只是中间服务平台,本站所有文档下载所得的收益归上传人(含作者)所有。第壹文秘仅提供信息存储空间,仅对用户上传内容的表现方式做保护处理,对上载内容本身不做任何修改或编辑。若文档所含内容侵犯了您的版权或隐私,请立即通知第壹文秘网,我们立即给予删除!