材料堆放区及加工区设置.docx

上传人:p** 文档编号:492452 上传时间:2023-09-19 格式:DOCX 页数:4 大小:26.08KB
下载 相关 举报
材料堆放区及加工区设置.docx_第1页
第1页 / 共4页
材料堆放区及加工区设置.docx_第2页
第2页 / 共4页
材料堆放区及加工区设置.docx_第3页
第3页 / 共4页
材料堆放区及加工区设置.docx_第4页
第4页 / 共4页
亲,该文档总共4页,全部预览完了,如果喜欢就下载吧!
资源描述

《材料堆放区及加工区设置.docx》由会员分享,可在线阅读,更多相关《材料堆放区及加工区设置.docx(4页珍藏版)》请在第壹文秘上搜索。

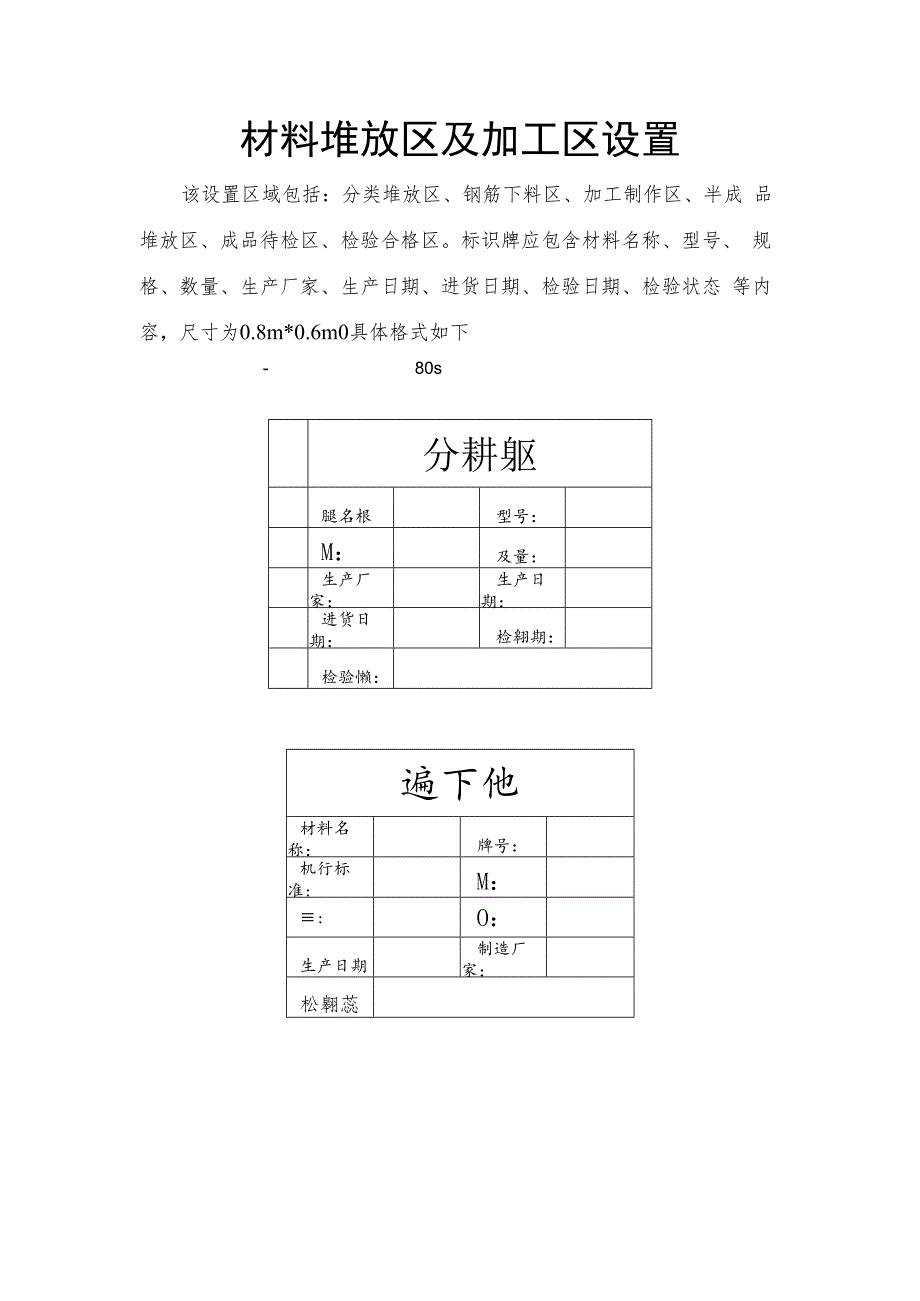
材料堆放区及加工区设置该设置区域包括:分类堆放区、钢筋下料区、加工制作区、半成 品堆放区、成品待检区、检验合格区。标识牌应包含材料名称、型号、 规格、数量、生产厂家、生产日期、进货日期、检验日期、检验状态 等内容,尺寸为0.8m*0.6m0具体格式如下-80s分耕躯腿名根型号:M:及量:生产厂家:生产日期:进货日期:检翱期:检验懒:遍下他材料名称:牌号:机行标准:M::O:生产日期制造厂家:松翱蕊co CD 35S成品待检区雕名称:规检生产厂家:O:飕号:懒日削到货日熊检验人员:检验懒:80smCO8合格区椭名根:生产厂家:教最m:报告编号:到货日期:检嬖人员:检驶状态:UO9共设置6个标识牌,标识牌题目字体采用仿宋、6号字体,下面 表格中字体采用仿宋、3号字体,表格内字数过多时可适当调整;表 格宽度以第一个表格尺寸为例,图中尺寸为Cn)计,横向宽度可根据 字数调整。

展开阅读全文
相关资源
猜你喜欢
相关搜索

当前位置:首页 > 办公文档 > 事务文书

copyright@ 2008-2023 1wenmi网站版权所有

经营许可证编号:宁ICP备2022001189号-1

本站为文档C2C交易模式,即用户上传的文档直接被用户下载,本站只是中间服务平台,本站所有文档下载所得的收益归上传人(含作者)所有。第壹文秘仅提供信息存储空间,仅对用户上传内容的表现方式做保护处理,对上载内容本身不做任何修改或编辑。若文档所含内容侵犯了您的版权或隐私,请立即通知第壹文秘网,我们立即给予删除!