地下室基坑土方开挖边坡围护.docx

上传人:p** 文档编号:503121 上传时间:2023-10-02 格式:DOCX 页数:15 大小:322.29KB
下载 相关 举报
地下室基坑土方开挖边坡围护.docx_第1页
第1页 / 共15页
地下室基坑土方开挖边坡围护.docx_第2页
第2页 / 共15页
地下室基坑土方开挖边坡围护.docx_第3页
第3页 / 共15页
地下室基坑土方开挖边坡围护.docx_第4页
第4页 / 共15页
地下室基坑土方开挖边坡围护.docx_第5页
第5页 / 共15页
地下室基坑土方开挖边坡围护.docx_第6页
第6页 / 共15页
地下室基坑土方开挖边坡围护.docx_第7页
第7页 / 共15页
地下室基坑土方开挖边坡围护.docx_第8页
第8页 / 共15页
地下室基坑土方开挖边坡围护.docx_第9页
第9页 / 共15页
地下室基坑土方开挖边坡围护.docx_第10页
第10页 / 共15页
亲,该文档总共15页,到这儿已超出免费预览范围,如果喜欢就下载吧!
资源描述

《地下室基坑土方开挖边坡围护.docx》由会员分享,可在线阅读,更多相关《地下室基坑土方开挖边坡围护.docx(15页珍藏版)》请在第壹文秘上搜索。

1、地下室基坑土方开挖边坡围护本工程紧靠钱塘江,土层渗透系数大,地下水位直接受到潮讯的影响,地下室施工如措施不当,既影响工期,又影响质量,会造成非常被动的局面。务必重视。本工程地下室基坑土方开挖深度,到底板承台地梁垫层底北区为3.50米,局部变配电间处为6.40米(以目前自然地面标高6.30米来计算);南区动力用房处为6.60米(以目前自然地面标高5.50米来计算)。根据地质报告情况和地下室开挖深度,为确保本工程地下室土方开挖时基坑周边土坡稳定,基坑均采用土钉墙围护和井点降水的技术方案。由于市对基坑开挖深度超过4.5米边坡围护设计有规定,必须由深基围护设计资质的单位来设计,且具体的施工图尚未出,故

2、本施工方案仅为我总承包方一面的建议。地质报告反映,地下水位一般埋深于地表下1.10-2.95米左右,属潜水型,地下水受大气降水及钱塘江潮水涨落的影响。基坑开挖涉及的土层有:地层为素填土,平均层厚L50米;一1地层为粉土,平均层厚L50米;一2层为淤泥质粉土,平均层厚2.00米和一1层粉土,平均层厚3.60米。根据地质报告情况和选定的施工方案,一定要做好降低地下水位工作,必须将水位降到基坑底面以下,以防止粉土的流失,产生边坡塌方。但在降水施工时,必须做好对周边环境监测。土钉墙围护在基坑范围采用二六排锚杆,钢筋锚杆为25,水平间距为Ioo0,长度为800012000,锚杆呈8角进入土层。各排水平锚

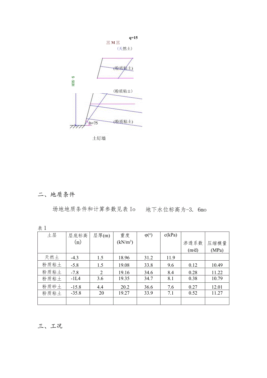
3、杆采用222L=250锚头与216通长加强筋烧焊加固。采用C20喷射於厚100,其中分布6200X200双向钢筋网一层。围护计算如下:UT斯达康工程基坑围护设计围护结构计算书一、工程概况UT斯达康工程基坑围护设计基坑开挖深度南区动力用房处为6.6m,基坑坡角为75。,采用土钉墙作围护结构,共设6道土钉。计算时考虑地面超载15kPaoq=15三M三99UH(天然土)(粉质粘)土钉墙二、地质条件地下水位标高为-3. 6mo场地地质条件和计算参数见表Io表1土层层底标高(m)层厚(m)重度(kN/m3)(o)c(kPa)渗透系数(md)压缩模量(MPa)天然土-4.31.518.9631.211.9

4、粉质粘土-5.81.519.0833.89.60.1210.49粉质粘土-7.8219.1634.68.40.2811.22粉质粘土-1L43.619.3534.78.10.3810.79粉质砂土-15.84.420.236.67.60.2712.01粉质粘土-35.82019.2733.97.10.5211.27三、工况工况编号工况类型深度(m)倾角()水平间距(m)q(kPa)直径(mm)长度(m)钢筋直径(mm)钢筋根数1开挖1.62加钉1.18120120122513开挖2.64加钉2.18125120122515开挖3.66加钉3.18125120122517开挖4.68加钉4.18

5、125120122519开挖5.610加钉5.181281201225111开挖6.612加钉6.1812512012251四、计算降水计算:降水幅度s(m)8透水层顶面深度(m)0透水层底面深度(m)20初始水头高度0.8基坑等效半径n(11)58降水影响半径R(m)42.14井底端深度(m)15单井出水能力q(m3/d)0.5井半径(Inm)24计算得到基坑涌水量为小52384411)3d。设计井数量为1153。降水引起沉降:按上海市规程简化方法为Omm,按分层总和法为Ommo最后一工况土钉受力和承载力及基坑稳定性土钉编号深度(m)长度(In)倾角()直径(mm)q(kPa)水平间距Tjk

6、(kN)(kN)TUjj(kN)11.112812020135619.6815222.11281202519748.3815233.112812025117774.5415244.112812025124803.2715255.112812028132922.8915266.112812025139862.16152q钉士粘结强度Tjk土钉所受荷载Tuj土钉承载力Tg土钉材料抗拉强度土钉墙整体稳定验算15铁然士)(粉质粘土)(粉质粘土)(粉质粘土)安全系数2.51Illlllllllllllllllllllllllllim土钉墙稳定验算UT斯达康工程基坑围护设计-2.6-5.3剖面围护结构计算

7、书一、工程概况UT斯达康工程基坑围护设计-2.6-5.3剖面基坑开挖深度为2.7m,基坑坡角为75。,采用土钉墙作围护结构,共设2道土钉。计算时考虑地面超载15kPao土钉墙二、地质条件场地地质条件和计算参数见表1。地下水位标高为-3.4m。表1土层层底标高(m)层厚(Dl)重度(kNm3)(o)c(kPa)渗透系数(md)压缩模量(MPa)天然土-4.11.518.9631.211.9粉质粘土-5.61.519.0833.89.60.1210.49粉质粘土-7.6219.1634.68.40.2811.22粉质粘土-11.23.619.3534.78.10.3810.79粉质砂土-15.61

8、.120.236.67.60.2712.01粉质粘土-35.62019.2733.97.10.5211.27三、工况工况编号工况类型深度(m)倾角(0)水平间距(In)q(kPa)直径(mm)长度(m)钢筋直径(mm)钢筋根数1开挖1.62加钉1.1812012082513开挖2.74加钉2.181251208251四、计算降水计算:降水幅度S(In)8透水层顶面深度(m)0透水层底面深度(m)20初始水头高度0.8基坑等效半径r(m)58降水影响半径R(m)42.14井底端深度(m)15单井出水能力q7d)0.5井半径(mm)24计算得到基坑涌水量为8523.844m7d设计井数量为1153

9、。降水引起沉降:按上海市规程简化方法为Omm,按分层总和法为Ommo最后一工况土钉受力和承载力及基坑稳定性土钉编号深度(m)长度(m)倾角()直径(mm)q(kPa)水平间距T泳(kN)TUj(kN)TUi/TujTK(kN)11.18812020134214.5315222.18812025110565.71152q钉土粘结强度Tjk土钉所受荷载Tuj土钉承载力Tg土钉材料抗拉强度土钉墙整体稳定验算抗滑移K=14.05抗倾覆K=96.31UT斯达康工程基坑围护设计一5.3-9.4围护结构计算书一、工程概况UT斯达康工程基坑围护设计一5.39.4基坑开挖深度为2.7m,基坑坡角为75。,采用土

10、钉墙作围护结构,共设3道土钉。计算时考虑地面超载63.6kPao二、地质条件场地地质条件和计算参数见表1。地下水位标高为-5.3m。表1土层层底标高(111)层厚(m)重度(kNm3)(o)c(kPa)渗透系数(md)压缩模量(MPa)粉质粘土-6.10.819.0833.89.60.1210.49粉质粘土-8.1219.1634.68.40.2811.22粉质粘土-11.73.619.3534.78.10.3810.79粉质砂土-16.14.420.236.67.60.2712.01粉质粘土-36.12019.2733.97.10.5211.27三、工况工况编号工况类型深度(m)倾角()水平

11、间距(m)q(kPa)直径(mm)长度(m)钢筋直径(mm)钢筋根数1开挖1.22加钉0.68120120122513开挖2.24加钉1.68125120122515开挖2.76加钉2.6812512012251四、计算降水计算:降水幅度SGn)8透水层顶面深度(In)0透水层底面深度(m)20初始水头高度0.8基坑等效半径r(m)58降水影响半径R(m)42.14井底端深度(In)15单井出水能力q(m3d)0.5井半径(mm)24计算得到基坑涌水量为0%65.903m7do设计井数量为1153。降水引起沉降:按上海市规程简化方法为41.372mm,按分层总和法为106.678mmo最后一工况土钉受力和承载力及基坑稳定性土钉编号深度(m)长度(m)倾角()直径(mm)q(kPa)水平间距Tjk(kN)

展开阅读全文
相关资源
猜你喜欢
相关搜索

当前位置:首页 > 建筑/环境 > 设计及方案

copyright@ 2008-2023 1wenmi网站版权所有

经营许可证编号:宁ICP备2022001189号-1

本站为文档C2C交易模式,即用户上传的文档直接被用户下载,本站只是中间服务平台,本站所有文档下载所得的收益归上传人(含作者)所有。第壹文秘仅提供信息存储空间,仅对用户上传内容的表现方式做保护处理,对上载内容本身不做任何修改或编辑。若文档所含内容侵犯了您的版权或隐私,请立即通知第壹文秘网,我们立即给予删除!