某安置房工程饰面工程.docx

上传人:p** 文档编号:504556 上传时间:2023-10-02 格式:DOCX 页数:3 大小:16.80KB
下载 相关 举报
某安置房工程饰面工程.docx_第1页
第1页 / 共3页
某安置房工程饰面工程.docx_第2页
第2页 / 共3页
某安置房工程饰面工程.docx_第3页
第3页 / 共3页
亲,该文档总共3页,全部预览完了,如果喜欢就下载吧!
资源描述

《某安置房工程饰面工程.docx》由会员分享,可在线阅读,更多相关《某安置房工程饰面工程.docx(3页珍藏版)》请在第壹文秘上搜索。

1、某安置房工程饰面工程本工程外墙下部为石材挂贴墙面,外墙石材墙面施工应在屋面防水施工完工后,从上往下进行。(可按1或2步架高度分仓)。在同一仓内,应由左下角开始从下至上逐排流水。(一)施工程序基层检查处理一测量放线一钻孔、剔槽一穿铜丝一绑扎钢筋网一安装石材一灌浆一擦缝(二)施工工艺1、检查处理:基层为混凝土墙面,应把混凝土剔平,大钢模施工的墙面应凿毛。基层为豉混的墙面应堵砌好脚手眼,检查墙面的凹凸情况,凸出墙面的砖要剔平,墙面残存的砂浆、灰尘、污垢、油渍要清理干净。2、测量放线:根据设计图纸确定标高线及排版线。3、石材钻孔、剔槽:按设计要求用台钻打眼或用砂轮机剔槽,孔或槽间距符合设计要求。4、穿

2、铜丝:铜丝剪成长200mm左右,穿入孔或槽内绑扎牢固。5、绑扎钢筋网:先在墙面上埋膨胀螺栓,把竖筋焊在螺栓上,水平横筋焊在竖筋上,焊接要牢固。6、安装石材:按部位取石材舒直铜丝,铜丝捆绑于水平钢筋上。安装时,石材上口外仰,右手伸入石材背面捆绑下部铜丝于水平横筋上,绑时不要太紧,可留余量。只要把铜丝栓牢即可。把石材竖起,便可绑石材上口铜丝,并用木楔子垫稳,板块与墙面间隙控制应符合设计要求,用靠尺检查调整木楔,再栓紧铜丝。7、灌浆:用配合比1:2.5水泥砂浆(稠度一般为812Cnl)灌浆。边灌边用橡皮锤轻击石材排气,第一层浇灌高度15cm,不超过板高1/3,第一次灌入后12h,进行第二次灌浆,高度

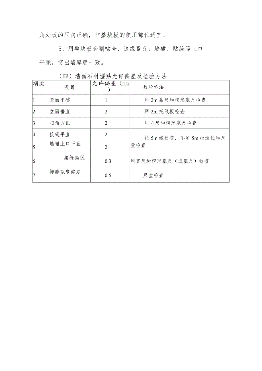
3、为2030cm,第三次灌浆至低于板上口5cm为止。8、擦缝:石材安完后,清除余浆痕迹,用麻布擦洗干净,并用石材颜色调制色浆嵌缝,边嵌边擦干净,使缝隙密实、均匀、干净、颜色一致。注意嵌缝先做样板,待业主、监理认可后,才能大面积铺开。注意:为防止石材泛碱变色,可在石材背面先涂刷一层防水剂。(三)质量指标及检验手段1、石材品种、规格、颜色、图案必须符合设计要求,颜色应基本一致,无明显色差。2、石材安装牢固,无歪斜、缺楞掉角和裂缝等缺陷,。3、表面无变色、起碱、污痕和光泽显著受损处,无空鼓现象。4、接缝填嵌密实、平直,宽窄一致,颜色一致,阴阳角处板的压向正确,非整块板的使用部位适宜。5、用整块板套割吻合、边缘整齐;墙裙、贴脸等上口平顺,突出墙厚度一致。(四)墙面石材湿贴允许偏差及检验方法项次项目允许偏差(mm)检验方法1表面平整1用2m靠尺和楔形塞尺检查2立面垂直2用2m托线板检查3阳角方正2用方尺和楔形塞尺检查4接缝平直2拉5m线检查,不足5m拉通线和尺量检查5墙裙上口平直26接缝高低0.3用直尺和楔形塞尺(或塞尺)检查7接缝宽度偏差0.5尺量检查

展开阅读全文
相关资源
猜你喜欢
相关搜索

当前位置:首页 > 建筑/环境 > 环保行业

copyright@ 2008-2023 1wenmi网站版权所有

经营许可证编号:宁ICP备2022001189号-1

本站为文档C2C交易模式,即用户上传的文档直接被用户下载,本站只是中间服务平台,本站所有文档下载所得的收益归上传人(含作者)所有。第壹文秘仅提供信息存储空间,仅对用户上传内容的表现方式做保护处理,对上载内容本身不做任何修改或编辑。若文档所含内容侵犯了您的版权或隐私,请立即通知第壹文秘网,我们立即给予删除!