某装修工程塑钢窗安装专项施工方案.docx

上传人:p** 文档编号:504692 上传时间:2023-10-02 格式:DOCX 页数:4 大小:66.44KB
下载 相关 举报
某装修工程塑钢窗安装专项施工方案.docx_第1页
第1页 / 共4页
某装修工程塑钢窗安装专项施工方案.docx_第2页
第2页 / 共4页
某装修工程塑钢窗安装专项施工方案.docx_第3页
第3页 / 共4页
某装修工程塑钢窗安装专项施工方案.docx_第4页
第4页 / 共4页
亲,该文档总共4页,全部预览完了,如果喜欢就下载吧!
资源描述

《某装修工程塑钢窗安装专项施工方案.docx》由会员分享,可在线阅读,更多相关《某装修工程塑钢窗安装专项施工方案.docx(4页珍藏版)》请在第壹文秘上搜索。

1、某装修工程塑钢窗安装专项施工方案一、安装前准备工作1、测出各窗洞口中线,并逐一作出标记。对同类型的窗洞口,上下、左右方向位置偏差应符合以下要求。1.1、处于同一垂直位置的相邻洞口,中线左右位置相对偏差不应大于IOmm;全楼高度内,所有处于同一垂直线位置的各楼层洞口,左右位置相对偏差不应大于15Inm(全楼高度小于30m)或20mm(全楼高度大于或等于30m)。1.2、处于同一水平位置的相邻洞口,中线上下位置相对偏差不应大于IOnrnu全楼长度内,所有处于同一水平线位置的各楼层洞口,上下位置相对偏差不应大于20mmO2、塑钢窗的构造尺寸应考虑洞口与待安装塑钢窗框的伸缩缝间隙及墙体饰面材料的厚度。

2、伸缩缝间隙应符合国家相关规范的规定。二、施工程序检查并实测洞口尺寸f按实测尺寸(扣除安装缝隙)一下料f组装框一安立柱f刷防腐涂料f安装框T填塞四周灰缝一安装扇一安装玻璃一检查校正。三、安装要求1、门窗安装固定是通过锚固铁脚实现的,锚铁脚固定冲击IOMM孔,埋入膨胀螺栓固定2、立柱与外框安装时先卡紧,以手摇窗框不晃动为准,然后用吊线法,用水平仪、钢卷尺等检查。检查水平、垂直度,并检查对角线是否符合要求,要求垂直度、水平度和对角线长度的误度在2MM以内,合格后再固定,外框与洞口缝隙应用玻璃棉毡条分层填塞,弹性连接层固定,外留58深的槽口,填嵌密封材料。3、内外装饰完,清扫工作就序后,始可进行窗扇安

3、装工作,先将玻璃安入窗扇,撕窗框上的保护纸,再安装窗扇,然后再进行第二次检查缝隙等直至符合质量要求为止。4、为防止水泥,电火花等污染,施工时要作好保护、安装过程中即时清理门窗表面的水泥砂浆、密封膏等。粉刷全部完成后,将保护胶纸撕去,并用醋酸乙酯擦试,污染部位用香蕉水擦净。四、安装方法1、塑钢窗安装采用固定片法安装。2、根据设计图纸确定窗框的安装位置。当窗框装入洞口时,其上下框中线应与洞口中线对齐;门窗的上下框四角及中横梃的对称位置应用木楔或垫块塞紧作临时固定;当下框长度大于0.9m时,其中央也要用木楔或垫块塞紧,临时固定;然后按设计图纸确定窗框在洞口墙体厚度方向的安装位置。3、塑钢窗的安装允许

4、偏差必须符合下表的规定。塑钢窗的安装允许偏差项目允许偏差(mm)检验方法窗框外形(高、宽)尺寸长度差1500mm2用精度IInrn钢卷尺,测量外框两相对外端面,测量部位距端部100mm1500mm3窗框两对角线长度差2000mm3用精度Imm钢卷尺,测量内角2000mm5窗框(含拼槿料)正、侧面垂直度3用Im垂直检测尺检查窗框(含拼橙料)水平度.3.0用InI水平尺和精度0.5mm塞尺检查窗下横框的标高5用精度Imm钢直尺检查,与基准线比窗竖向偏离中心5.0用精度o.5mm钢直尺检查推拉门窗门、窗扇与框搭接量2.0用深度尺或精度0.5mm钢直尺检查门、窗扇与框或相邻扇立边2.0用精度O.5mm

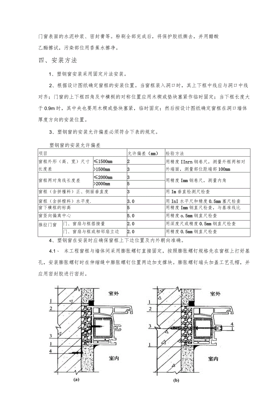
5、钢直尺检查4、塑钢窗在安装时应确保窗框上下边位置及内外朝向准确。4.1、 本工程窗框与墙体间采用膨胀螺钉直接固定,按照膨胀螺钉规格先在窗框上打好基孔,安装膨胀螺钉时在伸缩缝中膨胀螺钉位置两边加支撑块。膨胀螺钉端头加盖工艺孔帽,并应用密封胶进行密封。(b)1 一密封胶;2一聚氨酯发泡胶;1一密封胶;2一聚氨酯发泡胶;3固定片;4一膨胀螺钉钉;3一膨胀螺4一工艺孔帽塑钢窗安装节点图4.2、 固定片或膨胀螺钉的位置应距门窗端角、中竖梃、中横梃15(200,固定片或膨胀螺钉之间的间距应符合设计要求,并不大于600mn.不得将固定片直接装在中横梃、中竖梃的端头上。5、塑钢窗与墙体固定时,应先固定上框,后

6、固定边框。固定片形状应预先弯曲至贴近洞口固定面,不得直接锤打固定片使其弯曲。6、窗框与洞口缝隙处理方法:先将窗下框与洞口间缝隙用防水砂浆填实,填实后撤掉临时固定用木楔或垫块,空隙也用防水砂浆填实,并在窗框外侧做防水处理。外侧抹灰时,做出流水坡度,并采用片材将抹灰层与窗框临时隔开,留宽度及深度均为58mm的槽。抹灰面不能影响窗扇的开启,并不能盖住排水孔。待外侧抹灰层硬化后,撤去片材,然后将密封胶挤入沟槽内填实抹平。打胶前将窗框表面清理干净,打胶部位两侧的窗框及墙面均用遮蔽条遮盖严密,密封胶的打注要饱满,表面平整光滑,刮胶缝的余胶不得重复使用。密封胶抹平后,立即揭去两侧的遮蔽条。外侧抹灰不得低于内

7、侧,内侧与窗框之间也采用密封胶密封。7、窗框与洞口之间的伸缩缝内采用聚氨酯发泡胶填充,发泡胶填充要均匀、密实。发泡胶成型后不能切割。打胶前,框与墙体间伸缩健外侧用挡板盖住;打胶后,及时拆下挡板,并在l(5min内将溢出泡沫向框内压平。8、窗洞口内外侧与窗框之间缝隙的处理应在聚氨酯发泡胶固化后进行,洞口内外侧与窗框之间采用普通水泥砂浆填实抹平,抹灰及密封胶的打注应符合规程的规定;9、窗框扇表面及框槽内粘有水泥砂浆时,在其硬化前,用湿布擦拭干净,不能使用硬质材料铲刮门窗(框)扇表面。10、窗扇待水泥砂浆硬化后安装,推拉门窗安装后框扇应无可视变形,门扇关闭严密,开关灵活。窗扇与窗框上下搭接量的实测值

8、(导轨顶部装滑轨时,减去滑轨高度)均不一口W小于6mmo推拉窗推拉窗11、玻璃的安装应平整、牢固,不得有松动现象,内外表面均应洁净,玻璃的层数、品种及规格符合设计要求。安装好的玻璃不直接接触型材,玻璃四边垫上不同作用的垫块,中空玻璃的垫块宽度与中空玻璃的厚度相匹配,垫块位置按右图放置,垫块用胶固定;安装玻璃密封条时,密封条要比压条略长,密封条与玻璃及玻璃槽口的接触平整,不卷边、脱槽,密封条断口接健粘接牢靠;玻璃装入窗扇框后,用玻璃压条将其固定,玻璃压条安装在室内侧,与玻璃全部贴紧,压条与型材的接健处无明显缝隙,压条角部对接健隙应小于ImnI。12、安装滑撑时,使用不锈钢紧固螺钉,并与框扇增强型钢或内衬局部加强钢板可靠连接。螺钉与框扇连接处进行防水密封处理。13、窗纱应固定牢固,纱扇关闭严密。安装五金件、纠较链及锁扣后,应整理纱网和压实压条。14、安装后的塑钢窗关闭时,密封面上的密封条应处于压缩态,密封层数应符合设计及规范要求。密封条连续完整,装配应均匀、牢固,无脱槽、收缩、虚压等现象;密封条接口严密,。窗表面洁净、平整、光滑,颜色均匀一致.可视面无划痕.碰伤等影响外观质量的缺陷。

展开阅读全文
相关资源
猜你喜欢
相关搜索

当前位置:首页 > 建筑/环境 > 装饰装潢

copyright@ 2008-2023 1wenmi网站版权所有

经营许可证编号:宁ICP备2022001189号-1

本站为文档C2C交易模式,即用户上传的文档直接被用户下载,本站只是中间服务平台,本站所有文档下载所得的收益归上传人(含作者)所有。第壹文秘仅提供信息存储空间,仅对用户上传内容的表现方式做保护处理,对上载内容本身不做任何修改或编辑。若文档所含内容侵犯了您的版权或隐私,请立即通知第壹文秘网,我们立即给予删除!