某酒店装修工程安全计划与管理措施.docx

上传人:p** 文档编号:504722 上传时间:2023-10-02 格式:DOCX 页数:7 大小:59.76KB
下载 相关 举报
某酒店装修工程安全计划与管理措施.docx_第1页
第1页 / 共7页
某酒店装修工程安全计划与管理措施.docx_第2页
第2页 / 共7页
某酒店装修工程安全计划与管理措施.docx_第3页
第3页 / 共7页
某酒店装修工程安全计划与管理措施.docx_第4页
第4页 / 共7页
某酒店装修工程安全计划与管理措施.docx_第5页
第5页 / 共7页
某酒店装修工程安全计划与管理措施.docx_第6页
第6页 / 共7页
某酒店装修工程安全计划与管理措施.docx_第7页
第7页 / 共7页
亲,该文档总共7页,全部预览完了,如果喜欢就下载吧!
资源描述

《某酒店装修工程安全计划与管理措施.docx》由会员分享,可在线阅读,更多相关《某酒店装修工程安全计划与管理措施.docx(7页珍藏版)》请在第壹文秘上搜索。

1、某酒店装修工程安全计划与管理措施8. 1安全计划根据工程进展的实际情况分别编制具有针对性的安全计划。8.1.1 施工用电使用安全计划;8.1.2 其它施工机具使用安全计划;8.1.3 脚手架搭拆安全计划。8.2安全重点、难点预控8.2.1 交叉作业安全防护8.2.1.1 各工种进行上下立体交叉作业时,不得在同一垂直方向上操作。下层操作必须在上层高度确定的可能坠落半径范围以外。8.2.1.2 活动架子等拆除时,应由专业人员进行操作,下方不得有其它人员,并设专人监护。8. 3安全管理8.1.1 安全管理方针安全第一、预防为主8.1.2 安全生产目标确保无重大工伤事故,杜绝死亡事故,轻伤频率控制在千

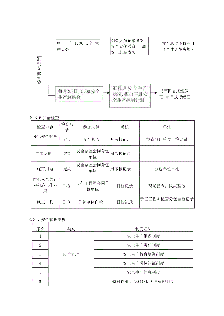
2、分之三以内。8.1.3 安全组织保证体系以项目经理为首,由现场经理、安全总监、专业责任工程师,各分包单位等各方面的管理人员组成安全保证体系(见安全保证体系图)。项目安全管理责任保证体系图:项目经理项目现场经理项目技术负责人I安全总监专业监理责任师I协力单位(含公司内部专业公司)8.1.4 安全教育程序新工人三级教育(各分包单位)安全资料下发 批阅教育考卷 填写教育卡上报项目经理部组织安全教育上报安全总监 备案8.3.5组织安全活动三检查班前工具 检查日安全注意 事项班前教育技术交底 (各分包单位)现场责任工程师 监督检查周一下午1:00安全 生产大会例会人员记录备案 安全宣传教育 上周安全总结

3、表彰安全总监主持召开 (全体人员参加)组织安全活动书面提交现场经 理,项目执行经理8.3.6安全检查检查内容检查形式参加人员考核备注分包安全管理定期安全总监月考核记录检查分包单位自检记录三宝防护定期安全总监会同分包单位周考核记录施工用电定期安全总监会同分包单位周考核记录分包单位日检作业人员的行为和施工作业层日检责任工程师会同分包单位日检记录现场指令,限期整改施工机具日检分包单位自检日检记录责任工程师检查分包自检记录8.3.7安全管理制度序次类别制度名称1岗位管理安全生产组织制度2安全生产责任制度3安全生产教育培训制度4安全生产岗位认证制度5安全生产值班制度6特种作业人员和外协力量管理制度7安全

4、生产奖罚制度8措施管理安全技术措施的编制和审批制度9安全技术措施实施的管理制度10安全技术措施的总结和评价制度11投入和物质管理安全设备、设施、和措施费用的编制和审批制Fi12劳动保护用品的购入(添置)、发放与管理制Fi13特种劳动防护用品定点使用管理制度14日常管理安全生产检查制度15安全生产交接班制度16安全隐患处理和安全整改工作的备案制度17安全和伤亡事故的报告、统计制度18安全生产资料归档和管理制度8.3.8安全管理工作8.3.8.1 项目经理部负责整个现场的安全生产工作,严格遵照施工组织设计和施工技术措施规定的有关安全措施组织施工。838.2责任工程师要对施工人员进行检查,认真作好分

5、部分项工程安全技术交底工作,被交底人要签字认可。8.3.8.3在施工过程中对薄弱部位环节要予以重点控制,特别是安全防火的预防工作。838.4对安全生产设施进行必要的合理的投入,劳动防护用品必须购买定点厂家认定产品。838.5分析安全难点,确定安全管理难点。在每个大的施工阶段开始之前,分析该阶段的施工条件,施工特点,施工方法,预测施工安全难点和事故隐患,确定管理点和预控措施措施,在本工程施工过程中,施工安全难点主要集中在以下几个方面:(1)搬运大理石、玻璃等材料时,防止发生磕碰伤人事故;(2)手持电动工具施工用电的安全等;(3)油漆等材料防中毒事故等安全卫生工作;(4)现场防火等工作。8.4保证

6、安全生产的措施8.4.1 安全管理制度8.4.1.1 安全生产责任制:建立、健全项目各级安全生产责任制,责任落实到人。各项经济承包有明确的安全指标,和包括奖惩办法在内的保证措施,总、分包间必须签订安全生产协议书。8.4.1.2 安全教育制度:新进场的工人必须进行安全教育,工人应掌握本工种操作技能,熟悉工种安全技术操作规程。8.4.1.3 工组织设计:施工组织设计应有针对性的安全技术措施,项目总工程师审核批准。8.4.1.4 分部分项工程安全技术交底:根据安全措施要求,和现场实际情况,各级管理人员需亲自逐级进行全面的、有针对性的安全技术交底,接受交底者履行签字手续。8.4.1.5 特种作业持证上

7、岗:特种作业人员必须经培训考试合格持证上岗,操作证必须按期复审,不得超期使用,名册齐全。8.4.1.6 安全检查:必须建立定期安全检查制度,有时间、有要求,明确重点部位、危险部位。安全检查有记录,对查出的隐患应及时整改,作到定人、定时间、定措施。一旦出现危及职工生命安全险情,要立即停工,同时即可报告公司,及时采取措施排除险情。8.4.1.7 安全活动:经理部每周一进行一次全现场的安全活动,总结讲评上周安全生产的情况,提出在本周应注意的安全事项,交叉施工中所应注意的事项,要有记录,对分包的安全活动要有考核措施。8.4.1.8 工伤事故处理:建立事故档案,按调查分析原则、规定进行处理报告,认真做好

8、“三不放过”工作。8.4.1.9 班前检查制:责任工程师必须督促与检查施工人员对安全防护措施是否进行了检查。8.4.2 凡进入施工现场的各类人员必须戴好安全帽,并系好帽带。二米以上的作业均属高空作业,必须佩带安全带。高空作业人员衣着灵便、禁止穿硬底和带钉易滑的鞋。高空作业人员施工时必须挂好安全带。8.4.3 手持电动工具的电源线、插头完好,工具的外绝缘应完好,维修和保管由专人负责。8.4.4 电焊机应单独设立开关。其外壳应做接零或接地保护,一次线长度应小于5m,二次线长度应小于30m,并安装防护罩,设置地点应防潮、防打击。8.4.5 中小型机械845.1 各种小型、手动机械设备的安全防护装置、

9、设施必须齐全。845.2 各种小型、手动机械设备严禁带病作业和非专业人员自行修理。845.3 木工作业,压刨送料和接料均不准戴手套,并应站在机床的一侧,材料走横或卡住时应停机、降低台面拨正,送料时手指必须离开滚筒20Cm以外,接料必须待料走出台面;圆盘踞的锯片不得有裂口,螺丝应上紧,操作时应带防护镜,站在锯片一侧,禁止站在锯片线上,手臂不得跨越锯片。845.4 施工现场使用门式架、临时活动架梯子等安放必须牢固可靠,防护齐全。845.5 凡患有心脏病、癫痫病、高血压、贫血等疾病者,严禁从事施工作业。845.6 油漆涂料施工845.6.1.1 油漆,因其易燃或有毒,故应存放在专用库房内,不允许与其

10、它材料混堆。对挥发性油料必须存放于密闭容器内,必须设专人保管。848.2 油漆涂料库房应有良好的通风,设置消防器材,悬挂醒目的“严禁烟火”的标志,库房与其它建筑物应保持一定的安全距离,严禁住人。848.3 使用煤油、汽油、松香水、丙酮等易燃物调配油料,应配带好防护用品,不准吸烟。848.4 沾染油漆或稀释油类的棉纱、破布等物,应全部收集存放在有盖的金属箱内,待不能使用时应集中消毁或用碱剂将油污洗净以备再用。848.5 .5刷涂作业过程中,如感头痛、恶心、心闷或心悸时,应立即停止作业到户外换取新鲜空气。8.4.9玻璃工程849.1 搬运玻璃时应戴手套,或用布、纸垫住将玻璃与手及身体裸露部分隔开。

11、849.2 裁划玻璃,应在规定场所进行。边角余料要集中堆放,并及时处理。849.3 .3安装玻璃时所使用的工具应放入袋内,随安随取。同时严禁将铁钉含于口内。849.4 .4独立悬空作业时必须拴好安全带,不准一手腋下夹住玻璃,一手扶梯攀登上下。849.5 安装完后所剩下的残余破碎玻璃应及时清扫和集中堆放,并要尽快处理,以避免伤人。8.4.10常见毒物防止方法8.4.10.1 苯:无色、透明具有芳香的液体,油漆中用来作溶剂,沸点80,极易挥发。苯中毒后头痛、头昏、记忆力减退、无力、失眠等。另外还能引起皮肤干燥骚痒,发红;热苯还可以引起皮肤水泡,出现脱脂性皮炎。预防的方法,应加强自然通风和局部的机械通风,严禁用苯洗手。8.4.10.2 汽油:无色透明液体,具有很强的挥发性,若在超过汽油蒸汽容许浓度的环境中长期工作,能使神经系统和造血系统损害,皮肤接触后有可能产生皮炎、湿疹和皮肤干燥。因此,在高浓度环境工作时,要戴防毒面具或加强机械通风;手上可涂保护性糊剂进行保护。工作结束后,用肥皂水洗净,并用水冲洗干净。

展开阅读全文
相关资源
猜你喜欢
相关搜索

当前位置:首页 > 办公文档 > 工作计划

copyright@ 2008-2023 1wenmi网站版权所有

经营许可证编号:宁ICP备2022001189号-1

本站为文档C2C交易模式,即用户上传的文档直接被用户下载,本站只是中间服务平台,本站所有文档下载所得的收益归上传人(含作者)所有。第壹文秘仅提供信息存储空间,仅对用户上传内容的表现方式做保护处理,对上载内容本身不做任何修改或编辑。若文档所含内容侵犯了您的版权或隐私,请立即通知第壹文秘网,我们立即给予删除!