西安市卫生学校围挡安装与垃圾场翻修搭建项目说明.docx

上传人:p** 文档编号:505822 上传时间:2023-10-02 格式:DOCX 页数:12 大小:30KB
下载 相关 举报
西安市卫生学校围挡安装与垃圾场翻修搭建项目说明.docx_第1页
第1页 / 共12页
西安市卫生学校围挡安装与垃圾场翻修搭建项目说明.docx_第2页
第2页 / 共12页
西安市卫生学校围挡安装与垃圾场翻修搭建项目说明.docx_第3页
第3页 / 共12页
西安市卫生学校围挡安装与垃圾场翻修搭建项目说明.docx_第4页
第4页 / 共12页
西安市卫生学校围挡安装与垃圾场翻修搭建项目说明.docx_第5页
第5页 / 共12页
西安市卫生学校围挡安装与垃圾场翻修搭建项目说明.docx_第6页
第6页 / 共12页
西安市卫生学校围挡安装与垃圾场翻修搭建项目说明.docx_第7页
第7页 / 共12页
西安市卫生学校围挡安装与垃圾场翻修搭建项目说明.docx_第8页
第8页 / 共12页
西安市卫生学校围挡安装与垃圾场翻修搭建项目说明.docx_第9页
第9页 / 共12页
西安市卫生学校围挡安装与垃圾场翻修搭建项目说明.docx_第10页
第10页 / 共12页
亲,该文档总共12页,到这儿已超出免费预览范围,如果喜欢就下载吧!
资源描述

《西安市卫生学校围挡安装与垃圾场翻修搭建项目说明.docx》由会员分享,可在线阅读,更多相关《西安市卫生学校围挡安装与垃圾场翻修搭建项目说明.docx(12页珍藏版)》请在第壹文秘上搜索。

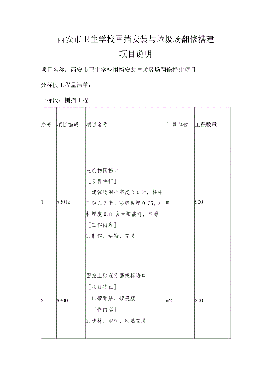
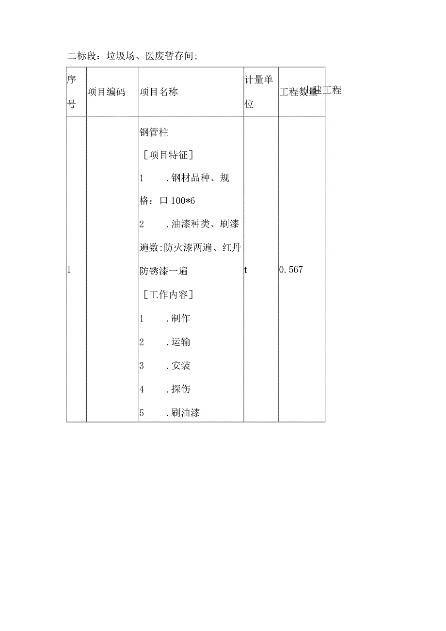
1、西安市卫生学校围挡安装与垃圾场翻修搭建项目说明项目名称:西安市卫生学校围挡安装与垃圾场翻修搭建项目。分标段工程量清单:一标段:围挡工程序号项目编码项目名称计量单位工程数量1ABO12建筑物围挡口项目特征1.建筑物围挡高度2.0米,柱中间距3.2米。彩钢板厚0.35,立柱厚度0.8,含太阳能灯,斜撑工作内容1.制作、运输、安装m8002ABOOl围挡上贴宣传画或标语口项目特征1.1,带背贴、带覆膜工作内容1.选材、印刷、粘贴安装m2200序号项目编码项目名称计量单位工程数量1钢管柱项目特征1 .钢材品种、规格:口100*62 .油漆种类、刷漆遍数:防火漆两遍、红丹防锈漆一遍工作内容1 .制作2

2、.运输3 .安装4 .探伤5 .刷油漆t0.567二标段:垃圾场、医废暂存间;土建工程2预埋铁件项目特征1 .钢材种类、规格:10厚钢板八块2 .螺栓长度:200长,每块钢板四根3 .铁件尺寸:500*5004 .油漆种类、刷漆遍数:防火漆两遍、红丹防锈漆一遍工作内容1 .螺栓(铁件)制作、运输2 .螺栓(铁件)安装t0.1573钢梁项目特征1 .钢材品种、规格:口100*62 .安装高度:3 .油漆品种、刷漆遍数:防火漆两遍、红丹防锈漆一遍工作内容1 .制作2 .运输3 .安装4 .探伤要求5 .刷油漆t1.3994瓦屋面项目特征1.瓦品种、规格、品牌、颜色:树脂瓦2.楝条种类、截面:钢楝条

3、工作内容1.楝条、椽子安装m232.52 .基层铺设3 .铺防水层4 .安顺水条和挂瓦条5 .安瓦6 .刷防护材料5实心砖墙项目特征1 .墙体厚度:24Omm厚2米高2 .砂浆强度等级、配合比:M5水泥石灰砂浆工作内容1.砂浆制作、运输m2382.砌砖3.勾缝4.砖压顶5.砌筑6.材料运输6墙面一般抹灰项目特征1 .墙体类型:外墙2 .底层厚度、砂浆配合比:8厚1:2.5水泥砂浆3.面层厚度、砂浆配合比:12厚水泥砂浆1:3工作内容1 .基层清理2 .砂浆制作、运输3 .底层抹灰4 .抹面层5 .抹装饰面6 .勾分格缝m2427刷喷涂料项目特征1.涂料品种、刷喷遍数:喷丙烯酸,无光外用乳胶漆工

4、作内容1 .基层清理2 .刮腻子m2423.刷、喷涂料8金属推拉门项目特征1.门类型:不锈钢推拉门2 .框材质、外围尺寸:4000*2000工作内容1.门制作、运输、安装3 .五金、玻璃安装4 .刷防护材料、油漆m289水泥混凝土路面含原地面拆除项目特征1 .混凝土强度等级、石料最大粒径:C30商混2 .厚度:28CM工作内容1.原地面拆除,平整,夯实3 .混凝土浇筑4 .拉毛或压痕5 .伸缝6 .缩缝7 .锯缝8 .嵌缝9 .路面养生10 垃圾运输至集中点m23010碎地沟、明沟项目特征m221 .沟截面尺寸:200宽2 .混凝土强度等级:C303 .盖板为不锈钢工作内容1 .不锈钢沟盖板制

5、作安装安装2 .铺设垫层3 .底板混凝土制作、运输、浇筑、振捣、养护4 .材料运输11ABOlO垃圾场安装水龙头项目特征1.给水管材质规格:20,PPR管2.暗敷工作内容1.由甲方指定点引入2.管件、龙头等全套设备安装项112ABOll垃圾场安装下水项目特征1.下水水管材质规格:100,PVC管2.暗敷工作内容1 .引入甲方指定下水口2 .管件、地漏等全套安装项113ABO12医废安装水龙头项目特征1.给水管材质规格:20,PPR管2.暗敷工作内容1.由甲方指定点引入2.管件、龙头等全套设备安装项114ABO13医废安装下水项目特征1.下水水管材质规格:100,PVC管2.暗敷工作内容1 .由地沟引入甲方指定下水口2 .管件、地漏等全套设备安装项115AB009垃圾外运(含垃圾下楼、转运、垃圾场费用等全部外运费用)m310电气设备安装工程序号项目编码项目名称计量单位工程数量1垃圾场工厂灯工作内容1 .支架制作、安装2 .安装3 .油漆套22小电器项目特征1 .名称:明装开关工作内容2 .安装3 .焊、压接线端子个13医废间通风机项目特征1 .形式:方形工作内容1.安装2 .设备支架制作、安装3 .软管接口制作、安装4 .支架台座除锈、刷油台14CB002医废间电路管线项15CBOOl垃圾场电路管线项1西安市卫生学校总务科2023年8月31日

展开阅读全文
相关资源
猜你喜欢
相关搜索

当前位置:首页 > 办公文档 > 招标投标

copyright@ 2008-2023 1wenmi网站版权所有

经营许可证编号:宁ICP备2022001189号-1

本站为文档C2C交易模式,即用户上传的文档直接被用户下载,本站只是中间服务平台,本站所有文档下载所得的收益归上传人(含作者)所有。第壹文秘仅提供信息存储空间,仅对用户上传内容的表现方式做保护处理,对上载内容本身不做任何修改或编辑。若文档所含内容侵犯了您的版权或隐私,请立即通知第壹文秘网,我们立即给予删除!