高支模板模板计算书.docx

上传人:p** 文档编号:506898 上传时间:2023-10-02 格式:DOCX 页数:9 大小:91.63KB
下载 相关 举报
高支模板模板计算书.docx_第1页
第1页 / 共9页
高支模板模板计算书.docx_第2页
第2页 / 共9页
高支模板模板计算书.docx_第3页
第3页 / 共9页
高支模板模板计算书.docx_第4页
第4页 / 共9页
高支模板模板计算书.docx_第5页
第5页 / 共9页
高支模板模板计算书.docx_第6页
第6页 / 共9页
高支模板模板计算书.docx_第7页
第7页 / 共9页
高支模板模板计算书.docx_第8页
第8页 / 共9页
高支模板模板计算书.docx_第9页
第9页 / 共9页
亲,该文档总共9页,全部预览完了,如果喜欢就下载吧!
资源描述

《高支模板模板计算书.docx》由会员分享,可在线阅读,更多相关《高支模板模板计算书.docx(9页珍藏版)》请在第壹文秘上搜索。

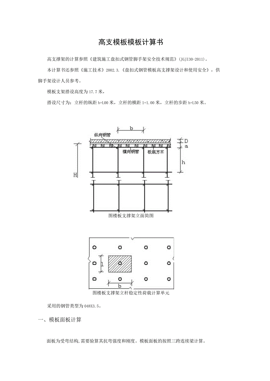
1、高支模板模板计算书高支撑架的计算参照建筑施工盘扣式钢管脚手架安全技术规范(JGJI30-2011)。本计算书还参照施工技术2002.3.盘扣式钢管模板高支撑架设计和使用安全,供脚手架设计人员参考。模板支架搭设高度为17.7米,搭设尺寸为:立杆的纵距b=L00米,立杆的横距1=1.00米,立杆的步距h=L50米。图楼板支撑架立面简图图楼板支撑架立杆稳定性荷载计算单元采用的钢管类型为048X3.5。一、模板面板计算面板为受弯结构,需要验算其抗弯强度和刚度。模板面板的按照三跨连续梁计算。静荷载标准值ql=25.1000.120l.000+0.5001.000=3.512kNm活荷载标准值q2=(0.

2、000+2.000)X1.000=2.000kNm面板的截面惯性矩I和截面抵抗矩W分别为:本算例中,截面惯性矩I和截面抵抗矩W分别为:W=100.001.80l.80/6=54.00cm3;1=100.001.801.801.80/12=48.60cm4;(1)抗弯强度计算f=MWf其中f面板的抗弯强度计算值(N1112);M面板的最大弯距(N.mm);W面板的净截面抵抗矩;f面板的抗弯强度设计值,取13.00Nmm2;M=0.100ql2其中q荷载设计值(kN/m);经计算得到M=0.100(1.23.512+1.4X2.000)0.3000.300=0.063kN.m经计算得到面板抗弯强度

3、计算值f=0.0631000X1000/54000=1.169Nmm2面板的抗弯强度验算fUf,满足要求!(2)抗剪计算T=3Q2bhT其中最大剪力0=0.600X(1.2X3.512+1.4X2.000)0.300=1.263kN截面抗剪强度计算值T=31263.0(21000.000X18.000)=0.105Nmm2截面抗剪强度设计值m=L40Nmm2抗剪强度验算Tm,满足要求!(3)挠度计算v=0.677ql4100EIv=l250面板最大挠度计算值v=0.6773.5123004/(1006000X486000)=0.066mm面板的最大挠度小于300.0/250,满足要求!二、支撑

4、木方的计算1 ,荷载的计算(1)钢筋混凝土板自重(kN/m):qll=25.1000.1200.300=0.904kNm(2)模板的自重线荷载(kN/m):ql2=0.5000.300=0.150kNm(3)活荷载为施工荷载标准值与振倒混凝土时产生的荷载(kNm):经计算得到,活荷载标准值q2=(2.000+0.000)0.300=0.600kNm静荷载ql=l.20.904+1.20.150=1.264kNm活荷载q2=l.40.600=0.840kNm2 .木方的计算计算公式如下:均布荷载q=2.104/1.000=2.104kNm最大弯矩M=O.125ql2=o.125X2.10X1.0

5、0X1.00=0.263kN.m最大剪力0=0.6251.0002.104=1.315kN最大支座力N=l.251.0002.104=2.630kN木方的截面力学参数为本算例中,截面惯性矩I和截面抵抗矩W分别为:W=8.008.00X8.00/6=85.33cm3;1=8.008.008.00X8.00/12=341.33cm4;(1)木方抗弯强度计算抗弯计算强度f=0.26310685333.3=3.08Nmm2(2)木方抗剪计算最大剪力的计算公式如下:Q=O.625ql截面抗剪强度必须满足:T=3Q2bhT截面抗剪强度计算值T=31315/(2X80X80)=0.308Nmm2截面抗剪强度

6、设计值m=L40Wmm2木方的抗剪强度计算满足要求!(3)木方挠度计算最大变形v=0.521X1.0541000.O4/(100X9000.003413333.5)=0.179mm木方的最大挠度小于Io00.0/250,满足要求!三、横向支撑钢管计算横向支撑钢管按照集中荷载作用下的连续梁计算。集中荷载P取木方支撑传递力。.63k2.63k2.63k2.63kl2.63k2.63k2.63k2.63kl2.63k2.63k2.63kN.1000.,1000.1000.支撑钢管计算简图支撑钢管弯矩图(kN. m)0.1352.2602.27 2.270.36 0.362.99支撑钢管变形图()3.

7、953.955-5.622.99 2.992.995.5.621.32 1.321.32 1.323.953.95支撑钢管剪力图(kN)0.36 0.362.27 2.27经过连续梁的计算得到最大弯矩Mmax=O.885kN.m最大变形vmax=2.260mm最大支座力QnIaX=9.566kN抗弯计算强度f=0.885IO6/(5080.02)=87.145Nmm2支撑钢管的抗弯计算强度小于205.0Nm2,满足要求!支撑钢管的最大挠度小于IO00.0/150与10un,满足要求!四、扣件抗滑移的计算采用可调顶托,不须计算扣件抗滑力。五、立杆的稳定性计算荷载标准值作用于模板支架的荷载包括静荷

8、载、活荷载和风荷载。1 .静荷载标准值包括以下内容:(D脚手架钢管的自重(kN):NGl=O.129X17.700=2.285kN钢管的自重计算参照扣件式规范附录A双排架自重标准值,设计人员可根据情况修改。(2)模板的自重(kN):NG2=0.500l.0001.000=0.500kN(3)钢筋混凝土楼板自重(kN):NG3=25.1000.120X1.0001.000=3.012kN经计算得到,静荷载标准值NG=NG1+NG2+NG3=5.797kN.2 .活荷载为施工荷载标准值与振倒混凝土时产生的荷载。经计算得到,活荷载标准值NQ=(2.000+0.000)1.000l.000=2.OOO

9、kN3.不考虑风荷载时,立杆的轴向压力设计值计算公式N=1.2NG+1.4NQ六、立杆的稳定性计算立杆的稳定性计算公式三A其中N立杆的轴心压力设计值,N=9.76kN;,一一轴心受压立杆的稳定系数,由长细比10/i查表得到;i计算立杆的截面回转半径(cm);i=l.58A立杆净截面面积(CIn2);A=4.89W立杆净截面抵抗矩(cm3);W=5.08b钢管立杆抗压强度计算值(Nmm2);f一一钢管立杆抗压强度设计值,f=205.00Nmm2;10计算长度Gn);如果完全参照扣件式规范不考虑高支撑架,由公式或(2)计算10=kluh(l)10=(h+2a)(2)kl一计算长度附加系数,按照表1

10、取值为1.185;u计算长度系数,参照扣件式规范表5.3.3;u=l.70a立杆上端伸出顶层横杆中心线至模板支撑点的长度;a=0.20m:公式(1)的计算结果:-=101.22Nmm2,立杆的稳定性计算bf,满足要求!公式(2)的计算结果:=44.14Nmm2,立杆的稳定性计算bf,满足要求!如果考虑到高支撑架的安全因素,适宜由公式(3)计算10=klk2(h+2a)(3)k2一计算长度附加系数,按照表2取值为1.042;公式(3)的计算结果:b=63.12Nmm2,立杆的稳定性计算bf,满足要求!模板承重架应尽量利用剪力墙或柱作为连接连墙件,否则存在安全隐患。七、立柱地基基础验算用作立杆基础

11、的楼面以下在相应位置保留原支模体系作回顶,不须计算楼面的承载力。当立杆基础为地面时,相应地面必须做好分层回填并夯实,确保地基承载力达到120kNm2以上,再浇捣好C15地骨100厚。立杆基础底面的平均压力应满足下式的要求Pfg其中P立杆基础底面的平均压力(kN112),p=NA;p=19.92N上部结构传至基础顶面的轴向力设计值(kN);29.76A基础底面面积(m2);A=O.7X0.7=0.49Ig地基承载力设计值(kNm2);fg=60.00地基承载力设计值应按下式计算fg=kcfgk其中kc脚手架地基承载力调整系数;kc=O.50fgk地基承载力标准值;fgk=120.00地基承载力的计算满足要求!

展开阅读全文
相关资源
猜你喜欢
相关搜索

当前位置:首页 > 建筑/环境 > 设计及方案

copyright@ 2008-2023 1wenmi网站版权所有

经营许可证编号:宁ICP备2022001189号-1

本站为文档C2C交易模式,即用户上传的文档直接被用户下载,本站只是中间服务平台,本站所有文档下载所得的收益归上传人(含作者)所有。第壹文秘仅提供信息存储空间,仅对用户上传内容的表现方式做保护处理,对上载内容本身不做任何修改或编辑。若文档所含内容侵犯了您的版权或隐私,请立即通知第壹文秘网,我们立即给予删除!