年产1.5万吨谷氨酸发酵车间设计说明.docx

上传人:p** 文档编号:508991 上传时间:2023-10-04 格式:DOCX 页数:32 大小:247.47KB
下载 相关 举报
年产1.5万吨谷氨酸发酵车间设计说明.docx_第1页
第1页 / 共32页
年产1.5万吨谷氨酸发酵车间设计说明.docx_第2页
第2页 / 共32页
年产1.5万吨谷氨酸发酵车间设计说明.docx_第3页
第3页 / 共32页
年产1.5万吨谷氨酸发酵车间设计说明.docx_第4页
第4页 / 共32页
年产1.5万吨谷氨酸发酵车间设计说明.docx_第5页
第5页 / 共32页
年产1.5万吨谷氨酸发酵车间设计说明.docx_第6页
第6页 / 共32页
年产1.5万吨谷氨酸发酵车间设计说明.docx_第7页
第7页 / 共32页
年产1.5万吨谷氨酸发酵车间设计说明.docx_第8页
第8页 / 共32页
年产1.5万吨谷氨酸发酵车间设计说明.docx_第9页
第9页 / 共32页
年产1.5万吨谷氨酸发酵车间设计说明.docx_第10页
第10页 / 共32页
亲,该文档总共32页,到这儿已超出免费预览范围,如果喜欢就下载吧!
资源描述

《年产1.5万吨谷氨酸发酵车间设计说明.docx》由会员分享,可在线阅读,更多相关《年产1.5万吨谷氨酸发酵车间设计说明.docx(32页珍藏版)》请在第壹文秘上搜索。

1、年产1.5万吨味精工厂发酵车间设计说明书引言味精是人们熟悉的鲜味剂,是L谷氮酸单钠盐(MOnOsodiumglutamate)的一水化合物(HOOC-CH2CH(NH2)-COoNa-H2O),具有旋光性,有D一型和L-型两种光学异构体。味精具有很强的鲜味(阈值为0.03%),现已成为人们普遍采用的鲜味剂,其消费量在国外均呈上升趋势。1987年3月,联合国粮农组织和世界卫生组织食品添加剂专家联合委员会第十九次会议,宣布取消对味精的食用限量,再次确认为一种安全可靠的食品添加剂。早期味精是由酸法水解蛋白质进行制造的,自从1956年日本协和发酵公司用发酵法生产以后,发酵法生产迅速发展,目前世界各国均

2、以此法进行生产。谷氨酸发酵是通气发酵,也是我国目前通气发酵产业中,生产厂家最多、产品产量最大的产业。该生产工艺和设备具有很强的典型性,本文对味精发酵生产工艺与主要设备作简要介绍,以期有助于了解通气发酵工艺和主要设备的有关知识。设计容为,了解味精生产中的原料预处理、发酵、提取部分的生产方法和生产流程,根据实际情况来选择发酵工段合适的生产流程,并对流程中的原料进行物料衡算、热量衡算与设备的选择。最后,画出发酵工段的工艺流程图和平面布置图。整个设计容大体分成三部分,第一部分主要是味精生产的工艺和设备选择;第二部分包括发酵罐、种子罐与空气分过滤器的设计与选型;第三部分是工艺流程和平面布置图。由于我的水

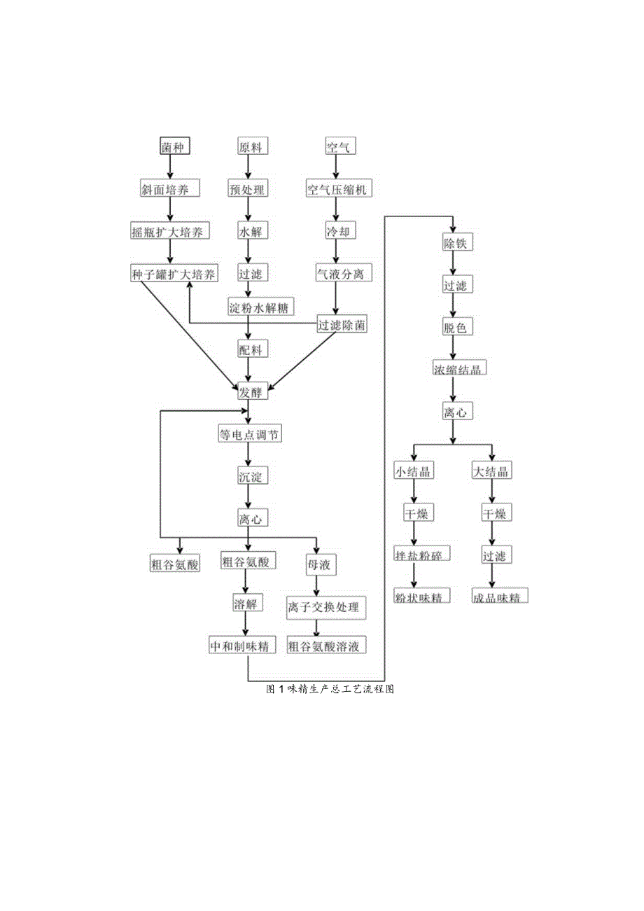
3、平有限,加之对先进设计的了解甚少,设计中有好多不足的地方敬请各位老师和同学批评指正。1味精生产工艺1.1 味精生产工艺概述味精生产全过程可划分为四个工艺阶段:(1)原料的预处理与淀粉水解糖的制备;(2)种子扩大培养与谷氨酸发酵;(3)谷氨酸的提取;(4)谷氨酸制取味精与味精成品加工。与这四个工艺阶段相对应味精生产厂家一般都设置了糖化车间、发酵车间、提取车间和精制车间作为主要生产车间。另外,为保障生产过程中对蒸汽的需求,同时还设置了动力车间,利用锅炉燃烧产生蒸汽,并通过供气管路输送到各个生产需求部位。为保障全厂生产用水,还要设置供水站。所供的水经消毒、过滤系统处理,通过供水管路输送到各个生产需求

4、部位。味精发酵法生产的总工艺流程见图1o图1味精生产总工艺流程图1.2 原料预处理与淀粉水解糖制备1.2.1 原料的预处理此工艺操作的目的在于初步破坏原料结构,以便提高原料的利用率,同时去除固体杂质,防止机器磨损。用于除杂的设备为筛选机,常用的是振动筛和转筒筛,其中振动筛结构较为简单,使用方便。用于原料粉碎的设备除盘磨机外,还有锤式粉碎机和辐式粉碎机。盘磨机广泛用于磨碎大米、玉米、豆类等物料,而锤式粉碎机应用于薯干等脆性原料的中碎和细碎作用,辐式粉碎机主要用于粒状物料的中碎和细碎。1.2.2 淀粉水解糖制备在工业生产上将淀粉水解为葡萄糖的过程称为淀粉的糖化,所制得的糖液称为淀粉水解糖。由于谷氨

5、酸生产菌不能直接利用淀粉或糊精作碳源,因而必须将淀粉水解为葡萄糖,才能供发酵使用。目前,国许多味精厂采用双酶法制糖工艺。1.3 种子扩大培养与谷氨酸发酵种子扩大培养为保证谷氨酸发酵过程所需的大量种子,发酵车间设置有种子站,完成生产菌种的扩大培养任务。从试管斜面出发,经活化培养,摇瓶培养,扩大至一级乃至二级种子罐培养,最终向发酵罐提供足够数量的健壮的生产种子。谷氨酸发酵开始前,首先必须配制发酵培养基,并对其作高温短时灭菌处理。用于灭菌的工艺除采用连消塔一维持罐一喷淋冷却系统外,还可采用喷射加热器一维持管一真空冷却系统或薄板换热器灭菌系统。但由于糖液粘度较大,流动性差,容易将维持管堵塞,同时真空冷

6、却器与薄板加热器的加工制造成本较高,因而应用较少。发酵设备,国味精厂大多采用机械搅拌通风通用式发酵罐,罐体大小在50r113到200m3之间。对于发酵过程采用人工控制,检测仪表不能与时反映罐参数变化,因而发酵进程表现出波动性,产酸率不稳定。由于谷氮酸发酵为通风发酵过程,需供给无菌空气,所以发酵车间还有一套空气过滤除菌与供给系统。首先由高空采气塔采集高空洁净空气,经空气压缩机压缩后导入冷凝器、油水分离器两级处理,再送入贮气罐,进而经焦炭、竟环填充的主过滤器和纤维分过滤器除菌后,送至发酵罐使用。在北方地区由于空气湿度小、温度低,还可采用空气压缩、冷却过滤流程,省去一级冷却设备1.4 谷氨酸的提取谷

7、氨酸的提取一般采用等电点一离子交换法,国有些味精厂还采用等电点一锌盐法、盐酸水解一等电点法与离子交换膜电渗析法提取谷氨酸。但存在废水污染大,生产成本高,技术难度大等问题,应用上受到限制。1.5 谷氨酸制取味精与味精成品加工精制车间加工的谷氮酸产品为谷氨酸单钠,即味精。粗品经提纯、加工、包装,得到成品。味精中和液的脱色过程,除使用碳柱外,还可使用离子交换柱,利用离子交换树脂的吸附色素。味精的干燥过程,国许多厂家还采用箱式烘房干燥,设备简单,投资低,但操作条件差,生产效率低,不适应大规模生产的要求。也有的厂家使用气流干燥技术,生产量大,干燥速度快,干燥时间短,但干燥过程对味精光泽和外形有影响,同时

8、厂房建筑要求较高,这样均不如振动式干燥床应用效果好。2 发酵罐与种子罐的设计与选型3 .1味精工厂发酵车间的物料衡算2.1.1 工艺技术指标与基础数据(1)查发酵工厂工艺设计论P326表3味精行业国家企业标准,选用主要指标如表1表1味精发酵工艺技术指标指标名称单位指标数生产规模t/a15000(味精)生产方法中糖发酵,一次等电点提取年生产天数d/a300产品日产量t/a50产品质量免度99倒灌率%1.0发酵周期h48发酵初糖Kgm3150淀粉糖转化率%95镌酸转化率%48找酸谷氮酸含量%90谷氨酸提取率%80味精对谷氯酸产率%112(2)主要原材料质量指标淀粉原料的淀粉含量为80%,含水14%

9、。(3)二级种子培养基(gL)水解糖25,糖蜜20,尿素3.5,磷酸氢二钾1.0,硫酸镁0.6,玉米浆510,泡敌0.6,硫酸镁0.002,硫酸亚铁0.002。(4)发酵培养基(gL)水解糖150,糖蜜4,硫酸镁0.6,氯化钾0.8,磷酸氢二钠0.2,硫酸亚铁0.002,硫酸镒0.002,尿素(总尿)40,泡敌0.6,植物油1.Oo(5)接种量为2%o2.1.2 谷氨酸发酵车间的物料衡算首先计算生产IoOOkg纯度为100%的味精需耗用的原辅材料与其他物料量。(1)发酵液量MV1=1000(15048%80%99%112%)=15.66()式中150发酵培养基初糖浓度(kgm3)48%糖酸转化

10、率80%谷氨酸提取率99%除去倒灌率1%后的发酵成功率112%味精对谷氨酸的精制产率(2)发酵液配制需水解糖量Gl以纯糖算,G1=V1150=2349()(3)二级种液量V2V2=2%V1=0.313(机3)(4)二级种子培养液所需水解糖量G2G2=25V2=7.83(机I式中25二级种液含糖量(kgm3)(5)生产100Okg味精需水解糖总量G为:G=G1+G2=2356.8()(6)耗用淀粉原料量理论上,IoOkg淀粉转化生成葡萄糖量为111kg,故理论上耗用的淀粉量G淀枪为:G淀粉=23568(80%95%lll%)=2793.7(kg)式中80%淀粉原料含纯淀粉量95%淀粉糖转化率(7

11、)尿素耗用量二级种液耗尿素量为V3V3=3.5V2=1.1()发酵培养基耗尿素为V4V4=4OVl=626.4()故共耗尿素量为627.5kg(8)甘蔗糖蜜耗用量二级种液耗用糖蜜量V5K=20V2=6.26()发酵培养基耗糖蜜量V6V6=4V,=62.64(Zg)合计耗糖蜜69.9kg(9)氯化钾耗量GkciGkci=0.8%12.53(kg)(10)磷酸氢二钠(NazHPO,7庆0)耗量G?G3=0.2V1=3.13()(11)硫酸镁(MgSO47H20)用量G4G4=0.6(V1+V2)=9.58(Zg)(12)消泡剂(泡敌)耗用量G5G5=0.6V1=9.4()(13)植物油耗用量G6G

12、6=1.5V1=23.5(j)(14)谷氨酸(扶酸)量发酵液谷氨酸含量为:G148%(1-1%)=1116.2()实际生产的谷氨酸(提取率80%)为:1116.280%=893()2.1.315000ta味精厂发酵车间的物料衡算结果由上述生产WOOkg味精(IO0%纯度)的物料衡算结果,可求得15000ta味精厂发酵车间的物料平衡计算。具体计算结果如表2表215000ta味精厂发酵车间的物料衡算物料名称生产It味精(IO0%)的物料量15000ta味精生产的物料量每日物料量发酵液(?)15.662.35105783二级种液(/)0.313469515.65发酵水解用脑(kg)23493.521

13、071.17X105二级种培养用糖7.831.1810s391.5(kg)水解糖总量(kg)2356.83.53X1071.1810i淀粉(kg)2793.74.19X1071.40X105尿素(或液氯)627.59.41X103.14104糖蜜(kg)69.91.051063495氯化钾(kg)12.531.8810s626.5磷酸氢二钠(kg)3.134.70104156.5硫酸镁(kg)9.581.4410s479泡敌(kg)9.41.40105470植物油(kg)23.53.5310s1175谷氨酸(kg)8931.34107446502.2设备设计与选型2.2.1发酵罐(1)发酵罐的

14、选型选用机械涡轮搅拌通风发酵罐(2)生产能力、数量和容积的确定发酵罐容积的确定:选用200r113罐生产能力的计算:现每天生产99%纯度的味精50t,谷氨酸的发酵周期为48h(包括发酵罐清洗、灭菌、进出物料等辅助操作时间)。则每天需糖液体积为V楂。每天产纯度为99%的味精50t,每吨100%的味精需糖液15.66m3%=15.665099%=775.1)设发酵罐的填充系数=70%;则每天需要发酵需要发酵罐的总体积为V0(发酵周期为48h)ovo=Vtft=H07.4(m9发酵罐个数的确定:公称体积为200f113的发酵罐,总体积为230m3775.1748V124 2300.724= 9.63(个)取公称体积200m3发酵罐11个,其中一个留作备用。实际产量验算:23x07x5X300=15580.6(a)15.6699%富裕量15580.6-15000=39%15000能满足产量要求(3)主要尺寸的计算:取高径比H:D=2:16嚓=%+2%=230;则有:=0.785D2X2。+小X2=23024H=2D;解方程得:1.57D3+0.26D3=2307*5)取D=5mH=2D=10m;封头高:“封=ha+h

展开阅读全文
相关资源
猜你喜欢
相关搜索

当前位置:首页 > 行业资料 > 工业设计

copyright@ 2008-2023 1wenmi网站版权所有

经营许可证编号:宁ICP备2022001189号-1

本站为文档C2C交易模式,即用户上传的文档直接被用户下载,本站只是中间服务平台,本站所有文档下载所得的收益归上传人(含作者)所有。第壹文秘仅提供信息存储空间,仅对用户上传内容的表现方式做保护处理,对上载内容本身不做任何修改或编辑。若文档所含内容侵犯了您的版权或隐私,请立即通知第壹文秘网,我们立即给予删除!